Реле давления является одним из ключевых элементов управления насосной станции, который обеспечивает автоматическое включение и отключение, и управляет подачей воды в емкость согласно предустановленным настройкам. Каких-либо рекомендаций касаемо предельных значений для верхнего и нижнего давления нет. Зачастую производители поставляют свои изделия настроенными под определенные параметры. Чаще всего это 1,8 бар для включения и примерно 3 бар на выключение. Но в ходе эксплуатации нередко требуется дополнительная настройка, а потому каждый пользователь вынужден самостоятельно производить регулировку реле давления насосной станции согласно данных, указанных в инструкции.
Реле являет собой небольшой блок с пружинами максимального и минимального давления. Его регулировка производится посредством все тех же пружин, которые реагируют на изменения силы давления. Достигнув минимальных показателей, пружина ослабевает, а при максимальных – сжимается еще сильнее. Таким образом, она вызывает размыкание контактов реле, и соответственно включает и выключает насосную станцию.
При наличии воды в водопроводе, реле позволяет создать постоянное давление в системе и требуемый напор. Благодаря правильной настройке обеспечивается автоматическая работа насоса, что позволяет существенно продлить срок его эксплуатации.
Но прежде чем переходить к настройке, давайте пройдемся по устройству и принципу работы насосной станции.
Она включается в себя следующие компоненты:
Что же касается принципа работы, то сложного в этом устройстве ничего нет. Внутри резервуара или бака находится баллон в форме груши, выполненный из модифицированной пищевой резины, а между ней и стенками емкости закачан воздух. Насос заполняет «грушу» водой, из-за чего она расширяется и сжимает внешнюю воздушную прослойку, которая начинает давить на стенку. С помощью регулировки реле, владелец насосной станции может сам установить предел наполнения резервуара и момент ее отключения. Все это контролируется посредством манометра.
Чтобы вода не ушла обратно в колодец или в систему, в насосе предусмотрен подпружиненный клапан. Достаточно лишь открыть и вода, которая собралась в «груше», пойдет по системе. Давление будет опускаться по мере расходования воды и после того, как оно упадет ниже установленного в реле порога, насосная станция автоматически включится и наполнит резервуар водой.
Реле подключается между выходом из резервуара и обратным клапаном на трубопроводе. Все разветвители в целях экономии обычно собираются из отдельных компонентов, но на деле легче купить пятиходовой штуцер, где предусмотрены резьбы под все детали, в числе которых и манометр. При этом крайне важно не перепутать местами входы для обратного клапана и штуцера, поскольку настройка насоса будет невозможной в этом случае. Но использование стандартных запчастей позволяет свести такие ошибки к минимуму.
Для насосных станций, предназначенных для домашнего использования зачастую используется реле давления РМ-5 или его аналоги. Стоит учитывать, что устройство может быть изменено, а потому приведенные в данной статье описание будет лишь примерным и при возникновении проблем, вам придется искать их причину либо в прилагаемой инструкции, либо в информации на просторах Всемирной паутины.
Каждое реле модели РМ-5 имеет металлическую подвижную пластину. С противоположных сторон на нее оказывают давление две пружины. Кроме этого, на нее давит еще и наполненная водой «груша». Вращая прижимную гайку на соответствующей пружине, можно уменьшить или увеличить пределы срабатывания. Пружины не дают воде сместить пружину, то есть механизм реле устроен таким образом, что когда происходит смещение, замыкаются группы электрических контактов.
Но чтобы проще было понять, давайте распишем подробный алгоритм работы:
Если вас не устраивают заводские предустановки реле давления, то в таком случае вы сможете произвести его настройку самостоятельно. Все что потребуется для этого – отвертка и ключ для регулировки гаек.
Стоит понимать, что настройка реле очень важный и ответственный процесс, поскольку от него зависит насколько правильно будут выставлены предельные уровни срабатывания, насколько удобно будет эксплуатировать насосную станцию и сроки безаварийной работы как ее самой, так и отдельных компонентов.
Первым делом необходимо будет проверить давление в баке-резервуаре. Чаще всего он идет с завода, с уровнем включения в 1,5 бар, а отключения – 2,5 бар. Проверять давление нужно, когда бак пустой, а насосная станция отключена от сети. Для проверки следует использовать автомобильный механический манометр, поскольку его корпус выполнен из металла, а потому точность показания будет более достоверной, чего не скажешь об электрических или пластиковых. Дело в том, что на их показаниях может серьезно отразиться температура воздуха в помещении или уровень заряда аккумулятора. Также рекомендуется, чтобы предел шкалы манометра был как можно меньшим, поскольку на шкале в 50 атмосфер будет сложно измерить 1 атмосферу.
Чтобы проверить давление в резервуаре, следует открыть колпачок, который закрывает золотник и подсоединить манометр. В дальнейшем эту процедуру стоит проводить хотя бы раз в месяц. Воды в баке в этот момент быть не должно, а насосную станцию следует отключить из сети 220В.
Выбрав требуемый режим работы, следует зафиксировать ее, удалив лишний воздух или, наоборот, дополнительно закачав. Следует не забывать, что давление ни в коем случае нельзя уменьшать до значения меньше одной атмосферы и, соответственно, перекачивать. Если в баке мало воздуха, то резиновая «груша» с водой будет касаться стенок бака, а большое количество не позволит закачать много воды, поскольку существенный объем бака забирает воздух.
Как уже выше было сказано, насосные станции, поставляемые в готовом для эксплуатации виде, имеют уже настроенное реле согласно наиболее оптимальным параметрам. Но, если она будет собираться из отдельных элементов на месте, то регулировать реле нужно в обязательном порядке, поскольку необходимо обеспечить нормальную взаимосвязь между объемом резервуара и мощностью насоса. Также возникает потребность изменить исходную настройку. Потому в этих случаях порядок действий должен быть следующим:
завершив регулировки давления в баке, следует включить насосную станцию, чтобы закачалась вода. Он отключится после того, как будет достигнуто предельное значение. Каждое устройство имеет свое предельное давление и максимально допустимый напор, которые нельзя превышать. Это можно определить прекращением его роста. Тогда насос следует выключать вручную. Если максимальное значение не совпадает с приведенным в инструкции к реле уровнем, следует провести настройку, вращая малую гайку;Обычно насос выбирается с такими параметрами, которые не позволяют накачивать бак до крайнего предела. А давление, которое должно его отключать, устанавливается на пару атмосфер больше порога включения.
Также разрешена установка предельных уровней давления, отличающихся от рекомендуемых производителем реле значений, что позволяет создать свой собственный вариант режима эксплуатации насосной станции. Регулируя давление малой гайкой, стоит учитывать, что начальной точкой отсчета должен быть нижний уровень, заданный большой гайкой. Резиновые шланги и прочая сантехника рассчитаны на давление, не выше рекомендуемого производителем, что следует учесть при монтаже. Кроме этого, чрезмерно сильный напор воды нередко оказывается ненужным и вызывает дискомфорт.
Теперь давайте поговорим непосредственно о регулировке реле. Процесс ее сложным назвать нельзя, но к некоторым моментам придется приловчиться. В нашем примере необходимо установить верхний порог в 3 атмосферы, а нижний – 1,7 атмосфер. Регулируется это так:
необходимо включить насос и закачать воду до значения 3 атмосферы;Таким образом, если задать высокое давление для отключения и низкое для включения, в резервуар будет наполняться большим количеством воды, что позволит реже использовать насос. Небольшие неудобства могут появиться, если наблюдается большой перепад давлений, в случаях, когда емкость полная или почти пустая. В остальном же, когда диапазон давлений небольшой, насос придется чаще использовать. Но зато вода будет поступать в систему равномерно и тем самым будет обеспечен стабильный и комфортный напор.
Ремонтировать реле насосной станции возможно, однако учитывайте, что это лишь временная мера. Поскольку данный элемент защищает сам насос от перегрузок, а мембрану внутри бака от повреждений. С учетом этого, лучше будет сразу приобрести новое реле. Потому единственным исключением будет лишь текущее обслуживание, а именно смазка трущихся деталей для снижения сопротивления и максимально точного срабатывания.
Николаев Олег Петрович
Далеко не все загородные дома находятся в зоне действия линий централизованного водоснабжения. Даже наоборот – «везунчиков», которым достаточно завести в помещение трубу от основной ветки с водой и пользоваться благами, значительно меньше, чем остальных. Но решение есть. Причем их несколько. Выбор же, как это часто бывает, определяется конечной стоимостью монтажа и последующей эксплуатации системы автономного водоснабжения.

Наиболее известны три варианта решения проблемы:
– При помощи вместительной емкости на территории хозяйства, в которую периодически нужно откуда-то подвозить/подводить воду для наполнения. По сути, это компактный аналог водонапорной башни. Сама бочка устанавливается на высоте, благодаря чему вода из нее вытекает самотеком, стоит лишь открыть кран. Недостатков у такого решения больше, чем преимуществ.
– Классическим способом – с помощью колодца и ведра (иногда с коромыслом). Надежность составляет 100%, однако об удобстве говорить не приходится. Стоит ли напоминать о том, что для наполнения небольшой ванны потребуется 14 ходок к колодцу с ведром?
– Смонтировав насосную станцию, которая в автоматическом режиме осуществляет забор воды из скважины или колодца и выдает ее на потребителя при необходимости. Это дает возможность в отношении водоснабжения организовать привычный городской быт в деревенском доме. В данной статье мы рассмотрим именно этот случай. Также поясним, что такое реле давления насосной станции и укажем на его роль в обеспечении работы домашнего водопровода.
Насосная станция представляет собой устройство, предназначенное для закачки воды из внешнего источника и создания и поддержки желаемого давления в домашней водоразборной системе. Конструктивно она представляет собой набор определенным образом соединенных между собой компонентов, каждый из которых выполняет свою функцию. К примеру, реле давления насосной станции контролирует величину напора, по сути, полностью управляя работой всей системы. Кроме того, при сбоях в работе этого элемента или неправильной его настройке может выйти из строя накопительный мембранный бак, а это существенные затраты на восстановление.

Данное устройство включает в себя:
– Электрический насос, закачивающий воду из внешнего источника. В зависимости от способа реализации схемы он может быть погружным, постоянно находящимся под водой, а также внешним, поверхностным.
– Обратный клапан, препятствующий уходу воды самотеком.
– Реле давления насосной станции, регулирующее напор путем включения/отключения насоса.
– Бак-гидроаккумулятор, накапливающий и выдающий воду.
– Систему обвязки, состоящую из вспомогательных элементов (трубы, пятиходовой штуцер, фильтр).

Прежде чем мы поясним, как выполняется настройка реле давления насосной станции, стоит хотя бы в общих чертах рассказать о работе системы индивидуального домашнего водоснабжения. Внутри гидроаккумулятора находится емкость в виде груши из модифицированной пищевой резины, а между ней и стенками бака закачан воздух. Насос нагнетает воду в «грушу», она расширяется и сжимает внешнюю воздушную прослойку, которая начинает оказывать давление на стенки. Регулировка реле давления насосной станции дает возможность владельцу системы самому установить предел наполнения емкости и, как следствие, момент отключения насоса, контролируя величину по манометру.
Обратно в колодец вода не уйдет, так как этому препятствует подпружиненный клапан. Стоит открыть кран в любой точке водозабора – и вода устремится из груши по системе, а начальный напор будет равным выставленному значению. По мере расходования воды давление будет падать, а по достижении нижнего порога, выставленного в реле, произойдет включение насоса, и цикл повторится.

Как мы уже указывали, важнейший элемент такой системы водоснабжения – реле давления насосной станции. Подключение его выполняется между выходом из гидроаккумулятора и обратным клапаном на трубопроводе. Хотя в целях экономии все разветвители могут быть собраны самостоятельно из единичных компонентов, мы рекомендуем приобрести пятиходовой штуцер, в котором предусмотрены резьбы под все основные детали, включая манометр. Важно не перепутать порядок расположения обратного клапана и штуцера, иначе регулировка реле давления насосной станции будет невозможна. При использовании стандартных комплектующих такая ошибка сведена к минимуму.
В конструкции станций для индивидуального водоснабжения в качестве регулятора пределов давления применяется РМ-5 или его зарубежный аналог, полностью совместимый по выводам. Однако возможны изменения во внутреннем устройстве и, как следствие, неисправности реле давления насосной станции также различны, хотя могут быть собраны в группы по сходству.
Внутри каждой модели (РД5 или РМ5) находится металлическая подвижная пластина (площадка), на которую с противоположных сторон оказывают давление две пружины. Также на нее опосредовано давит накачанная в грушу вода. Вращая прижимную гайку соответствующего пружинного блока, можно увеличить или уменьшить пределы срабатывания. Пружины словно «помогают» (или мешают) давлению воды сместить пластину. Механизм выполнен таким образом, что при смещении площадки замыкаются или размыкаются несколько групп электрических контактов.

То есть сама схема работает следующим образом:
– Насос накачивает воду в гидроаккумулятор. Электропитание на двигатель подается через замкнутые контакты в реле давления.
– Напор воды в баке растет, при достижении определенного значения, установленного пружинами верхнего предела в РД-5, происходит срабатывание механизма и разрыв электроцепи – насос выключается. Обратно в колодец жидкость не уходит благодаря клапану.
– По мере водоразбора груша опустошается, давление в системе падает и в реле срабатывает пружина нижнего предела, замыкая контакты на насос. Цикл повторяется.
Внешне это небольшая пластмассовая коробочка, с нижней стороны которой есть металлическая основа с размещенной там накидной гайкой, система которой схожа с «американкой». С ее помощью устройство прикручивается к выводу пятиходового штуцера. Настройка реле давления насосной станции заключается в подкручивании двух гаек. Более крупная находится поверх металлической пластины и обозначена буквой «Р». Она отвечает за верхнее значение давления, при котором происходит размыкание контактов и отключение электродвигателя насоса. Меньшая гайка обозначается как «ΔР» и косвенно указывает на нижнее значение, по достижении которого электрическая схема включается. Выполняя настройку, очень важно понимать, что «дельта Р», в отличие от «Р», не выставляет нижнюю границу, а регулирует разницу между давлениями отключения и включения.

Обязательным условием правильной настройки является проверка давления воздуха в баке гидроаккумулятора. Обычно оно составляет около 1.5 Атмосфер. Чем оно выше, тем меньше воды накопит емкость, но тогда будет больше среднее значение напора. Представим, что при полностью опустошенной емкости там 1 Атм. Это допустимо. Если меньше, то нужно воспользоваться насосом.
После этого следует подать электропитание на цепи (подразумевается, что все собрано, а краны водоразбора закрыты) – насос включится, начнется накачка воды в емкость. Далее нужно следить за движением стрелки на манометре. При достижении какого-то значения реле сработает и двигатель отключится. После этого, вращая немного гайку Р, можно уменьшить или увеличить границу отключения. Стрелки рядом с обозначением на пластине указывают направление (+ или -). Слишком усердствовать не следует, так как каждая модель гидроаккумулятора рассчитана на свой допустимый объем воды, превышать который не следует. Давление воздуха, предварительно измеренное, позволяет просчитать объем накопленной жидкости: если отключение произошло при 4 Атм, а в воздушной прослойке 1 Атм, то набрано в бак 3 Атм (около 30 литров). Разумеется, полной отдачи не происходит, поэтому владельцу доступно меньше.

После отключения схемы по верхнему пределу открывают кран и следят за манометром. Значение, при котором происходит включение насоса, как раз и является нижней границей. Если она велика, то, вращая гайку «ΔР», можно его повысить или понизить. В любом случае оставшееся давление не должно быть ниже 0,9 Атм.
Важное правило, позволяющее продлить время эксплуатации резиновой емкости, гласит: давление в воздушной прослойке не должно превышать более чем на 10% нижнюю границу включения насоса. В противном случае удастся получить больше воды и уменьшить частоту запуска двигателя, однако груша будет прогибаться в разных направлениях, снижая свой ресурс.
Если при регулировке верхнего значения насос не отключается, а стрелка манометра замирает на какой-то цифре, то это означает, что недостаточно мощности насоса для закачки до выставленных пределов. Нужно прервать электропитание и, немного уменьшив «Р», повторить проверку, предварительно разобрав накопленную воду.
Ремонт реле давления насосной станции хотя и возможен, но это лишь временное средство. Так как данный элемент фактически защищает насос от перегрузки, а грушу от повреждения, то лучше приобрести новое реле. Исключение составляет лишь текущее обслуживание, при котором внутренние трущиеся детали смазываются для уменьшения сопротивления и более точного срабатывания.
Чарли Гард умер за неделю до своего первого дня рождения Чарли Гард, неизлечимо больной младенец, о котором говорит весь мир, умер 28 июля, за неделю до своего первого дня рождения.
Как выглядеть моложе: лучшие стрижки для тех, кому за 30, 40, 50, 60 Девушки в 20 лет не волнуются о форме и длине прически. Кажется, молодость создана для экспериментов над внешностью и дерзких локонов. Однако уже посл.
Что форма носа может сказать о вашей личности? Многие эксперты считают, что, посмотрев на нос, можно многое сказать о личности человека. Поэтому при первой встрече обратите внимание на нос незнаком.
20 фото кошек, сделанных в правильный момент Кошки — удивительные создания, и об этом, пожалуй, знает каждый. А еще они невероятно фотогеничны и всегда умеют оказаться в правильное время в правил.
Топ-10 разорившихся звезд Оказывается, иногда даже самая громкая слава заканчивается провалом, как в случае с этими знаменитостями.
Почему некоторые дети рождаются с “поцелуем ангела”? Ангелы, как всем нам известно, относятся доброжелательно к людям и их здоровью. Если у вашего ребенка есть так называемый поцелуй ангела, то вам нечег.
Друзья, подскажите пожалуйста! Понимаю, что что-то собрал не так.
Собираю что-то подобное второй раз в жизни.
У меня насос Водомет 40/50 в колодце (4 кольца), с обратным клапаном и труба пнвд в дом 20 метров.
Далее пнвд приходит в дом и тут я собрал такую конструкцию (см. вложение).
В доме гидроаккумулятор 50
Все собрал вроде как по инструкции и почти все работает. НО реле не отключает насос
Спустил воздух в ГА при отсутствии давления до 1,5 атм.
Купил новое реле включаю питание.
Думал все будет работать без настроек реле по заводским настройкам.
Но насос качает до 5 атм и не выключает насос. Создает очень большое давление 5 атм, которое мне даже не нужно (посудомойка уже ругается что высокое давление) и все равно реле так и не выключает насос.
Выше 5-5,3 атм не поднимается, но и насос не отключает реле, так и работает похоже (нет щелчка и слышу что гудит).
Реле должно отключать насос где-то на 3-4 атм ?
Почитал принцип как его настраивать реле и начал крутить туда сюда гайки -тоже не помогло.
Подумал что реле бракованное, снял старое реле с насосной станции и поставил его – тоже самое.
В этот момент понял, что что-то не правильно собрал
Почитал форум, пишут про обратный клапан и слабый насос могут быть причиной не срабатывания реле. Но я так понимаю, что это не мой случай так как 1) если у меня набирает 5 атм и при отключении насоса (вынув вилку из сети) честно их держит – значит напор создает насос достаточный 2) некуда не уходит вода и давление, то с обратным клапаном все в порядке?
Или все равно проверять?
Или же я просто изначально все не так собрал и по фото понятно?
Почему не срабатывает реле и не отключает насос ?
Мне бы хоть оно на каком-нибудь давлении отключалось (2,3,4,5 атм), я бы уже подстроил нужные пределы. Но оно не щелкает ни при каком давлении
Целый день вчера все это крутил вертел. Замучился. Буду ОЧЕНЬ благодарен любым советам! Спасибо больше!
Источники: http://stoki.guru/nasosy/nasosnye-stancii/kak-proizvodit-regulirovku-rele-davleniya-nasosnoy-stancii.html, http://fb.ru/article/174535/rele-davleniya-nasosnoy-stantsii-regulirovka-nastroyka, http://www.mastergrad.com/forums/t237257-rele-davleniya-ne-otklyuchaet-nasos/
santex1.ru
Электромагнитное реле представляют из себя изделие радиотехнической промышленности, которое используется для коммутации электрического тока.
Думаю, все уже в курсе , что поле – это не только гектары земли с пшеницей, картошкой, коноплей 🙂

В нашей жизни существуют еще и другие виды полей, невидимые для человеческого глаза. Это может быть гравитационное, электрическое или даже магнитное поле. Давайте рассмотрим, что же из себя представляет магнитное поле?
Магнитное поле образуется вокруг любого куска магнита. Не зависимо от размеров этого кусочка, этот магнит всегда будет иметь два полюса: северный (N – North) и южный (S – South). Стрелки магнитного поля начинаются с Севера и заканчиваются на Юге, но они нигде не разрываются. Даже в самом магните (доказано наукой). Как вы знаете, Земля – это тот же самый кусочек магнита очень большого размера. Она также имеет эти два полюса, покрытые льдинами. На полюсах Земли, как вы знаете, компас не работает.
Но самый смак заключается в том, что провод, по которому течет электрический ток, вокруг себя образует то же самое магнитное поле как и простой магнит. Буквой I отмечают направление тока, а В – это линии магнитного поля. Они представляют собой замкнутые круги.

Направление линий магнитного поля определяется правилом буравчика

Даже не знаю, кто первый придумал навернуть провод пружиной и пропустить через него электрический ток, но это того стоило.
В результате этого получили нечто иное, как соленоид. Если на концы такого соленоида подать электрический ток, то он будет обладать магнитными свойствами! Правильнее было бы его назвать электромагнит. Смотрите, сколько силовых линий образуется в соленоиде, при подаче на его концы электрического тока!

А если обмотать какую-нибудь железяку этими витками и подать на них напряжение, то эта железяка станет электромагнитом и будет притягивать к себе металлические предметы.

Дело как раз в том, что принцип электромагнита используется в очень важном электротехническом изделии: в электромагнитном реле.
Возьмем простое электромагнитное реле

Давайте же посмотрим, что на нем написано:

TDM ELECTRIC – видимо производитель. РЭК 78/3 – название реле. Дальше идет самое интересное. Мы видим какие то полоски и цифры. Контакты с 1 по 9 – это и есть коммутационные контакты реле, 10 и 11 – это катушка реле.
Теперь обо всем по порядку. Реле состоит из коммутационных контактов. Что значит словосочетание “коммутационные контакты”? Это контакты, которые осуществляют переключение. Катушка – это медный провод, намотанный на цилиндрическую железку. В результате, соленоид превращается в электромагнит, если на его концы подать напряжение.
Еще чуть ниже мы видим такие надписи, как 5А/230 В~ и 5А 24 В=. Это максимальные параметры, которые могут коммутировать контакты реле. Эти параметры желательно не превышать и брать с большим запасом. Иначе при превышении допустимых параметров контакты реле могут обгореть, либо полностью выгореть, что в свою очередь приведет к полному выходу из строя электромагнитного реле.
Когда напряжение на катушку мы НЕ подаем, то контакт 1 соединяется с 7, 2 с 8, 3 с 9

Иными словами, если достать мультиметр, то можно прозвонить контакты 1 и 7, 2 и 8, 3 и 9. Мультиметр должен показать 0 Ом.
Если же мы подаем напряжение на катушку, то группа контактов перебрасывается. В результате соединяется 4 с 7, 5 с 8, 6 с 9.
Какое же напряжение подавать на катушку? На катушке уже есть ответ. Написано 12 VDC. DC – это постоянный ток, АС – переменный. Значит, на катушку подаем 12 Вольт постоянного тока.

С другой стороны мы видим те самые контакты. Слева-направо и сверху-вниз идет нумерация контактов:

Но как же так оно работает? Все оказывается очень просто. Давайте внимательно рассмотрим фото ниже:
При подаче на катушку напряжения, ярмо притягивается к электромагниту. На ярме находится коммутационный контакт и он движется вслед за ярмом. В результате этого, “пипочка” на коммутационном контакте перебрасывается на нижний контакт и происходит переключение.
При пропадании напряжения на катушке, пружинка оттягивает ярмо назад и реле принимает свой первозданный вид.

Давайте же проверим реле с помощью мультиметра и блока питания. Прозваниваем контакт 1 и 7 и смотрим, что у нас они звонятся, значит эти контакты соединены. Видно даже визуально.

Подаем напряжение на катушку 12 Вольт с блока питания и смотрим, что у нас получилось.

В результате у нас ярмо “приклеилось” к электромагниту (катушке) и потянула за собой коммутационный контакт. Цепь 1 и 7 у нас оборвалась, но зато восстановилась цепь контактов 7 и 4. Вот таким образом проверяются контакты реле.
Если контакты с налетом, то следует протереть их карандашным ластиком. Если прилично поджарились, а другого реле под рукой нет, то здесь поможет только шкурка-микронка. Но этот случай уже критический, так как наждачная бумага сдирает тонкий слой из благородного металла, которым покрыты “пипочки”.
Целостность катушки реле проверяется с помощью мультиметра в режиме омметра. Для этого проверяем сопротивление катушки. Оно зависит от самого реле. У всех оно разное. Если сопротивления нет или оно очень маленькое – порядка пару Ом, то значит в катушке либо обрыв, либо короткое замыкание.

На схемах электромагнитные реле обозначаются вот так:
Также контакты обозначают уже просто цифрами. В данном случае:
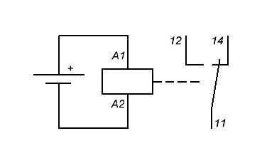
11 – это общий контакт
11-12 – это нормально замкнутые контакты
11-14 – нормально разомкнутые контакты
Прямоугольником обозначается сама катушка реле, а выводы катушки обозначаются буквами A1 и A2.
При подаче напряжения на катушку в данном реле у нас контакт перекинется, то есть картина будет выглядеть следующим образом:
Без подачи напряжения:
После подачи напряжения:

Не знаете, где можно купить нужное вам электромагнитное реле? Вот каталог, где вы найдете подходящее по параметрам реле для своих нужд 😉
www.ruselectronic.com
Этот вопрос рано или поздно возникает практически у всех автовладельцев. Эти маленькие черные коробочки, в изобилии расставленные по автомобилю, что-то делают внутри себя, щелкают, тикают и иногда ломаются. Что же такое – реле?
Вообще, реле бывают разные. Существует огромное количество реле, делящихся по типу срабатывания, напряжению, сфере применения и так далее. Но в рамках этой статьи мы разберемся с обычными электромеханическими реле, которые используются в любых автомобилях, которые вы видите вокруг.
Автомобильное реле с четырьмя контактами — самое распространенноеРеле – это устройство, которое позволяет замыкать или размыкать электрическую цепь по определенному сигналу. В классическом варианте такой сигнал является обычным напряжением, но поданном на отдельные контакты. Зачем это нужно?
Реле используют, во-первых, для того, чтобы можно было управлять мощными потребителями электричества при помощи слабых элементов управления. Во-вторых, реле дает возможность включать несколько потребителей одной кнопкой.
Пример из жизни: обычные автомобильные фары. Галогенные лампочки в фарах, как правило, имеют мощность 55 Ватт. Их две, а это значит, что общая мощность уже 110 Ватт. Когда вы нажимаете кнопку в салоне или поворачиваете выключатель фар, то лампочки в фарах зажигаются и создают нагрузку в проводах как раз на эти 110 Ватт. Данная мощность не маленькая, и без реле вся она проходила бы через выключатель. Для того чтобы такое реализовать, пришлось бы проводить в салон толстые провода, да и сам выключатель был бы могучим и скорее всего некрасивым. Поместить его в подрулевой выключатель (как, например, на японских машинах) вряд ли бы удалось.
Если учесть, что мощных потребителей немало даже в классических «Жигулях» (вентилятор охлаждения двигателя, фары, подогрев заднего стекла, стартер), то в салон пришлось бы проводить огромное количество толстенных проводов и делать мощные органы управления.
От всего этого освобождает реле. Чтобы понять, как оно это делает, давайте рассмотрим его внутреннее устройство.
Основа реле – электромагнит и контактная группа. Контактная группа, в простейшем случае, представляет собой четыре контакта. Два из них – питание электромагнита, остальные – питание подключенного через реле потребителя (например, подогрева заднего стекла). Эти контакты имеют свои названия – управляющая цепь и силовая цепь (или управляющие контакты и силовые контакты). Соответственно силовая цепь – это мощные контакты, которые пропускают через себя ток для потребителя (например 110 Ватт для фар головного света). Управляющая же цепь – работает со слабым током и предназначена для питания электромагнита. При этом на один (определенный) контакт электромагнита подается «плюс», а второй контакт – «масса», то есть он, как правило, соединяется с кузовом автомобиля.
На силовые же контакты подключаются мощные провода, и получается, что реле, как бы разрывает эти провода на две части, чтобы была возможность управлять током внутри них.
Реле бывают не только с четырьмя контактами (два управляющих, два силовых), но и с большим их количеством. Однако, в большинстве случаев, в машинах применяются все-таки 4-х контактные реле.
Принцип действия релеЭлектромагнит, находящийся внутри реле, срабатывает при подаче напряжения на определенный контакт и притягивает к себе подпружиненную перемычку. Перемещаясь в другое положение под действием магнита, эта перемычка замыкает контакты силовой цепи. Получается, что мощные провода «разорванные» на две части фактически «соединяются» внутри реле и по ним начинает идти ток, питая потребитель.
Главная прелесть этой конструкции в том, что электромагнит, требует очень маленькое напряжение для своей работы. А оно подается из салона от красивых и небольших кнопок или крутилок. Эти далеко не мощные органы управления уже не подвержены большим токовым нагрузкам, а всего лишь подают слабый сигнал на магнит.
Когда мы включаем те же фары, на самом деле сначала включаются не лампочки в фарах, а электромагнит в реле. Он тянет к себе перемычку и уже она подключает фары. Соответственно, при выключении фар в салоне автомобиля, напряжение на электромагните пропадает, перемычка под действием пружинки возвращается обратно и размыкает силовые контакты. Все это происходит почти моментально и сопровождается щелчком. Наверное, все слышали, как при включении «поворотников» в салоне, из-под торпеды, начинают раздаваться мерные щелчки. Это перемычка внутри реле то притягивается, то отпускается магнитом и «стучит».
Схема подключения фар через реле иногда приводит к странной неисправности, которая заставляет задуматься новичков: фары после выключения продолжают светиться. Это происходит из-за образования нагара на силовых контактах внутри реле и прилипания к ним перемычки. То есть, когда мы отключаем фары, исчезает напряжение с электромагнита и перемычка должна возвратиться обратно, отключив фары, но не может, потому что залипла.
В этом случае можно или отключить аккумулятор и потом разобраться с реле или снять с реле хотя бы один силовой контакт. Фары при этом погаснут. Главное – если снятый контакт силовой и он один (не в составе колодки), его обязательно нужно заизолировать, чтобы не допустить короткого замыкания. Если к реле подключена колодка, то колодку тоже нужно снять и обмотать изолентой. Как пользоваться изолентой?
Если реле фар установлено в монтажном блоке, вытащите его из блока. Дальше такое реле лучше заменить, потому что неисправность с нагаром контактов не исчезнет, а только будет ухудшаться. Рано или поздно вы забудете про «невыключенные» фары и аккумулятор разрядится. Почитайте также про то, как проверить реле в автомобиле.
Вторая полезность реле – возможность подключения к одной кнопке нескольких потребителей. Так, например, на некоторых автомобилях при включении подогрева заднего стекла включается еще и обогрев зеркал. При этом кнопка управляет только реле, а уже через него включается одновременно два потребителя.
Реле контроля исправности ламп на «Десятке». Внутри него — электронная схема, определяющая по величине проходящего тока целостность нитей лампочек.Обычные реле делятся на нормально-разомкнутые и нормально-замкнутые. Эта классификация определяет, в каком состоянии находится та самая перемычка, когда электромагнит обесточен. То есть, если при выключенном состоянии магнита, силовые контакты не замкнуты, то реле – нормально-разомкнутое. Замыкается оно только в момент подключения магнита.
Именно такие реле используются в автомобилях. В современных авто, при помощи реле подключаются фары, стартер, звуковой сигнал, блок управления двигателем, бензонасос, электроусилитель руля и прочее оборудование.
Кроме простых реле существуют еще и реле с внутренней электронной схемой, которая сама управляет электромагнитом. Самый яркий пример – реле «поворотников». Внутри него есть схема, которая обеспечивает включение-выключение электромагнита с определенной частотой. Благодаря этому и мигают «поворотники». Реле само создает эффект включения-выключения после того как мы запустим его работу перемещением соответствующего подрулевого выключателя.
russia-avto.ru
Как сделать из «минуса» «плюс» и наоборот? Как подцепиться к электроприводу? Как открыть багажник с брелока сигнализации? Как заблокировать запуск двигателя? На все эти вопросы есть ответ: с помощью реле.
Зная, как работает реле, Вы сможете осуществить различные схемы подключения к электропроводке автомобиля.

Обычно реле имеет 5 контактов (бывают и 4-хконтактные и 7-ми и т.д.). Если Вы посмотрите на реле внимательно, то увидите, что все контакты подписаны. Каждый контакт имеет своё обозначение. 30, 85, 86, 87 и 87А. На рисунке видно где, какой контакт.
Контакты 85 и 86 — это катушка. Контакт 30 — общий контакт, контакт 87А — нормально-замкнутый контакт, контакт 87 — нормально-разомкнутый контакт.

В состоянии покоя, т.е., когда на катушке нет питания, контакт 30 замкнут с контактом 87А. При одновременной подаче питания на контакты 85 и 86 (на один контакт «плюс» на другой — «минус», без разницы куда что) катушка «возбуждается», то есть срабатывает. Тогда контакт 30 отмыкается от контакта 87А и соединяется с контактом 87. Вот и весь принцип действия. Вроде бы ничего сложного.
Реле часто приходит на выручку во время установки дополнительного оборудования. Давайте рассмотрим простейшие примеры применения реле.

В качестве блокируемой цепи может быть что угодно, лишь бы машина не заводилась при разорванной цепи (стартер, зажигание, бензонасос, питание форсунок и т.д.).
Один контакт питания катушки (пусть 85) соединяем с проводом сигнализации, на котором появляется «минус» при постановке в охрану. На другой контакт катушки (пусть 86) подаём +12 Вольт при включении зажигания. Контакты 30 и 87А подцепляем в разрыв блокируемой цепи. Теперь, если попытаться завести автомобиль при включенной охране, контакт 30 разомкнётся с контактом 87А и не даст завести двигатель.
Эта схема используется, если у вас «минус» с сигнализации на блокировку выходит при постановке в охрану. Если у вас «минус» с сигнализации на блокировку выходит при снятии с охраны, тогда вместо контакта 87А используем контакт 87, т.е. разрыв цепи теперь будет на контактах 87 и 30. При таком подключении реле будет всегда в рабочем состоянии (разомкнутом) при работающем двигателе.

Допустим, нам надо получить «минус», но у нас есть только «плюсовой» сигнал (например, у автомобиля положительные концевики, а у сигнализации нет входа положительных концевиков, а есть только вход отрицательных). На помощь опять приходит реле.
Подаём на один из контактов катушки (86) наш «плюс» (с концевиков автомобиля). На другой контакт катушки (85) и на контакт 87 подаём «минус». В итоге на выходе (контакт 30) получаем нужный нам «минус».
Если нам надо, наоборот, из «минуса» получить «плюс», то маленько меняем подключение. На контакт 86 подаём исходный «минус», а на контакты 85 и 87 подаём «плюс». В итоге на выходе (контакт 30) получаем нужный нам «плюс».
Если нам надо из слаботочного отрицательного выхода сигнализации (в сигнализации такие выходы могут называться по-разному и их назначение тоже различное: выход на 3-е зажигание, выход на открытие багажника, выход на закрытие стёкол и т.д.) сделать хороший мощный «минус» или «плюс», то тоже используем эту схему.
На контакт 85 подаём выход с сигнализации. На контакт 86 подаём «плюс». На контакт 87 подаём сигнал той полярности, который нам надо получить на выходе. В итоге на контакте 30 мы имеем ту полярность, которая на контакте 87.

Если в автомобиле стоит электрический привод багажника, то можно подключиться к нему автосигнализацией для открытия его с брелока сигнализации. Если с сигнализации выходит слаботочный сигнал на открытие багажника (а чаще всего так и есть), то используем эту схему.
Прежде всего, находим провод на привод багажник, где появляется +12 Вольт при открытии багажника. Разрезаем этот провод. Тот конец разрезанного провода, который идёт к приводу, подцепляем к контакту 30. Другой конец провода подцепляем к контакту 87А. Выход с сигнализации подцепляем к контакту 86. Контакты 87 и 85 подцепляем на +12 Вольт.
Теперь, при подаче сигнала с сигнализации на открытие багажника, реле сработает и на провод электропривода багажника пойдёт «плюс». Привод сработает, и багажник откроется.
Это лишь немногие схемы подключения с использованием реле. Ещё немного схем с использованием реле можете найти на сайте в категории схемы хитрушек и в разделе схемы подключения к центральному замку.
autosiga.ru
Реле часто применяется при монтаже охранного оборудования.
Рисунок 58. Устройство реле
На электрических схемах реле принято обозначать в виде этих двух частей. Пунктирной линией показана механическая связь между обмоткой и контактами.
Рисунок 59. Условное обозначение реле
Рисунок 57. Типовое пятиконтактное реле
Реле состоит из двух основных деталей — обмотки с сердечником (электромагнит) и группы контактов. Обе эти детали объединены в одном корпусе. При появлении напряжения на обмотке один из контактов реле притягивается к электромагниту и замыкается с другим. Одновременно может происходить размыкание с третьим контактом.
По типу и количеству контактов реле можно поделить на несколько групп.
1. Реле с замыкающими контактами. В исходном состоянии выходные контакты разомкнуты, ток через них не течет При срабатывании реле контакты замыкаются, и в цепи, куда реле включено, начинает протекать электрический ток. Такой тип контакта называют HP (нормально разомкнутый). В англоязычной литературе обозначается NO (normally-open).

Рисунок 60. Замыкающий контакт
2. Контакт может быть размыкающим. Пока реле не сработало, выходные контакты замкнуты. Ток через них беспрепятственно проходит, как через обычный проводник. При срабатывании реле контакты размыкаются, цепь разрывается, ток перестает течь. Контакт этого типа именуют НЗ (нормально замкнутый). Аналог в английском языке — NC (normally-closed).

Рисунок 61. Размыкающий контакт
3. Контакт может быть переключающим. В исходном состоянии замкнута одна из двух цепей, после срабатывания реле первая цепь разрывается, а вторая замыкается. Такое реле имеет один общий контакт для двух цепей, то есть цепи не являются независимыми. В англоязычной терминологии — СО (change-over) или DT (double-throw).

Рисунок 62. Переключающий контакт
Рисунок 63. Многоконтактное реле
Основные параметры реле, которые необходимо знать для правильного выбора при установке охранного оборудования:
Попробуем разобраться более детально с этими параметрами.
Допустимый ток, подаваемый на контакты, определяется как размерами самого реле, так и применяемыми в нем материалами. Например, в дорогих реле контакты помещены в герметичную капсулу, наполненную инертным газом. Это позволяет предотвратить окисление контактов, повысить его надежность. Если неправильно выбрать реле по мощности, то велик риск, что в самый ответственный момент оно выйдет из строя и повредит оборудование автомобиля. Например, превышение допустимых токов коммутации может привести к короткому замыканию, а превышение токов управления — к возгоранию.
Для управления несколькими независимыми друг от друга цепями одновременно есть реле, у которых не одна пара контактов, а две и больше.
Рисунок 64. Слаботочное реле
Тип выходных контактов определяется исходя из того, какую цепь и в какой момент времени требуется заблокировать. Например, нужно по команде с дополнительного выхода сигнализации открыть багажник. Мощности дополнительного канала не хватит, чтобы напрямую подключить его к активатору багажника. Поэтому необходимо использовать реле. Чтобы реле замыкало силовую цепь активатора только при появлении на дополнительном выходе сигнализации управляющего импульса, необходимо воспользоваться реле с парой замыкающих контактов. Работать это будет так: в исходном состоянии управляющего сигнала нет, реле обесточено, цепь активатора разомкнута. Как только появляется импульс, реле замыкает выходные контакты, через активатор течет ток, замок открывается.

Рисунок 65. Использование дополнительного реле для отпирания багажника
Ток потребления также важен, ведь неправильно выбранное по этому параметру реле может за короткое время посадить аккумулятор. Например, при установке сигнализации была сделана дополнительная блокировка двигателя при помощи обычного автомобильного 4-х контактного реле. При постановке на охрану оно включается и разрывает какую-нибудь значимую цепь (например, провод бензонасоса). Однако при таком включении через обмотку реле будет протекать ток. Хоть этот ток и мал (приблизительно 0,05 — 0,1 А), но 2 — 3 подобные блокировки могут выкачать из аккумулятора всю энергию менее, чем за 3 недели простоя.
В данном случае следует использовать другую схему блокировки (реле будет разрывать защищаемую цепь только при включении зажигания).
Рисунок 66. Схема блокировки
Реле можно условно поделить на неполяризованные и поляризованные. Неполяризованное реле, как правило, большое по габаритам, потребляет больший ток и способно коммутировать большую нагрузку
Например, типичное автомобильное неполяризованное реле потребляет ток 0,1 А и способно коммутировать ток до 40 А.
Рисунок 67. Неполяризованное автомобильное реле
Поляризованное реле имеет два устойчивых состояния и потребляет ток только в момент переключения. Коммутировать это реле может до 10 А. Сейчас поляризованные реле используются редко, в большинстве случаев их можно заменить на логические микросхемы.
При срабатывании в обмотке крупных реле возникают выбросы тока самоиндукции, которые могут быть довольно существенными. Чтобы эти выбросы не приводили к сбоям в работе сигнализации, настоятельно рекомендуется обмотку любого реле шунтировать диодом, то есть припаивать выпрямительный диод между двумя входными контактами таким образом, чтобы анод диода был соединен с массой, а катод — с контактом, на котором появляется плюс. В этом случае диод не будет оказывать влияния на управляющий сигнал, так как при обратном напряжении сопротивление диода очень велико. При возникновении индукционного выброса весь ток пройдет через диод, и будет им погашен.
Рисунок 68. Включение защитного диода
Рисунок 69. Схема-подсказка «Реле»
instalator.ru
| Неисправность | Причина | Способ устранения |
| Нарушение отдельных электрических цепей схемы | Обрыв подъемной катушки | Прозвонить схему |
| Реле не срабатывает | Затирание подвижной системы | Ликвидировать заусенцы |
| Обрыв в цепи подъемной катушки | Заменить катушку | |
| Недопустимый нагрев токоведущих частей | Ослабление контактных соединений | Закрепить все резьбовые соединения |
| Нечеткое срабатывание реле | Большой контактное нажатие | Отрегулировать реле |
| Большой провал контактов |
Ящик с реле ЯР-27ГУ2
Ящик ЯР-27ГУ2 предназначен для размещения различных электрических аппаратов — электромагнитных реле, резисторов, конденсаторов, диодов.

Рис. 8.19. Ящик с реле ЯР-27. Панель 1

Рис. 8.20. Ящик с реле ЯР-27. Панель 2
В ЯР-27ГУ2 на двух панелях установлены следующие реле:
| Наименование реле на схеме | Тип реле | Назначение |
| РР | РМ 3001 | Реле перегрузки |
| РД | Р 3150 | Нулевое реле |
| РВ3 | Р 3100 | Реле системы управления |
| РТ2 | Р 3100 | Реле времени |
| РКТТ | Р 3100 | Реле ручного торможения |
Реле реверсировки (РР)
Это реле предназначено для изменения направления вращения вала реостатного контроллера посредством изменения направления тока в обмотке возбуждения СДРК, а также задерживает вращение вала РК при переходе схемы с последовательного соединения тяговых двигателей на параллельное. Катушка реле включена в цепь провода 10А. Контакты включены в цепь обмотки возбуждения СДРК и в цепь провода 2.
Реле дверей (РД)
Катушка реле включена в цепь последовательно с контактами дверных блокировок. Размыкающий контакт РД включен в цепь 16 провода, а замыкающий — в цепь 28 провода.
При закрытии дверей в поезде через контакты дверных блокировок после их замыкания питание подается на катушку реле РД,и якорь реле втягивается. При этом контакт в цепи 16 провода размыкается и белые лампы дверной сигнализации на кузове вагонов гаснут, а контакт РД в цепи 28 провода замыкается и при этом загорается лампа ЛСД на пульте головного вагона и включается контактор КД, что дает разрешение на сбор схемы ходового режима.
Реле времени (РВ3)
Это реле задерживает включение вентиля замещения ВЗ № 2 на время сбора схемы и появления тормозного тока. Катушка реле включена в цепь 19 провода, а размыкающий контакт в цепь 8 провода вентиля замещения ВЗ № 2.
Токовое реле (РТ2)
Катушка этого реле включена в тормозной контур силовой цепи. Размыкающие контакты включены в цепь 8 и 48 проводов. Ток уставки реле составляет 100 — 130 А.
При электрическом торможении когда ток в силовой цепи становится меньше 100 — 130 А, реле отпускает свой якорь, и контакты РТ2 в цепи проводов 8 и 48 замыкаются. Это приводит к замыканию цепи питания катушек вентилей замещения ВЗ № 1 и ВЗ № 2, что обеспечивает плавность торможения и остановки вагона и всего состава.
Реле контроля тормозного тока (РКТТ)
Это реле имеет две катушки: силовую (включена в тормозной контур силовой цепи) и авторежимную (включена в цепь управления). Магнитные потоки обеих катушек действуют согласованно.
При работе одной силовой катушки:
· реле включается при токе в силовой цепи 580 — 620 А,
· реле отключается при понижении тока в силовой цепи до 480 — 520 А.
При работе обеих катушек:
· реле включается при токе в силовой цепи 450 — 490 А,
· реле отключается при понижении тока в силовой цепи до 360 — 390 А.
Замыкающий контакт РКТТ включен в цепь 34 провода, в цепь контроля наличия эффективного торможения от устройств АРС.
Технические данные реле
megaobuchalka.ru
Электромагнитное реле – это электромеханическое устройство, которое при воздействии на него тока замыкает или размыкает механические контакты. А те, в свою очередь, замыкают электрическую цепь, обычно с большими токами, по сравнению с управляющим сигналом.

По существу реле – это электромагнит. Когда на катушку подается управляющее напряжение, то стержень притягивает якорь, производя, таким образом, переключение цепи.
Реле бывают трех видов:
с нормально замкнутыми контактами;При подаче управляющего сигнала на устройство с нормально замкнутыми коннекторами, они размыкаются, при отсутствии сигнала замыкаются. У реле с разомкнутыми коннекторами все наоборот. Напряжение на обмотке присутствует, клеммы замыкаются, отсутствует – размыкается. В перекидывающихся моделях имеется две группы коннекторов, одни нормально замкнутые, другие нормально разомкнутые. У них имеется общая клемма. При подаче тока на обмотку контакты переключаются с одного положения на другое.
На корпусе каждого реле изображена схема с номерами контактов и номиналом управляющего напряжения. Прямоугольник с выводами 85 и 86 означает катушку. Поэтому при измерении параметров обмотки нужно подключаться к ним. Другие выводы с номерами 30, 87 и 87а (88) являются ключом переключения внешней цепи.

Как тестер реле регуляторов и любого другого электромагнитного реле удобно использовать цифровой мультиметр. Это связано с тем, что он может измерять ток, напряжение и сопротивление.
Так как работоспособность устройства зависит в первую очередь от исправности обмотки, проверка начинается с измерения сопротивления катушки. Его значения лежат в пределах от нескольких десятков Ом до нескольких сотен Ом.
Для этого мультиметр переключателем переводим в режим измерения сопротивления. К выводам 85, 86 подсоединяем измерительные щупы, снимаем показания. Если сопротивление в пределах нормы, то надо проверить состояние управляемых выводов. В реле с нормально замкнутыми контактами 30 и 87, при измерении сопротивления между ними, мультиметр должен показать 0 Ом. С нормально разомкнутыми контактами 30 и 87 сопротивление между ними должно быть равно бесконечности. При подаче управляющего напряжения на выводы катушки 85 и 86 все должно поменяться с точностью наоборот.

Иногда известен только ток срабатывания, тогда измеряется сопротивление катушки. После этого показания мультиметра умножаются на ток срабатывания, и получается управляющее воздействие обмотки. Затем, подавая вычисленное напряжение, можно проверять контактную группу, как было описано выше.
На обмотку реле переменного тока можно подавать только переменное напряжение.
После проверки реле, если есть потребность и возможность регулировки контактов сделайте это. В противном случае – замените весь прибор. Его установку и извлечение нужно осуществлять при отключенном питании устройства.
Наиболее часто с коммутационными устройствами приходится сталкиваться автомобилистам. Речь идет о реле регулятора генератора (стартера). О нем вспоминают, когда двигатель перестает заводиться и выясняется, что аккумулятор разряжен. Одной из причин этого является неисправность регулятора.

На старых автомобилях для поддержания постоянства напряжения использовался регулятор, состоящий из трёх устройств — стабилизатора напряжения, ограничителя тока и реле обратного тока. Регулятор не позволяет аккумулятору перезаряжаться, что продлевает срок его службы. Он бывает встроенный в щеточный блок стартера или выполняется как отдельный модуль. Его неисправность может перезарядить или не дозарядить аккумулятор. В первом случае будут видны потеки на корпусе, начнет выкипать электролит, что приведет к падению напряжения ниже 12 вольт. Во втором значения изначально будут ниже допустимого. Как результат, двигатель не заведется.
Чтобы проверить реле регулятор стартера, не снимая его с автомобиля, можно воспользоваться мультиметром, прозвонить все подходящие к нему провода. Для этого они предварительно отключаются от регулятора. Мультиметр переводится в режим измерения сопротивления, проверяются отключенные провода.

Если все в норме, то проводники возвращают на место. Замеряется напряжение на клеммах аккумулятора при выключенном двигателе. Мультиметр переводится в режим измерения постоянного напряжения в диапазоне от 0 до 20 Вольт. Щупы цепляются к клеммам аккумулятора. Прибор должен показывать 12,2-12,7 V.
Если 12 вольт и ниже, то его надо подзарядить.
Затем двигатель надо завести и снова проверить с теми же измерениями. Если напряжение в диапазоне 13,2-14 V, то это норма. Добавляем обороты двигателя до 2000 в минуту и опять замеряем. В норме мультиметр должен показывать в пределах 13,6-14,2 V. Еще добавляем оборотов до 3500 в минуту.
Снимаем показания. Они не должны превышать 14,5 Вольта. Если значение не меняется и остается 12,7 Вольт, как при выключенном двигателе или даже уменьшается, значит, неисправен реле регулятор. Поэтому его нужно заменить. При превышении 14,5 Вольт регулятор также надо поменять.
Иногда возникает вопрос, как проверить реле мультиметром, если нет доступа к регулятору. Тогда надо его снять, а для проверки необходимо иметь в дополнение к тестеру зарядное устройство с регулятором напряжения и лампочку. Из них собирается следующая схема. Зарядка подключается к входным клеммам регулятора, а лампочка к выходным (толстым). Мультиметром контролируется напряжение на входе регулятора. Зарядкой меняем напряжение в пределах от 12 до 15 вольт. Лампочка должна погаснуть при 14,5 вольтах. Если этого не произошло, регулятор неисправен и подлежит замене.
Когда аккумулятор заряжен, а двигатель не заводится, то нужно проверить стартер.

Если генератор крутится, а двигатель нет, то в таких случаях обязательно делается проверка втягивающего реле электродвигателя и бендикса. Для этого необходимо снять стартер. После этого зачищают все контакты, и мультиметром измеряют сопротивление обмотки реле. Если значение равно бесконечности, то обмотка перегорела. В этом случае необходимо перемотать катушку или заменить ее. Прибор показывает несколько десятков Ом, значит, обмотка цела.
Затем проверяется ее работоспособность. Плюсовую клемму аккумулятора с помощью прикуривателя присоединяют к соответствующей клемме реле. А минус подключают к корпусу стартера. Должен быть слышен щелчок, тогда устройство исправно, иначе его нужно разобрать и проверить механическую часть.
evosnab.ru