Я случайно спалил предохранитель прикуривателя, и теперь никак не могу его найти.

Полный размер
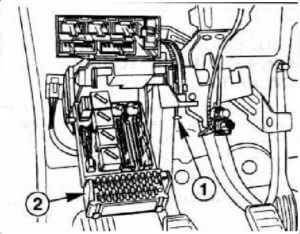
Блок в ногах пассажира, обнаружить его удалось не сразу
Изрядно погуглив я полез выдергивать «дальний пятый на 15 ампер в ногах пассажира» как уверяли все на форумах, но у меня на 15 ампер был 4 по счету и он отвечал за магнитолу. Под капотом я вытащил и проверил все на 15, они целы.

Подкапотный блок
В книжке по нашей машине вообще какая то бесовщина, все выглядит не так как у меня. В связи с чем скидываю фотографии блоков предохранителей в надежде на вашу помощь.
РЕШЕНО предохранитель находится в ногах пассажира. Необходимо снять ворсовую накладку на 2ух клипсах, затем повернуть барашек, и откроется панель с предохранителями. Интересующий нас предохранитель находится в третьем ряду, 7ой по счету слева направо. Он ЖЕЛТЫЙ 20 АМПЕР


Полный размер
Блок багажника
Нравится 35 Поделиться: Подписаться на машину
www.drive2.ru
Рассмотрены автомобили 1996, 1997, 1998, 1999, 2000 года выпуска.
Блок предохранителей и реле в моторном отсеке форд мондео 2.
Схема расположения предохранителей и реле в блоке под капотом. (модели 1999-2000 года
выпуска).
Описание и назначение предохранителей и реле в блоке.
1 Реле топливного насоса
2 Реле системы управления двигателем (бензин)
3 Реле полностью открытого положения дроссельной заслонки (с кондиционером)
4 Реле ближнего света фар
5 Реле дальнего света фар
6 Реле звукового сигнала
7 Реле стартера
8 Реле 2 электродвигателя вентилятора системы охлаждения
9 Реле 1 электродвигателя вентилятора системы охлаждения
10 Реле таймера обогревателя лобового стекла
11 Реле системы освещения в дневное время
Предохранители
F1 —
F2 Генератор
F3 (20A) Дополнительный отопитель (Дизель)
F4 (15A) Система управления двигателем (двухкомпонентная система топливоподачи Bi-fuel)
F5 (15A) Система управления двигателем (двухкомпонентная система топливоподачи Bi-fuel)
F6 (3A) Иммобилайзер (Дизель), система управления двигателем
F7 (15A) Звуковой сигнал, указатели поворота
F8 (5A) Система управления двигателем (двухкомпонентная система топливо подачи Bi-fuel)
F9 (15A) Топливный насос
F10 Управление двигателем
F11 (20A) Реле системы освещения в дневное время (Скандинавские страны), система управления двигателем, подогреватель топлива
F12 —
F13 (20A) Подогреваемый кислородный датчик
F14 —
F15 (7,5A) Правая фара — ближний свет
F16 (7,5A) Левая фара — ближний свет
F17 (7,5A) Правая фара-дальний свет
F18 (7,5A) Левая фара-дальний свет, комбинация приборов
F39(60A) Реле свечей накаливания
F40 (20A) Замок зажигания, выключатель освещения (фары/противотуманные фары)
F41 (20A) Управление двигателем
F42 (40A) Электродвигатель вентилятора кондиционера/отопителя
F43 —
F44 —
F45 (60A) Реле основных цепей зажигания
F46 (30A) Обогреватель лобового стекла (правая сторона)
F47 (30A) Обогреватель лобового стекла (левая сторона)
F48 —
F49 (60A) Электродвигатели вентиляторов системы охлаждения
F50 —
F51 (60A) ABS
F52 (60A) Блок предохранителей/реле-приборная панель^25^27^28^36), реле обогревателя лобового стекла, реле ламп освещение салона
Блок предохранителей и реле в салоне ford mondeo 2.
12 Реле лампы освещения салона
13 Реле обогревателя заднего стекла
14 Реле электродвигателя вентилятора отопителя
15 Реле электродвигателя очистителя лобового стекла
16 Реле основных цепей зажигания
17 Диод реле основных цепей зажигания
Предохранители
F19 (7,5A) Электропривод зеркал заднего вида на дверях
F20 (10A) Очиститель/омыватель лобового стекла, очиститель/омыватель заднего стекла
F21 (30/40A) Электропривод стеклоподъемников, люк
F22 (7,5A) Антиблокировочная система тормозов (ABS)
F23 (15A) Фонари заднего хода, иммобилайзер, система кондиционирования, переключатель указателей поворота, обогреватели форсунок омывателя лобового стекла, выключатель запрещения запуска(«P»/»N»)
F24 (15A) Стоп-сигналы
F25 (20A) Диагностический разъем (1998—), центральный замок, противоугонная система
F26 (20A) Выключатель освещения (противотуманные фары)
F27 (15А) Прикуриватель
F28 (30A) Диагностический разъем (—^1998), электропривод сидений, омыватель фар
F29 (30A) Навигационная система(—1998), обогреватель заднего стекла
F30 (7,5A) Подсветка приборной панели, выключатель освещения (фары/противотуманные фары), переключатель указателей поворота
F31 (7,5A) Подсветка приборной панели, лампы подсветки номерного знака, лампа подсветки вещевого ящика
F32 (7,5A) Противоугонная система/центральный замок(1996)
F33 (7,5A) Лампы переднего левого габарита/заднего левого габарита
F34 (7,5A) Привод открывания крышки багажника/задней двери(—1997), зеркала заднего вида на дверях, подсветка приборной панели, часы, лампы освещения салона
F35 (7,5A) Лампы переднего правого габарита/заднего правого габарита
F36 (15А) Аудиосистема, навигационная система
F37 (30А) Электродвигатель вентилятора кондиционера/отопителя
F38 (7,5A) Электронный блок управления SRS
avtoved.guru
Цветные схемы высококачественные электрооборудования Форд Мондео с 2007 г. В данном материале показана электросхема легкового автомобиля FORD MONDEO. Система управление двигателями, запуск двигателя и зарядка аккумуляторной батареи, система охлаждения двигателей, диагностический разъем, центральный замок, привод стеклоподъемников, фонари заднего хода, передние и задние противотуманные фары, габаритные огни и огни освещения номерного знака, указатели поворотов и аварийная сигнализация, а также остальные системы и электропроводка для соединения всех этих узлов.
Система управления двигателем — подключение



Схема комбинации приборов

Система ABS Мондео

Рулевое управление

Управление микроклиматом авто

Подключение передних фар

Другие фары Форд Мондео


Расположение предохранителей и реле в монтажном блоке, установленном в подкапотном пространстве





Предохранители в центральном монтажном блоке, расположенном в салоне


Расположение предохранителей в заднем монтажном блоке, установленном в багажном отделении автомобилей с кузовами седан и хэтчбек

Предохранители в заднем монтажном блоке, в багажном отделении автомобилей с кузовом универсал

a-shema.ru
|
Расположение предохранителей и реле в моторном отсеке.
Сам монтажный блок расположен слева от аккумулятора. Схема расположения — под капотом.

Расшифровка:
| № | Сила тока, А | Защищаемая цепь | |
| 1 | 80 | Главная питающая бортовая сетевая электроцепь | |
| 2 | 60 | Двигатель вентилятора радиатора | |
| 3 | 60 | ABS/TCS-система и при определенных условиях дизельный двигатель | |
| 4 | 20 | Зажигание | |
| 5 | 30 | Обогреваемое ветровое стекло (левая часть) | |
| 6 | 30 | Обогреваемое ветровое стекло (правая часть) | |
| 7 | 30 | Система торможения с ABS (антиблокировочная система) | |
| 8 | 30 | Обогреваемые сиденья, компрессор кондиционера | |
| 9 | 20 | Модуль EEC, магнитный клапан холодного старта (дизель) | |
| 10 | 20 | Замок зажигания | |
| 11 | 3 | Память EEC-модуля зажигания | |
| 12 | 15 | Звуковой сигнал и световая сигнализация | |
| 13 | 15 | Датчик Лямбда-зонда | |
| 14 | 15 | Электрический топливный насос (карбюраторный двигатель) | |
| 15 | 10 | Ближний свет справа | |
| 16 | 10 | Ближний свет слева | |
| 17 | 10 | Дальний свет справа | |
| 18 | 10 | Дальний свет слева | |
| РЕЛЕ: | |||
| R1 | Дневной свет | ||
| R2 | Вентилятор обогрева | ||
| R3 | Кондиционер (бензиновый двигатель) | ||
| R3 | Кондиционер (дизель) | ||
| R4 | Реле времени для обогреваемого ветрового стекла | ||
| R5 | Вентилятор радиатора (бензиновый двигатель) | ||
| R5 | Вентилятор радиатора (дизель) | ||
| R6 | Стартер | ||
| R7 | Звуковой сигнал | ||
| R8 | Электрический топливный насос (бензиновый двигатель) | ||
| R9 | Ближний свет | ||
| R10 | Дальний сеет | ||
| R11 | ЕСС-модуль или устройство холодного старта дизеля | ||
Блок предохранителей и реле в салоне.
Этот блок расположен слева около приборной панели. Чтобы добраться до предохранителей, нужно вытянуть кнопку №1 и откинуть крышку блока.

Схема расположения предохранителей и реле.

Расшифровка:
| № | Сила тока, А | Защищаемая электрическая цепь |
| 19 | 7.5 | Обогреваемое наружное зеркало |
| 20 | 10 | Защита от перегрузки двигателя стеклоочистителя |
| 21 | 30 | Электростеклоподъемник спереди |
| 21 | 40 | Электростеклоподъемник спереди и сзади |
| 22 | 7.5 | Модуль ABS |
| 23 | 15 | Фонарь заднего хода, электрический адаптер амортизаторов |
| 24 | 15 | Стоп-сигналы |
| 25 | 20 | Центральный замок, противоугонное устройство |
| 26 | 20 | Противотуманная фара |
| 27 | 15 | Прикуриватель |
| 28 | 30 | Устройство омывания фар |
| 29 | 30 | Обогреваемое заднее стекло |
| 30 | 7.5 | Электронное управление |
| 31 | 7.5 | Освещение приборов |
| 32 | 7.5 | Радио |
| 33 | 7.5 | Габаритный свет слева |
| 34 | 7.5 | Внутреннее освещение, электрическая регулировка зеркала, часы |
| 35 | 7.5 | Габаритный свет справа |
| 36 | 15 | Радио, адаптивное демпфирование |
| 37 | 30 | Двигатель вентилятора обогрева |
| 38 | 7.5 | Надувная подушка безопасности в рулевом колесе |
РЕЛЕ:
| Реле | Переключаемая электрическая цепь |
| R12 | Освещение салона |
| R13 | Обогреваемое заднее стекло |
| R14 | Двигатель вентилятора обогрева |
| R15 | Двигатель стеклоочистителей спереди |
| R16 | Зажигание |
| № реле | Цвет | Переключаемая электросеть | Монтажное положение |
| R17 | черный | Предварительный разогрев дизеля | Под консолью батареи |
| R18 | черный | Переключатель окна водителя | В двери водителя |
| R19 | голубой | Отключение устройства регулировки скорости | Справа над коробкой предохранителей в пространстве для ног |
| R20 | голубой | Устройство мойки фар | Слева рядом с коробкой предохранителей в пространстве для ног |
| R21 | оранжевый | Переключатель интервалов очистителя заднего стекла | Слева рядом с коробкой предохранителей в пространстве для ног |
| R22 | белый | Противотуманная фара | Слева под приборной панелью |
| R23 | черный | Указатели поворота с мигающим светом | Вверху на рулевой колонке |
| R24 | белый | Противоугонное устройство слева | Справа под приборной панелью |
| R25 | белый | Противоугонное устройство справа | Справа под приборной панелью |
| R26 | коричневый | Обогрев сидений | Справа под приборной панелью |
base-ex.com
|
№ предохранителя |
Сила тока, А |
Защищаемые цепи |
|
1 |
10 |
Выключатель кондиционера, выключатель обогрева заднего стекла |
|
2 |
10 |
Левая передняя лампа габаритного света, левый задний фонарь |
|
3 |
10 |
Комбинация приборов |
|
4 |
10 |
Аудиосистема, переключатель наружных зеркал заднего вида с электроприводом |
|
5 |
10 |
Переключатель селектора АКП, выключатель света заднего хода, выключатель аварийной сигнализации |
|
6 |
10 |
Правая передняя лампа габаритного света, правый задний фонарь, левая (правая) лампа освещения номерного знака |
|
7 |
10 |
Резистор предвозбуждения, комбинация приборов, ЭБУ временной задержкой и охранной сигнализацией, таймер сигнализации непристегнутого ремня безопасности |
|
8 |
15 |
Прикуриватель |
|
9 |
10 |
Генератор, ЭБУ электроусилителя рулевого управления, ЭБУ двигателем и трансмиссией (кроме двигателя 1,1 л), ЭБУ двигателем (двигатель 1,1 л), датчик скорости движения, выключатель рычага селектора АКП |
10 |
10 |
ЭБУ подушек безопасности |
|
11 |
20 |
Реле запирания замков дверей, реле отпирания замков дверей, блок управления люком крыши, привод замка двери водителя |
|
12 |
15 |
Электродвигатель очистителя заднего стекла, блок подрулевых переключателей |
|
13 |
10 |
Реле стартера, реле охранной сигнализации |
|
14 |
— |
Не используется |
|
15 |
10 |
Блок управления системой освещения дневного движения |
|
16 |
20 |
Выключатель обогрева левого (правого) переднего сиденья |
|
17 |
10 |
Выключатель обогрева заднего стекла, ЭБУ двигателем, электропривод и обогрев наружного зеркала заднего вида со стороны водителя (пассажира) |
|
18 |
15 |
Катушка зажигания, конденсатор |
|
19 |
15 |
Реле стеклоподъемников, выключатель стоп-сигнала |
|
20 |
15 |
Выключатель аварийной сигнализации, ЭБУ временной задержкой и охранной сигнализацией |
|
21 |
20 |
Электродвигатель очистителя ветрового стекла, блок подрулевых переключателей |
|
22 |
10 |
Реле заднего противотуманного света |
|
23 |
10 |
Реле противотуманных фар, реле стеклоподъемников, ЭБУ временной задержкой и охранной сигнализацией, таймер обогрева заднего стекла, электропривод корректора левой (правой) фары, переключатель корректора фар |
|
24 |
10 |
Реле вентилятора салона, блок управления люком крыши |
|
25 |
30 |
Реле обогрева заднего стекла, таймер обогрева заднего стекла, ЭБУ временной задержкой и охранной сигнализацией |
|
26 |
15 |
Правая фара |
|
27 |
10 |
Реле противотуманных фар |
|
28 |
15 |
Левая фара, комбинация приборов |
|
29 |
15 |
Комбинация приборов, выключатель заднего противотуманного света, разъем линии передачи данных, аудиосистема, ЭБУ временной задержкой и охранной сигнализацией, датчик контрольной лампы незакрытой двери, универсальный проверочный разъем, лампа освещения багажного отделения, лампы направленного света в салоне, плафон освещения салона, узел консоли крыши |
automn.ru
Замена предохранителя на Форд мондео
Проверка предохранителей на авто без их извлечения.
Ремонт блока предохранителей Форд Мондео 2
Форд Мондео 4. Замена лампочки прикуривателя
Температурный датчик Ford Mondeo
Замена предохранителя на Форд Фокус 2
Замена предохранителя на Форд Фокус 2
Ford Mondeo 4 датчик частоты вращения обрыв, ошибка Can коммутации.
Схема предохранителей в блоке на Форд Фокус 2
Проблема с зарядкой ford mondeo
Также смотрите:
logovaz-auto.ru