В случае возникновения любых проблем с автомобильной электрикой, многие владельцы пасуют и доверяют ремонт мастерам. В некоторых случаях, действительно, это может быть единственным выходом. Но только не тогда, когда не работают противотуманки на ВАЗ-2110. Эту проблему постараемся решить прямо сейчас.
Самая банальная причина — это перегоревший предохранитель.
Но к ней мы вернёмся позже. В конструкции противотуманок, реле, выключателей и ламп существует ещё много до сих пор неизведанного. К примеру, возможной причиной отказа противотуманок может стать совершенно неожиданная поломка.

В первую очередь проверяем сами лампочки, добраться до левой можно через капот.
На некоторых версиях ВАЗ-2110 устанавливали ПТФ завода Автосвет (Киржач) с цоколем под лампу Н1. Стоковые лампы не самого лучшего качества и они не любят резких перепадов температуры.

Подобраться через капот к правой противотуманке довольно сложно, проще снять саму фару, вывернув саморезы.
Во время резкого охлаждения, при выезде из гаража зимой, к примеру, или после выключения фар, контактная ножка колбы лампы попросту отваливалась от проводника. При этом визуально галогенка выглядела абсолютно целой. Достаточно было подать плюс непосредственно на саму ножку, как лампа загоралась. Виной всему была некачественная контактная сварка, а обнаружить причину без детального осмотра самой лампы и её демонтажа практически невозможно.
Конечно, предусмотреть все варианты отказа невозможно, но самые распространённые мы рассмотрим.

Схема работы.
Здесь вариантов может быть предостаточно. Если не считать повреждения самой лампы или её спирали, то картина такая:

Расположение предохранителя.

За переднюю правую противотуманку отвечает предохранитель F4, за левую – F14, оба на 10А.

Находим идущие от фар провода с колодками и проверяет их состояние.
Если такое произошло, допустить перегорания сразу двух ламп или двух предохранителей невозможно. Скорее всего, причину стоит искать в другом:
Разъемы расположены с обратной стороны монтажного блока.

Реле ПТФ может просто висеть на проводах.

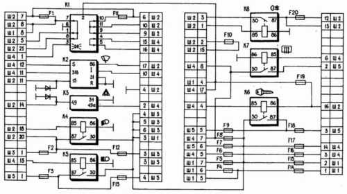
Принципиальная схема монтажного блока.

Схема подключения ПТФ через выключатель габаритных огней.
Кроме этого, проверяем наличие напряжения в цепи противотуманок, выяснив, куда подключён плюс.
А питание может отбираться либо с замка зажигания, либо с выключателя габаритных огней, что нежелательно, поскольку можно вместе с включёнными габаритами оставить включёнными ПТФ, а это приведёт к разрядке аккумулятора. Удачных всем поисков, светлых и ровных дорог!
carfrance.ru
Доброго всем времени суток. С наступающим Новым Годом!
Возникла проблема : перестали гореть противотуманки. Предохранители и лампы целые, реле щелкает а туманки гореть не хотят.
Видео про подгоревшую колодку смотрел, вариант этот рассматриваю, но считаю что тогда бы реле не включалось. Свет пропал после автомойки. До этого временно пропадал, но потом появился. А в этот раз не хотит.
Кто помочь советом может?
Ну, чтож… Прошло 2 недели с момента публикации «крика о помощи».
Большое всем спасибо за многочисленные не присланные советы и комментарии.
А теперь про результат: я оказался не первым, подгорел контакт колодки (вот видео процесса выложенного ранее на You Tobe
11 мес.
Нравится 22 Поделиться: Подписаться на автора
www.drive2.ru
Безопасность движения при плохой видимости во время дождя или тумана обеспечивают противотуманки. Поэтому важно, чтобы они находились в рабочем состоянии. В статье рассматриваются ПТФ, особенности работы, дается инструкция, как выполняется замена противотуманной фары.
Содержание
[ Раскрыть]
[ Скрыть]
Эти осветительные приборы отличаются излучаемым светом. Они могут гореть желтым или белым светом, главная их особенность в том, что они не освещают туман впереди, упираясь в него лучом, а создают плоский, широкий луч, который стелется вдоль дороги.
Освещение дорожного полотнаДля обеспечения хорошей видимости при плохих погодных условиях, нужно соблюдать следующие два правила:
Регулировка противотуманок на автоСтановится ясно, что данные источники освещения необходимы, чтобы обеспечить хорошую видимость на дороге при сложных метеорологических условиях.
Для обеспечения качественного света луча необходимо следить за состоянием поверхности плафона: полировать, устранять царапины, которые уменьшают пропускную способность стекла.
Основной причиной неисправности противотуманок являются окислительные и коррозийные процессы.
Причины, по которым не горят противотуманки, могут быть следующие:
Для диагностики и устранения неполадок понадобится тестер и набор инструментов. Самой распространенной неисправностью электрооборудования является перегоревшие предохранители. Если они сгорели, их нужно поменять.
Если с предохранителями все в порядке, то нужно проверить лампочки в фарах. Они могут перегореть в результате короткого замыкания, или по причине естественного износа. Проверить исправность лампы можно с помощью заведомо рабочего источника света. Важно, чтобы цоколь у исправной лампы был такой, какой цоколь у нерабочего элемента. Заменить лампочку можно не снимая ПТф (автор видео – MegaMeyhem).
Если после устранения перечисленных причин не работают противотуманки, то, возможно, неисправна кнопка включения, которую легко заменить. Могут окислиться контакты, тогда их следует зачистить. Если не горят противотуманные фары после самостоятельного подключения возможно неверное соединение проводов.
Схема подключения туманокЕсли необходим ремонт противотуманных фар, то в него может входить замена стекла противотуманной фары, или ее лампы. Возможно, что повреждена облицовка противотуманной фары, тогда понадобится снятие противотуманной фары и меняется рамка противотуманной фары, крепящиеся с помощью кронштейна. В любом случае, перед тем как разобрать противотуманную фару для ремонта или замены стеклянного плафона, необходимо демонтировать противотуманку, открутив винты крепления к кронштейну.
Замена противотуманной фары может понадобиться, если не работает весь узел или значительно ухудшилось качество светового луча. При замене чаще всего необходим демонтаж бампера. Именно на нем находится заглушка противотуманной фары.
После того, как откроются крепления оптики к кронштейну, нужно соответствующим инструментом открутить крепеж от кронштейна. Далее нужно отсоединить штекер и можно снимать противотуманку. Если нужно заменить полностью узел, то устанавливается новая деталь.
Если меняется рамка противотуманной фары, отражатель или стекло, то необходимо разобрать противотуманку. Для этого ее нужно хорошо прогреть, например, феном, чтобы расплавился герметик, а затем можно разбирать ПТФ.
Установка заменяемой или отремонтированной оптики выполняется в обратном порядке: присоединяется штекер, устанавливается противотуманка на штатное место, закручиваются болты крепления к кронштейну. На последнем этапе возвращаются на место либо подкрылки, либо бампер.
Загрузка …В этом видео демонстрируется, как снять противотуманки, и как заменить их (автор ролика — Сергей Глазырев).
avtozam.com