Добрый день.
Проблема решена, поэтому решил обновить пост, подсобрав всю информацию.

Итак, суть проблемы и описание симптомов:
После химчистки с разбором салона перестала включаться магнитола на mazda 3 bk 2.0 рестайл 2007.
Магнитола не реагировала на нажатие абсолютно любых кнопок. Даже на проверки в тестовых режимах (например, зажим кнопок POWER + SEEK ^, должен запускать тест на проверку всех индикаторов LCD — но у меня этого не происходило).
На дисплее отображались настройки климата + температура за бортом (самая правая часть). Часы\Бортовой компьютер и информация о радиостанциях (Левая и центральная части) — нет.
При езде — подсветка на магнитоле иногда мигала.
Спустя неделю езды без магнитолы вообще, добавились новые симптомы:
Изредка на дисплее появлялась надпись Hello. Пару раз по своей воле возвращались часы.
Также был замечен периодически повторяющийся звук механизма извлечения компакт диска. Будто кто-то раз в 30 секунд нажимает на кнопку Eject.
Вся остальная электрика в машине исправно работала (стеклоподъемники, свет в салоне, вся оптика и туманки, климат и т.д.)
Что было проверено в первую очередь:
Предохранители, но все они оказались целые (подкапотка (смотрел все) + салон F44).
Если не ошибаюсь господа имеющие в своем арсенале такую опцию как музыка BOSE, должны проверить дополнительный предохранитель (F18) под капотом.
Что посоветовали в комментариях:
1. Есть версия, что если померла лампочка в бардачке, прикуривателе, пепельнице — магнитола может выключаться\не работать.
2. Поменять магнитолу. (Несколько товарищей, имея схожие проблемы поменяли магнитолы, перекрестились и живут вполне счастливо).
3. Снять магнитолу и хорошо просушить её дома. (Намек, что подзалили её на автомойке)
4. Бороться с коррозией в блоке предохранителей под капотом и переносить проблемный предохранитель F31 в F27. (Хороший мануал тут)
5. Прокинуть прямой плюс от предохранителя F31 к предохранителю F27 (это тоже самое, что и вариант №1, только без чистки. Брутфорс так сказать. Хороший пример тут).
Решение проблемы:
В первую очередь, был отметен вариант №1. Все лампочки у меня были исправны.
Вариант №2 рассматривался в последнюю очередь, т.к. были подозрения на проводку, блоки предохранителей и тд. Новая магнитола сделала бы мой кошелек легче, но проблема с высокой долей вероятности осталась бы.
Далее, разобрал панель, достал магнитолу и проверил все контакты идущие к ней. В частности — питание:

Основная фишка магнитолы. Никаких окислов не было, фишка была целая, шевеление проводов\фишки не помогало.
На всякий случай все фишки и контакты были подчищены и обработаны очистителем контактов.Далее, вариант №3. Снял магнитолу и унес домой. Сушил сутки около обогревателя, переворачивая её на разные бока. Когда усиливать навыки шашлычника надоело, просто оставил её дома еще на двое суток.
После всего сделанного — успеха не было.
Далее, вариант №4.
Долго не хотел к нему приступать, потому что люди описывали кучу других симптомов, которых у меня не было (прыгающие стрелки на приборной панели, не работающий плафон салона и тд).
Делать нечего — все делал по указанному выше мануалу. Когда вскрыл блок, понял что следов коррозии около F31 практически нет. Ну может совсем чуууть-чуть. Раз залез, все было вычищено, обработано химией и собрано обратно.
Первый успех! Магнитола включилась и проработала одни сутки. К концу дня — все симптомы вернулись в полном объеме.
Оставался, самый не интересный вариант №2. Тут хотелось бы отметить, что уважаемый enoshka только так и смог решить проблему. Но упомянул, что «проблема крылась в лицевой части панели».
Очень долго я складывал этот факт с тем, что машина загонялась на полную химчистку салона, и наконец решил что мою магнитолу просто чем-то залили на мойке.
Снова снял магнитолу и унес домой. Отсоединил переднюю (лицевую) часть. Достал все кнопки, раскрутил все что раскрутилось.
В лицевой части спрятана плата, которую я замочил в очистителе контактов. Потом все собрал и установил в машину.
www.drive2.ru
Доброго времени суток!
В последнее время стал замечать глюки со стороны мультимедийного устройства — то с блютузом, то с самой магнитолой. Суть в следующем…
Блютуз иногда очень некорректен: в целях безопасности на дороге, садясь в машину постоянно соединяю его с телефоном. Бывает при входящем звонке берешь трубку с помощью центрального джойстика или кнопки на руле, а собеседника не слышно… Берешь сам телефон, подносишь к уху и только там слышишь голос. Все подключено, связь есть. Но бывает такая беда.
Магнитола вчера тоже учудила и не в первый раз. Музыку слушаю с флешки. Еду, наслаждаюсь музыкой… и раз… тишина гробовая. Смотрю на монитор, музыка воспроизводится, пауза не стоит, ползунок времени замер, звука нет. Переключаю на следующую композицию — никакой реакции. Выхожу в главное меню — снова в мультимедиа — выбираю радио FM — все нормально…радио играет, но… секунд 7-8 и снова тишина. Снова в главное меню — мультимедиа — радио. Опять играет 5-6 секунд и тишина. Через минуту монитор гаснет как при выключении зажигания, потом перезагрузившись включается и все нормально.
Пробег: 6777 км
Нравится 22 Поделиться: Подписаться на машину
www.drive2.ru
Мазда 3 – одна из самых популярных автомобильных моделей на российских дорогах. Связано это с ее повышенной маневренностью, легкостью управления, малым расходом топлива, а также эффектностью внешнего вида. Штатная магнитола Мазда 3 является одной из самых качественных на автомобильном рынке.
Как думаете, где здесь подвох? Дело в том, что на все автомобили ежегодно выходят новые обновления для магнитол, и старые, естественно, изнашиваются и устаревают.
Как действовать в данной ситуации? Правильно! Нужно решать проблему. Об этом мы подробнее сейчас разберемся. Начнем с небольшого обзора.

Автомагнитолы Мазды столь же разнообразны, как и модельный ряд этой фирмы. Есть две наиболее популярные модели магнитол:
Тем не менее, существует наиболее популярный для всех моделей вариант. Это штатная магнитола на Mazda 3 2004 года. Данный вариант отстает от многих современных, но все равно имеет оптимальный минимальный набор функций, необходимый для каждого водителя. Тем не менее, она работает на допустимый максимум своей цены. Можно заметить, что выпущена магнитола в 2004 году и, как следствие, ее цена — одна из самых низких на рынке аналогичных устройств. Одновременно достоинством и недостатком этой модели является сенсорный экран. Он довольно простой в эксплуатации и на нем видны все доступные функции, но при этом занимает чрезмерно много места на приборной панели автомобиля.
Магнитола Mazda 3 BL, хотя также является штатной, но совершенно иная по функционалу и прочим свойствам. Это одно из наиболее комфортных для водителя бортовых устройств. Визуально она схожа с планшетом: весь функционал выводится на небольшой сенсорный планшет. Также необходимо отметить, что она работает на операционной системе Андроид, которая максимально распространена на территории Российской Федерации. Андроид удобен тем, что для него пишется огромное количество приложений, в том числе полезных для автолюбителей. Так как магнитола на этой операционной системе, то и возможности ее расширения становятся максимальными.

Варианты расширения возможностей магнитолы делятся на два типа:
Для чего они нужны именно в Мазде?
Самая главная функция переходника CAN BUS в Мазде – это возможность подключения, так называемого, автомобильного бортового компьютера, а также расширение функционала усилителя. Если изменять состав магнитолы или же заменять ее полностью, преобразуя с помощью переходника такого типа, кнопка вызова информации должна быть перенесена на руль. Таким образом автолюбитель облегчит себе работу с магнитолой, сделает ее более комфортной в эксплуатации, а также повысит производительность данного устройства.

В некоторых моделях сборки Мазды нет функции бортового компьютера. Таким образом, с помощью переходника CAN BUS, эту функцию на автомобиле можно будет установить.
Основные проблемы, или «болячки», как их принято называть в кругу автолюбителей, связанных с Маздой довольно распространенные.
Вот наиболее частые из них:
Самое простое решение у первой проблемы. Если устройство не видит флешки, то велика вероятность того, что здесь замешана проблема прошивки. Чтобы вылечить болячку, необходимо перепрошить магнитолу.
Проблема при работе с дисками чаще всего таится в самом слоте для дисков. Так, например, если магнитола не читает диск, скорее всего проблема с линзой, которой считывается информация с диска.
Если магнитола выдает ошибку и более никак не реагирует на взаимодействие, то скорее всего не поможет даже перепрошивка. Такую магнитолу лучше заменить на новую или обменять по гарантии.
Если магнитола перестала включаться, то ее также лучше заменить. Однако есть вероятность самостоятельно починить устройство. Скорее всего основная проблема с такой магнитолой состоит в загрязнении платы. Для того, чтобы убедиться в этом, нужно разобрать переднюю панель магнитолы и вытащить плату. Если она действительно загрязнена, то нужно замочить ее в очистителе контактов. Тогда проблема сойдет на нет.

Самая полезная фишка магнитолы в Мазде – это превращение ее в полноценный бортовой компьютер на платформе Андроид. Основные функции такого компьютера следующие:
Для осуществления организации между этими двумя функциями необходимо установить программу-автомаизатор. Наиболее популярная и простая в использовании программа – это Tasker. Для адекватной работы необходимо только отладить ее, и тогда использование магнитолой-компьютером станет в разы проще, но при этом действеннее.

Подводя итоги, нужно сказать, что магнитола для Мазды – это не просто механизм, с помощью которого водитель переключает песни. Благодаря простым преобразованиям магнитола может превратиться в полноценного помощника. Такой бортовой компьютер сделает куда проще нахождение за рулем, а также поможет и с навигацией.
imazda.ru
Мде, ситуация со штатной головой, которая не очень хочет читать диски, только прогрессирует в худшую сторону.
Если раньше путем 5-10 минутного шаманства магнитолу всё-таки можно было заставить читать диски, то сейчас её «нехочуха» достигла финала — ГУ стало упорно отказываться принимать диски, единственный способ (и похоже последний) — завести машину, выключить магнитолу, вставить диск в приемник, заглушить машину, снова завести — при этом магнитола по заводским предустановкам «ест» диск — уже тоже не помогает(((
Даже если произошло чудо и диск внутри, и 10 минутный CD-reading всё же кончился и диск заиграл (причем неважно — новый или старый), после заглушения машины и её запуска магнитола выдаёт в колонках сочное «Хрясь» и на этом всё…
переключение FM — CD показывает на экране надпись CD и тишина без попыток этот диск читать. Либо, что ещё хлеще, нажатие на CD выдает волшебную надпись no disk.
При этом, диск, который точно цуко внутри, магнитола не отдает. Помогает только 5-секундное удержание кнопки eject на выключенной магнитоле.
В общем, похоже вариантов 4:
1. Стать fm-фанатом (а так как дома — российская глубь и ловит только 3 станции, в т.ч. суицидальное Дорожное мать его радио — то как то уныло всё)
2. Купить новое ГУ (но ценник имеет зубы, большие, чем моя шея + реально нравится дизайн штатного ГУ).
3. Купить USB adapter
4. Последовать совету ребят из АК-47 — давай курнем и никуда не пойдём (в том плане, что просто забить на это всё болт).
НО КАК ЖЕ БЕЗ СМОКИ МО ТО?(((
З.ы. У кого какое мнение, и кто бы как поступил в этой ситуации.
Всем спасибо и хороших выходных!
Цена вопроса: 0 ₽ Пробег: 100524 км
Нравится 1 Поделиться: Подписаться на машину
www.drive2.ru
Проблема в следующем: пропал звук, магнитола сама работает а звука нет. Причем на днях появился потом опять пропал итд…. кто сталкивался подскажите.
Многоуважаемый Halin Ваше мнение?
Жмем POWER и не отпуская нажимаем одновременно кнопки AM и CLOCK и держим все это более 2 секунд.
Если в магнитоле есть хоть одна неисправность на экране выскочит что-то подобное:
1 09:Er22
Первая цифра — это код производителя:
1 FMS audio
2 Panasonic
3 CLARION
Вторые две цифры — это неисправная часть головы:
00 Cassette deck
03 CD player
05 CD changer (external)
06 CD changer (upper module)
07 MD player
09 Base unit
10 MP3 applicable CD player system
После двоеточия конкретная проблема в конкретной части головы:
09: Er22 — Base unit (peripheral circuit for tuner)
09: Er20 — Power supply circuit to base unit
00: Er10 — Cassette deck communication circuit system
03: Er10 — CD player communication circuit system
05: Er10 — CD changer (external) communication circuit system
06: Er10 — CD changer (upper module) communication circuit system
07: Er10 — MD player communication circuit system
03: Er01 — CD player system
03: Er02 — CD player system
03: Er07 — CD player system
00: Er01 — Cassette deck system
00: Er03 — Cassette deck system
00: Er04 — Cassette tape system
05: Er01 — CD changer (external) system
05: Er07 — CD changer (external) system
06: Er01 — CD changer (upper module) system
06: Er02 — CD changer (upper module) system
06: Er07 — CD changer (upper module) system
07: Er01 — MD player system
07: Er02 — MD player system
07: Er07 — MD player system
07: Er08 — MD system
10: Er01 — MP3 applicable CD player system
10: Er02 — MP3 applicable CD player system
Если на экране будет высвечиваться какая-то ошибка, то чтобы ее потом стереть нужно сделать следующее:
Жмем POWER и не отпуская нажимаем одновременно кнопку AUDIO CONT держим все это более 2 секунд.
Если ошибок на экране не появляется, тогда просто пробуем прогнать тест:
Жмем POWER (выключатель штатной аудиосистемы), и далее, не отпуская POWER, давим AUTO-M (круглая ручка слева, которую вы редко используете для ручного поиска радиочастоты) и держим обе кнопки, пока не надоест — начинает работать режим теста колонок (каждая звучит отдельно, по очереди, по часовой стрелке… сервисная функция для проверки… функция работает, пока вы держите кнопки)
Далее проверяем не замкнуты-ли провода на динамики на корпус машины.
Если это ничего не помогло, тогда надо заглядывать внутрь головы и искать проблему там……..
Сообщение отредактировал Halin: 01 Октябрь 2008 — 10:52
mazdaclub.cc
Но вначале немного о распиновке разъемов головы, как снимать голову и шипящее радио.
Сколько уже возникало
споров и ошибок подсоединений AUX… то канал не работает, то голова сгорела…
Есть факт того, что во многих сервис мануалах маздовских голов постоянно повторяется одна и та же ошибка по распиновке разъема CD чейнджера J702:
— буквы под нижним рядом пинов написаны в следующем порядке : abfcdegh, а должно быть abcdefgh.
Audio outputs from the factory Head Unit Mazda3 FL.
Вывод линейных выходов со штатного головного устройства Мазда3 FL.
Здесь я попытался собрать воедино всю информацию по доработке головы,
которая накопилась на форуме м3club.ru и представить доработку в окончательном виде.
Начало доработок положено в 2006 году, через месяц, как была куплена машина.
Чтобы сразу отсечь высказывания разных скептиков по поводу качества звука,
выдаваемого доработанной головой на линейные выходы– скажу: вот именно с такой головой (правда там еще было не все доработано) я сразу с лёту в Тернополе на автозвуковых соревнованиях ИАСКА в 2007 году в классе Amateur Street занял четвертое место, опередив автомобили с Альпами, Пионерами, Кларионами и т.д.. Правда во многих случаях это была не 100% заслуга штатной головы, а просто недоработки по инсталлу аудиоаппаратуры в тех машинах. Хотя результат победы штатной головы налицо.
Итак:
Я сразу решил сделать все, чтобы не менять штатную голову, так как даже до сих пор не появилось ничего толкового штатного. Нештатная во многих случаях весь интерьер портит.
Но почему головное устройство, установленное в автомобиле Мазда 3 FL, так воспроизводит музыку?
Чтобы в чем-то разобраться — надо это разобрать!
На М3 Facelift стоит однодисковая CD магнитола BR2B 66 AR0 модель 14794008.

Как снимается, я описывать не буду – это совсем не сложно – 5 минут и все дела.
Разбирается голова легко, главная плата, как всегда, на четверть полупустая.

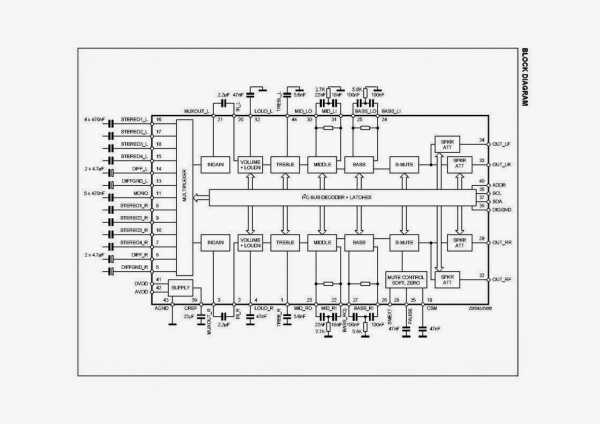
В голове установлен процессор MB90F342CA, аудиопроцессор с цифровым управлением TDA7437N и выходной усилитель TA8263BN. Аудиопроцессор TDA7437N совсем не худший.
При описании всего, что написано ниже, я не претендовал на пророка —
были выслушаны все полезные советы и на основе доработок как минимум тридцати голов, внесены необходимые поправки. Простора для экспериментов и выбора вариантов по доработке головы предостаточно.
Также понимаю, что здесь не форум по электронике, но ИМХО, многим будет интересно.
Ведь всегда, после того, кто что-то сделал – это всегда можно улучшить. 🙂
Теперь вперед!
Для начала выкладываю АЧХ в салоне седана в штатном исполнении и в салоне автомобиля ХАИ, где доработана голова и установлены усилитель, фронты и саб.
АЧХ в салоне штатного автомобиля при 5 делениях громкости (тембра 0):

АЧХ в салоне штатного автомобиля при 16 делениях громкости (тембра 0):

АЧХ в салоне штатного при 16 — верха и низы в плюс 6:

АЧХ в салоне штатного при 16 — верха и низы в минус 6:
АЧХ в салоне доработанного автомобиля при 16 делениях (тембра 0):

АЧХ саба:

Короткие комментарии:
Ясно видно, что АЧХ у штатного автомобиля следующая: режутся низы начиная со 120 Гц на малой громкости, а при более высоких — вообще со 180 Гц, провал в середине, подьем высоких и спад высоких после 10 кГЦ (или даже с 9).
В доработанном автомобиле спад высоких с 15 кГЦ и спад низких — так как отыгрывает саб.
Теперь небольшая информация для установщиков профи.
Если хорошенько посмотреть на АЧХ салона штанного автомобиля, моего и ХАИ (на штатном Хечбеке проверял -тоже), то видно, что в районе примерно от 500-600 Гц до 0,9-1,5 кГц имеется небольшой провальчик в пределах 3-5 Дб. (Диапазон и глубина гуляют от уровня громкости и доворотов динамиков в дверях). Получается, что это особенность салона Мазда3.
Конечно, хорошо, что это все в провале, а не выпучено.
Попытка бороться с эти путем изменения положения динамиков в дверях (например, просто приоткрыванием дверей) – ни к чему не приводит – провальчик все равно остается, а если и исчезает – то разваливается вся сцена. Конечно, это не караул, почти в каждой машине есть свои проблемы. А здесь многие этого просто не заметят.
Но если строить качественную систему 2.1 – наверное, надо думать о средней полосе на торпедо!
Других глюков салона не обнаружено! Хороший салон у Мазда3!
Даю характерный с самым большим провалом АЧХ в салоне (обычно меньше):

Ну и в заключение АЧХ штатной головы (электрический сигнал) при 10 делениях громкости.

И для сравнения повторяю АЧХ доработанной головы при 10 делениях громкости:
Продолжаем дальше:
Сам однобитный процессор стоит внутри СД механизма,
LPF и двухканальный предварительный усилитель на JRC 4560 стоит уже на главной плате.
Вот эти красные конденсаторы и есть выходы звука после АП – в середине два это фронт, по краям тыл.

Функциональная схема АП TDA7437N:

При прослушивании музыки с СД и с USB Аудиолинка обнаружилось, что музыка с Аудиолинка играет лучше – громче, есть хоть какие-то низы. Как выяснилось в последствии — в первую очередь – в линке лучше процессор, во-вторых — сигнал поступает через дифвходы аудиопроцессора (но в небалансном виде), хотя по даташиту дифвходы предназначены именно для входа сигнала с СД.
Плату сфотографировал с двух сторон и далее разбирался, как устроена голова и пытался вырисовать схему прохождения звукового сигнала от источников до выходов на динамики – не более того, чтобы выяснить, почему АЧХ такая горбатая…

Вначале я действовал как обычно: по увеличивал все конденсаторы по питанию и в
стабилизаторах, насколько можно было найти побольше емкость и при этом вписаться в габариты.
Каждый радиолюбитель знает, что как раз нижнюю частоту усилителя определяют переходные (разделительные) конденсаторы вместе с входным сопротивлением следующего каскада, а верхняя частота зависит от полупроводников и ОС. Поэтому для СД и USB Аудиолинка переходные емкости я поставил в два раза больше.
С тембрами поступил соответствующим образом:
После нескольких вариантов остановился и допаял в аудиопроцессоре: на низких
сдвинул регулировку почти на одну октаву вниз, теперь центральная стала 50 Гц
(вместо 100 нФ поставил 220 нФ), а на верхних сдвинул на октаву вверх,
(вместо 5,6 нФ поставил 4,7 нФ) — это чтобы компенсировать провал саба ниже 40 Гц
и не сильно задирать верхнюю середину, когда захочется добавить регулировку верхних частот.

Когда измерил и просчитал все по звуковому тракту, стало все ясно.
Изначально АЧХ штатной головы представляла собой горбы, примерно так, как я нарисовал на рисунке 1.
С выхода аудиопроцессора сигнал на фронты проходит через проходную емкость 56 нФ,
а при входом сопротивлении усилителя ТА8263 — 90 кОм частота начала среза хайпассом (ФВЧ) первым порядком составляет примерно с 50 Гц (τ -200).
На тыл – там стоит емкость 39 нФ – частота среза соответственно почти со 100 Гц!
Соответственно на 50 гц было -6 дБ, на 25 Гц -12 дБ, на 12,5 -18 дБ падения сигнала.
Вот почему бас вроде бы был, но только при максимуме усиления сабового усилителя и все равно слабый и перекошенный!
Далее — тонкомпенсация поднимает низы и верхи с килогерца в обе стороны и в результате результирующая АЧХ имеет все время провал в середине, выравниваясь только почти на максимальной громкости.
А далее конденсаторы (С403, 404) перед входами в усилитель ТА8263 номиналом в 3,3 нФ лоупассом (ФНЧ) примерно с 10-12 кГц опускают все вниз – но это уже неважно.
Все равно все уже давно горбатое.
Тембрами можно немножко выровнять АЧХ – но здесь грустную роль играют уже штатные динамики.
Далее я поступил следующим образом – выпаял резисторы 2,2 кОм (R281, 282), чтобы оборвать цепочку подъема высоких в тонкомпенсации и поменял один кондер 56 нФ на 150 нФ (общая емкость стала 206 нФ, но реально там лучше больше 180 нФ не ставить), чтобы тонкомпенсация начинала работать гораздо ниже, не с 600 Гц, а с 300 Гц (но это я делал под себя – все-таки реактивная авиация дает себя знать –мне на малых уровнях звука низов требуется больше, а середину слышу хорошо).
Отсоединил питание усилителя, сняв первую маленькую перемычку.
Далее увеличил емкость по скорости падения и нарастания паузы, чтобы избавиться щелчков при переключении треков, особенно когда работает USB Аудиолинк. Там стояло 2,2 нФ, я поставил 47 нФ.
Больше ставить не надо, а то при переключении станций на приемнике звук не успевает упасть до нуля.
В результате появился, наконец-то долгожданный классный бас где-то с 20 Гц, середина и верхи пошли линейно до 17 кГц — дальше не слышу. На малых громкостях бас мягко обволакивает, а верхи не режут слух.
А теперь краткое руководство по выводу линейных выходов с однодисковой CD магнитолы BR2B 66 AR0 модель 14794008:
1. Отключить питание на выходной усилитель (снять первую маленькую перемычку около выходного усилителя (JS906)).
2. На 33,34 выводах АП (С249, 250) поставить 10 мкФ (выход фронта),
3. На 29,32 выводах АП (С253, 254) поставить 10 мкФ (выход тыла),
(при установке конденсаторов С249, С250, С253, С254 руководствоваться следующими данными:
если входное сопротивление внешнего усилителя 10 кОм — устанавливать 10мкФ
если входное сопротивление внешнего усилителя 50 кОм — устанавливать 2,2 мкФ
если входное сопротивление внешнего усилителя 90 кОм, а также внутреннего — устанавливать 0,47-1,0 мкФ)
4. Переходные на выводах 3-2 и 21-20 АП (С229, 230) поставить 4,7 мкФ,
5. На 5-6 и 13-14 выводах АП (С235, 236, 227, 228) выводах АП поставить 10 мкФ (USB Link),
6. На 8-16 выводах АП (С225, С226) поставить 0,47 мкФ керамические SMD (приемник),
7. На 10-18 выводах АП оставить электролиты 2,2 мкФ (вход MD),
8. На 9-17 выводах АП (С251, 252) поставить 10 мкФ (вход CD),
9. На 26-27 и 24-25 выводах АП поставить (С241, 242, 243, 244) 220 нФ (фильтр НЧ), сдвиг на одну октаву вниз.
10. На 39 выводе АП (С256) поменять конденсатор на 100 мкФ.
11. На 1 и 44 выводах АП (С245 и С246) поставить 4,7 нФ (фильтр ВЧ), подъем ВЧ на октаву вверх.
12. Поменять электролит по питанию на главной плате — 1000 на 2200 мкФ,
13. Выпаять 2 резистора (R281 и R282) по 2,2 кОм, чтобы исключить работу тонкомпенсации на высоких частотах ((эти резисторы висят на 2 и 20 выводах АП).
14. Поменять в тонкомпенсации на 4 и 12 выводах АП (С231 и С232) на 150 нФ.
15. Выпаять резисторы R401, 402, 403, 404 около выходного усилителя.
16. Поменять конденсаторы С401, С402 на 2,7 нФ около выходного усилителя (в случае если голова будет работать через свой усилитель).. но это не критически. Как показал опыт — это очень мало влияет на звук, поэтому сейчас я эти конденсаторы не трогаю.
17. Увеличить конденсатор (С255) на 19 выводе АП до 47 нФ (увеличение времени спада и нарастания Mute, чтобы исчезли щелчки при переключении дисков).
18. Припаяться к выходам конденсаторов С249, C250, C253, C254 , землю взять аналоговую и вывести наружу линейные выводы. В случае использования предварительного усилителя эти конденсаторы перенести на плату предварительного усилителя.
19. Устанавливаем на входе питания +12 вольт отсутствующие конденсаторы С542 и С560 примерно в пределах 47-100 нФ (что под руку подвернется из выпаянных).
1.Обнаружился также косяк платы по разводке дорожек. Получается, что дорожки, которые идут после АП после конденсаторов к выходному усилителю ловят помехи от цифровой шины (особенно тыловые каналы).
Помеха слышна в твитерах в виде тихого «улюлюканья» цифровой шины, особенно когда работает СД привод.
Поэтому я предлагаю в случае применения предусилителя – конденсаторы С249, С250, С253, С254 перенести на плату предварительного усилителя, и тогда эти дрожки не будут задействованы.
2.Был перепаян предварительный ОУ на плате — 4560 заменен на 4580 — ну что — как-то лучше стали верха.
ОУ 4580 просто меньше шумит и более быстродействующий. Можно применять и другие типы ОУ, но ставить с быстродействием выше 15 не имеет смысла, возбудиться может. (Возбуждение проявляется не в полном отсутствии работы ОУ, это надо смотреть осциллографом – возбуждение проявляется в виде 20-50 милливольтовой синусоиды на выходе, частотой 200-500 кГц. Лечится установкой дополнительных блокирующих емкостей.)

3.Выходной сигнал с АП в состоянии раскачать усилитель с чувствительностью от 0,5 вольт RMS. Но все равно этого недостаточно, чтобы реализовать весь динамический диапазон музыкального сигнала.
Поэтому необходимо усилить сигнал после АП в 2-2,5 раза.
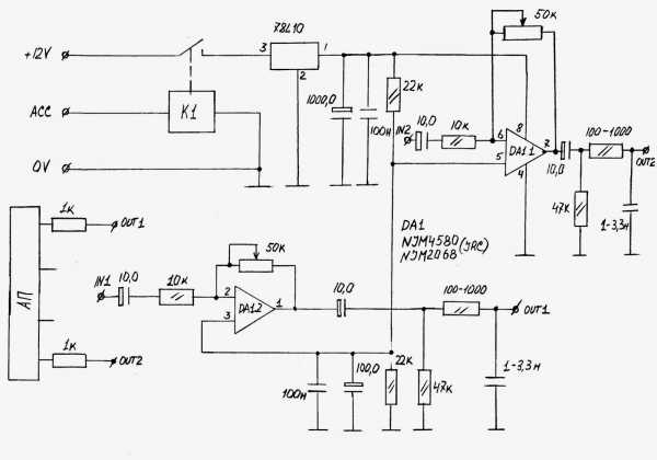
Для этой цели был изготовлен и установлен экспериментальный предварительный усилитель на усилителях HJM 4580 JRC.
Собственно схема предварительного усилителя:

Плата предварительного усилителя:

Со стороны пайки:

Выводим проводки (красные и белые) от АП наружу в «подвал»:

Припаиваем провода к предварительному усилителю и закрепляем его:
(То, что на фотографиях рядом с предварительным усилителем видны две черные коробочки –
это контролер рулевого управления для компьютера, об этом будет совсем другая тема)

Закрываем предусилитель экраном:

Окончательный вид головы с выведенными линейными:

4.Далее попытался по осциллографу смотреть на наводки, которые гуляют на выходе с АП (они там вроде микроскопические, но очень явно присутствуют — это последствия проникновения туда цифровой шины в основном по питанию).
Пока попробовал на АП и предвар поставить дроссели по питанию — наводки уменьшились как минимум в два раза (а некоторые «хвостики»вообще пропали). Чтобы из-за этого так уж лучше стал звук, тут не скажешь — но в целом я бы сказал увеличилась некая прозрачность звука.
На АП я поставил 820 микрогенри (сопротивление дросселя 23 ом), а на предвар 33, токи там маленькие (максимум 10 мА), поэтому можно использовать и аксиальные и любые другие, какие попадутся по руку, но маленькие по высоте. На АП дроссель поставил вместо R234 (можно использовать там например и 100 микрогенри, но тогда надо оставлять (или на весу все припаять обыкновенный на 0,125 Вт) резистор 20-22 ома — этот резистор вместе с конденсатором 220 мкФ образует НЧ фильтр с частотой среза 30 Гц, а без этого резистора (если только дроссель) частота среза будет от 1-2 кГц), а на предвар перерезал дорожку, зачистил и припаял дроссель.
Дроссель на предварительный:

Дроссель на АП.

Теперь примечания:
В скачаном даташите на TDA7437N есть ошибка по выходам – у меня указано верно – выводы 33,34 – это фронт, выводы 29,32 – это тыл.
При установке SMD конденсаторов надо учесть, что некоторые серии имеют значительный разброс по параметрам — от -80 до +20%. Желательно выбирать серии 10%, и в любом случае перед установкой промерять номинал.
Может оказаться, что 150 нФ конденсатор будет показывать всего 30 нФ, это чтобы потом не думать, почему все стало еще хуже, чем было.
Ну и конечно далее после головы все зависит от усилителя и установленных динамиков – какие их свойства по звуку, чувствительность и т.д. — и это учитывать при доработке головы.
А так выглядит перепаянная голова: 🙂

То, что я был недоволен работой тонкомпенсации – мне только казалось, что я недоволен.
Когда я поднял еще более уровень тонкомпенсации низких частот – то оказалось, что это уже очень много (низких частот).
Все-таки оптимальный вариант – не трогать сопротивления 2,7 кОм по тонкомпенсации по низким (R283, R284).
Для информации – при установленном сопротивлении 2,7 кОм на маленькой громкости поднятие низов 12 Дб, при нулевом сопротивлении 20 Дб, при 5,6 кОм поднятие на 6 Дб.
Все это видно из АЧХ головы при разных громкостях (стоит штатное 2,7 кОм).
АЧХ моей головы при 5 делениях громкости (электрический сигнал):

АЧХ при 10 делениях громкости:

АЧХ при 20 делениях громкости:

По выводу ремоута – просмотрел цепочку по включению антенны – надо впаивать один транзистор, два резистора, четыре конденсатора (если по штатному ремоуту на усилитель – то количество элементов удваивается).
Но на плате все таки есть ключик, который позволяет реализовать полноценный ремоут.
Новая схема предварительного усилителя с ремоутом:

Место на плате, куда надо подпаивать проводок на управление (в красной термоусадке):

Плата предусилителя в сборе:

Плата со стороны печатного монтажа:

Должен отметить, что данный вариант с использованием ремоута с данной точки платы может быть использован не на 100% — в некоторых головах при переключении в режим СД напряжение в этой точке пропадает (в частности столкнулся с этим с головой 14794058 и еще один раз с головой, где стоит АП без буквы N).
Таким образом, если идти по этому пути — необходимо предварительно припаять проводок к этой точке, собрать всю голову и проверить наличие там напряжения во всех режимах при включенной голове. В случае если в режиме СД напряжения нет, то придется припаяться на плате к входному разъему (сигнал АСС).
И в заключение.
Работа по перепайке и доработке головы довольно сложная. Если нет навыков и соответствующего паяльного оборудования для работы с SMD элементами, лучше самому не пробовать, а доверить опытному радиомастеру.
Особенность еще в том, что плата сама текстолитовая и, естественно, очень боится перегрева — дорожки отлетают сразу, также надо быть осторожным при выпайке больших электролитов, ножки которых сидят в пистонах.
Halin Mazda
halin-mazda3.blogspot.com

Дело было так. Без МР3 и USB считай музыки нет, так как штатная магнитола таких функций не предусматривает, только радио и CD. Заказал значит я себе USB переходник который подключается в разъем чейнджера, неделя ожидания и вот он у меня! Радости было до тех пор пока я его не подключил… Работать как бы он начал, но походу заводской брак, не флэшки, не карты памяти он не читал, глючил в общем. Что я только не делал согласно рекомендациям изготовителя, и форматировал флэшки в FAT32, и создавал папки CD1, CD2 и т.д., итог один, не работает! 2300р выкинул на ветер! Дербанить штатную магнитолу и ставить 2din не хотел принципиально! Задумался об установке 1din магнитолы, для начала в бюджетном варианте. В общем заказ-купил Pioneer DEH-X3600UI, вполне сносный аппарат за свои деньги. Взял именно пион, так как там регулируются цвета подсветки, чтобы попасть в цвет заводской подсветки салона. Установить решил как нибудь так, чтобы не нарушать общий дизайн панели. Сделал следующим образом, саму магнитолу (голову) разместил в бардачке, благо здесь он достаточно вместительный, а панельку разместил на месте пепельницы. Получилось достаточно симпатично и гармонично. Качество фоток плохое, потому что ночью и на телефон. Если что не судите строго))) Кому было интересно, спасибо за внимание!






Цена вопроса: 5 000 ₽ Пробег: 53000 км
Нравится 17 Поделиться: Подписаться на машину
www.drive2.ru