Напряжение 12 Вольт используется для питания большого количества электроприборов: приемники и магнитолы, усилители, ноутбуки, шуруповерты, светодиодные ленты и прочее. Часто они работают от аккумуляторов или от блоков питания, но когда те или другие выходят из строя перед пользователем возникает вопрос: «Как получить 12 Вольт переменного тока»? Об этом мы расскажем далее, предоставив обзор наиболее рациональных способов.
Наиболее часто стоит задача получить 12 вольт из бытовой электросети 220В. Это можно сделать несколькими способами:
Преобразовать напряжение из 220 Вольт в 12 без трансформатора можно 3-мя способами:
Прежде чем приступить к рассмотрению этой схемы предварительно стоит сказать об условиях, которые вы должны соблюдать:
Тем не менее, такая схема вряд ли вас убьёт, но удар электрическим током получить можно.
Схема изображена на рисунке ниже:
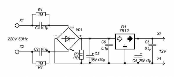
R1 – нужен для разрядки гасящего конденсатора, C1 – основной элемент, гасящий конденсатор, R2 – ограничивает токи при включении схемы, VD1 – диодный мост, VD2 – стабилитрон на нужное напряжение, для 12 вольт подойдут: Д814Д, КС207В, 1N4742A. Можно использовать и линейный преобразователь.

Или усиленный вариант первой схемы:

Номинал гасящего конденсатора рассчитывают по формуле:
С(мкФ) = 3200*I(нагрузки)/√(Uвход²-Uвыход²)
Или:
С(мкФ) = 3200*I(нагрузки)/√Uвход
Но можно и воспользоваться калькуляторами, они есть в онлайн или в виде программы для ПК, например как вариант от Гончарука Вадима, можете поискать в интернете.
Конденсаторы должны быть такими – пленочными:

Или такие:

Остальные перечисленные способы рассматривать не имеет смысла, т.к. понижение напряжения с 220 до 12 Вольт с помощью резистора не эффективно ввиду большого тепловыделения (размеры и мощность резистора будут соответствующие), а мотать дроссель с отводом от определенного витка чтобы получить 12 вольт нецелесообразно ввиду трудозатрат и габаритов.
Классическая и надежная схема, идеально подходит для питания усилителей звука, например колонок и магнитол. При условии установки нормального фильтрующего конденсатора, который обеспечит требуемый уровень пульсаций.

В дополнение можно установить стабилизатор на 12 вольт, типа КРЕН или L7812 или любой другой для нужного напряжения. Без него выходное напряжение будет изменяться соответственно скачкам напряжения в сети и будет равно:
Uвых=Uвх*Ктр
Ктр – коэффициент трансформации.
Здесь стоит отметить, что выходное напряжение после диодного моста должно быть на 2-3 вольта больше, чем выходное напряжение БП – 12В, но не более 30В, оно ограничено техническими характеристиками стабилизатора, и КПД зависит от разницы напряжений между входом и выходом.
Трансформатор должен выдавать 12-15В переменного тока. Стоит отметить, что выпрямленное и сглаженное напряжение будет в 1,41 раз больше входного. Оно будет близко к амплитудному значению входной синусоиды.
Также хочется добавить схему регулируемого БП на LM317. С его помощью вы можете получить любое напряжение от 1,1 В до величины выпрямленного напряжения с трансформатора.

Чтобы понизить напряжение постоянного тока из 24 Вольт в 12 Вольт можно использовать линейный или импульсный стабилизатор. Такая необходимость может возникнуть, если нужно запитать 12 В нагрузку от бортовой сети автобуса или грузовика напряжением в 24 В. Кроме того вы получите стабилизированное напряжение в сети автомобиля, которое часто изменяется. Даже в авто и мотоциклах с бортовой сетью в 12 В оно достигает 14,7 В при работающем двигателе. Поэтому эту схему можно использовать и для питания светодиодных лент и светодиодов на транспортных средствах.
Схема с линейным стабилизатором упоминалась в предыдущем пункте.

К ней можно подключить нагрузку током до 1-1,5А. Чтобы усилить ток, можно использовать проходной транзистор, но выходное напряжение может немного снизится – на 0,5В.
Подобным образом можно использовать LDO-стабилизаторы, это такие же линейные стабилизаторы напряжения, но с низким падением напряжения, типа AMS-1117-12v.

Или импульсные аналоги типа AMSR-7812Z, AMSR1-7812-NZ.

Схемы подключения аналогичны L7812 и КРЕНкам. Также эти варианты подойдут и для понижения напряжения от блока питания от ноутбука.
Эффективнее использовать импульсные понижающие преобразователи напряжения, например на базе ИМС LM2596. На плате подписаны контактные площадки In (вход +) и (- Out выход) соответственно. В продаже можно найти версию с фиксированным выходным напряжением и с регулируемым, как на фото сверху в правой части вы видите многооборотный потенциометр синего цвета.

Вы можете получить 12В из 5В, например, от USB-порта или зарядного устройства для мобильного телефона, также можно использовать и с популярными сейчас литиевыми аккумуляторами с напряжением 3,7-4,2В.
Если речь вести о блоках питания, можно и вмешаться во внутреннюю схему, править источник опорного напряжения, но для этого нужно иметь определенные знания в электронике. Но можно сделать проще и получить 12В с помощью повышающего преобразователя, например на базе ИМС XL6009. В продаже имеются варианты с фиксированным выходом 12В либо регулируемые с регулировкой в диапазоне от 3,2 до 30В. Выходной ток – 3А.

Он продаётся на готовой плате, и на ней есть пометки с назначением выводов – вход и выход. Еще вариант — использовать MT3608 LM2977, повышает до 24В и выдерживает выходной ток до 2А. Также на фото отчетливо видны подписи к контактным площадкам.

Самый простой способ получить напряжение 12В – это соединить последовательно 8 пальчиковых батареек по 1,5 В.

Или использовать готовую 12В батарейку с маркировкой 23АЕ или 27А, такие используются в пультах дистанционного управления. В ней внутри подборка из маленьких «таблеток», которые вы видите на фото.

Мы рассмотрели набор вариантов для получения 12В в домашних условиях. Каждый из них имеет свои плюсы и минусы, различную степень эффективности, надежности и КПД. Какой вариант лучше использовать, вы должны выбрать самостоятельно исходя из возможностей и потребностей.
Также стоит отметить, что мы не рассмотрели один из вариантов. Получить 12 вольт можно и от блока питания для компьютера формата ATX. Для его запуска без ПК нужно замкнуть зеленый провод на любой из черных. 12 вольт находятся на желтом проводе. Обычно мощность 12В линии несколько сотен Ватт и ток в десятки Ампер.

Теперь вы знаете, как получить 12 Вольт из 220 или других доступных значений. Напоследок рекомендуем просмотреть полезное видео по теме:
Наверняка вы не знаете:
Нравится(0)Не нравится(0)samelectrik.ru
Здрасти…
Короч давно нужно было такое сделать но все лень. Где взять 12 вольт дома? Шоб стабильно и немало ампер можно было и шоб еще и удобно.
Т.к. я олдскул компутерщик то есть у меня системный блок соответственно.
А што в нем есть? Кнешна блок питания.
Шо потребовалось:
1. Молекс + немного проводов + паяльные принадлежности.
2. Разъем под зажим — не знаю как называется — 2 плюса и 2 минуса — такие еще часто на домашних музыкальных центрах сзади.
3. Выключатель
4. Лицевая пластина от системника 5,25 которая.
6. Вольтметр (китайщина опционально)
5. Кусок пластика+карбонопленко?

лицевая панель уже изнахрачена предыдущеми опытами (на сопротивление не смотрим-от предыдущей поделки)

кусощек пластика, примерка

все вкорячил, обклеил пленкой — т.к. системник черный то гармонично

пайка+термоклей (великое изобретение однака)

собственно готово, + идет через выключатель, +вольтметра так же припаян к выходу выключателя

тестировал китайский диод красный
Итого — очень удобно — не нужны ни блоки питания отдельные, скрутки и прочее, стабильное питание, можно взять линию другую и получить 12/5/3.3 вольта.
Задействованы с молекса провод черный «-» и желтый «+12»
Для 3.3 вольта — а такие как правило мелкие диоды (в зажигалках например) черный+оранжевый можно использовать.
Нравится 31 Поделиться: Подписаться на автора
www.drive2.ru
Большинство домашних приборов работает от 12 В. Это напряжение стандартно для большинства блоков питания от ноутбуков и автомобильных аккумуляторов. Поэтому так часто можно встретить приборы и элементы, работающие от 12В. Например, светодиодные ленты, вентиляторы, усилители и многое другое работает от источника тока с таким напряжением. Но как получить заветные Вольты дома?
Нужно понимать, что напряжение – не ключевой показатель при подключении чего-либо к источнику тока. Более важным является мощность – произведение силы тока и напряжения. Так, если мы возьмем АКБ от ноутбука и автомобильный, и оба они будут обладать одинаковым напряжением, то у ноутбучного сила тока составит 4-8 Ампер, а у автомобильного пусковые токи достигают 200-900 А. Это все нужно учитывать при выборе источника тока, но сосредоточимся пока на конкретной цели – 12 Вольт в домашних условиях.
Самым простым способом обладают владельцы стационарных ПК. У них уже есть готовый источник тока на 12 В, поскольку в 99% случаев блок питания имеет один или несколько свободных разъемов питания. У молекса это крайний желтый провод. В разъеме SATA (для дисков) нет разметки по цветам, но это тоже крайний штекер. Лучше померять мультиметром, чтобы не ошибиться. Я пользуюсь UT33C – он дешевый, но с хорошей точностью.
Второй вариант – питание от старых приборов. Если вы не выбрасываете технику после поломки, то можно извлечь понижающий трансформатор с подходящими значениями. Та же светодиодная лента со встроенным питанием имеет миниатюрный трансформатор с 220 на 12 Вольт, но низкой мощностью в пределах 5 Вт, не более.
Последний вариант – сделать составной аккумулятор из батарей. Если, к примеру, у вас есть старый аккумулятор от ноутбука, то его можно разобрать и найти там несколько батарей. Уверен, сдохли из них не все, а поставив оставшиеся последовательно можно получить заветные 12 В. Правда их придется как-то заряжать, но это уже другой вопрос.
Первым делом нужно обратить внимание на рынок подержанной и не рабочей техники. В большинстве случаев выходят из строя модули, которые не подвергаются ремонту или стоят дорого и в таком ремонте нет смысла. Элементы питания в таком случае почти всегда функционируют как положено. Это старые магнитофоны (кассетные вообще частенько раздают даром), зарядки от телефонов и ноутбуков, бритвы, вентиляторы и так далее. Если удастся заполучить что-либо из крупной техники, то Вы получите источник питания с большой мощностью.
Блоки питания – очевидный способ получить 12 Воль из 220ти. Но не всегда есть смысл брать лабораторный блок питания или промышленный БП. Тот же компьютерный блок может легко работать всего на одного потребителя в 12 В не потребляя много из розетки. К слову, потребление легко замерить, если купить портативный счетчик электроэнергии. Старый БП для ноутбука скорее всего будет выдавать больше 12, но если правильно подобрать мощность, то можно ненадолго запитать нужный прибор.
Если Вам не нужна высока мощность, можно приобрести понижающий трансформатор. Эта радиодеталь не стоит больших денег и продается как отдельно, так и в составе преобразователей напряжения.
blog.radio-shop.com.ua

Сегодня мы с вами попробуем разобраться, что из себя представляет напряжение 12 вольт. Кто это за монстр такой? Насколько сильно кусается? И вообще, на что он способен? Поверьте, то, что он слабее чем обычный монстр с напряжением в 220 вольт — это сказки. Интересно, тогда поехали.
Начнём с истории возникновения. А история проста, вся суть в безопасности. Ведь все, что изобретается, делается по двум причинам. Первая — лень, она, как известно, двигатель прогресса. Вторая — желание себя обезопасить, ведь мы с вами частенько чего-нибудь боимся. Тут и возникает потребность в инновациях. Ведь нас постоянно пугают тем, что нельзя совать пальцы в розетку — убьёт. Хотя, если мы с вами засунем пальцы в розетку, вряд ли с нами случится что-то более страшное, чем легкий шок. Но ведь у многих из нас с вами дома есть дети и домашние животные. Дети — люди любознательные. Им все всегда интересно, и ребёнок не ребёнок, если прополз мимо розетки. Он обязательно должен засунуть туда пальцы. А вот если его ударит током, то ничего хорошего точно не будет. Понятно, что все зависит от конкретного случая, но лучше не экспериментировать. А если животное залезет в розетку? И хорошо, если ваш кот спалит себе только усы и пару минут посидит в шоке под кроватью. Но все может быть страшнее.

Так, хватит жути нагонять. 12 вольт — это безопасное напряжение, которое способно решить сразу массу проблем. Но к сожалению это напряжение не распространено именно в розетках, так как под него просто не делают электроприборов.
Давайте обратимся к истокам. Существует масса опасных для электричества помещений или имеющих повышенный уровень опасности. К таким помещениям в вашей квартире можно отнести — кухню, ванную комнату и другие подобные пространства. Представьте какое короткое замыкание способен устроить электрический монстр на 220 вольт? Последствия могут выходить далеко за грань нашего представления. И поверьте, они могут не ограничиться сработавшими системами безопасности. 12 же вольт, точно не устроят катастрофу планетарного или даже квартирного масштаба. В худшем случае сработают системы безопасности или перегорит трансформатор.
Теперь про то, откуда появилось напряжение на 12 вольт. Такое напряжение в большинстве случаев используется для освещения и оттуда оно и берет начало. Несколько десятков лет назад были изобретены галогенные лампы для бытового применения. Что такое галогенная лампа? Эта та же самая лампа накаливания, но имеет больший срок службы и гораздо меньший размер. Благодаря чему это возможно? Благодаря тому, что колба такой лампы заполнена газом, содержащим галоген, например йод. Нить накаливания в такой среде изнашивается гораздо медленнее. Вот и получается, что такая лампа работает в два раза дольше, при размере в одну четвертую обычной. Но причём тут напряжение 12 вольт? А при том. Кто-то провёл опыты и понял, что при таком напряжении нить накала подвержена гораздо меньшему разрушительному воздействию электрического тока. А это значит, что её можно нагреть до большей температуры и, следовательно, получить больше света. Добавьте к этому практически абсолютную безопасность для влажных помещений. Получается очень крутой способ проводки и освещения.

Но не стоит торопиться, как и с любым бесплатным сыром, здесь тоже есть мышеловки. Заключаются они в трансформаторе. А так как во всей остальной квартире напряжение 220 вольт, он нам обязательно понадобиться, без него никак не обойтись. А лишний элемент в сети электропитания, как известно, снижает её надежность. Но единственное, чем может быть опасен трансформатор, так это тем, что он попросту перегорит. Давайте теперь перейдём к описанию самой сети, к тому как она строиться и что для этого нужно.

Сама по себе сеть с напряжением 12 вольт начинается именно с трансформатора. Именно он преобразует обычные 220 вольт в 12. Но трансформатор нужно подбирать с умом. Не будем вдаваться в частности устройства самого трансформатора. Скажу одно, трансформатор должен быть подходящей мощности. Это значит, что для начала стоит понять сколько будет ламп, какова их суммарная мощность. К полученному значению стоит прибавить процентов 40 запаса, и вы получите нужную мощность трансформатора. В противном случае трансформатор может очень быстро выйти из строя, а это не есть хорошо.
После того, как вы выбрали трансформатор, стоит задуматься о светильниках и лампах. В светильниках нет ничего необычного, многие светильники универсальны, но перед покупкой на всякий случай стоит уточнить. А вот с лампами дела обстоят несколько сложнее. Они разделяются на лампы, которые работают от 220 вольт, и те, что работают от 12. И если 220-ваттные лампы от 12 вольт просто не заработают, то в обратной последовательности начнутся вспышки. Из-за перенапряжения лампа может взорваться. Поэтому просто проверяйте маркировку, и все, как говориться, будет пучком. Лампы, рассчитанные на 12 вольт, как правило стоят дороже. Просто потому, что безопаснее, никакой другой конструктивной и кардинальной разницы в конструкции нет.
Если говорит про связующее звено ламп и трансформатора — провод, то он может быть любым. Но огромным плюсом является то, что можно использовать провода маленького сечения. Так как при таком напряжении сети перегревы практически невозможны. Есть специальные провода, они продаются в магазинах, но подойдет любой провод маленького сечения. Теперь вы знаете все.
Вывод: Низковольтное освещение это огромный плюс для бытового использования, да и для некоторых промышленных объектах. Сами понимаете, безопасность превыше всего. Так же огромным и несомненным плюсом является то, что вы можете сами сделать такую проводку у себя в ванной или на кухне. Согласитесь в статье не описано не одного сложного процесса. С многими из этих процессов справиться даже ребенок, но им этого лучше не поручать.
До новых встреч.
fixup.ru
Для проверки работы отдельных блоков бытовых приборов домашнему мастеру может понадобиться напряжение 12 вольт как постоянного, так и переменного тока. Подробно разберем оба случая, но вначале необходимо рассмотреть еще одну величину электроэнергии — мощность, которая характеризует способность устройства надежно совершить работу.
Если мощности источника будет недостаточно, то он не выполнит задачу. К примеру, блок питания компьютера и аккумулятор автомобиля выдают 12 вольт. Токи нагрузки у компьютера редко превышают значения 20 ампер, а стартерный ток аккумулятора автомобиля больше 200 А.
Автомобильный аккумулятор обладает большим резервом мощности для задач компьютера, а вот блок питания ПК при таком же напряжении 12 вольт абсолютно не пригоден для раскрутки стартера, он просто сгорит.
Способы получения постоянного напряжения
Из гальванических элементов (батареек)
Промышленность выпускает круглые батарейки различных габаритов (зависят от мощности) с напряжением 1,5 вольта. Если взять 8 штук, то из них при последовательном подключении как раз получится 12 вольт.

Соединять между собой выводы батареек надо поочередно «плюсом» предыдущей к «минусу» последующей. Напряжение 12 вольт будет между первым и последним выводами, а промежуточные значения, например, 3, 6 или 9 вольт можно замерить на двух, четырех, шести батарейках.
Емкости элементов не должны отличаться, иначе мощность схемы будет уменьшена ослабленной батарейкой. Для таких устройств желательно применять все элементы однотипной серии с общей датой изготовления. Ток нагрузки от всех 8 батареек, собранных последовательно, соответствует величине, указанной для одного элемента.
Если возникнет необходимость подключения такой батареи к нагрузке, в два раза превышающей номинальную величину источника, то потребуется создать еще одну подобную конструкцию и обе батареи подключить параллельно, соединив между собой их однополярные выводы: «+» к «+», а «-» к «-».
Из малогабаритных акккумуляторов
Никель-кадмиевые аккумуляторы выпускаются с напряжением 1,2 вольта. Чтобы получить от них 12 вольт понадобится 10 элементов соединять последовательно, как в рассмотренной перед этим схеме.

По такому же принципу собирают батарею из никель-металл-гидридных АКБ.
Аккумуляторная батарея используется для более длительной работы, чем из обычных гальванических элементов: АКБ можно подзаряжать и перезаряжать многократно при необходимости.
От блоков питания, работающих на переменном токе
Многие бытовые приборы имеют встроенную электронику, которая питается от выпрямленного напряжения, получаемого в результате преобразования ≈220 вольт. Блоки питания компьютера, ноутбука как раз выдают 12 вольт выпрямленного и стабилизированного напряжения.

Достаточно подключиться к соответствующим клеммам выходного разъема и запитать блок питания, чтобы получить от него 12 вольт.
Аналогичным образом можно воспользоваться блоками питания старых радиоприемников, магнитофонов и устаревших телевизоров.
Кроме того, можно самостоятельно собрать блок питания для постоянного тока, выбрав для него подходящую схему. Наиболее распространенытрансформаторные устройства, преобразующие 220 вольт во вторичное напряжение, которое выпрямляется диодным мостом, сглаживается конденсатором и регулируется транзистором с помощью подстроечного резистора.
Схема простого зарядного устройства
Подобных схем можно найти много. В них удобно включать стабилизаторные устройства.
Способы получения переменного напряжения
Посредством трансформатора
Самым доступным методом считается применение понижающего трансформатора, который уже показан на предыдущей схеме. Промышленность уже давно выпускает такие устройства для различных целей.
Однако домашнему мастеру совсем не сложно сделать трансформатор для своих нужд из старых конструкций.
Для подключения трансформатора к сети 220 на первичную обмотку следует подавать питание через защиту, вполне можно обойтись проверенным предохранителем, хотя автоматический выключатель лучше подойдет для этих целей.

Вся схема вторичной нагрузки должна быть собрана заранее и проверена. Резерв мощности трансформатора около 30% позволит длительно его эксплуатировать без перегрева изоляции.
Другие методы
Технически возможно получить 12 вольт переменного тока от генератора, который приводится во вращение каким-либо двигателем или за счет преобразования постоянного тока инвертором. Однако эти способы более подходят для промышленных установок и отличаются сложной конструкцией. Поэтому в быту практически не используются.
www.pomoshelektrikam.ru
Как получить нестандартное напряжение, которое не укладывается в диапазон стандартного?
Стандартное напряжение — это такое напряжение, которое очень часто используется в ваших электронных безделушках. Это напряжение в 1,5 Вольта, 3 Вольта, 5 Вольт, 9 Вольт, 12 Вольт, 24 Вольт и тд. Например, в ваш допотопный МР3 плеер вмещалась одна батарейка в 1,5 Вольта. На пульте дистанционного управления ТВ используются уже две батарейки по 1,5 Вольта, включенные последовательно, значит уже 3 Вольта. В USB разъеме самые крайние контакты с потенциалом в 5 Вольт. Наверное, у всех в детстве была Денди? Чтобы питать Денди нужно было подавать на нее напряжение в 9 Вольт. Ну 12 Вольт используется практически во всех автомобилях. 24 Вольта используется уже в основном в промышленности. Также для этого, условно говоря, стандартного ряда «заточены» различные потребители этого напряжения: лампочки, проигрыватели, усилители и тд.
Но, увы, наш мир не идеален. Иногда просто ну очень надо получить напряжение не из стандартного ряда. Например, 9,6 Вольт. Ну ни так ни сяк… Да, здесь нас выручает Блок питания. Но опять же, если использовать готовый блок питания, то наряду с электронной безделушкой придется таскать и его. Как же решить этот вопрос? Итак, я Вам приведу три варианта:
Сделать в схеме электронной безделушки регулятор напряжения вот по такой схеме (более подробно здесь ):
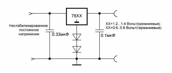
На Трехвыводных стабилизаторах напряжения построить стабильный источник нестандартного напряжения. Схемы в студию!
Что мы в результате видим? Видим стабилизатор напряжения и стабилитрон, подключенный к среднему выводу стабилизатора. ХХ — это две последние цифры, написанные на стабилизаторе. Там могут быть цифры 05, 09, 12 , 15, 18, 24. Может уже есть даже больше 24. Не знаю, врать не буду. Эти две последние цифры говорят нам о напряжении, которое будет выдавать стабилизатор по классической схеме включения:

Здесь стабилизатор 7805 выдает нам по такой схеме 5 Вольт на выходе. 7812 будет выдавать 12 Вольт, 7815 — 15 Вольт. Более подробно про стабилизаторы можно прочитать здесь.
U стабилитрона — это напряжение стабилизации на стабилитроне. Если мы возьмем стабилитрон с напряжением стабилизации 3 Вольта и стабилизатор напряжение 7805, то на выходе получим 8 Вольт. 8 Вольт — уже нестандартный ряд напряжения ;-). Получается, что подобрав нужный стабилизатор и нужный стабилитрон, можно с легкостью получить очень стабильное напряжение из нестандартного ряда напряжений ;-).
Давайте все это рассмотрим на примере. Так как я просто замеряю напряжение на выводах стабилизатора, поэтому конденсаторы не использую. Если бы я питал нагрузку, тогда бы использовал и конденсаторы. Подопытным кроликом у нас является стабилизатор 7805. Подаем на вход этого стабилизатора 9 Вольт от балды:

Следовательно, на выходе будет 5 Вольт, все таки как-никак стабилизатор 7805.

Теперь берем стабилитрон на Uстабилизации =2,4 Вольта и вставляем его по этой схеме, можно и без конденсаторов, все-таки делаем просто замеры напряжения.

Опа-на, 7,3 Вольта! 5+2,4 Вольта. Работает! Так как у меня стабилитроны не высокоточные (прецизионные), то и напряжение стабилитрона может чуточку различаться от паспортного (напряжение, заявленное производителем). Ну, я думаю, это не беда. 0,1 Вольт для нас погоды не сделают. Как я уже сказал, таким образом можно подобрать любое значение из ряда вон.
Есть также другой подобный способ, но здесь используются диоды. Может быть Вам известно, что падение напряжение на прямом переходе кремниевого диода составляет 0,6-0,7 Вольт, а германиевого диода — 0,3-0,4 Вольта? Именно этим свойством диода и воспользуемся ;-).
Итак, схему в студию!
Собираем по схеме данную конструкцию. Нестабилизированное входное постоянное напряжение также и осталось 9 Вольт. Стабилизатор 7805.

Итак, что на выходе?

Почти 5.7 Вольт ;-), что и требовалось доказать.
Если два диода соединять последовательно, то на каждом из них будет падать напряжение, следовательно, оно будет суммироваться:

На каждом кремниевом диоде падает по 0,7 Вольт, значит, 0,7+0,7=1,4 Вольта. Также и с германиевыми. Можно соединить и три, и четыре диода, тогда нужно суммировать напряжения на каждом. На практике более трех диодов не используют.
Источники нестандартного постоянного напряжения могут использоваться в абсолютно разных схемах, которые кушают силу тока меньше 1 Ампера. Имейте ввиду, если ваша нагрузка «жрет» чуть больше пол Ампера, то и элементы должны удовлетворять этим требованиям. Нужно будет взять диод помощнее, чем у меня на фото.
www.ruselectronic.com
Понимание, как из 12 вольт сделать 220, позволяет самостоятельно изготовить преобразователь для получения стандартного сетевого напряжения.Чтобы сделать прибор с качественной синусоидой на выходе, обязательно должны быть учтены все требования электротехники.
В бытовых условиях это устройство обеспечивает беспроблемное функционирование таких приборов, как газовый котел, холодильник, телевизор и другая сложная электротехника при невозможности использовать централизованную подачу электрической энергии на 220 В.
Особенности влияния параметров на электрические приборы:

Схема повышающего преобразователя напряжения 12-220 В
Особенно часто устройство используется в домовладениях с системой автономного обогрева, где в качестве отопительного прибора устанавливается импортное газовое оборудование с электронным управлением и контролем. Работоспособность таких приборов полностью зависит от наличия бесперебойного напряжения в 220 В и 50 Гц с правильной синусоидой.
Область применения преобразователя напряжения очень широкая, включая походные условия, эксплуатацию яхт и автомобилей, дачные участки без сетевого электроснабжения и так далее.
Электросчетчики бывают разными по количеству фаз, по тарифам и другим параметрам. Какой счетчик электроэнергии лучше поставить в квартире — читайте рекомендации специалистов.
Принцип работы светодиодных ламп и советы по ремонту неисправных лампочек своими руками описаны тут.
С правилами монтажа счетчиков электроэнергии вы можете ознакомиться по ссылке.
Инверторы — устройства, позволяющие преобразовывать постоянные токовые величины, включая 12 В, в переменный ток с изменением уровня напряжения или без. Как правило, такие приборы являются генераторами периодического напряжения, приближенного к форме синусоиды.
Все выпускаемые в настоящее время преобразователи напряжения постоянных токовых величин могут быть представлены:

Самодельный преобразователь
Чисто теоретически, на выход можно получить любые токовые величины, регулируемые от нулевой отметки до максимальных значений. Чаще всего в качестве источника постоянного тока на 12 В используется стандартная аккумуляторная батарея. Существующие на сегодняшний день преобразователи отличаются по нескольким параметрам.
В зависимости от вида получаемой синусоиды:
В зависимости от показателей мощности:
При выборе модели преобразователя показателей напряжения рекомендуется приобретать прибор, имеющий некоторый запас по уровню мощности.
Преобразователи напряжения с 12 на 220 В выдают на выход стандартные показатели, соответствующие основным характеристикам домашней электросети, поэтому являются совместимыми с практически любыми бытовыми приборами.
Электронные устройства в виде преобразователей или инверторов различаются в зависимости от формы сигнала в выходном напряжении:

Преобразователь напряжения 12-220 самодельный
При выборе устройства следует обратить внимание на доступность альтернативных источников энергии, что позволяет быстро окупить приобретенное, достаточно дорогостоящее оборудование.
Приобретаемое устройство должно иметь оптимальные показатели номинальной мощности, защиту от перегревов и замыканий, систему пассивного и активного охлаждения, а также достаточный для функционирования КПД.
Преобразователи трансформаторного типа являются устройствами, основанными на двух обмоточных системах. Приборы такого вида характеризуются изменением индуктивной связи при воздействии входного перемещения.
При этом осуществляется подключение одной обмоточной системы к источнику переменного тока с напряжением, а вторая обмотка, в этом случае, используется в качестве выходной.

Автомобильный преобразователь напряжения 12-220 В
Любой трансформатор предназначен для выполнения таких основных функций, как измерение и защита. Особенно востребованы современные трансформаторные устройства преобразующего типа, предназначенные для выполнения схемы удвоения или утроения частоты питающего напряжения.
В производственной области и быту современные приборы, позволяющие обеспечивать контроль входного/выходного тока и трансформировать переменные показатели в постоянные параметры, а также способные распределять напряжение, — являются очень востребованными.
Конструкция обычного повышающего преобразователя напряжения с 12 на 220
Тем не менее, нужно учитывать и некоторые минусы таких проборов. Основные недостатки преобразователей напряжения представлены восприимчивостью многих моделей таких устройств к повышенным показателям влажности, часто весьма внушительными размерами и сравнительно высокой стоимостью, поэтому к выбору инвертора нужно подходить очень внимательно.
proprovoda.ru