Электросхема грузового автомобиля MAN. Для удобства просмотра, схема электрооборудования разделена на модули. Приведена только половина схем, поэтому остальное — схемы распределительного устройства, блока контрольных ламп, укладку кабелей и т.д. вы можете бесплатно скачать в архивах. Дополнительная информация про схемы грузовых авто имеется здесь.
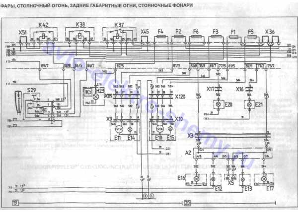
Фары, стояночный огонь, габаритные огни авто


Электросхема блокировки дифференциала, раздаточной коробки MAN


Электросхема звукового сигнала, света фар, воздухоосушителя MAN


Электросхема мигающего светосигнального устройства автомобиля MAN


Схема отопления, вентиляции, прикуривателя и внутреннего освещения авто

Схема стеклоомывателя, стеклоочистителя, переключателя света и освещения приборов МАН


Электросхема противотуманных фар грозового автомобиля MAN


РЕМОНТ АВТОЭЛЕКТРОНИКИ ЗАРЯДНЫЕ УСТРОЙСТВА ДЛЯ АКБ


Теплый дом и уют — залог счастливой и здоровой семьи. Современные жилые дома снабжены центральным отоплением, но паровая система не всегда эффективна и возможны некоторые сбои и неполадки. В частных домах также применяется в основном паровое отопление, но покупка и установка таких комплексов стоит немало денег, поэтому не нужно забыть про старый и добрый и обогреватель. Несколько типовых принципиальных схем тепловентиляторов показаны ниже:



Устройство работы обогревателя очень простое. Обогреватель — нагревательный элемент. Он состоит из нагрузки, которая подключается в сеть, в роли этой нагрузки-спираль. Тепловентилятор — тот же обогреватель, который дополнен воздушным винтом. Винт осуществляет отдув тепловой энергии со спирали, таким образом получается теплый воздушный поток направленного действия. Спираль в основном делают из нихрома. Тепловентилятор может иметь несколько режимов работы. Его также можно использовать в качестве обычного вентилятора. В таком случае отключается нагрузка (спираль) и устройство можно использовать в летнее время для охлаждения помещения. Любой современный тепловентилятор снабжен системой регулировки температуры. На рынке уже давно появились тепловентиляторы с ИК управлением. Такой вентилятор более «умный», при желании можно настроить на автоматическое управление температурой. Электродвигатель обычно применяется на 220 вольт, приспособленный работать на широком диапазоне питающих напряжений, поскольку сетевое напряжение может сильно отклонится от стандарта. Переключение режимов работы осуществляется компактным и удобным переключателем, при помощи встроенного реле. В тепловентиляторах обычно два нагревательных элемента, которые могут работать как совместно, так и одиночно. Скачать сборник схем тепловентиляторов можно тут.
el-shema.ru
Электросхемы для легкового автомобиля Skoda Felicia. Все схемы в цветном виде и высоком качестве. Для бесплатного скачивания — кликните на схему. Представлены такие модули, как замок зажигания, коробка предохранителей, указатели поворота, аварийная сигнализация Шкода Фелиция, выключатель стояночных фонарей, фары, двигатель и т д. Вторую часть электрооборудования Шкода Фелиция смотрите здесь.
Электросхема управления двигателем Simс Skoda Felicia

1 — Батарея
5 — Выключатель зажигания
6 — Монтажный блок реле/ предохранителей
а = реле топливного насоса
30 — l-зонд
31 — Катушка DIS
Система управления двигателем Magneti-Marelli

1 — Батарея
5 — Выключатель зажигания
6 — Монтажный блок реле/предохранителей
а = реле топливного насоса
80 — Топливный насос/датчик измерения расхода топлива
81 — Инжектор впрыска топлива
82 — Э/м клапан угольного фильтра
83 — Датчик детонации
84 — Датчик IAT/МАР
85 — Катушка зажигания
86 — Усилитель зажигания
Система управления двигателем Mono-Motronic

1 — Батарея
5 — Выключатель зажигания
6 — Монтажный блок реле/предохранителей
а = реле топливного насоса
60 — Топливный насос/датчик измерения расхода топлива
61 — Э/м клапан угольного фильтра
62 — Катушка зажигания
63 — Усилитель зажигания
64 — ECU системы впрыска топлива
65 — Датчик Холла
66 — Распределитель зажигания
67 — Свечи зажигания
68 — Датчик-выключатель холостого хода
69 — l-зонд
70 — Инжектор впрыска топлива/датчик температуры всасываемого воздуха
Схема комбинации приборов Skoda Felicia

1 — Батарея
Skoda Felicia
5 — Выключатель зажигания
6 — Монтажный блок реле/предохранителей
50 — Комбинация приборов
а = контрольная лампа обогрева заднего стекла
b = контрольная лампа генератора
с = Контрольная лампа системы подушек безопасности
d = контрольная лампа давления масла
е = контрольная лампа стояночного тормоза
f = контрольная лампа падения уровня тормозной жидкости
g = контрольная лампа ABS
h = цифровые часы
i = контрольная лампа системы преднакала
j = контрольная лампа ремней безопасности
k = контрольная лампа прицепа
l = контрольная лампа задних противотуманных фонарей
Вентилятор отопителя и обогрев заднего стекла — электросхема

1 — Батарея
2 — Стартер
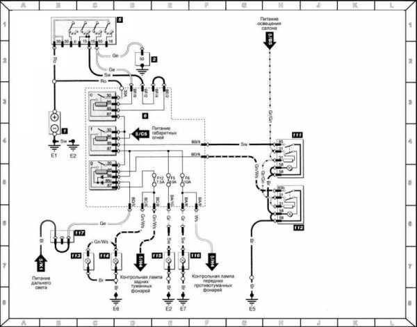
Противотуманные фары и фонари Skoda Felicia

1 — Батарея
2 — Стартер
Skoda Felicia
5 — Выключатель зажигания
6 — Монтажный блок реле/предохранителей
с = реле контакта «Х”
f = реле передних противотуманных фар
g = реле задних противотуманных фонарей
111 — Выключатель передних противотуманных фар
112 — Выключатель задних противотуманных фонарей
113 — Правый задний противотуманный фонарь
114 — Левый задний противотуманный фонарь
115 — Правая передняя противотуманная фара
116 — Левая передняя противотуманная фара
117 — 3-контактный разъем
Кодовое обозначения цвета изоляции электропроводки Skoda Felicia:
Ws — Белый
Sw — Черный
Ro — Красный
Br — Коричневый
Gn — Зеленый
Vi — Фиолетовый
Bl — Синий
Gr — Серый
Li — Лиловый
Ge — Желтый
Or — Оранжевый
РЕМОНТ АВТОЭЛЕКТРОНИКИ ЗАРЯДНЫЕ УСТРОЙСТВА ДЛЯ АКБ

electroshemi.ru
| Недавно ко мне на ремонт принесли фен не из самых старомодных, но времена ныне иные, кто ремонтирует фен за 10$, а иногда проще купить новый, с учетом, что весь рынок буквально забит дешевыми китайскими фенами. Так что пользуясь случаем, рассмотрим конструкцию и работу фенов для волос. Работа бытового фена
Из чего состоит фен:
Элементы на схеме: 1 — насадка-диффузор, 2 — корпус, 3 — воздуховод, 4 — ручка, 5 — предохранитель от перекручивания шнура, 6 — кнопка режима «Холодный воздух», 7 — переключатель температуры потока воздуха, 8 — переключатель скорости потока воздуха, 9 — кнопка режима «Турбо» — максимальный поток воздуха, 10 — петля для подвешивания фена. Электросхема простого фена
Большинство фенов начального уровня имеют простейшую электросхему, в таких фенах только один переключатель, которым включается вентилятор и ТЭН. Нагреватели могут выполняться в различных модификациях, но во всех фенах они выполнены из нихрома, свитого в пружину.
Однако почти все простые современные фены имеют 2-3 ступени регулировки мощности и потока воздуха.
Правила эксплуатации фенов
Рекомендуемое максимально время работы — 5 минут. По завершении работы регулятор температуры убрать на минимум, оставить на холодном продуве на пол минуты, и только затем выключить фен. Старайтесь не брать его мокрыми руками, иначе возможно попадание влаги на внутренние элементы схемы, что может привести к замыканию. Автор: АКА КАСЬЯН. |
el-shema.ru
Уважаемые посетители сайта!!!
Среди Ваших вопросов встречаются вопросы по монтажным электросхемам холодильников. С Вами здесь вполне согласен, так как монтажные схемы дают более объективное представление об электрических схемах.
Поняв сущность изложенного, Вы уже свободно сможете читать схемы любых типов холодильников. Каждый из нас выбирает тип холодильника на свое усмотрение, где учитывается :
Зачем к примеру приобретать большой холодильник если допустим гражданин приобретающий данный электроприбор проживает в 9 — 12 кв. метрах своей жилплощади. То есть получается, что мы зависимы от оказывающего влияния на нас различных факторов.
Приобретая холодильник, впоследствии у нас возникают проблемы — Как починить холодильник? Где найти электрическую либо монтажную схему на холодильник:
и далее. В общем то не надо искать электрические схемы на тот или иной тип холодильника. Необходимо понять характер таких электрических соединений, как соединяются в электрической схеме холодильника:
или к примеру: Как правильно соединяется мотор компрессор с теплозащитным реле?
Это является так сказать «сердцем» для проведения ремонта всех типов холодильников, — по электрической части. Итак, к делу друзья!!!
Перед нами две схемы холодильника:

электросхема холодильника

монтажная электросхема холодильника
Две данные схемы абсолютно одинаковы в своем изложении. Как в принципиальной электрической схеме так и в монтажной электросхеме холодильника, — мы можем обратить свое внимание, что электрическая цепь состоит из двух линий:
Читаем электрическую схему холодильника:
Рабочая обмотка статора электродвигателя соединена последовательно через:
Данная электрическая цепь \смотреть электрическую схему\ является силовой, так как подключена с электродвигателем и вторая электрическая цепь является осветительной.
Осветительная цепь состоит из двух элементов:
Теперь, чтобы лучше освоить эту тему, перейдем к объяснению по монтажной электросхеме холодильника:
Конец пусковой обмотки ПО соединен с контактом пускового реле. Контакт пускового реле как мы видим находится в разомкнутом положении.
При разомкнутом положении контактов термостата \смотреть монтажную электросхему\ на рабочую обмотку статора электродвигателя поступает ток.
Контакты выключателя света замыкают электрическую цепь при открывании дверцы холодильника. Одновременно при включении холодильника, когда контакты:
находятся в замкнутом положении, — происходит замыкание контактов пускового реле. После того как ротор электродвигателя набрал обороты — контакты пускового реле размыкаются, то есть электрическая цепь для данного участка разъединяется.
Это и есть сама сущность принципа работы пуско защитного реле, как Вы поняли после размыкания контактов пускового реле, — электродвигатель начинает работать с одной, рабочей обмоткой.
Получается здесь как бы следующее:
При замыкании контактов пускового реле, при включенной пусковой обмотке, через цепь:
— протекает суммарный ток обеих обмоток:
И что же может произойти при неисправности теплозащитного реле? При неисправности пускового реле, в том случае если контакты не примут исходное разомкнутое положение, — увеличится токовая нагрузка как для пусковой так и для рабочей обмоток статора электродвигателя.
То же самое и при неисправности теплового реле создастся токовая нагрузка на обе обмотки статора. В результате что может произойти? — Произойти может перегорание обмоток статора электродвигателя.

холодильник aeg santo

рис.1
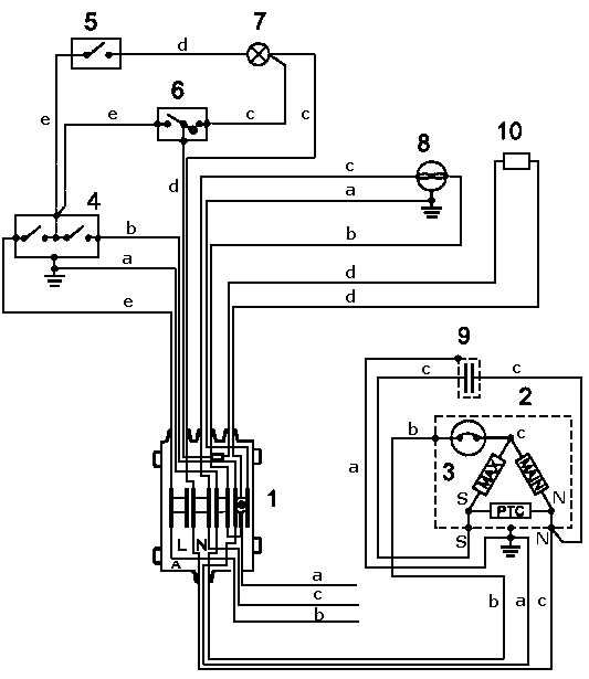
В примере, рассмотрим монтажную схему холодильника aeg santo, состоящую из:
Прослеживаем соединения в схеме:
Контакты выключателя света 5 замыкаются при открывании дверцы холодильника, электролампа 7 при этом загорается. Выключатель нагревательного элемента 6 служит для включения нагревателя 10, при включении которого происходит разморозка морозильной камеры.
С замыканием контактов термостата 4 включается в электрическую цепь пускозащитное реле компрессора 2. Конденсатор 9 в электрической схеме соединен параллельно. Как и для других схем, данная схема состоит из:
линий. От силовой линии питается мотор компрессор, осветительная линия состоит из выключателя света и электролампы. Вентилятор 8 включается в схеме одновременно с замыканием контактов термостата 4. Металлические корпуса:
как мы видим по схеме — заземлены.
В чем отличие приведенных монтажных электросхем холодильников в этой теме? Отличия в этих схемах состоят лишь в том, что в одни схемы дополнительно внесены:
а в других схемах данные элементы отсутствуют. Так же следует отметить, что например для двухкамерных холодильников в электрические схемы внесены два мотор компрессора.
Тема, по мере Ваших задаваемых вопросов будет развиваться.
На этом пока все.
zapiski-elektrika.ru
Цветные схемы электрооборудования грузового китайского автомобиля FAW C1 и FAW VITA. Электросхемы на русском языке и в высоком качестве. Увеличить схему на весь экран можно по клику. Предназначено для самостоятельного ремонта электрооборудования данного авто. Приводятся основные узлы, соединения и предохранительные блоки с их обозначением.
Схема вентилятора радиатора и отопителя кондиционера FAW C1

Задние комбинированные фонари и часы

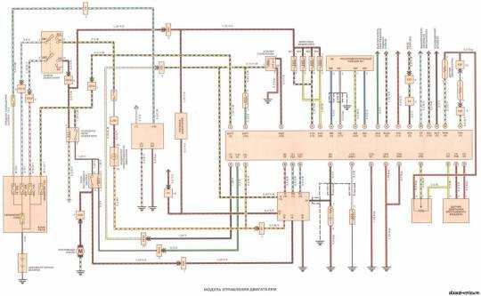
Схема модуля управления двигателем авто

Освещение салона, прикуриватель и зеркала

Фары — основные, противотуманные и передние

Схема панели приборов FAW VITA

Электросхема стартера и генератора грузовика

Схемы стеклоочистителя FAW

Подключение центрального дверного замка

Стоп сигналы и система ABS

Блоки реле, их обозначение, номиналы и функции в автомобиле




|
trucks-shemi.ru
Страница 1 из 2
Этот электроприбор — фен для сушки волос — очень популярен и зачастую незаменим в быту. В связи с высоким потребительским спросом, конструкции большинства фенов стали очень схожими, а качество изготовления и цена упали. На сегодняшний день купить по-настоящему долговечный фен очень непросто. Практика ремонта фенов различных марок говорит о том, что случающиеся поломки однотипные и, как правило, не фатальные, а легко устранимые без серьезных денежных трат.
Любой электрический фен в своей конструкции содержит два основных, крупных элемента: вентилятор и нагреватель. Вентилятор гонит воздух через нагреватель (нагревательный элемент), засасывая его позади фена и выбрасывая спереди нагретым.

Устройство фена для сушки волос.
1 — пропеллер; 2 — электродвигатель; 3 — нагреватель; 4 — термозащита; 5 — переключатель режимов; 6 — кабель питания.
У бытовых фенов вентилятор построен на базе низковольтных (12-18 В) коллекторных электродвигателей постоянного тока. Такой двигатель нельзя питать напрямую от сети 220 В переменного тока. Для достижения необходимого падения напряжения применяется отдельная спираль (назовём её понижающей) внутри нагревательного элемента. Для выпрямления напряжения применяется двухполупериодный выпрямитель (диодный мост), смонтированный навесным монтажом на контактах электродвигателя. На металлический вал двигателя посажен пластмассовый пропеллер, состоящий из трёх или более лопастей.


Нагревательный элемент фена представляет собой каркас из несгораемого материала с несколькими обмотками из нихромовой проволоки (спирали). В зависимости от количества режимов работы фена, обмоток может две или три, одна из которых понижающая.

Нагревательный элемент с двумя обмотками.
Горячие спирали нагревательного элемента должны постоянно обдуваться холодным воздухом, особенно при работе на максимальной мощности. Если по какой-либо причине поступление воздуха стало недостаточным или вовсе прекратилось (например, вышел из строя двигатель), то, из соображений пожарной безопасности и во избежание перегорания нагревательного элемента, фен должен автоматически отключиться. Такое аварийное отключение происходит благодаря присутствию в устройстве фена сразу двух термочувствительных элементов — двух «рубежей защиты» внутри нагревателя.
Первый «рубеж» — термостат. Он представляет собой пару замкнутых контактов, закреплённых на биметаллической пластине. Находясь близко к выходу нагретого воздуха, контакты интенсивно им обдуваются. При достижении выходящим воздухом критической температуры, контакты отдаляются друг от друга, цепь питания фена размыкается. Через несколько минут, когда биметаллическая пластина остынет, контакты вновь сомкнуться и фен включится.

Термостаты на основе биметаллических пластин.
В случае если вышеуказанная защита по какой-либо причине в нужное время не сработала, то несколькими секундами позже задействуется «второй рубеж» защиты – термопредохранитель. Этот предохранитель одноразовый и, после срабатывания, нуждается в замене.

Плавкий термопредохранитель.
Чтобы увидеть внутреннее устройство бытового фена, разберем его типичного представителя – Rowenta CV 4030. Данная модель оснащена вентилятором на основе низковольтного двигателя, нагревательный элемент состоит из одной понижающей спирали и двух нагревательных. Фен имеет три рабочих режима, на первом режиме обороты вентилятора ниже, чем на двух других. Принципиальная схема этого фена представлена ниже.

В первом положении переключателя SW1 сетевое питание, прошедшее через вилку XP1, фильтр C1R1, защитные элементы F1, F2, диод VD5 (необходимый для отсечения одной полуволны переменного напряжения) поступает на понижающую спираль h2, через неё питается электродвигатель M1. Диоды VD1-VD4 необходимы для выпрямления пониженного спиралью h2 переменного напряжения. Катушки индуктивности L1, L2 и конденсаторы C2, C3 служат для снижения помех, возникающие при работе щеточного электродвигателя. Через диод VD5 питание так же подается и на нагревательную спираль h3.
При переведении переключателя SW2 в положение «2», диод VD5 замыкается накоротко и «выходит из игры». Двигатель начитает работать на максимальных оборотах, спираль h3 нагревается сильнее. Третье положение движка переключателя SW2 соответствует режиму максимальной потребляемой мощности, когда параллельно спирали h3 подключается спираль h4. В таком положении температура выходящего воздуха самая высокая. Кнопка «cool» включена в разрыв обеих нагревательных спиралей, при её нажатии остается включенным только электродвигатель через спираль h2, спирали h3 и h4 обесточиваются.






Процесс вскрытия фена Rowenta cv4030.



Фен в полуразобранном виде.

Фен без корпуса.
Снизу вверх: переключатель SW1, конденсатор C1 с припаянным к нему резистором R1, кнопка SB1, нагревательный элемент, двигатель с пропеллером (в черном кожухе).


Нагревательный элемент.
Диод VD5 (фото слева) и катушки индуктивности (фото справа одной катушки) фена Rowenta CV 4030 смонтированы внутри нагревательного элемента.
Термостат (фото слева).
Термопредохранитель (фото справа)
zakatayrukava.ru