Всем доброго времени суток!
Снова вместе с вами Кабанчик и я!)))
И снова делимся с вами своими небольшими, но для нас важными доработками!
Сегодня речь пойдёт о плавном розжиге наших галогенных ламп, которые в большинстве случаев горят из-за резкого скачка напряжения (недавно убрал) и быстрого, моментального включения (разгорания)!
Более подробно с причинами и способами решения данной проблемы можно ознакомиться у Сергея klotos в его познавательной записи про лампы накаливания!
Списался с ним и заказал на его сайте вот такие блоки защиты ламп (БЗЛ). Взял сразу четыре штуки: две для ближнего света и две для противотуманок!

Полный размер
Оговорюсь сразу, что это всё происходило ещё по весне, а воплотил в жизнь, точнее в Кабанчика, эту идею только недавно!
Теперь сам процесс!
Ничего нового! Всё тот же родной двор и Кабанчик «пасётся» на лужайке!)))

Полный размер
Снимаем передний бампер, подготавливаем необходимый инструмент и, конечно, сами блоки!

Полный размер
Начал с ПТФ!
Почему? Потому, что проще! К лампам ближнего света ещё подлезть надо (кто хоть раз менял лампочки, тот знает)!)))
Прозваниваем провода!

Полный размер
Соблюдение полярности — обязательное условие, но на блоках всё подписано!

Полный размер
Не раздумывая отрезаем колодку и подсоединяем первый блок!

Полный размер
Для лучшего контакта Сергей klotos рекомендует облудить провода и уже потом их вставлять в блок! Но у нас нет гаража и соответственно электричества, потому делаем всё по-старинке!)))

Полный размер
Натягиваем термоусадку и изолируем лишние провода, т.к. среда, где обитают у нас колодки ПТФ самая грязная и небезопасная!

Полный размер
Те же самые действия производим с правой стороной!
С ПТФ закончили! Ура! Первая победа!
Проверяем — работают, во всяком случае светят! Одному включить и посмотреть, как они плавно разжигаются, не получится!)))
Переходим к ближнему свету!
Вот здесь начинается самое интересное!
Попробовал провести операцию по внедрению блоков в фары, не снимая их, но быстро понял бесмысленность своей попытки!)))
Снимаем фару! Кто ни разу не снимал, небольшая мурзилка (левая сторона): два болта сверху, один спереди под фарой и ещё один со стороны крыла также под фарой! Всего — четыре!

Полный размер
1-2 3-4
Поворачиваем фару, как нам удобно, не снимая и не отсоединяя её! Можно, конечно, снять её полностью, но я не стал делать лишних движений!)))

Полный размер
Также снимаем колодку ближнего света и прозваниваем провода!

Полный размер

Полный размер
Перерезаем и подключаем в разрыв наш блок плавного розжига, соблюдая полярность, вход и выход!

Полный размер
Упаковываем в термоусадку и прячем нашу конструкцию во внутрь фары! Смею вас уверить, что места там предостаточно! Можно 10 таких блоков спрятать!)))

Полный размер
Закрываем крышку ламп ближнего света, проверяем и ставим всё на место!

Полный размер
Проделав такую нехитрую операцию, получаем интересный вид включения ближнего света и ПТФ!
А самое главное — бережём наши лампочки и, соответственно, наши денежки, которые можно будет потратить ещё на что-нибудь вкусненькое для своих любимцев!
Как-то так!
www.drive2.ru
После установки ламп ближнего света, Philips 12342 XVS2, мне нарассказывали страстей и ахов, что дескать лампы сгорят, туфта и т.д., что меня напугало до жути))), и вот видимо с испугу, а верней для предохранения, впрочем практически причинно-следственные связи в данном случае коррелируемы, я сделал себе блоки плавного розжига ламп ближнего света. )))
Итак. Поиск в интернете навел вот на такую схему.

Схема плавного розжига из интернета.
Но эта схема была сделана под реле ближнего света, и в корпусе стандартных автореле. В Кенго управление светом идет не через реле, поэтому вопрос в ограниченном размере схемы с использованием СМД компонентов не стоял. Я решил своё устройство сделать в размерах имеемых коробочек, и обычными радиодеталями, коих у меня много.
Поэтому схему немного доработал.

Доработанная схема плавного розжига.
Плату набросал в layout 6.

Компоненты обычные. Резисторы по мощности достаточно 0.25 Вт.
— Полевой транзистор IRF4905
— Биполярный транзистор KT3102
— Диод 1N4007 (кд243ж)
— Резисторы: 5.6к, 10 к, 6,8 к, 56к, 100 к.
— Конденсатор 100 мкФ х 16 в.
Потом, платы вытравил методом ЛУТ и залудил.


Плата в сборе.

После этого проверил работу схемы с лампой Н4. Видео сшито из двух частей. В первой части включение лампы показано напрямую, без розжига, второе включение уже через плату розжига. Видно, что полное включение происходит примерно через 2.5 секунды, при этом ток начинает нарастать через секунду от момента включения. Здесь надо учитывать, что индикатор блока питания не способен на повышенной частоте отображать изменения силы тока.
Полевой транзистор не нагревается особо, его нагрев происходит только в процессе запуска, т.е. управлением нарастанием тока на лампу. Если часто включать/ выключать лампу, то тогда транзистор существенно нагреется, а в процессе работы он практически слабо нагрет.
Далее начал создание колодок для подключения. Если колодку »мама» можно купить, то вот колодку »папа» пришлось делать самому. Дело в том, что ширина контакта на лампе 7,7 мм. а имеемые у меня гнездовые наконечники TD шириной 6.3 мм. Поэтому решил использовать то, что есть. Сами лампы))

Снял фартук.

Отделил колбу от цоколя.

разбил и снял искрошив стекло лампы, оставив провода идущие к контактам.
Далее намотка проводов и их сжатие между загнутыми контактами. Пропайка.



В результате самостоятельно сделанная колодка стала выглядеть так.

Для памяти, приведу расположение контактов на лампе h5, где какой и для чего.

Полный размер
Окончательно спаял блок, закрепил через термопасту транзистор на радиаторе, припаяв провода с колодок к плате.

Получилось два таких блока розжига.

Установил их на машине.

Подключение к левой фаре.

Подключение к правой фаре.
Сами блоки удобно спрятались в пространстве между фарой и крылом.
За демонстрацию видео включения на машине, не обессудьте. Выполнял сразу 2 функции, снимал это видео и включал фару.
Теперь посмотрим насколько хватит таких ламп. Ну и испытаю в работе данный блок. Вполне допускаю, что в процессе эксплуатации что-то усовершенствую.
По цене для двух блоков, получилось:
200 р. радиодетали с рынка.
100 р. две колодки h5
около 60 р. две коробки
бесплатно — цоколи неисправных ламп, провода, припой.
итого — 360 р.
www.drive2.ru
Всё началось с того что я не стал ставить ксенон, а поставил японские лампы с перспективой перехода на газонаполненные лампы .
Для реализации этой затеи я задумал, и реализовал плавный запуск для ламп Головного света и ламп в туманках, «аля ксенон» 🙂






С туманками сложнее… необходимо демонтировать провод от туманки до разъема под капотом, тот что идёт вдоль бампера, для этого я подрезал ленту на которую он закреплен, пришлось снимать/отгибать защиту у левого колеса, снимать воздушный фильтр его корпус (сразу отвечу что разъем датчика массового расхода воздуха я не отключал, просто выкрутил его из корпуса.) Потом поддел провод крючком и вытянул его к себе далее всё как по схеме, врезка колодки и монтаж кабеля на хомуты.


Обратная сборка всех частей и вот он ЯЗЬЬЬЬЬ
www.drive2.ru

Все мы когда то сталкиваемся с ситуацией что сгорает галогеновая лампочка в фаре, в этом нет ничего нового и удивительного . Но когда комплект ламп куплен за 2000-3000 руб и не проходит и пол года, то начинается паника и поиски кто будет платить .
Причин по которым перегорают лампы в фарах множество это неисправная подвеска, некачественные лампы, проблемы с напряжением борт сети автомобиля, и т.д
Ну если с первым и вторым пунктом все понятно то с напряжением борт сети не все так ясно .
Все лампы соответствуют ГОСТ 2023.1-88
Лампы для дорожных транспортных средств. Требования к размерам, электрическим и световым параметрам
В котором про напряжение питания ламп четко сказано .

Полный размер
Напряжение питания согласно ГОСТ равно от 12.5 до 14.1 в . С таким напряжением ездят 95% машин но лампы все равно иногда перегорают .
Но есть еще один фактор который якобы существенно снижает ресурс ламп .
Это большой ток порядка в 5-10 раз больше при включении лапмы в силу того что спираль холодная и имеет малое сопротивление .
Для устраниения этой проблеммы в продаже полным полно блоков плавного розжига галогеновых ламп, которые ставятся в штатные места и которые якобы существенно продляют срок службы ламп .

Полный размер
Вот и я перед покупкой новых ламп задумался о плавном розжиге ламп в силу того что 5000 руб выкидывать на ветер не хочется .
Покопавшись в нете вся и везде лежит простейшая схема на полевом транзисторе IRF9540N .

Но самое интенресное началось дальше )
Стал вопрос.
А какой реальный ток лампы в момент включения ?
Был собран маленикий стенд
Зарядное Вымпел-30 с выходным максимальным напряжением согласно ГОСТ 14.1 в и током 20 А
Лампа 55 Вт Osram
Сопротивление 0.22 Ом
И осциллограф в режиме самописца .

Полный размер

Полный размер

Полный размер
Ну и куда без Закона Ома

Падение напряжения на сопротивлении при включенной лампе составило 1.0 В сила тока в цепи соответственно равна 1/0,22=4.54 А

Полный размер
А дальше осцилографф в режим самописца и было произведенно 4 цикла включения лампы с паузами для охлаждения нити накала 10 сек .

Полный размер
В отоге получаем в момент включения лампы максимальное падение напряжения на сопротивлении 1.3 в что равно 1.3/0.22=5.9А

Полный размер

Полный размер
То есть максимальный ток при включении лампы равен 5.9 А при номинальном токе 4.5 А
разница в 1.4 А 30% не думаю что может существенно повлиять на ресурс лампы тем более что этот ток длиться 500 мкс а это 0,0005 сек
www.drive2.ru
Много писать смысла нет.
Сегодня собрал схему плавного розжига на две фары (на каждую своя).подключается «в разрыв» штатной проводки, монтаж не требует специальных знаний и умений, есть возможность производить монтаж/демонтаж без наружения целостности штатной проводки.
собрано приблизительно по этой схеме

вот эта схема-просто, дешего, говно
Работа сего агрегата меня не впечатлила-просто задержка включения, а я хочу плавный розжиг.
Как итог-50 тыс потрачены в пустую, но приобретен опыт…
Вроде можно собрать все обратно и «забить» на эту муть, но НЕТ! Мы идем дальше!Теперь только хардкор!

собственно хардкор, ну и ШИМ модуляция
собственно «гайки»
Резисторы (R1=2к, R2=36k, R3=0.22 , R4=180, R5=2.7k, R6=1M, R7=2,7k)
Конденсаторы (C1=100n, C2=22x25B, C3=1500p, C4=22x50B, C5=2мкф)
Микросхема MC34063A (МС34063А можно заменить на КР1156ЕУ5)
Полевой транзистор IRF1405. (Полевик можно использовать любой N канальный с похожими параметрами (IRF3205, IRF3808, IRFP4004, IRFP3206, IRFP3077))
Дроссель 100мкГн, лучше использовать на ток не менее 500мА, ниже нет смысла преобразователь (ШИМ) начинает работать не стабильно. Это проявляется нагревом микросхемы и выхода из строя.
Светодиоды (любые).
Диоды 1N5819 (можно взять Блока питания ПК)
Стоить оно будет больше, но не намного.до 80тыс=10$
Что получится отпишусь после сборки, а если заработает, то и Видео залью.
и пару штук под заказ сделаю.
добиваюсь примерно этого
Кому интерестно-пишите будет такая и вам под ПТФ, h2,h3,h4,h5 и тд.
Людей заинтересовала стоимость устройств, и им кажется нецелесообразным дополнять машину этими устройствами.
Вот мой комментарий по этому поводу:
Лампочки стоят (хорошие) от 20-25 $ И желая их сохранить живыми и здоровыми, можно раскошелиться на блоки розжига.Да и просто красиво когда фары разгораются медленно (2-3 сек до максимума), А ценник, это ис-за з/ч — приходится брать качественные.Например «мосфеты» можно взять кремниевые, но они будут греться и жрать до 5вт (либо проводке это непонравиться, либо лампочка свое недополучит.)Поэтому покупаю германиевые-там этого нет, но и ценник вдвое выше…
ну и лайки там жмите если писать каменты лень.
www.drive2.ru
Всем привет.
В связи с тем что я работаю в сфере связанной с автосветом к нам часто приезжают на счет замены галогенных ламп. Самое прикольное в том что чем дороже лампа тем она быстрее выходит из строя)
Было принято решение смастерить блок плавного розжига для ламп накаливания. Так как в большенстве случаев лампочка выходит из строя в момент пуска.
По шерстив драйв, а именно блог Степан Палыча CAMOKAT-BETEPAHA были найдены исходники, но их пришлось перерисовать под свой лад)
В итоге получилась вот такая платка


Полный размер

Полный размер

Полный размер
После того как всё протестировали спаяли устройства

Полный размер

Полный размер

Полный размер
Написали инструкцию и установили на тестовый авто.
Уже как 3 месяца контроллер тестируется. Нареканий на работу нет)
Так что смело можем повторять данную поделку)
Исходники -====ТУТ====-
Всем удачи на дороге!)
1 год Метки: автосвет, плавный розжиг, розжиг, розжиг ламп
www.drive2.ru
Приветствую паяльникофилов-автолюбителей и просто любопытствующих =)
На новый год снегурка принесла вот такой ништячек:

Ох и давно я их хотел!
Лампы по отзывам оправдывают красивые надписи на упаковке, но есть одна беда — служат они меньше стандартных. Как продлить срок службы? — ведь жаль, если хорошие лампы быстро умрут. Как известно, почти в 100% случаев лампы горят при включении — когда нить накаливания холодная и её сопротивление низкое, происходит бросок тока, от которого спираль и разрушается. Вывод логичен — ограничить бросок тока. Это я и решил сделать для долгой и счастливой жизни лампочек в моём авто.
Это цель №1. Плавный розжиг ламп головного света.
Цель №2: контроль исправности нитей накала ламп (с отображением в салоне).
Цель №3: автоматическое включение света в темное время суток.
Цель №4: реализация функции ДХО «по-американски» — т.е. работа дальнего на 30% от полной мощности вместо ДХО.
Цель №5: автоматическое переключение ближнего/дальнего света на трассе при встречке.
Цель №6: плавная регулировка оборотов вентилятора охлаждения двигателя в зависимости от температуры ОЖ.
Реализовать всё это безобразие решил на контроллере фирмы Atmel.
Часть первую посвящаю разработке драйвера ламп света. Да, изобретаю велосипед, но кто твердо держит паяльник в руках, меня поймет))
Чуток теории.
Лампы имеют «заземление» на корпус (читай минус питания), что обязывает применение драйвера, управляющего плюсом питания. Серьёзно переделывать штатную проводку я не собираюсь и разрабатываю устройства с этим учетом.
Строим на MOSFET-транзисторах. P-канальные применить можно, но повторяемость схемы уменьшится, да и это не камильфо 😉 Остановил свой выбор на широко распространенных мощных N-канальных транзисторах. Тут выбор большой. самое элементарное (и пожалуй лучший вариант) — это применение транзисторов со старых (а лучше новых) материнских плат и видеокарт. Тут вариантов много. Одни из них:

Рассмотрим схемы включения Р и N-канальных транзисторов:

Слямзил с esyelectroncs))
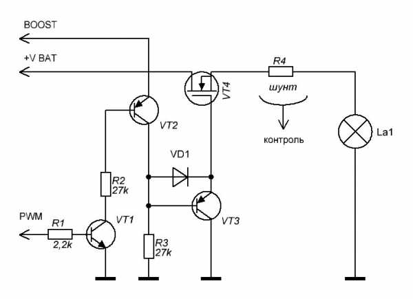
Но если мы собираемся строить на N-канальных с «земляной» нагрузкой, то тут все резко осложняется. Не вдавась в подробности скажу, что нужно на gate подавать напряжение на 10В выше напряжения питания. Тут самое простое — это применение специализированных драйверов: www.google.ru/search?q=%D…AA&biw=1440&bih=755&dpr=1 Но они годятся ТОЛЬКО при коэффициенте заполнения входного сигнала от 5 до 95%. Это налагает некоторые ограничения. Ограничивать себя не люблю) Да и не хочу потер мощности 5% — сей девайс будет запитан толстым проводом от генератора для минимизации потерь в проводах и максимального увеличения яркости ламп. Потому вариант с такими драйверами мне не подходит. Выход один: иметь источник напряжения выше напряжения штатной сети на 10В т.е. BOOST.
Для этих целей сначала собрал элементарный блокинг-генератор на 1 транзисторе. Зачем ставить целый специализированный ШИМ-контроллер для столь малого? (стрелять по воробьям из пушки).

1 транзистор — и вот вам 22В.
Диод из серии FR, транзистор КТ814 (815 или аналогов под рукой не нашлось), трансформатор намотан на фиг знает каком кольцевом магнитопроводе от дросселя старой мат.платы (примерно 15мм диаметром) тремя проводами 0,4мм (можно от 0,2 до 0,6) 30 витков. На выходе без нагрузки 24В, под нагрузкой 20-22В (зависит от нагрузки). Мощность получилась неплохой — хватит для оперирования несколькими мосфетами. Частота генерации порядка 1МГц.
Собрал по схеме

драйвер на N-канальном мосфете для управления нижней нагрузкой. Транзисторы VT1 — VT3 типа SS9015 и SS9014 (можно любые маломощные). С матери выпаял STB3020L (30V 19mOmh 40A). А вот с МК еще конь не валялся. Побыстрому сковырял ручной ШИМ-генератор на 155ЛН1:

При выбранных элементах частота генерации составила порядка 165Гц, коэффициент заполнения от 40 до 90%, чего хватает с лихвой для проверки работы драйвера.
Запитал я всё это хозяйство от компьютерного БП. Жаль он слабоват, в защиту уходит часто при пуске нахолодную (что и без того подтверждает высокие токи пуска лампы нахолодную). Схема заработала практически сразу. Чуток повозился с Boost-генератором. БП слабоват, напряжение упало до 10В. Но это не мешает тестированию драйвера.

Ток на полной яркости

Минимальная яркость (снял отрицательные импульсы-полярность осциллографа неверно прицепил)

Серединка. Снято непосредственно на лампе.

Максимальная мощность
Погонял некоторое время — транзистор чуть нагрелся. На ощуп — около 45 градусов.
Решил протестить линейку транзисторов разных поколений. Бесцеремонно крушу платы, выдрал еще пару: 2SK3918 (25V 7.5mOmh 48A TO-252) и Si4336DY (30V 3.25mOmh 25A SO-8).
По результатам теста 2SK3918 не нагрелся выше температуры окружающей среды. Аналогично и миниатюрный Si4336DY, что не могло не порадовать.

Трое из ларца! Прогресс, мать его)))
Результатами тестов остался очень доволен, определил для себя схемотехнику драйверов ламп, убедился в надежности (гонял схему порядка 6 часов без перерыва). Первую часть проекта считаю успешно завершенной.
Ну и фотки с мест))

МАКЕТКА — НЕ, не слышал!
Не ругайтесь сильно, я по старинке на работе ваяю. Макетка дома живет. Да и бывает порой удобнее навеснуха.

Тут ШИМ-генератор на ЛН1

Тест с STB3020L. На плате запаян на скорую руку boost-генератор.

Тут мучаю Si4336DY
За фото прошу прощения, сами понимаете, процесс творческий и под рукой только телефон.
Кто-то посчитает это все примитивом, не огорчайтесь — я быстро учусь. Сейчас для меня это в новинку. Завтра будет нормой. Послезавтра — как семечки. МК тоже только начал осваивать, жаль времени не так много, как хотелось-бы.
В общем, лед тронулся, господа присяжные заседатели!
Кто что думает на этот счет? оцениваем, если ничего писать не хотим =) Продолжение следует)
P.S. Ток потребления схемы по Boost составил 1,25мА. Потребление Boost-генератора порядка 15мА.
www.drive2.com