Menu

Схема подключения спидометра форд скорпио – Ford Scorpio | Электрические схемы

Содержание

Ford Scorpio | Спидометр | Форд Скорпио

Спидометр

Раньше нам был привычен спидометр, который приводился в действие гибким валом – валом спидометра. Совсем по-другому в Audi 80: его спидометр – это электронный измерительный прибор, схожий с тахометром. Так же, как тахометр, он получает импульсы частоты вращения – но не от двигателя, а от датчика в коробке передач. Там измеряется частота вращения колес. Прибор соотносит импульсы оборотов с временным фактором и таким образом получает эталонную величину для скорости.

Из-за отсутствия механического привода счетчик пройденного пути функционирует частично электрически: так называемый шаговый двигатель проворачивает приводной вал трансмиссии счетчика шаг за шагом дальше – в зависимости от числа импульсов оборотов.

Преимущества электронного спидометра: бесшумный привод, более точные показатели.

Если спидометр не работает, следует сначала проверить соответствующий предохранитель в отсеке для предохранителей.

Датчик импульсов спидометра

Слева спереди на коробке передач мы видим штекер выключателя фары заднего хода (1) и датчик импульсов спидометра (2). Для снятия датчика импульсов спидометра после нажатия на предохранительную скобу разъедините штекер (3), нажмите вниз защелку (стрелка), поверните датчик импульсов и вытяните его.

Импульсы оборотов для спидометра исходят от герконового датчика слева на коробке передач. Геркон – это герметично закрытая и расположенная в газовой оболочке контактная группа. Контакт замыкается, если на него воздействует магнитное поле. Для того чтобы геркон поставлял импульсы, он должен замыкаться и размыкаться в ритме частоты вращения. Поэтому колесо с выемками, вращающееся перед датчиком, влияет на магнитное поле, воздействующее на контактную группу.

Проверка датчика импульсов спидометра

  1. Поднять левое переднее колесо.
  2. Отжать крепежную скобу на штекере датчика и снять его.
  3. Подсоединить омметр к обоим контактам датчика и теперь медленно проворачивать левое колесо рукой.
  4. Показатели омметра должны колебаться между 0 Ом и .
  5. Если это не так, следует заменить датчик.

Снятие генератора импульсов спидометра

  1. Отжать крепежную скобу на штекере датчика и снять его.
  2. Слегка прижать вниз защелку на крепежной скобе и немного повернуть датчик вправо (по часовой стрелке).
  3. Вытянуть датчик из коробки передач.
  4. При установке обратите внимание на правильную посадку резинового уплотнительного кольца.

automn.ru

14.13 Схемы электрических соединений. Схема подключения спидометра форд скорпио


Наболевший Одометр — Кузов, Салон, Электрика

Думаю что все знают что сие такое, а те кто не знает поймут по мере прочтения…На всех уважающих себя форумах (имеются ввиду форумы аудистов, ланосников и т.д., короче всех. у кого может быть сходная проблема) имеется прикладной материал по борьбе с ездой «не знаю как далеко»…И так, приступим…Мануалить по разбору спидометра не стану, там нет ничего сложного. Единственное что нужно помнить, так это то, что шток стрелки очень легко ломается. Но, её можно и не снимать. Нам нужен сам механизм… А именно вот эта его сторона… И так, снимаем плату с шаговым двигателем и там видим то, что изображено на первом фото… И тут мы начинаем думать, что же делОть??? А делоть следующее. Идти в магазин детских игрушек, и покупать там кЕтайцкий ЖЫП!!!! (отмечу так же то, что ЖЫП инерционный, т.е. не тот, что заводится движением назад, а который по инерции продолжает движение туда, куда его катнуть) В этом аццком автомобиле есть то, что нам нужно… Могут быть косяки в виде несоответствия колличества зубьев на шестерёнке. По сему сразу отписываю, что зубьев должно быть 20 шт, наружный диаметр шестерни 8,4мм, диаметр посадочного отверстия 2мм, высота 3,7мм.Приобретя ЖЫП бежим домой, и радостно его кидаем в распил. Извлекаем задний мост Вскрываем мост и извлекаем ось с «главной парой»))) Нехитрым инструментом (на последнем фото можно рассмотреть детальнее) снимаем ту самую шестерню «главной пары» Та шестерня которая стоит на «главной паре» мегожЫпа имеет высоту несколько большую, по сему немного срезав беззубую часть (укоротив по высоте примерно на 1,5-2мм) получаем такой вожделенный девайс… Примерно вот так он выглядит на нашей приблуде к шаговому моторчику привода одометра
и где то так уже на самом механизме спидометра Собираем всё это безобразие (пока что) в обратном порядке, потом сразу же ставим всё это СЧЯЗЬТИЕ на автомобиль, и знаем сколько километров мы проехали…Ну и собсвтенно нехитрый инструмент, который помогал в работе… На сим всё… Всем удачи в ремонте считалки))))Сразу соре за качество фоток, телефонка под рукой ток была, фотЫк в машине спит))ЗЫ Кстати ещё вспомнил. Вполне возможно что нужно будет попропаивать все контакты на плате с моторчиком. У меня было 3 контакта с отслоившейся пайкой… Время знаете ли хороший доктор как говорят. Но очень хреновый косметолог…

oldfordclub.net

Ford Scorpio | Снятие и установка на место привода спидометра

Снятие и установка на место привода спидометра

На автомобили данных моделей устанавливаются два типа механического привода спидометра. На автомобилях до 1987 г. вып. используется обычный тросиковый привод, который состоит из спирально нарезанной шестерни, приводимой в движение непосредственно от дифференциала. Шестерня дистанционно передает вращение на спидометр посредством вращения гибкого внутреннего вала тросика.

Неправильные, нестабильные показания спидометра, такие как падение или прыгание стрелки, которые не поддаются исправлению путем замены приводного тросика спидометра, могут являться следствием износа шестерни; детальное описание процедуры снятия и установки на место шестерни приведено в следующем подразделе.

Автомобили после 1987 г. вып. оснащены электронным датчиком вместо шестерни. В данной системе производится измерение скорости вращения главной передачи трансмиссии, результаты которого преобразуются в электрический сигнал, посылаемый потом к модулю спидометра на приборном щитке. Сигнал также применяется как один из входных сигналов электронного управляющего устройства системы управления двигателем (и там, где имеется — электронного управляющего устройства темпостата, путевого компьютера и электронного управляющего устройства антипробуксовочной системы.

Механический привод спидометра

Снятие

При снятии приводной шестерни с трансмиссий, имеющих серийный номер изготовления до 310568 существует опасность случайного падения шестерни внутрь трансмиссии после удаления блокировочного кольца; конструкция трансмиссий более позднего выпуска не допускает такой возможности.

Не допускайте падения шестерни внутрь картера трансмиссии.

1. Проследите приводной тросик спидометра до точки соединения на правой стенке кожуха дифференциала в задней части картера трансмиссии. 2. Отдайте рукой гайку с накаткой и извлеките конец приводного тросика. Там, где имеется, снимите шайбу. 3. Намотайте на резьбу шестерни отрезок тонкой медной проволоки и закрепите свободный конец на какой-либо фиксированной точке трансмиссии; это поможет избежать случайного падения шестерни внутрь картера трансмиссии после удаления блокировочного кольца. 4. С помощью тонкой часовой отвертки с плоским жалом извлеките блокировочной кольцо. 5. Снимите шестерню с седла, затем извлеките и выбросьте уплотнительное кольцо. 6. Тщательно очистите шестерню и осмотрите зубцы на предмет обнаружения признаков износа или повреждения. При необходимости замените компоненты. Однако помните, что ведущая шестерня в картере дифференциала также может быть изношена; замена данной шестерни может быть произведена как часть процедуры капитального ремонта трансмиссии.

Установка на место

Там, где между гайкой и корпусом шестерни была установлена шайба, проследите за тем, чтобы при установке, перед присоединением тросика, шайба была установлена на место.

1. Смажьте новое уплотнительное кольцо чистым двигательным маслом и установите его в канавку на корпусе шестерни. 2. Установите шестерню в седло, также как раньше воспользовавшись отрезком проволоки для предотвращения падения ее в трансмиссию. Повращайте шестерню с целью удостовериться в том, что ее зубцы вошли в зацепление с ведущей шестерней внутри трансмиссии. 3. Вставьте в канавку в кожухе трансмиссии блокировочное кольцо и удалите страховочную проволоку. 4. Протолкните приводной тросик в гнездо верхней части шестерни и навинтите гайку с накаткой, крепко затянув ее.

Привод электронного спидометра

Снятие

1. Найдите датчик скорости, который располагается на кожухе дифференциала в задней части картера трансмиссии. 2. Отдайте жгут проводов от датчика на разъеме.
3. Отдайте крепежный винт датчика и вывинтите блок из кожуха трансмиссии.

motorsmarine.ru

Электронная схема спидометра Форд скорпио

Не работает одометр Ford Scorpio. Проблемы, ремонт.

Не работает спидометр.В чём причина?

Форд скорпио 2.0

#FordoVod Ремонт Ford Sierra 2.0i Замена троса спидометра Настройка ДМРВ

Не работает спидометр

Ремонт панели приборов Ford Автоэлектрика. Диагностика

КАК ПРОВЕРИТЬ ДАТЧИК СКОРОСТИ

GPS спидометр

Приборная панель Форд Скорпио

Замена датчика скорости

Также смотрите:

  • Дома на Ford f150
  • Мастерская к power Форд Фокус с макс
  • Сборка двигателя Форд скорпио видео
  • Регулировка капота Форд фьюжн
  • Ford ranger лампы для фар
  • Магнетолы на Форда
  • Установка гбо на Форд куга 2014
  • Форд эскорт купе 2000
  • Отзыв о Форд Фокус 3 105 л с видео
  • Двигатель Форд Scorpio
  • Фара Форд C-Max линзованная
  • Форд Фокус 3 то 80000км
  • Теплозащита глушителя Форд Фокус 2
  • Как поменять форсунку на Форд Транзит
  • Передние пружины на Форд Транзит 2008
Главная » Новости » Электронная схема спидометра Форд скорпио

fordport.ru

Спидометр форд скорпио. 12.7 Снятие и установка на место привода спидометра


Ford Scorpio | Спидометр | Форд Скорпио

Спидометр

Раньше нам был привычен спидометр, который приводился в действие гибким валом – валом спидометра. Совсем по-другому в Audi 80: его спидометр – это электронный измерительный прибор, схожий с тахометром. Так же, как тахометр, он получает импульсы частоты вращения – но не от двигателя, а от датчика в коробке передач. Там измеряется частота вращения колес. Прибор соотносит импульсы оборотов с временным фактором и таким образом получает эталонную величину для скорости.

Из-за отсутствия механического привода счетчик пройденного пути функционирует частично электрически: так называемый шаговый двигатель проворачивает приводной вал трансмиссии счетчика шаг за шагом дальше – в зависимости от числа импульсов оборотов.

Преимущества электронного спидометра: бесшумный привод, более точные показатели.

Если спидометр не работает, следует сначала проверить соответствующий предохранитель в отсеке для предохранителей.

Датчик импульсов спидометра

Слева спереди на коробке передач мы видим штекер выключателя фары заднего хода (1) и датчик импульсов спидометра (2). Для снятия датчика импульсов спидометра после нажатия на предохранительную скобу разъедините штекер (3), нажмите вниз защелку (стрелка), поверните датчик импульсов и вытяните его.

Импульсы оборотов для спидометра исходят от герконового датчика слева на коробке передач. Геркон – это герметично закрытая и расположенная в газовой оболочке контактная группа. Контакт замыкается, если на него воздействует магнитное поле. Для того чтобы геркон поставлял импульсы, он должен замыкаться и размыкаться в ритме частоты вращения. Поэтому колесо с выемками, вращающееся перед датчиком, влияет на магнитное поле, воздействующее на контактную группу.

Проверка датчика импульсов спидометра

  1. Поднять левое переднее колесо.
  2. Отжать крепежную скобу на штекере датчика и снять его.
  3. Подсоединить омметр к обоим контактам датчика и теперь медленно проворачивать левое колесо рукой.
  4. Показатели омметра должны колебаться между 0 Ом и .
  5. Если это не так, следует заменить датчик.

Снятие генератора импульсов спидометра

  1. Отжать крепежную скобу на штекере датчика и снять его.
  2. Слегка прижать вниз защелку на крепежной скобе и немного повернуть датчик вправо (по часовой стрелке).
  3. Вытянуть датчик из коробки передач.
  4. При установке обратите внимание на правильную посадку резинового уплотнительного кольца.

automn.ru

Электронная схема спидометра Форд скорпио

Не работает спидометр.В чём причина?

Диагностика коды ошибок ЭБУ Форд Сиерра Скорпио Самодиагностика Ford Sierra Scorpio

GPS спидометр

Замена датчика скорости

Приборная панель Форд Скорпио

Ауди 80 щиток приборов спидометр ремонт.

Спидометр тахометр для любого мотора

Спидометр тахометр для любого мотора

Как правильно выставить стрелку спидометра

Адаптер тахометра

Цифровой тахометр Схема подключения тахометра digital division

Также смотрите:

  • Форд с обьемом 2 литра
  • Форд эскейп 2003 объем масла
  • Разборка Ford на волочаевской
  • Форд Фокус 1 контактная группа замка зажигания код
  • Габариты аккумулятора Форд куга
  • Лючок бензобака Форд Фокус 2 снимают
  • Страна производства Форд куга
  • Кто произвадитель Форда
  • Патрон для подсветки ног Форд Фокус 2
  • Выпускают ли Форд маверик
  • Форд фиеста 2008 отзывы владельцев робот
  • Осаго на Форд Фокус 2007
  • Радиатор охлаждения двигателя Форд куга
  • Форд S-Max ecoboost
  • Ford sierra газ бензин
Главная » Новости » Электронная схема спидометра Форд скорпио

fordport.ru

Ford Scorpio | Снятие и установка на место привода спидометра

Снятие и установка на место привода спидометра

На автомобили данных моделей устанавливаются два типа механического привода спидометра. На автомобилях до 1987 г. вып. используется обычный тросиковый привод, который состоит из спирально нарезанной шестерни, приводимой в движение непосредственно от дифференциала. Шестерня дистанционно передает вращение на спидометр посредством вращения гибкого внутреннего вала тросика.

Неправильные, нестабильные показания спидометра, такие как падение или прыгание стрелки, которые не поддаются исправлению путем замены приводного тросика спидометра, могут являться следствием износа шестерни; детальное описание процедуры снятия и установки на место шестерни приведено в следующем подразделе.

Автомобили после 1987 г. вып. оснащены электронным датчиком вместо шестерни. В данной системе производится измерение скорости вращения главной передачи трансмиссии, результаты которого преобразуются в электрический сигнал, посылаемый потом к модулю спидометра на приборном щитке. Сигнал также применяется как один из входных сигналов электронного управляющего устройства системы управления двигателем (и там, где имеется — электронного управляющего устройства темпостата, путевого компьютера и электронного управляющего устройства антипробуксовочной системы.

Механический привод спидометра

Снятие

При снятии приводной шестерни с трансмиссий, имеющих серийный номер изготовления до 310568 существует опасность случайного падения шестерни внутрь трансмиссии после удаления блокировочного кольца; конструкция трансмиссий более позднего выпуска не допускает такой возможности.

Не допускайте падения шестерни внутрь картера трансмиссии.

1. Проследите приводной тросик спидометра до точки соединения на правой стенке кожуха дифференциала в задней части картера трансмиссии. 2. Отдайте рукой гайку с накаткой и извлеките конец приводного тросика. Там, где имеется, снимите шайбу. 3. Намотайте на резьбу шестерни отрезок тонкой медной проволоки и закрепите свободный конец на какой-либо фиксированной точке трансмиссии; это поможет избежать случайного падения шестерни внутрь картера трансмиссии после удаления блокировочного кольца. 4. С помощью тонкой часовой отвертки с плоским жалом извлеките блокировочной кольцо. 5. Снимите шестерню с седла, затем извлеките и выбросьте уплотнительное кольцо. 6. Тщательно очистите шестерню и осмотрите зубцы на предмет обнаружения признаков износа или повреждения. При необходимости замените компоненты. Однако помните, что ведущая шестерня в картере дифференциала также может быть изношена; замена данной шестерни может быть произведена как часть процедуры капитального ремонта трансмиссии.

Установка на место

motorsmarine.ru

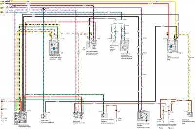
Форд Скорпио — схема электрическая

     Ещё одна интерестная модель Ford Scorpio 1985 — 1994 года выпуска. Схождение – это расстояние между передней и задней частью передних колес. Этот угол обычно положительный, так как из-за угла наклона колеса развала и сопротивления качению колеса стремятся развернуться наружу. Угол наклона колеса и продольный угол наклона оси поворота уменьшают передачу ударов и вибрации от неровностей дороги на рулевое управление. Угол наклона колеса – это угол, на который колесо отклоняется от вертикальной плоскости. Продольный угол наклона оси поворота – это угол, на который наклонена стойка передней подвески, что оказывает существенное влияние при движении по прямой.

Схема контура зарядки и запуска двигателя


Эл.схема контура системы управления двигателем 2,8 дм3


Схема контура наружного освещения на Форд Скорпио


Схема электрического контура сигнализации, поворотов и контроля систем на
Ford Scorpio


Схема контура внутреннего освещения



Эл.схема контура привода стеклоочистителей и стеклоомывателей


Схема контура антиблокировочной системы тормозов ABS на Форд Скорпио


Схема контура подключения радиоприемника на Ford Scorpio



a-shema.ru

Ford Scorpio | Снятие и установка на место привода спидометра

Снятие и установка на место привода спидометра

На автомобили данных моделей устанавливаются два типа механического привода спидометра. На автомобилях до 1987 г. вып. используется обычный тросиковый привод, который состоит из спирально нарезанной шестерни, приводимой в движение непосредственно от дифференциала. Шестерня дистанционно передает вращение на спидометр посредством вращения гибкого внутреннего вала тросика.

Неправильные, нестабильные показания спидометра, такие как падение или прыгание стрелки, которые не поддаются исправлению путем замены приводного тросика спидометра, могут являться следствием износа шестерни; детальное описание процедуры снятия и установки на место шестерни приведено в следующем подразделе.

Автомобили после 1987 г. вып. оснащены электронным датчиком вместо шестерни. В данной системе производится измерение скорости вращения главной передачи трансмиссии, результаты которого преобразуются в электрический сигнал, посылаемый потом к модулю спидометра на приборном щитке. Сигнал также применяется как один из входных сигналов электронного управляющего устройства системы управления двигателем (и там, где имеется — электронного управляющего устройства темпостата, путевого компьютера и электронного управляющего устройства антипробуксовочной системы.

Механический привод спидометра

Снятие

При снятии приводной шестерни с трансмиссий, имеющих серийный номер изготовления до 310568 существует опасность случайного падения шестерни внутрь трансмиссии после удаления блокировочного кольца; конструкция трансмиссий более позднего выпуска не допускает такой возможности.


Не допускайте падения шестерни внутрь картера трансмиссии.


1. Проследите приводной тросик спидометра до точки соединения на правой стенке кожуха дифференциала в задней части картера трансмиссии.
2. Отдайте рукой гайку с накаткой и извлеките конец приводного тросика. Там, где имеется, снимите шайбу.
3. Намотайте на резьбу шестерни отрезок тонкой медной проволоки и закрепите свободный конец на какой-либо фиксированной точке трансмиссии; это поможет избежать случайного падения шестерни внутрь картера трансмиссии после удаления блокировочного кольца.
4. С помощью тонкой часовой отвертки с плоским жалом извлеките блокировочной кольцо.
5. Снимите шестерню с седла, затем извлеките и выбросьте уплотнительное кольцо.
6. Тщательно очистите шестерню и осмотрите зубцы на предмет обнаружения признаков износа или повреждения. При необходимости замените компоненты. Однако помните, что ведущая шестерня в картере дифференциала также может быть изношена; замена данной шестерни может быть произведена как часть процедуры капитального ремонта трансмиссии.

Установка на место

Там, где между гайкой и корпусом шестерни была установлена шайба, проследите за тем, чтобы при установке, перед присоединением тросика, шайба была установлена на место.


1. Смажьте новое уплотнительное кольцо чистым двигательным маслом и установите его в канавку на корпусе шестерни.
2. Установите шестерню в седло, также как раньше воспользовавшись отрезком проволоки для предотвращения падения ее в трансмиссию. Повращайте шестерню с целью удостовериться в том, что ее зубцы вошли в зацепление с ведущей шестерней внутри трансмиссии.
3. Вставьте в канавку в кожухе трансмиссии блокировочное кольцо и удалите страховочную проволоку.
4. Протолкните приводной тросик в гнездо верхней части шестерни и навинтите гайку с накаткой, крепко затянув ее.

Привод электронного спидометра

Снятие

1. Найдите датчик скорости, который располагается на кожухе дифференциала в задней части картера трансмиссии.
2. Отдайте жгут проводов от датчика на разъеме.
3. Отдайте крепежный винт датчика и вывинтите блок из кожуха трансмиссии.
4. Снимите и выбросьте уплотнительное кольцо.

Установка на место

При установке должно быть использовано новое уплотнительное кольцо.


Установка на место производится в порядке, обратном порядку снятия.

automn.ru

Форд скорпио не работает спидометр. Не работает электронный спидометр — Ремонт


Ford Scorpio | Спидометр | Форд Скорпио

Спидометр

Раньше нам был привычен спидометр, который приводился в действие гибким валом – валом спидометра. Совсем по-другому в Audi 80: его спидометр – это электронный измерительный прибор, схожий с тахометром. Так же, как тахометр, он получает импульсы частоты вращения – но не от двигателя, а от датчика в коробке передач. Там измеряется частота вращения колес. Прибор соотносит импульсы оборотов с временным фактором и таким образом получает эталонную величину для скорости.

Из-за отсутствия механического привода счетчик пройденного пути функционирует частично электрически: так называемый шаговый двигатель проворачивает приводной вал трансмиссии счетчика шаг за шагом дальше – в зависимости от числа импульсов оборотов.

Преимущества электронного спидометра: бесшумный привод, более точные показатели.

Если спидометр не работает, следует сначала проверить соответствующий предохранитель в отсеке для предохранителей.

Датчик импульсов спидометра

Слева спереди на коробке передач мы видим штекер выключателя фары заднего хода (1) и датчик импульсов спидометра (2). Для снятия датчика импульсов спидометра после нажатия на предохранительную скобу разъедините штекер (3), нажмите вниз защелку (стрелка), поверните датчик импульсов и вытяните его.

Импульсы оборотов для спидометра исходят от герконового датчика слева на коробке передач. Геркон – это герметично закрытая и расположенная в газовой оболочке контактная группа. Контакт замыкается, если на него воздействует магнитное поле. Для того чтобы геркон поставлял импульсы, он должен замыкаться и размыкаться в ритме частоты вращения. Поэтому колесо с выемками, вращающееся перед датчиком, влияет на магнитное поле, воздействующее на контактную группу.

Проверка датчика импульсов спидометра

  1. Поднять левое переднее колесо.
  2. Отжать крепежную скобу на штекере датчика и снять его.
  3. Подсоединить омметр к обоим контактам датчика и теперь медленно проворачивать левое колесо рукой.
  4. Показатели омметра должны колебаться между 0 Ом и .
  5. Если это не так, следует заменить датчик.

Снятие генератора импульсов спидометра

  1. Отжать крепежную скобу на штекере датчика и снять его.
  2. Слегка прижать вниз защелку на крепежной скобе и немного повернуть датчик вправо (по часовой стрелке).
  3. Вытянуть датчик из коробки передач.
  4. При установке обратите внимание на правильную посадку резинового уплотнительного кольца.

automn.ru

Не работает электронный спидометр — Ремонт

Перейти к содержанию
Sasha77   
  • Пользователи
  • 1 сообщение
  • Автомобиль:Ford Scorpio 2.0 металик
  • Страна:Украина
Scorpakitsch   
  • объёмник
  • Совет клуба
  • 3 916 сообщений
  • Пол:Мужчина
  • Город:Киев| Теремки-2
  • Автомобиль:MB W2..
  • Страна:Украина
Densen   
  • Пользователи
  • 2 сообщения
  • Автомобиль:Ford Scorpio 2.0 DOHC
  • Страна:Украина
Влад Ройтман   
  • xxx
  • Пользователи
  • 3 168 сообщений
  • Пол:Мужчина
  • Город:ххх
  • Автомобиль:ford
  • Страна:ххх
SEPULT   
  • Извините, что я говорю, когда вы перебиваете
  • Форд-клуб
  • 1 056 сообщений
  • Пол:Мужчина
  • Город:Рівне, Україна
  • Автомобиль:Збираю на FORD MUSTANG GT 500
  • Страна:Україна
Влад Ройтман   
  • xxx
  • Пользователи
  • 3 168 сообщений
  • Пол:Мужчина
  • Город:ххх
  • Автомобиль:ford
  • Страна:ххх
SEPULT   
  • Извините, что я говорю, когда вы перебиваете
  • Форд-клуб
  • 1 056 сообщений
  • Пол:Мужчина
  • Город:Рівне, Україна
  • Автомобиль:Збираю на FORD MUSTANG GT 500
  • Страна:Україна
Влад Ройтман   
  • xxx
  • Пользователи
  • 3 168 сообщений
  • Пол:Мужчина
  • Город:ххх
  • Автомобиль:ford
  • Страна:ххх
SEPULT   
  • Извините, что я говорю, когда вы перебиваете
  • Форд-клуб
  • 1 056 сообщений
  • Пол:Мужчина
  • Город:Рівне, Україна
  • Автомобиль:Збираю на FORD MUSTANG GT 500
  • Страна:Україна
Влад Ройтман   
  • xxx
  • Пользователи
  • 3 168 сообщений
  • Пол:Мужчина
  • Город:ххх
  • Автомобиль:ford
  • Страна:ххх
SEPULT   
  • Извините, что я говорю, когда вы перебиваете
  • Форд-клуб
  • 1 056 сообщений
  • Пол:Мужчина
  • Город:Рівне, Україна
  • Автомобиль:Збираю на FORD MUSTANG GT 500
  • Страна:Україна
дилетант   
  • Прописался
  • Форд-клуб
  • 799 сообщений
  • Пол:Мужчина
  • Город:Одесса
  • Автомобиль:ФОРД СКОРПИО темносиний седан 2.0 ДОНС 1993г.в., АКПП, кондей
  • Страна:украина
DenLaden   
  • Пользователи
  • 3 сообщения
VoФФka   
  • Прописался
  • Пользователи
  • 743 сообщения
  • Пол:Мужчина
  • Город:Kalush, Frankivsk region.
  • Автомобиль:Scorpio, 2.0 DOHC-> Scorpio 2,9 `93 Ghia->Shuttle 2,4 4×4
  • Страна:Ukraine, Ivano-Frankovsk
DenLaden   
  • Пользователи
  • 3 сообщения
VoФФka   
  • Прописался
  • Пользователи
  • 743 сообщения
  • Пол:Мужчина
  • Город:Kalush, Frankivsk region.
  • Автомобиль:Scorpio, 2.0 DOHC-> Scorpio 2,9 `93 Ghia->Shuttle 2,4 4×4
  • Страна:Ukraine, Ivano-Frankovsk
VoФФka   
  • Прописался
  • Пользователи
  • 743 сообщения
  • Пол:Мужчина
  • Город:Kalush, Frankivsk region.
  • Автомобиль:Scorpio, 2.0 DOHC-> Scorpio 2,9 `93 Ghia->Shuttle 2,4 4×4
  • Страна:Ukraine, Ivano-Frankovsk
DenLaden   
  • Пользователи
  • 3 сообщения
staL   
  • бесславный биндеровец
  • Пользователи
  • 2 395 сообщений
  • Пол:Мужчина
  • Город:Кривой Рог
  • Автомобиль:Газель 2.9 v6. скорпио 2.9 v6 и тд
  • Страна:Украина
Vajos   
  • Новичок
  • Пользователи
  • 24 сообщения
  • Пол:Мужчина
  • Город:Симферополь
  • Автомобиль:Ford Scorpio 2.9, темно-синий
  • Страна:Украина
Lazy   
  • Супер-писатель
  • Пользователи
  • 303 сообщения
  • Пол:Мужчина
  • Город:г. Киев
  • Автомобиль:Ford Scorpio, 2.0i OHC (NRС), Flieβheck, 1988 г. выпуска
  • Страна:Украина
Vajos   

motorsmarine.ru

Добавить комментарий

Ваш адрес email не будет опубликован. Обязательные поля помечены *