Многие сталкивались с таким небольшим неудобством в работе штатного стеклоочистителя ВАЗ 2109: при кратковременном включении омывателя лобового стекла щетки делают 3 взмаха, хотя последний ход щетки делают уже по сухому стеклу, и вполне достаточно было бы и двух взмахов, чтобы убрать всю воду, которую набрызгал омыватель.
Это неудобство, как оказалось, легко устранимо. Для этого покупаем новое реле стеклоочистителя (если что-то не получится, можно будет вставить старое и тем самым не остаться без дворников) типа 526.3747, или другое аналогичное – маркировки могут отличаться в зависимости от завода-изготовителя реле.В схеме этого реле нужно заменить резистор R4. Штатный имеет номинал 130 кОм, нам нужно поставить поменьше, в пределах 40 кОм – 70 кОм. У меня 56 кОм. Найти такой можно в точках по продаже радиодеталей, стоит копейки, либо выпаять из старой техники.

Расположение реле в «черном ящике»

Схема реле дворников ВАЗ 2109
Внутреннее исполнение такого реле может быть разным:

Вариант 1

Вариант 2
Во всех случаях нужный нам резистор подключен к 4-й лапке микрочипа. На рисунках выше он выделен.
Кстати говоря, эта доработка актуальна и для ВАЗ 2114-2115, ВАЗ 2110, Лада Калина, Лада Гранта – для всех моделей, где используется этот тип реле.
Новые реле могут иметь принципиально другое исполнение. Например, мне попалось вот такое реле с маркировкой 723.3777 завода Энергомаш:

Реле 723.3777 Энергомаш. Его нам не переделать
Такое реле нам не переделать, поэтому его можно оставить в качестве запасного (оригинального), а перепаивать будем родное, извлеченное из монтажного блока:
Внешний вид родного реле
По поводу количества взмахов щеток разобрались. Теперь еще один момент.
При первом нажатии на рычаг для омыва стекла обычно бывает так: щетки уже тронулись, а воды на стекле еще нет. Это обусловлено тем, что насосу нужно время, чтобы прогнать воду по трубкам от бачка до форсунки омывателя. Эту ситуацию может исправить установка обратного клапана в трубку, чтобы предотвратить стекание воды из трубок обратно в бачок, когда насос не работает. Лично меня этот момент не сильно волнует, так как щетки идут по сухому только при первом включении, а установка обратного клапана увеличивает сопротивление потоку воды в трубках и без того слабому насосу омывателя, поэтому такую доработку на своем авто не делал и не планирую.
А для тех кто хочет попробовать есть такая информация: можно установить детали следующих номиналов: R2 – 2,2 кОм, C2 – 47 мкФ, R4 – 22 кОм. Величина C2 влияет на все три параметра реле – задержку между взмахами, количество взмахов при включении омывателя и задержку старта щеток, поэтому возможны варианты. Если у кого получится – отпишитесь в комментариях.
Если нет желания ничего переделывать, можно поставить специальное программируемое реле. При этом щетки будут стартовать с задержкой около 0,5 сек, также есть возможность задавать паузу между взмахами щеток в прерывистом режиме при помощи манипуляций с рычагом включения дворников. Оно имеет маркировку 723.3777-01 (аналог 411.3777), кому интересно — гугл и яндекс в помощь. Я бы порекомендовал сделать регулировку паузы в ручном режиме так, как это сделано в предыдущей статье.
Вместе с перепайкой резистора в реле для уменьшения количества ходов щеток до двух это, на мой взгляд, необходимый и достаточный объем доработок стеклоочистителя ВАЗ 2109.
Оцените статью: Поделитесь с друзьями!tuning-lada-2109.ru
Реле стеклоочистителя ВАЗ устанавливается вместо штатного реле регулировки паузы стеклоочистителя. Реле регулировки паузы стеклоочистителя может использоваться на следующих автомобилях: ВАЗ 01, 02, 03,04, 05, 06, 07, 21, 31. Маркировка штатного стеклоочистителя ВАЗ должна быть под номером 63.3777
Ее можно изменить в любое время, сделав шаг 2.
О том, как отрегулировать паузу между взмахами дворников в прерывистом режиме написано выше. При использовании стеклоочистителя ВАЗ 2108 можно получить хорошую функцию: при активации «брызгалки», дворники сделают пару тройку взмахов, а не просто водичка брызнет на стекло. При доработке реле появляются две новых функции:
Итак, для доработки реле стеклоочистителя ВАЗ едем на авто рынок и закупаем:
И собирает все по схеме:

Четырех контактное реле можно установить под капот около бачка незамерзайки, для этого потребуется протянуть провод из салона под капот.

Не выбрасываем родное реле, от него нам понадобится клемная колодка с «папами» и оставляем в этой 2 провода серый, идущий напрямую к двигателю моторедуктора и красный, на котором появляется плюс после включения первого положения дворников.

Главное не забыть обязательно отсоединить сине-белый провод от мотопривода стеклоочистителя ВАЗ а лучше перерезать или вытащить из клемной колодки.

После такой доработки реле стеклоочистителя устанавливаем все на авто. И радуемся нашим результатом.
vsepoedem.com
Доработка реле управления стеклоочистителем.
Не скажу «за все машины» концерна VAG, а на VW реле управления стеклоочистителем бывает 2-х видов. У одних на торце написан номер «19», а у других — «99». Те, которые «99» — ну очччень крутые! Позволяют в прерывистом режиме работы стеклоочистителя регулировать паузу между ходами щеток от 6 до 20 секунд. Но их нет. То есть есть, но мало и задорого. А вот реле «19» — их много и задешево, но пауза у них есть величина неизменная. 6 секунд.
Однако есть способы несколько устранить дискомфорт в душе обладателя машины с низкопробным реле. Самый простой — купить таки реле «99» и воткнуть вместо «19». Оно подойдет без каких-либо переделок. Но ведь тогда машина не поймет, как нежно Вы ее любите и на что Вы ради нее готовы.
Поэтому можно взять в руки паяльник, отвертку, нож или скальпель, рассыпать по столу кучку радиодеталей, карандашей, ластиков и листиков бумаги и с помощью всего этого барахла придать реле за номером «19» более дружественный интерфейс.
Мы научим его любить новую Родину (в лице хозяина автомобиля), а заодно и лелеять лобовое стекло! Да так, как это не под силу даже навороченному реле «99». Дело в том, что немцы не додумались сделать достаточной паузы между моментом включением насоса омывателя стекла и моментом включения стеклоочистителя. Поэтому щетки начинают тереть по сухому стеклу. Что из-за этого бывает — Вы знаете. Стекло царапается, щетки портятся, грязь плохо смывается. Но все это поправимо…
Что мы будем поправлять?
Реле, естественно. Но до того как мы примемся сдирать с него крышку я хочу поблагодарить HarryGolf (Александр Пономарев, [email protected]) за идею, опубликованную в конференции (http://www.auto.ru/wwwboards/vw/0544/171322.shtml). А позже, в переписке, он дал еще одну отличную идею — добавить задержку заднему стеклоочистителю (загляните на мою страничку весной — к тому времени, глядишь, доработаю и все опишу. А там и стеклоочиститель оттает…). Итак, вынимаем реле «19» из панели предохранителей. Смотрим, что на нем написано.
Если на нем написано «321 955 531А, SIEMENS, 5WK166», то все совсем хорошо. Я переделывал именно такое реле и все, что написано дальше есть прямое руководство к действию (с одной оговоркой). Если там что-нибудь другое, то нижеизложенное следует воспринимать как концепцию, то есть подход к процессу доработки от Вас потребуется более творческий.
Обещанная оговорка: я не ручаюсь за фирму SIEMENS, которая может (не предупредив ни меня, ни Вас!) внести изменения в схему реле и ничего не поменять в надписях на крышке.
Основные основы.
«Нет ничего практичнее хорошей теории!»
Ничего необычного под крышкой реле Вы не встретите. Надо будет найти и подрихтовать две времязадающие цепочки. Первая (назовем ее «цепью паузы» или «паузой») — задержка включения стеклоочистителя в прерывистом (intermittent) режиме работы стеклоочистителя и вторая (давайте звать ее «цепью задержки» или просто «задержкой») — задержка включения стеклоочистителя при включении омывателя. Задача по силам даже начинающему посетителю кружка «Умелые руки».
Практически со 100% уверенностью могу сказать, что цепь паузы обязательно включает в себя самый большой (и по номиналу, и по габаритам) конденсатор внутри реле. Цепь задержки — его ближайшего заместителя. Да, скорее всего, в реле и будет всего два конденсатора, вряд ли больше. Еще про цепь задержки можно сказать, что она начнется от контакта (узкий контакт в углу реле) с обозначением I (хотя его следовало бы маркировать как J; на схемах VW разъемы цепи омывателя и задержки имеют в обозначении именно букву J!), далее будет резистор, ограничивающий ток заряда конденсатора (то есть этот резистор будет определять интересующее нас время задержки между включением насоса и началом работы стеклоочистителя; на моей схеме обозначен R10), собственно конденсатор (если конструктор был психически нормальный человек — то другой вывод конденсатора пойдет на массу; на моей схеме обозначен С1) и резистор, ограничивающий ток разряда (он определяет, сколько рабочих ходов сделает стеклоочиститель после выключения омывателя; на моей схеме обозначен R8). Вот и вся цепочка. После подачи напряжения на насос омывателя С1 заряжается через R10. Через некоторое время напряжение на нем становится достаточным для открывания транзистора V4.
Транзистор открывается, щетки стеклоочистителя начинают двигаться в непрерывном режиме. Зарядка конденсатора C1 продолжается, пока не снято питание с насоса. После снятия питания насоса C1 разряжается через R8 и эмиттерный переход V4. Пока напряжение на конденсаторе не снизится до значения, при котором V4 закроется, стеклоочиститель будет продолжать работать.
Чтобы совсем уж покончить с идеологией надо еще пару слов сказать о цепи паузы. Так я скажу, что описание, сделанное HarryGolf, совершенно не подходило к цепи паузы в моем реле. В свою очередь, если мое описание не подойдет «как родное» к Вашему реле — будьте бдительны. И еще скажу, что схема стеклоочистителя, имеющаяся в описании WV Passat B3/B4 издательства TechnoBook неверна! На самом деле контактная группа в редукторе стеклоочистителя имеет ТРИ контакта, а не два. Так что будьте бдительны еще раз, еще много-много раз…
Что делать, прежде чем делать?
Содрать крышку с реле. Задача несложная. Далее прикидываем, насколько то, что обнажилось пред нашим взором соответствует тому, что было у меня.
Что было у меня? А вот что:
Все обозначения на схеме реле соответствуют обозначениям на плате реле. Обозначения, в которых я не уверен (рассмотреть их обозначения на плате мешали элементы конструкции) обозначены символом * (например, R6*). Схема бортовой сети показана условно, так, чтобы было понятно кто, что, когда и куда включает. Обозначения контактов в разъемах T4, T5 и разъема реле соответствуют схемам VW. Обозначения подрулевого переключателя и реле стеклоочистителя (E22 и J31) тоже соответствуют схемам и спецификациям VW. Контакты концевого выключателя в редукторе стеклоочистителя показаны в положении остановленного двигателя (или, иными словами, щетки вернулись вниз, на место, и мотор стеклоочистителя остановился). SW1 — выключатель омывателя (цепи питания насоса не показаны), SW2 — выключатель прерывистого режима работы. SW1 и SW2 независимы и SW1 имеет, так сказать, приоритет: независимо от состояния SW2 при включении SW1 стекло будет обрызгано и щетки будут работать так, как я описал выше. А когда SW1 будет выключен и процесс омывания/очистки будет завершен, схема будет работать в соответствии с положением SW2.
Что сделано и зачем.
Увеличен номинал резистора R10. Теперь он составляет 22 кОм. Мне так нравится. Вы можете временно впаять вместо R10 соединенные последовательно постоянный резистор на 15 кОм и подстроечник (или переменник) на 15 или 20 кОм. Подберите устраивающую Вас задержку (я ездил дня 4, пробуя разные варианты) и замените временную цепь постоянным резистором с ближайшим номиналом. Или оставьте на месте, на случай если вкусы поменяются, подстроечник (переменник? С красивой ручкой? На торпеде? Да Вы маньяк похлеще меня!). Только творчески закрепите этот подстроечник, чтобы он не болтался. Я, признаться, собирался так сделать… Взять многооборотный подстроечник (скажем, СП5-1А), закрепить его на напаянных стойках или на «холодной сварке» шлицом к водителю… В крышке реле напротив его шлица дырочку просверлить… Но я вовремя одумался!
Будьте готовы к тому, что количество рабочих ходов щеток после отключения омывателя уменьшится (конденсатор C1 теперь заряжается дольше и может не успеть зарядиться полностью за то время, что работает омыватель). Если Вас это не устраивает, увеличьте сопротивление резистора R8 — тогда он будет дольше разряжаться.
Теперь про паузу. Сначала надо отключить имеющийся резистор R7*. Он находится под реле, и выпаять его — проблематично. Или лениво. Да и не за чем. Проще перерезать дорожку. Ножом вырезаем из нее кусочек длинной в миллиметр. Больше не надо. Вместо R7* будут работать R7′ и R7». R7′, постоянный резистор номиналом в 20 кОм (можно в 10 кОм, но, по-моему, этого маловато) ограничивает минимальное значение паузы (мне нравится порядка 3-х или 4-х секунд; иначе проще включить непрерывный режим работы), а переменный резистор R7» будет определять максимальное значение паузы. У меня в качестве R7» стоит переменный резистор на 100 кОм.
Конструктивно регулятор паузы выполнен так: к контактным площадкам R7* припаяны два провода МГТФ, которые выведены из-под крышки реле (сделаны два маленьких пропила: в плате с деталями и в крышке) к разъему («мама», 2 контакта), укрепленному изолентой на крышке реле, на ее нижней, ближней к полу машины, стороне. Одна из заглушек на торпеде (рядом с выключателем обогревателя заднего стекла и выключателем противотуманных фар) снята и в нее врезан переменный резистор R7». К его выводам припаян R7′. От этих резисторов идут короткие провода к разъему («папа», 2 контакта), укрепленному на R7». Это позволяет в случае необходимости снять заглушку с резисторами как обычный выключатель. От резисторов до реле проложен провод с разъемами, с одной стороны (возле реле) он кончается «папой», а с другой стороны (возле резисторов) — «мамой».
Подробнее про детали.
Резисторы R7′ и R10′ имеют мощность 0,25 Вт. Тип — любой.
Резистор R7» можно взять любого типа. Но, если Вы — ценитель, рекомендую взять его с логарифмической (группы B, (лат. регистр)) зависимостью. Тогда вначале пауза будет увеличиваться медленно, а потом — быстро. А если Вы — ценитель с возможностями, то советую заглянуть, скажем, в «Чип и Дип» и поразмыслить над имеющимся выбором.
Резистор можно взять движковый, типа SL-20V1-A100K. Длина корпуса у них — 34 мм. В стандартной заглушке нужно только прорезать щель под движок (там расстояние между боковыми стенками 33 мм плюс чуть-чуть; этот резистор в заглушку влезает и защелкивается так, как будто всю жизнь там стоял). И подобрать для него понтовую ручку. Ручку, видимо, придется крепить с клеем, потому, что стенка заглушки толстая, а высота движка — маленькая. Ну и не страшно. Но резисторы этого типа бывают только с линейной (группы А) зависимостью. Достоинства: крепление несложное, вид приятный.
Еще вариант: взять резистор типа R12-N2, подобрать под него ручку или изготовить ручку самостоятельно. Достоинства: они бывают типа B; регулятор можно сделать в истинно VW духе, так, как сделаны регулятор яркости панели приборов или корректор фар. Может быть, даже получится взять ручку регулятора яркости (немного доработав). От корректора фар и не пробуйте — конструкция у него весьма специфическая, резистор воткнуть некуда. Угол поворота ограничен). Закрепить резистор такого типа можно на текстолитовом (например) переходнике, приклеенном к заглушке.
И еще вариант: взять резистор типа R17-N1-B и тоже с понтовой ручкой. Достоинства: легкость крепления. У меня реализован именно он.
На машине в торпеде (рядом с переключателями обогрева заднего стекла и задней противотуманки) стояла свободная заглушка, да вдобавок в ней кто-то когда-то зачем-то провертел дырку диаметром 18 мм. Да еще не по центру. Я долго эстетически страдал и думал — зачем? А оказалось, что 18 мм — это то, что надо. В эту дырку прекрасно утопились гайка резистора и излишняя высота его втулки! Я только вырезал и вклеил подходящую (21мм х 24мм) панельку из подходящей пластмассы. Отверстие для резистора имеет диаметр 7 мм. Оставшееся сбоку место можно использовать для какого-нибудь светодиодного индикатора или, если угодно, «маячка» для поиска ручки регулировки паузы в темноте. А сама ручка мне попалась диаметром как раз с заглушку. Дырки не видно. Есть еще одна ручка, еще большего диаметра. Крутить будет удобнее, но габариты узла будут… Мммм… Нестильные…
Подробнее про все эти резисторы можно узнать на сайте магазина «Чип и Дип», http://www.chip-dip.ru/shop/showgroup.xtml?gid=10702. Учтите еще, что допуск на перечисленные переменные резисторы +/- 10%. И нам бы с Вами лучше, чтобы в «+» (а вот мне попался в минус…). Так что в «Чип и Дип» отправляйтесь с тестером. Или там у них попросите. Возьмите у продавца пяток-десяток резисторов и промеряйте. Не стесняйтесь, клиент всегда прав!
Еще про детали: разъемы я сделал из купленных в Чипе же и Дипе же разъемов PLD и PBS. Строго говоря, они предназначены для впайки в печатные платы. PLD — это «гребенка» из многих пар штырей. Пары неплохо отделяются ножом, только не убейте стол — пластмасса хрупкая. Отрезанные пары улететь норовят — опять же, из-за хрупкости пластмассы. Гнезда PBS имеют шаг как на PLD и бывают на одну, две и т.д. пары контактов. Вот я и купил 18-ти контактный PLD и два двухконтактных PBS.
Тоже про детали: если Вам потребуется углубленное изучение своего реле, то Вам может сильно пригодиться программа определения номиналов резисторов по нанесенной на них цветовой маркировке. Эту программу можно взять здесь: http://remont.nm.ru/soft/resist.zip.
Чего в этом супе не хватает.
Подсветки.
И зависимости величины паузы от скорости движения машины. Сделаете — расскажите как сделали!
Вместо заключения.
— Хочешь критиковать? Похвали сперва!
(Охотник из к/ф «Обыкновенное чудо»)
Все вопросы, замечания и пожелания присылайте мне. Я очень старался не нарушать ничьих копирайтов. Ну, разве что цитату из «Обыкновенного чуда» переврал – не помню дословно, сорри.
Ежели Вы мое творение перепечатывать соберетесь – сделайте упоминание меня. Или моей странички. Мне приятно будет…
С уважением, Дмитрий Орлов.
P.S. Некоторые старые браузеры не в силах показать Вам рисунки в формате *.PNG. Если Вы принадлежите к числу несчастливых обладателей такого браузера, но не в силах ни расстаться с ним, ни уговорить его отречься от ереси (а это имеет смысл! Схема реле в формате PNG занимает 16Кб, а сделана она из 178Кб JPG; и при необходимости она конвертируется обратно в такого же размера JPG, т.е. рисунок храниться в PNG без потери качества!), то попробуйте сохранить у себя страничку целиком, а потом просмотрите ее с помощью, скажем, ACDSee. Или вообще WinWord’ом, если при установке его на компьютер была выбрана установка всех конвертеров графических файлов. Или напишите мне — я вышлю Вам боооольшой JPG.
stroyvolga.ru
Вот всем меня устраивает штатное реле на моей семерке, кроме одного — иногда, когда дождь не проливной а моросящий, мне катастрофически не хватает одной полезной функции в нем — это регулируемой паузы между взмахами дворников в прерывистом режиме работы. По умолчанию пауза сделана в 4 секунды, по сути ни тудым и ни сюдым, все равно приходится вручную рычажком постоянно передергивать дворники. Иначе постоянно по сухому трут. Со скрипом противным 🙂 Ну и было принято решение изучить схему штатного реле дворников и при возможности доукомплектовать его стольк полезной для наших ВАЗов функцией. Итак, начнем с того, что данный «тюнинг» можно сделать на любой классике, на которой установлено реле дворников нового образца, а именно вот таким:

Если у вас реле старого образца, еще на контактах, оно вам не подойдет, придется купить такое как на фото выше. Визуально основное отличие — на реле старого образца вот такой вот огромный резистор снаружи виднеется:

Итак, представим что у вас уже есть на руках реле нового образца и что вы его уже сняли с автомобиля, кстати для справки — находится оно тут, слева от водителя под торпедой, рядом с ручкой открывания капота:

Итак открутили его и начинаем дорабатывать. Нам нужно снять с него крышку и получить доступ к самой плате. За длинну паузы отвечает вот такой вот маленький резистор, мы его обвели на фото ниже:

Соответственно для того, что бы реализовать нашу идею с регулируемой паузой между взмахами дворников, нам нужен РЕГУЛИРУЕМЫЙ резистор вместо этого штатного, на 62 Кома. Итак, выпаиваем его, берем двужильный провод длинной около полуметра (или два одножильных) и впаиваем вместо резистора, выводя их наружу:

Протягиваем наши провода вместе со штатными и приклеиваем крышку реле. Я лично клеил термоклеевым пистолетом.

Теперь нам понадобится переменный резистор, типа такого:

Номинал по сути любой от 100 ком. Чем больше номинал — тем больше диапазон регулировки между взмахами щеток.
Берем этот резистор и один провод припаиваем к центральному контакту а второй к любому крайнему. Каккой куда — не имеет значения, можете менять их местами смело. Вот и все, тюнинг готов 🙂

Устанавливаем реле обратно в машину и выбираем место где поставить сам резистор. Тут полет фантазии ограничен разве что длинной припаянных проводов 🙂 В нашем варианте он размещен на кожехе рулевой колонки рядом с переключателем стеклоочистителя.

Кстати для декорирования идеально подходит ручка от регулятора печки ВАЗ-2109.

В нашем варианте исполнения пауза теперь может быть в диапазоне от 3 до 10 секунд. Все описанное выше проделано на реле дворников PC-514. Теперь мы имеем в арсенале столь удобную функцию, как регулировка паузы дворников на классике. Будем рады видеть вас в нашем клубе ВАЗ классика 🙂
www.vazdriver.ru
Водителям “семерки” известна проблема работы стеклоочистителя, которая заключается не в частых поломках, а в том, что цикличность движения дворников заставляет понервничать. Но, об этом немного позже. В целом реле играет очень важную роль, и такая роль появляется только в дождливую погоду. Ведь функционирование дворников невозможно не только без питания, но еще и без регулятора. Именно реле и выполняет данную функцию, которая доставляет большое удобство во время непогоды. Но это не единственная функция этого устройства, впрочем, об этом описано ниже.

Расположение реле в ВАЗ- 2107
Начнем с того, что дворники на автомобиле ВАЗ-2107 приводит в действие электромотор постоянного напряжения 12В. Но двигатель самостоятельно не смог бы обеспечить такую маятниковую работу дворников. К тому же такой электромотор имеет большую мощность, а значит, и немалую величину постоянного тока. Чтобы уменьшить ток в цепи включения стеклоочистителя устанавливается реле типа РС-514, которое также выполняет функцию периодичной работы дворников. В автомобиле ВАЗ-2107 имеется два режима движения дворников – без перерыва, и с периодичностью четырех секунд.
Располагается устройство в области водительского места под торпедой слева. Крепится оно напрямую к кузову автомобиля ВАЗ-2107 с помощью двух винтов и находится под обивкой салона. Из реле выходит провод со штекером для подключения. Разъем, где подключается штекер, расположен на приборной панели возле регулятора гидрокорректора фар. Добраться к нему можно только снизу, а найти правильно необходимый штекер можно путем отключения предполагаемого и проверки работы дворников, если при включении рычага в положение 1 стеклоочиститель не приводится в действие, то устройство отключено.
Снаружи реле стеклоочистителя представляет собой небольшую черную коробочку с отходящим проводком длиной до 15см. Если его разобрать, то внутри находится электрическая плата, на которой расположены элементы электроники. Они собираются по определенной схеме, что и обуславливает его работоспособность. Итак, как видно на рисунке, реле состоит из таких основных деталей:
Это основные элементы, как видно на фото, есть еще некоторые резисторы, но важную роль играет именно тот, который расположен возле контроллера под номером 4. К плате подведено четыре провода питания, посредством которых и осуществляется передача сигналов от релюшки.

Реле стеклоочистителя в разобранном виде
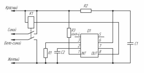
Стеклоочиститель работает посредством электромотора, реле, предохранителя, переключателя и питания 12В. На электромагнитную катушку 1, расположенной на печатной плате, подается ток при включении дворников. Катушка включает себя подвижный якорь, обмотку и замыкающие верхние и нижние контакты. Катушка, получив питание, оттягивает якорь от сердцевины, тем самым размыкая верхние контакты, а нижние замыкаются соответственно. На основании катушки имеется кронштейн с биметаллической пластинкой. Эта пластинка обмотана нихромовой тонкой проволокой, по которой протекает ток. Ток соответственно нагревает пластинку и она выгибается, размыкая контакты. Спустя время, пластинка остывает и принимает прежнее положение. Когда контакты размыкаются, то в катушке наводится ЭДС. Чтобы эту электродвижущую силу пресечь, параллельно обмотке включен резистор величиной 62 кОма (расположен возле контроллера на рисунке 1 под номером 4).
Схема работы: подается питание к релюшке, в которой замыкаются контакты посредством срабатывания катушки, электродвигатель получает питание и приводится в действие. За 1-3 секунды биметаллическая пластина нагревается и срабатывает, отключая питание с мотора. Когда щетки дворников вернулись в исходное положение, пластина остыв, снова приводится в действие. Резистор 4, отсекающий самонаводящуюся ЭДС, создает ту самую паузу задержки, по которой осуществляется периодичность работы дворников. Так осуществляется процесс движения стеклоочистителя.
Самым простым действием в работе со стеклоочистителем является замена реле. Самое главное – это определить его месторасположение. Замена производится в случае неисправности элементов устройства, самой распространенной проблемой поломки является повреждение катушки.
Выполняется так: отключив сначала питание устройства, приступаем к откручиванию двух шурупов. Если штекер не выходит из розетки, его можно поддеть отверткой. Далее, устанавливаем новое устройство на место и подключаем. Замена занимает не более 10 минут.
Как уже оговаривалось выше, щетки очистителя на ВАЗ-2107 имеют два режима действия, один быстрый – для очищения во время сильного ливня, а второй медленнее, который используется зачастую. Но у водителей возникает недовольство в том, что порой необходимо поточнее подобрать режим действия. Поэтому выбор периодичности является актуальным вопросом и на сегодняшний день. Итак, чтобы осуществить изменение скорости работы дворников, необходимо проследить процессы, протекающие в устройстве. Схема электрическая принципиальная имеет следующий вид, представленный ниже.

Схема электрическая принципиальная реле стеклоочистителя
Схема показывает, что элемент, отвечающий за создание паузы в работе стеклоочистителя на ВАЗ-2107 является параллельно включенный катушке резистор. Этот резистор отсекает самоиндукцию ЭДС в катушке и тем самым создает эту паузу. Стандартное реле имеет паузу в 4,2 секунды, которое обуславливает резистор номиналом в 62 кОм. Приведенная схема уместна для всех релюшек стеклоочистителя автомобиля ВАЗ-2107. Необходимый резистор именуется как R3, который соединяется с красным проводом, как показывает схема.
Первый способ, как изменяется пауза. Если необходимо увеличить паузу с четырех секунд до 5-6, тогда необходимо подобрать резистор номиналом большим 62 кОм. Если же, наоборот, то используются номиналы в 45 или 30 кОм. Поэтому необходимо выпаять родной резистор и припаять на то место элемент с новой величиной. Можно вместо нового резистора использовать старый, отпаяв одну ножку и припаяв к ней метр медной проволоки, которая создаст сопротивление в 30 кОм совместно со старым резистором. Но этот способ более долгий и нерациональный, так как необходимо будет заизолировать проволоку и вместить ее в короб.
Второй способ. Подразумевает установку регулятора сопротивления в широком диапазоне. Для этого потребуется регулятор, 2 проводка и 2 штекера (папа-мама). В печатной плате делаются два отверстия и заводятся два проводка. Припаиваются концы к резистору R3, который показывает схема 1. Ко второму краю проводков припаивается штекер и соединяется непосредственно с регулятором. Далее, собирается все на место, а регулятор выводится на приборную панель. При пуске дворников, вращая регулятор, будет замечаться изменение цикличности работы. Этот вариант более приемлем из-за своего широкого спектра регулирования цикличности действия путем создания паузы.

Регулятор паузы стеклоочистителя
Имея в своем вооружении знания о регулировании паузы работы дворников можно выбрать для себя подходящий вариант и самостоятельно осуществить на ВАЗ- 2107. Особенно не составит труда для любителей паяльника и канифоли. Ведь каждый в юности имел склонность попаять старую электронику. Удачных воплощений!
provaz07.ru
Когда на автомобиле нет возможности установить желаемый режим работы стеклоочистителей, который оптимально создаст комфортное управление автомобилем в непогоду, уверенно можно сказать о том, что на автомобиле не работает реле цикличности стеклоочистителей.
В случаях, когда на автомобилях и вовсе отсутствует такое реле, дискомфорт будет ощущаться всегда, когда стеклоочистители большую часть времени будут тереться об сухое стекло, а включение и отключение привода ‘дворников’ водитель будет осуществлять штатным выключателем через промежутки времени, отличные друг от друга и определёнными самостоятельно.
Много и разной информации существует для решения подобного вопроса, но мой знакомый решил обойтись без дополнительных финансовых вложений, а использовать имеющиеся в его распоряжении не электронное, а электромагнитное реле цикличности РС-514 для доработки режима управления стеклоочистителями и для создания цикличности режимов их работы. Дополнительно использовали выключатель света П-147-04.29 от старенькой ВАЗ-2106 и самодельный световой индикатор.
Автомобиль ‘Москвич-2140’ оборудован стеклоочистителями, с управлением привода через поворотный переключатель П-315, который позволяет лишь изменять скоростной режим привода выборочным подключением обмоток электродвигателя, а временная задержка для цикличности в схеме отсутствует.
Дополнить имеющуюся электрическую схему можно установив в неё любое электрическое устройство, которое с определённым промежутком времени будет включать и отключать привод стеклоочистителей. Устройство будет прерывать питающую линию периодами, а привод стеклоочистителей будет включаться через временные паузы, создаваемые установленным реле управления цикличностью.
Вариант с электронным реле в данном случае отпадает из-за отсутствия самого реле, а для подключения имеющегося электромагнитного реле РС-514 необходим всего лишь дополнительный переключатель, который дополнит функциональность электрической схемы.
Управление приводом стеклоочистителей на автомобиле ‘Москвич-214’ осуществляется через линию с подключением к ‘минусовой’ клемме аккумулятора через кузов. ‘Плюсовой’ провод постоянно подключён к обмотке электродвигателя блока привода стеклоочистителями.
Электромагнитное реле цикличности РС-514 имеет возможность подключения как через ‘плюсовой’ провод, так и через управление по ‘минусовой’ линии, а электронное реле РС-514 подключается только по его распиновке.
Для имеющейся электросхемы ‘Москвич-2140’ подключение реле цикличности РС-514 имеет схожее подключение, как на ‘ВАЗ-2106’, за исключением одного проводника, от которого зависит период срабатывания электромагнитного реле, и в некоторых схемах этот проводник задействован в другом варианте подключения.
Электрическая схема после доработки дополнилась ещё двумя режимами. К двум имеющимся скоростным режимам привода добавились два режима с цикличностью, то есть каждый постоянный режим имеет переключение в свой цикличный. Регулирование периода станет доступно после некоторой переделки реле РС-514 и выводом дополнительных проводников, от чего мы отказались.
В нашей схеме реле РС-514 работает следующим образом: электрическое напряжение на реле подаётся по жёлтому проводу. Отрицательный потенциал напряжения в схеме отсутствует, так как красный и голубой провода в обычном режиме отключены. Белый провод не задействован вообще.
Когда контакты переключателя П-147-04.29 переводят в верхнее по схеме положение 2, то образующая электрическая цепь /жёлтый провод + замкнутый термоконтакт + обмотка реле + красный провод/ замкнётся и по ней потечёт электрический ток. Резистор R100 в схеме является шунтирующим.
Полный рабочий ток электродвигателя поступает через замкнутые коммутационные контакты 1 и 2 по синему проводу через красный проводник. В момент замыкания управляющего контакта реле, между клеммой 1 и жёлтым проводом, появляется вторая электрическая цепь, характеристики которой влияют на периодичность включения электромагнитного реле.
Намотанная на биметаллическую пластину термоконтакта спираль из металлической проволоки с большим удельным сопротивлением, нагревается, передавая тепло пластине, которая изгибается и размыкает свой контакт 5. Электромагнитное реле отключается и размыкает управляющие контакты 1 и 2. Питание электродвигателя привода через реле прекращается, но стеклоочистители доводятся в первоначальное положение электродвигателем, который отключится через концевой выключатель привода.
По мере остывания, биметаллическая пластина выравнивается, её контакты сближаются и вновь замыкают электрическую цепь. Электромагнитное реле включается и замыкает управляющие контакты 1 и 2. Таким образом, повторяется следующий цикл.
Когда контакты переключателя П-147-04.29, установленным дополнительно в электросхему, находятся в нижнем по схеме положении 1, то привод стеклоочистителей работает в обычном двухскоростном режиме. При переводе контактов переключателя П-147-04.29 в верхнее по схеме положение 2, при каком-нибудь включенном обычном из режимов, привод стеклоочистителей будет включаться периодически, а скоростной режим не измениться. Одно движение стеклоочистителей через паузу в 3 секунды.
Если в разрез синего провода, который находится в корпусе реле РС-514 установить потенциометр, то количество движений стеклоочистителей до паузы можно увеличить. Общее электрическое сопротивление нагревателя в таком случае увеличится, а значит и время его нагрева увеличится соответственно. Регулятор яркости подсветки панели приборов от тех же ВАЗ-2106 в предлагаемом варианте подходит по своему сопротивлению, которое находится в пределах 5 ом.
Дополнительный световой индикатор установили между красным и жёлтым проводом реле РС-514. Индикатор указывает на то, что на реле РС-514 подаётся бортовое напряжение, и при отключенном приводе стеклоочистителей контакты переключателя П-147-04.29 необходимо перевести в нижнее по схеме положение 1 из-за возможного повреждения нагревателя термоконтакта. Это лишь одно неудобство.
vesyolyikarandashik.ru