Блок Фокуса с обозначением компонентовНазначение деталей блока
Электрическая схема автомобилей Форд Фокус 1, 2, 3, 4, Форд Транзит, Форд Скорпио включает в себя множество различных узлов.
Основными компонентами, питающими сеть электрооборудования, являются, как известно, аккумулятор и генераторное устройство.
Система зажигания устроена таким образом, что передача искры для воспламенения горючей смеси осуществляется по высоковольтным проводам. Ниже вы сможете найти схемы и обозначения основных узлов.
Как и любой другой автомобиль, Форд Мондео 1, Фокус 1, 2, 3, 4, рестайлинг оборудуется блоком предохранителей, элементы которого позволяют защитить электрооборудование авто от скачков напряжения. Но помимо основного БП, Фокус 4, 3 или любой другой также оснащается еще одним блоком, в котором установлены реле.
Электросхема блока с релеОбозначение реле
Без системы зажигания запустить двигатель не получится, поэтому предлагаем ознакомиться со схемой ее подключения и обозначения основных компонентов.
Система зажигания Форд Фокус 1,2 3, 4
Также следует выделить ЭСУД — электронную систему управления мотором.
Система управления двигателем и обозначение основных узлов и элементов
Не менее важным моментом, с которым должен быть знаком любой фокусовод, является схема подключения генераторного устройства. Как сказано выше, от функционирования этого девайса зависит многое, поэтому знать о его подключении в любом случае нужно.
Схема подключения генератора и обозначение элементов
Ниже приведены основные неисправности, которые проявляются в работе электроники Форд Фокус 3, 4, 2, 1:
Что необходимо знать об электросети:
Загрузка …
Подробная инструкция касательно подключения системы круиз-контроля к бортовой сети представлена на видео ниже (автор ролика — lipan48).
Источник: http://AvtoZam.com/ford/focus/shema-elektroprovodki/

Всем привет! Недавно у моего федоса заклинило замок зажигания, т.е. ключ не повораливался ни в одно положение, а случилось это как всегда в неподходящий момент — перед ночной сменой и далековато от дома, причем в таком месте, где я бы точно авто не оставил ночевать. В итоге пару часов заливания вд-40 и тыркания замка ключом + танцы с бубном не привели ни к чему.
Дрель не было возможности подключить и поэтому в итоге я вызвал эвакуатор и доехал до дома не совсем так, как бы хотелось. На следующий день, выспавшись после ночной смены, почитав форум, я понял, что выход 1 сверлить личинку и заказывать новую. Ну и пошел высверливать личинку. Кожух рулевой у меня уже был снят, после вчерашних танцев с бубном.
Так что главное, что оставалось не забыть, это отщелкнуть контактную группу замка зажигания с другой стороны. Поначалу старался сверлить аккуратно, потихоньку, постоянно пробуя вытащить личинку, она не поддавалась, далее посмотрев фотки на синем форуме, понял что бояться нечего, нужно рассверливать намного больше, главное на глубину стараться не длинее ключа зажигания.
В итоге вышло вот что
Zoom
разобрал, чтоб хоть частично знать, как собирать обратно)
Далее пару дней ездил вот так
Zoom
ну только конечно же все кроме личинки собрал на место и кожух тоже прикрутил на место
И вот пришел ремкомплект личинки 5034072
Как оказалось в нем 40 пластинок с номерами 1-5 и 11-15 по 4 шт каждой. И путем перебора стал подбирать 10 пластинок. Размечтался, думал, что получил аж 4 комплекта пластинок, но не тут то было, оказалось 5 и 11 номера не потребовались, а 13 и 2 использовал по 2 раза. Подбирал по двум имеющимся ключам. Как оказалось, основном ключ был более изношен, чем запасной.
Zoom
фото с запасным ключом
Zoom
фото с основным ключом
Заметно, что пару пластин все таки немного выставляются, попробовал вставить, покрутить, личинка крутится с обоими ключами, но все таки не хотелось повторять опыт и я немного подточил пластины
Далее смазываем все силиконовой смазкой и начинаем собирать
Zoom
вставляем пластиковый крест сюда
Стопорное кольцо я рано одел на личинку, т.к. не знал правильной последовательности сборки, оно дальше помешает.
Zoom
примерил. это будет стоять здесь, но позже
Далее одеваем все оставшиеся запчасти( не забыв во внутрь вставить кольцо со скважиной под ключ)
Вставляем ключ и поворачиваем в первое положение и вставляем блокиратор, из за которого по идее личинка и не вытаскивается из замка.
И сбоку вставляем пружинку блокиратора, главное просунуть ее через сам блокиратор.
Zoom
пружинка блокиратора
Важно вставить пружинку так, что бы она его отталкивала от личинки, иначе(проверенно опытным путем) блокиратор частично будет мешать личинке крутиться и не давать повернуть ключ в третье положение. А вот теперь в конце нужно одеть стопорное кольцо.
Еще раз все смазываем силиконовой смазкой, проверяем хорошо ли ключ поворачивается, ставим его в первое положение, проверяем, чтоб в самом замке зажигания не было никакой грязи, а еще лучше смазываем и его силиконовой смазкой.
Поворачиваем ключ в первое положение, вставляем личинку в замок и все авто снова заводится с ключа, а не отверткой)
Ну все, всем удачи! А тем у кого ключ слегка заедает, советую достать личинку пока не поздно, и самое малое и беззатратное что можно сделать, это подточить пластины, чтоб где нибудь в неподходящем месте и в неподходящее время не встать как я.
Price tag: 2 600 ₽ Mileage 187500 km
Источник: https://www.drive2.com/l/9915293/
29.06.2016
Большинство цепей питания электрооборудования автомобиля защищено плавкими предохранителями. Мощные потребители тока подключены через реле.
Предохранители и реле установлены в монтажных блоках, которые находятся в салоне под приборной панелью с правой стороны и в подкапотном пространстве рядом с аккумулятором.
Замена предохранителей осуществляется специальным пинцетом, который находится на внутренней стороне крышки блока предохранителей моторного отсека, большие предохранители заменяем рукой. Рукой также меняются реле. Не заменяйте предохранители рассчитанные на другую силу тока.
Один блок предохранителей и реле Ford Focus 2 находится под крышкой капота (цифра 8):
Для доступа к предохранителям и реле потяните за рычажок в задней части блока и снимите крышку.
На внутренней стороне крышки блока расположен пинцет для извлечения предохранителей и нанесена схема расположения предохранителей и реле.
Схема расположения предохранителей и реле в монтажном блоке моторного отсека.
Расшифровка реле и предохранителей:
| Обозначения | Назначение |
| F1 40 А | Электрический двигатель вентилятора системы охлаждения |
| F2 80 А | Усилитель руля (где находится предохранитель на электро гур на форд фокус 2) |
| F3 60 А | Монтажный блок реле и предохранителей в салоне |
| F4 60 А | Монтажный блок реле и предохранителей в салоне |
| F5 80 А | Кондиционер с ручным или автоматическим управлением |
| F6 60 А | Резерв |
| F7 30 А | Насос гидравлического блока АБС |
| F8 20 А | Клапаны гидравлического блока АБС |
| F9 20 А | Контакты и обмотка главного реле |
| F10 30 А | Электрический двигатель вентилятора отопителя (предохранитель печки) |
| F11 20 А | Выключатель зажигания |
| F12 40 А | Силовая цепь реле зажигания |
| F13 20 А | Стартер |
| F14 40 А | Обогрев ветрового стекла — правый элемент |
| F15 30 А | Реле вентилятора системы охлаждения |
| F16 40 А | Левый элемент обогрева ветрового стекла |
| F17 30 А | Резерв |
| F18 | Резерв |
| F19 10 А | Блок управления системы АБС |
| F20 15 А | Звуковой сигнал |
| F21 20 А | Дополнительный отопитель |
| F22 (10) | Блок управления усилителем рулевого управления |
| F23 (30) | Насос омывателя фар |
| F24 (15) | Резерв |
| F25 (10) | Обмотка реле обогрева ветрового стекла |
| F26 (10) | Автоматическая коробка передач |
| F27 (10) | Муфта компрессора кондиционера |
| F28 (10) | Резерв |
| F29 (10) | Система раздельного климат-контроля |
| F30 (3) | Блок управления двигателем, блок управления автоматической коробкой передач |
| F31 (10) | Система зарядки аккумуляторной батареи |
| F32 (10) | Блок управления автоматической коробкой передач, датчик положения селектора |
| F33 (10) | Подогрев датчиков концентрации кислорода |
| F34 (10) | Форсунки, катушка зажигания |
| F35 (10) | Система управления двигателем |
| F36 (10) | Блок управления двигателем |
| Обозначение | Наименование |
| R1 (для некоторых моделей) | Реле включения запрещения запуска |
| R2 | Реле звукового сигнала |
| R3 (для некоторых моделей) | Реле фонарей заднего хода |
| R4 (не используется) | — |
| R5 (для некоторых моделей) | Реле системы рециркуляции ОГ (EGR) — для бензиновых двигателей Реле нагревателя топлива — дизель |
| R6 | Основное реле |
| R7 | Реле обогревателя ветрового стекла |
| R8 | Реле зажигания |
| R9 | Реле омывателя фар |
| R10 | Реле вентилятора отопителя |
| R11 | Реле компрессора кондиционера |
| R12 (для некоторых моделей) — реле электродвигателя вентилятора системы охлаждения, реле свечей накаливания — дизель | |
| R13 | Реле стартера |
| R14 | Реле вентилятора системы охлаждения. Электрический двигатель вентилятора |
Блок предохранителей в салоне Ford Focus 2 (рестайлинг и дорестайлинг).
Расположен под вещевым ящиком. Для доступа к предохранителям (дорейсталинг), потяните вниз два фиксатора и снимите защитный кожух.
Затем поверните фиксатор и опустите салонный блок предохранителей вниз.
Монтажный блок реле и предохранителей в салоне Ford Focus 2 до 2007 года (дорестайлинг)
Расшифровка предохранителей:
| № | Ампер | Распиновка |
| 37 | 10 | Дальний свет фар, левая сторона |
| 38 | 10 | Дальний свет фар, правая сторона |
| 39 | 20 | предохранитель прикуривателя ford focus 2, задняя электрическая розетка |
| 40 | 20 | Электрический привод люка |
| 41 | 20 | Модуль электрооборудования двери переднего пассажира |
| 42 | 7,5 | Электрический обогреватель зеркал заднего вида |
| 43 | 10 | Электронные модули (питание от аккумулятора) |
| 44 | 10 | Колодка канала информационной связи |
| 45 | 10 | Ходовые огни — габариты |
| 46 | 10 | Панель приборов (питание от аккумулятора), основной блок плавких предохранителей |
| 47 | 15 | Насос стеклоомывателя, подогреваемые жиклеры стеклоомывателя |
| 48 | 20 | Фары ближнего света, наружное освещение для движения в дневное время |
| 49 | 15 | Выключатель освещения (питание от аккумуляторной батареи) |
| 50 | 20 | Очиститель ветрового стекла |
| 51 | 15 | Топливный насос (предохранитель бензонасоса) |
| 52 | 25 | Электрический обогреватель заднего стекла |
| 53 | 7,5 | Стояночные огни, габаритные фонари, левая сторона кузова |
| 54 | 7,5 | Стояночные огни, габаритные фонари, правая сторона кузова |
| 55 | 20 | Центральный замок, модуль электрооборудования двери водителя |
| 56 | 20 | Система Кеу Fгее |
| 57 | 10 | Электрический привод складывания наружных зеркал или датчик определения степени заряда аккумуляторной батареи |
| 58 | 15 | Модули музыкальной системы (питание от аккумуляторной батареи) |
| 59 | 20 | Модуль управления электрооборудованием прицепа |
| 60 | 15 | Ближний свет фар (правая сторона) |
| 61 | 15 | Ближний свет фар (левая сторона) |
| 62 | 20 | Электрический привод регулировки сиденья водителя |
| 63 | 25 | Электростеклоподъемники |
| 64 | — | — |
| 65 | 10 | Модуль подушек безопасности |
| 66 | 7,5 | Выключатель освещения (подача питания от замка зажигания) |
| 67 | 10 | Панель приборов (подача питания от замка зажигания), иммобилайзер двигателя |
| 68 | 7,5 | Дополнительные элементы на панели приборов |
| 69 | 20 | Передние и задние противотуманные фары |
| 70 | 10 | Электронные модули (подача питания от замка зажигания) |
| 71 | 10 | Наружное освещение для движения в дневное время |
| 72 | — | — |
| 73 | 7,5 | Фонарь освещения номерного знака |
| 74 | 15 | стоп-сигналы |
| 75 | 10 | Блок управления силовым агрегатом |
| 76 | — | — |
| 77 | 25 | Реле системы центрального замка |
| 78 | 15 | Очиститель заднего стекла |
| 79 | 15 | Электрическая розетка в багажнике |
| 80 | 10 | Таймер отключения освещения салона с целью экономии аккумулятора |
| 81 | 20 | Модуль электрического оборудования двери (правой задней) |
| 82 | 20 | Модуль электрического оборудования двери (левой задней) |
| 83 | 10 | Модули аудиосистемы (“Высокого класса”) — магнитола |
| 84 | 10 | Фонари заднего хода, питание электрического оборудования прицепа от замка зажигания |
| 85 | 10 | Блок электрического оборудования системы охлаждения |
| 86 | 20 | Электрообогрев передних сидений |
Для того чтобы добраться до предохранителей моделей рестайлинг, нужно повернуть против часовой стрелки два фиксатора и, сдвинув монтажный блок на себя, опустить его.
Схема расположения предохранителей в салонном блоке моделей после 2007 года выпуска (рестайлинг)
*R19 — реле топливного насоса
Назначение и описание предохранителей:
| Номера предохранителей | Сила тока, А | Защищаемые цепи |
| 100 | 10 | Электронные модули (питание от замка зажигания) |
| 101 | 20 | Блок управления приводом вентиляционного люка, сиденье водителя с электроприводом, блок управления приводом крыши (только для а/м со съемной крышей) |
| 102 | 10 | Регулятор отопителя, рулевая колонка, фильтр твердых продуктов сгорания дизельного топлива, приемник системы дистанционного управления |
| 103 | 10 | Питание органов управления внешним освещением от аккумуляторной батареи |
| 104 | 10 | Система экономии электроэнергии, плафоны внутреннего освещения |
| 105 | 25 | Обогреватель заднего стекла |
| 106 | 20 | Система управления без ключа |
| 107 | 10 | Батарейное питание комбинации приборов, бортовая диагностика |
| 108 | 7,5 | Дополнительные функции комбинации приборов (аудиосистема и система навигации), магнитола |
| 109 | 20 | Прикуриватель, дополнительная электрическая розетка сзади |
| 110 | 10 | Питание переключателя системы наружного освещения в дневное время от генератора |
| 111 | 15 | Топливный насос (только варианты с бензиновым двигателем) |
| 112 | 15 | Модули аудиосистемы (питание от аккумуляторной батареи) |
| 113 | 10 | Лампы наружного освещения в дневное время (подфарники) |
| 114 | 10 | Питание комбинации приборов от генератора, иммобилайзер двигателя |
| 115 | 7,5 | Питание органов управления внешним освещением от генератора |
| 116 | 20 | Противотуманные фары/ фонари |
| 117 | 7,5 | Фонарь освещения номерного знака |
| 118 | 20 | Модуль электрооборудования двери (левой задней) |
| 119 | 15 | Дополнительное гнездо питания в багажном отделении |
| 119 | 25 | Дополнительное гнездо питания в багажном отделении (автомобили с модулем буксировки прицепа) |
| 120 | 20 | Модуль электрооборудования двери (правой задней) |
| 121 | 20 | обогрев передних сидений |
| 122 | 10 | Модуль подушки безопасности |
| 123 | 7,5 | Обогреватель наружных зеркал заднего вида |
| 124 | 7,5 | Задние и передние габаритные огни, стоп-сигналы (левая сторона) |
| 125 | 7,5 | Задние и передние габаритные огни, стоп-сигналы (правая сторона) |
| 126 | 20 | Система управления без ключа |
| 127 | 25 | Электрические стеклоподъемники |
| 128 | — | Не используется |
| 129 | 20 | Очиститель ветрового стекла |
| 130 | — | Не используется |
| 131 | 15 | Очиститель заднего стекла |
| 132 | 15 | Стоп-сигналы |
| 133 | 25 | Реле центральной системы блокировки, модуль двери пассажира |
| 134 | 20 | Система централизованной блокировки замков, модуль электрооборудования двери водителя |
| 135 | 20 | Подсветка при движении в светлое время |
| 136 | 15 | Насос стеклоомывателя, подогреваемые жиклеры стеклоомывателя |
| 137 | 10 | Динамик включения аварийного батарейного питания |
| 138 | 10 | Блок управления силовым агрегатом, педаль акселератора, автоматическая трансмиссия |
| 139 | 10 | Дальний свет фар, правая сторона |
| 140 | 10 | Дальний свет фар, левая сторона |
| 141 | 10 | Фонарь заднего хода, зеркала заднего вида с электроприводом |
| 142 | 15 | Ближний свет фар (правая сторона) |
| 143 | 15 | Ближний свет фар (левая сторона) |
Главное реле расположено в монтажном блоке моторного отсека.
*Реле R6 — реле системы управления двигателем.
**Предохранителя багажника или замка открывания багажного отсека у автомобилей Ford Focus 2 нет.
Расположение электронных компонентов в салоне и моторном отсеке Ford Focus 2.
Расшифровка:
| 1 | Электронным блок управления кондиционером |
| 2 | Датчик температуры воздуха подаваемого из вентиляционной решетки приборной панели |
| 3 | Датчик удара (SRS) |
| 4 | Датчик удара SRS, со стороны водителя |
| 5 | Датчик удара SRS, со стороны пассажира |
| 6 | Звуковой сигнал противоугонной системы |
| 7 | Датчик солнечного света |
| 8 | Дополнительный отопитель-электрический |
| 9 | Дополнительный отопитель-топливный |
| 10 | Аккумуляторная батарея |
| 11 | Диагностический разъем (DLC) |
| 12 | Блок управления электрооборудованием двери водителя-в двери |
| 13 | Блок управления электрооборудованием левой задней двери-в двери |
| 14 | Блок управления электрооборудованием двери пассажира-в двери |
| 15 | Блок управления электрооборудованием правой задней двери- в двери |
| 16 | Блок управления электродвигателем вентилятора системы охлаждения |
| 17 | Блок управления подачей присадки |
| 18 | Блок предохранителей/реле, моторный отсек |
| 19 | Блок предохранителей/реле приборная панель |
| 20 | Резистор электродвигателя вентилятора отопителя-около электродвигателя вентилятора отопителя |
| 21 | Звуковой сигнал |
| 22 | Кольцевая антенна иммобилайзера |
| 23 | Реле указателей поворота -в переключателе указателей поворота |
| 24 | Инерционный выключатель отсечки подачи топлива |
| 25 | Блок управления системы keylessentry |
| 26 | Блок управления освещением |
| 27 | Многофункциональный блок управления-в блоке предохранителей/реле приборной панели-функции: Система кондиционирования, противоугонная система, дополнительный обогреватель-электрический, центральный замок, обогреватель лобового стекла, лампы освещения салона, очиститель/омыватель лобового стекла |
| 28 | Блок управления навигационной системой |
| 29 | Блок управления системой парковки |
| 30 | Блок управления стояночным тормозом |
| 31 | Электронный блок управления SRS |
| 32 | Э/м клапан замка рулевой колонки |
| 33 | Датчик положения рулевого колеса |
| 34 | Электронный блок управления КПП |
| 35 | Датчик дождя (очиститель лобового стекла) |
Снятие и установка блока предохранителей Ford Focus 2.
Источник: https://base-ex.com/predohraniteli-i-rele-ford-focus-2
kip-pribor.ru
Ремонтируй сам — сайт о ремонте автомобилей своими руками, руководства, инструкции
В процессе эксплуатации муфту привода не нужно смазывать. Ford Focus III Какие амортизаторы лучше поставить на Форд Фокус 3? комплект 2 шт. Ford Focus Установка зажигания Форд Фокус Замена задней ступицы Форд Фокус 2 своими руками с фото и. Топливный фильтр на Форд Фокус 2 – меняем без автосервиса. Нужна распиновка проводов замка зажигания Ford Focus № 2948929. Однако необходимо очистить ее от грязи. Топливный фильтр Форд Фокус 2 – как найти и поменять Не применяйте для очистки привода средства, которые могут вымыть заложенную в его муфту смазку.
30. Распиновка замка зажигания Форд Мондео 1. Размеры дисков для Фокуса 2 — Форд Фокус Клуб / Ford Focus Club Смажьте моторным маслом подшипники (втулки) в крышках стартера.
31. [yes] замена задней ступицы форд фокус 2 — 8 ответов Соберите стартер и все демонтированные узлы в последовательности, обратной снятию.
ВЫКЛЮЧАТЕЛЬ (ЗАМОК) ЗАЖИГАНИЯ
Выключатель (замок) зажигания с механическим запорным устройством и электрической контактной частью расположен с правой стороны рулевой колонки под рулевым колесом. Пора менять – как определить срок замены фильтра? Основной топливный фильтр в Форд Фокус 2 расположен в баке автомобиля. Электрическая контактная часть выключателя и запорное устройство связаны друг с другом, работают синхронно и приводятся в действие ключом зажигания.
Проверка выключателя (замка) зажигания
У выключателя зажигания проверяют правильность замыкания контактов при различных положениях ключа и работу противоугонного устройства. Форд рекомендует менять передние тормозные диски Фокус 2 при достижении толщины в 23мм, а задние при 9мм. Распиновка проводов замка зажигания Ford focus 2 +. ЭЛЕКТРОСХЕМА ФОРД ФОКУС 2 — СХЕМА ЭЛЕКТРООБОРУДОВАНИЯ Ford Focus 2 задняя ступица снять замена ремонт Форд Фокус 2 Для проверки контактной группы воспользуйтесь тестером в режиме «прозвонки» цепи: в каждом положении ключа в замке проверьте по схеме электрооборудования правильность замыкания контактов выключателя (замка).
Ford Focus 2005 Europe Focus C-MAX 1.6L Duratorq TDCi (90PS) — DV6 не включается зажигание, не работает стартер. 1:42
Видеоинструкция как отремонтировать заклинивший замок зажигания Форд Фокус 2, Форд Фокус 3 .
Замена контактной группы выключателя (замка) зажигания
Вам потребуется отвертка с крестообразным лезвием.
1. Михаил: Подскажите какие амортизаторы взамен оригиналу поставить на форд фокус 2 универсал. Перед тем как установить новый датчик АБС на Форд Фокус 2 рекомендую смазать посадочное гнездо графитной. Какие размеры дисков подходят для Форд Фокус 2 следует знать каждому водителю данного автомобиля. Замена заднего ступичного подшипника Форд Фокус 2 Отсоедините провод от клеммы «минус» аккумуляторной батареи.

2. Нужна распиновка проводов замка зажигания Форд Фокус. Снимите верхнюю.


4. Снятие, замена, установка задней ступицы Форд Фокус 2 (Ford Focus II) 2008-2011. Отожмите фиксаторы.

5. . и отведите контактную группу от выключателя зажигания.

б. Сожмите фиксатор.

7. . отсоедините колодку жгута проводов и снимите контактную группу.
8. Форд Фокус 2 выдаёт ошибки и не заводится — Установите детали в порядке, обратном снятию.
Замена цилиндра выключателя (замка) зажигания
Вам потребуются: отвертка с плоским лезвием и штифт диаметром 2 мм.
1. Нужна распиновка проводов замка зажигания — Форум Автосервис Ford. Отсоедините провод от клеммы «минус» аккумуляторной батареи.

2. Снимите верхнюю.


4. Эксперты советуют менять топливный фильтр на вашем Форд Фокус 2 при первых проявлениях некорректного поведения машины. Запчасти ищу на Форд фокус 2 седан Отожмите отверткой фиксатор антенного блока иммобилизатора.
Рулевое колесо, подрулевые переключатели и соединитель для наглядности сняты.

5. . и отведите блок в сторону, не отсоединяя от него провод.
Дальнейшие операции для наглядности показаны на снятом выключателе (замке) зажигания.
avto-melvin.ru
Ремонтируй сам — сайт о ремонте автомобилей своими руками, руководства, инструкции
В процессе эксплуатации муфту привода не нужно смазывать. Ford Focus III Какие амортизаторы лучше поставить на Форд Фокус 3? комплект 2 шт. Ford Focus Установка зажигания Форд Фокус Замена задней ступицы Форд Фокус 2 своими руками с фото и. Топливный фильтр на Форд Фокус 2 – меняем без автосервиса. Нужна распиновка проводов замка зажигания Ford Focus № 2948929. Однако необходимо очистить ее от грязи. Топливный фильтр Форд Фокус 2 – как найти и поменять Не применяйте для очистки привода средства, которые могут вымыть заложенную в его муфту смазку.
30. Распиновка замка зажигания Форд Мондео 1. Размеры дисков для Фокуса 2 — Форд Фокус Клуб / Ford Focus Club Смажьте моторным маслом подшипники (втулки) в крышках стартера.
31. [yes] замена задней ступицы форд фокус 2 — 8 ответов Соберите стартер и все демонтированные узлы в последовательности, обратной снятию.
ВЫКЛЮЧАТЕЛЬ (ЗАМОК) ЗАЖИГАНИЯ
Выключатель (замок) зажигания с механическим запорным устройством и электрической контактной частью расположен с правой стороны рулевой колонки под рулевым колесом. Пора менять – как определить срок замены фильтра? Основной топливный фильтр в Форд Фокус 2 расположен в баке автомобиля. Электрическая контактная часть выключателя и запорное устройство связаны друг с другом, работают синхронно и приводятся в действие ключом зажигания.
Проверка выключателя (замка) зажигания
У выключателя зажигания проверяют правильность замыкания контактов при различных положениях ключа и работу противоугонного устройства. Форд рекомендует менять передние тормозные диски Фокус 2 при достижении толщины в 23мм, а задние при 9мм. Распиновка проводов замка зажигания Ford focus 2 +. ЭЛЕКТРОСХЕМА ФОРД ФОКУС 2 — СХЕМА ЭЛЕКТРООБОРУДОВАНИЯ Ford Focus 2 задняя ступица снять замена ремонт Форд Фокус 2 Для проверки контактной группы воспользуйтесь тестером в режиме «прозвонки» цепи: в каждом положении ключа в замке проверьте по схеме электрооборудования правильность замыкания контактов выключателя (замка).
Ford Focus 2005 Europe Focus C-MAX 1.6L Duratorq TDCi (90PS) — DV6 не включается зажигание, не работает стартер. 1:42
Видеоинструкция как отремонтировать заклинивший замок зажигания Форд Фокус 2, Форд Фокус 3 .
Замена контактной группы выключателя (замка) зажигания
Вам потребуется отвертка с крестообразным лезвием.
1. Михаил: Подскажите какие амортизаторы взамен оригиналу поставить на форд фокус 2 универсал. Перед тем как установить новый датчик АБС на Форд Фокус 2 рекомендую смазать посадочное гнездо графитной. Какие размеры дисков подходят для Форд Фокус 2 следует знать каждому водителю данного автомобиля. Замена заднего ступичного подшипника Форд Фокус 2 Отсоедините провод от клеммы «минус» аккумуляторной батареи.

2. Нужна распиновка проводов замка зажигания Форд Фокус. Снимите верхнюю.


4. Снятие, замена, установка задней ступицы Форд Фокус 2 (Ford Focus II) 2008-2011. Отожмите фиксаторы.

5. . и отведите контактную группу от выключателя зажигания.

б. Сожмите фиксатор.

7. . отсоедините колодку жгута проводов и снимите контактную группу.
8. Форд Фокус 2 выдаёт ошибки и не заводится — Установите детали в порядке, обратном снятию.
Замена цилиндра выключателя (замка) зажигания
Вам потребуются: отвертка с плоским лезвием и штифт диаметром 2 мм.
1. Нужна распиновка проводов замка зажигания — Форум Автосервис Ford. Отсоедините провод от клеммы «минус» аккумуляторной батареи.

2. Снимите верхнюю.


4. Эксперты советуют менять топливный фильтр на вашем Форд Фокус 2 при первых проявлениях некорректного поведения машины. Запчасти ищу на Форд фокус 2 седан Отожмите отверткой фиксатор антенного блока иммобилизатора.
Рулевое колесо, подрулевые переключатели и соединитель для наглядности сняты.

5. . и отведите блок в сторону, не отсоединяя от него провод.
Дальнейшие операции для наглядности показаны на снятом выключателе (замке) зажигания.
avto-melvin.ru
| Цепь | Цвет провода | Полярность | Расположение |
| Масса | Черный | — | Блок предохранителей, нижний разъем |
| Питание +12 | Красный толстый | + | Блок предохранителей, зеленый разъем |
| Красный | + | Замок зажигания | |
| Зажигание 1 | Зелено белый | + | Блок предохранителей |
| Зелено желтый | + | Замок зажигания | |
| Аксессуары (АСС) | Желтый | + | Замок зажигания |
| Стартер | Серо черный | + | Горизонтальный жгут за бардачком (его же можно использовать для блокировки стартера) |
| Серо красный | + | Замок зажигания | |
| Габариты | Оранжево черный (,Бывает оранжево желтый) | + | Переключатель света |
| Поворотники 1 | Синий (где-то сине белый) | + | Блок предохранителей, зеленый разъем |
| Поворотники 2 | Сине красный | + | Блок предохранителей, зеленый разъем |
| Ц.З. (открыть) | Черно оранжевый | — | Блок предохранителей, оранжевый маленький разъем. |
| Ц.З. (закрыть) | Черно зеленый | — | |
| Концевик багажник | Черно красный | + | |
| Концевик двери водителя | Черно оранжевый | + | |
| Концевик передней правой двери | Черно синий | + | |
| Концевик задней левой двери | Черно желтый | + | |
| Концевик задней правой двери | Черно зеленый | + | |
| Открытие багажника | Черно желтый | — | |
| Концевик капота (если нет, ставим свой) | Черно желтый | + | Блок предо |
motorsmarine.ru
| цитата: |
| значит никакого моста в приборке нет и шины никак не связаны между собой. |
Общая информация
В модуле системы обмена данных ( в системе шины данных) модули различных систем соединены друг с другом через один или несколько проводов.
Система шины данных существует для того, чтобы передавать данные между присоединенными модулями, а также между присоединенными модулями иобщей системой диагностики (WDS ).
Вместо простых команд ВКЛ/ВЫКЛ в системе шины данных предаются комплектные блоки данных. Такие блоки данных содержат наряду с собственно информацией также данные об адресах модулей, к которым производится обращение, размер блока, а также информацию для контроля содержания каждого отдельного блока данных.
Системы шин данных дают следующие преимущества:
простой обмен данными между модулями посредством стандартизированного протокола
меньшее число датчиков и разъемов
возможность улучшения диагностики
более низкую стоимость
Через стандартный 16-полюсный разъем (DLC) WDS (соединяется) с различными системами шин данных и питанием. Через DLC сигнал передается при программировании модуля.
Если у системы шин данных обрываются один или несколько проводов или имеет место короткое замыкание на массу или появляется напряжение, связь между модулями и с ( WDS ) нарушается или исчезает полностью.
Чтобы восстановить связь между собой, модули отдельных систем должны общаться на одном языке. Такой язык называется протоколом.
Компания Ford в настоящее время применяет четыре различных системы шин данных. В зависимости от модели автомобиля и его оборудования применяются все три системы. Каждая из систем шин данных имеет свой собственный протокол.
Системы шин данных:
шина Standard Corporate Protocol (SCP). Эта шина имеет два витых провода. Шина служит для связи между прибора управления силовым агрегатом (PCM) и (WDS) через DLC. Для программирования PCM в зависимости от марки двигателя и года его выпуска применяется третий кабель, ACP-шина. Эта шина применяется исключительно вместе с SCP-шиной.
шина стандарта ISO 9141 Международной организации по стандартизации. Эта шина состоит из отдельного провода и служит исключительно для связи между модулями и WDS. Через шину стандарта ISO 9141 считываются данные различных накопителей неисправностей.
Шина LIN (Local Interconnect Network) является стандартом экономичной связи между интеллектуальными датчиками и исполнительными устройствами автомобиля. подсеть управляющих устройств (LIN) повсеместно применяется там, где не требуется диапазон и универсальность шины CAN. Спецификация LIN содержит в себе протокол LIN – единый формат для описания общей сети LIN и интерфейс между LIN и приложением. LIN состоит из задающего модуля LIN и одного или нескольких исполнительных модулей LIN. Для управления доступом к шине LIN использует принцип «Задающий модуль-Исполнительный модуль (Master-Slave)». Решающее преимущество этого принципа заключается в том, что в исполнительном модуле для работы с шиной требуются незначительные ресурсы (производительность центрального процессора, ROM, RAM). Задающий модуль реализуется в управляющем модуле или шлюзе, которые имеют необходимые для этого ресурсы. Любая связь инициируется задающим модулем. Поэтому сообщение всегда состоит из заголовка, который создает задающий модуль, и ответа исполнительного модуля. Скорость передачи данных составляет до 20 Кбит/с. Задающее устройство LIN располагает информацией о временной последовательности всех передаваемых данных. Эти данные передаются от соответствующего исполнительного модуля LIN (например, от ультразвуковых датчиков), если их запрашивают у задающего устройства LIN. LIN является однопроводной шиной, т.е. данные передаются только по одной жиле кабеля. Обычно по этому же кабелю подается питающее напряжение. Масса питающего напряжения является одновременно массой линии передачи данных. В шине LIN не применяются нагрузочные резисторы.
Шина Controller Area Network (CAN) Эта шина состоит из двух витых проводов и работает последовательно (данные переносятся друг за другом). Шина служит для связи модулей между собой, а также для связи между модулями и WDS. Модули присоединены к шине последовательно. Здесь могут легко присоединяться новые модули, без изменения прокладки кабелей. Передаваемые данные принимаются каждым модулем, подключенным к CAN (сети управляющих устройств). Так как каждый пакет данных имеет идентификатор, в котором наряду с обозначением содержания устанавливается также приоритет сообщения, каждый модуль может определить, являются ли данные важными для самой обработки информации. Благодаря этому несколько модулей одновременно могут работать с одним пакетом данных и получать данные. При этом обеспечивается ситуация, при которой важные данные (например, от антиблокировочной системы (ABS)) направляются в первую очередь. Другие модули могут передавать данные на шину данных только в том случае, если информация пришла с высоким приоритетом.
Для обеспечения высокой помехоустойчивости на шине (CAN) установлены два нагрузочных резистора сопротивлением 120 Ом. Указанные резисторы установлены в первом модуле присоединенном к шине CAN и последнем модуле, присоединенном к шине CAN, и применяются для устранения помех, а также для снятия пиков напряжения. Для обеспечения надежной работы системы шин данных модули должны присоединяться с встроенным нагрузочным сопротивлением.
Преимуществами CAN-шины являются:
минимизация затрат на разводку кабелей.
высокая помехозащищенность (защищенность от неисправностей/отказов).
прочность.
возможность расширения.
выстраивание приоритетов информации.
низкая стоимость.
автоматическое повторение поврежденной информации.
самостоятельный контроль системы и возможность автоматического отключения поврежденных модулей от шины данных.
На автомобилях, изготовленных, начиная с модельного года 2003.75, в зависимости от модели применяется дополнительно и вторая система шин CAN. Эта шина отличается в основном только более низкой скоростью передачи данных и в настоящее время применятся в основном для комфортной электроники. Для возможности различения отдельных систем CAN систему CAN с высокой скоростью передачи данных обозначают как высокоскоростную (HS) CAN, а систему CAN с более низкой скоростью передачи данных обозначают как среднескоростную (MS) CAN. Как у всех систем шин CAN у среднескоростной шины CAN для повышения помехоустойчивости установлены два нагрузочных резистора на 120 Ом. Для осуществления связи между модулями высокоскоростной шины CAN и среднескоростной шины CAN применяется модуль с обеими системами шин данных. Связь обеих систем шин данных обозначается как gateway (шлюз). В таком gateway полученные данные преобразуются в соответствии со скоростью, необходимой для соответствующей шины данных, и передаются дальше. Таким образом достигается оптимальное распределение информации между обеими системами шин данных.
Элементы сети.
На моделях Focus CMax, а также на моделях Focus, изготовленных начиная с модельного года 2005, в зависимости от варианта оснащения применяются две системы шин передачи данных.
Количество модулей, подсоединенных к двум системам шин передачи данных CAN, зависит от варианта оснащения автомобиля.
Модуль (RCM)
1-компакт-диск (CD) — чейнджерУ автомобилей Focus CMax, а также у автомобилей Focus с MY2005 выпуска вследствие возросшего числа модулей и как следствие возросшего объема передаваемых данных применяется вторая CAN-шина (среднескоростная CAN-шина). Указанная шина работает с более низкой скоростью и служит в основном для связи в области комфортной электроники.
Для возможности обмена данными между высокоскоростной и низкоскоростной CAN-шинами применяется gateway. Шлюз служит в качестве интерфейса между обеими системами шин передачи данных CAN и установлен в электронном щитке приборов.
Модули, присоединенные к обеим системам шин данных CAN, зависят от варианта оборудования автомобиля.
В PCM и в электронном щитке приборов установлены соответственно по одному нагрузочному резистору сопротивлением 120 Ом высокоскоростной CAN-шины.
В GEM и в электронном щитке приборов установлены соответственно по одному нагрузочному резистору сопротивлением 120 Ом высокоскоростной CAN-шины.
Указанные нагрузочные сопротивления служат для защиты от помех. Для обеспечения надежной работы системы шин данных модули должны всегда присоединяться с встроенным нагрузочным сопротивлением.
LIN — кабриолет
1-Диагностический разъем DLCffclub.ru
| цитата: |
| значит никакого моста в приборке нет и шины никак не связаны между собой. |
Общая информация
В модуле системы обмена данных ( в системе шины данных) модули различных систем соединены друг с другом через один или несколько проводов.
Система шины данных существует для того, чтобы передавать данные между присоединенными модулями, а также между присоединенными модулями иобщей системой диагностики (WDS ).
Вместо простых команд ВКЛ/ВЫКЛ в системе шины данных предаются комплектные блоки данных. Такие блоки данных содержат наряду с собственно информацией также данные об адресах модулей, к которым производится обращение, размер блока, а также информацию для контроля содержания каждого отдельного блока данных.
Системы шин данных дают следующие преимущества:
простой обмен данными между модулями посредством стандартизированного протокола
меньшее число датчиков и разъемов
возможность улучшения диагностики
более низкую стоимость
Через стандартный 16-полюсный разъем (DLC) WDS (соединяется) с различными системами шин данных и питанием. Через DLC сигнал передается при программировании модуля.
Если у системы шин данных обрываются один или несколько проводов или имеет место короткое замыкание на массу или появляется напряжение, связь между модулями и с ( WDS ) нарушается или исчезает полностью.
Чтобы восстановить связь между собой, модули отдельных систем должны общаться на одном языке. Такой язык называется протоколом.
Компания Ford в настоящее время применяет четыре различных системы шин данных. В зависимости от модели автомобиля и его оборудования применяются все три системы. Каждая из систем шин данных имеет свой собственный протокол.
Системы шин данных:
шина Standard Corporate Protocol (SCP). Эта шина имеет два витых провода. Шина служит для связи между прибора управления силовым агрегатом (PCM) и (WDS) через DLC. Для программирования PCM в зависимости от марки двигателя и года его выпуска применяется третий кабель, ACP-шина. Эта шина применяется исключительно вместе с SCP-шиной.
шина стандарта ISO 9141 Международной организации по стандартизации. Эта шина состоит из отдельного провода и служит исключительно для связи между модулями и WDS. Через шину стандарта ISO 9141 считываются данные различных накопителей неисправностей.
Шина LIN (Local Interconnect Network) является стандартом экономичной связи между интеллектуальными датчиками и исполнительными устройствами автомобиля. подсеть управляющих устройств (LIN) повсеместно применяется там, где не требуется диапазон и универсальность шины CAN. Спецификация LIN содержит в себе протокол LIN – единый формат для описания общей сети LIN и интерфейс между LIN и приложением. LIN состоит из задающего модуля LIN и одного или нескольких исполнительных модулей LIN. Для управления доступом к шине LIN использует принцип «Задающий модуль-Исполнительный модуль (Master-Slave)». Решающее преимущество этого принципа заключается в том, что в исполнительном модуле для работы с шиной требуются незначительные ресурсы (производительность центрального процессора, ROM, RAM). Задающий модуль реализуется в управляющем модуле или шлюзе, которые имеют необходимые для этого ресурсы. Любая связь инициируется задающим модулем. Поэтому сообщение всегда состоит из заголовка, который создает задающий модуль, и ответа исполнительного модуля. Скорость передачи данных составляет до 20 Кбит/с. Задающее устройство LIN располагает информацией о временной последовательности всех передаваемых данных. Эти данные передаются от соответствующего исполнительного модуля LIN (например, от ультразвуковых датчиков), если их запрашивают у задающего устройства LIN. LIN является однопроводной шиной, т.е. данные передаются только по одной жиле кабеля. Обычно по этому же кабелю подается питающее напряжение. Масса питающего напряжения является одновременно массой линии передачи данных. В шине LIN не применяются нагрузочные резисторы.
Шина Controller Area Network (CAN) Эта шина состоит из двух витых проводов и работает последовательно (данные переносятся друг за другом). Шина служит для связи модулей между собой, а также для связи между модулями и WDS. Модули присоединены к шине последовательно. Здесь могут легко присоединяться новые модули, без изменения прокладки кабелей. Передаваемые данные принимаются каждым модулем, подключенным к CAN (сети управляющих устройств). Так как каждый пакет данных имеет идентификатор, в котором наряду с обозначением содержания устанавливается также приоритет сообщения, каждый модуль может определить, являются ли данные важными для самой обработки информации. Благодаря этому несколько модулей одновременно могут работать с одним пакетом данных и получать данные. При этом обеспечивается ситуация, при которой важные данные (например, от антиблокировочной системы (ABS)) направляются в первую очередь. Другие модули могут передавать данные на шину данных только в том случае, если информация пришла с высоким приоритетом.
Для обеспечения высокой помехоустойчивости на шине (CAN) установлены два нагрузочных резистора сопротивлением 120 Ом. Указанные резисторы установлены в первом модуле присоединенном к шине CAN и последнем модуле, присоединенном к шине CAN, и применяются для устранения помех, а также для снятия пиков напряжения. Для обеспечения надежной работы системы шин данных модули должны присоединяться с встроенным нагрузочным сопротивлением.
Преимуществами CAN-шины являются:
минимизация затрат на разводку кабелей.
высокая помехозащищенность (защищенность от неисправностей/отказов).
прочность.
возможность расширения.
выстраивание приоритетов информации.
низкая стоимость.
автоматическое повторение поврежденной информации.
самостоятельный контроль системы и возможность автоматического отключения поврежденных модулей от шины данных.
На автомобилях, изготовленных, начиная с модельного года 2003.75, в зависимости от модели применяется дополнительно и вторая система шин CAN. Эта шина отличается в основном только более низкой скоростью передачи данных и в настоящее время применятся в основном для комфортной электроники. Для возможности различения отдельных систем CAN систему CAN с высокой скоростью передачи данных обозначают как высокоскоростную (HS) CAN, а систему CAN с более низкой скоростью передачи данных обозначают как среднескоростную (MS) CAN. Как у всех систем шин CAN у среднескоростной шины CAN для повышения помехоустойчивости установлены два нагрузочных резистора на 120 Ом. Для осуществления связи между модулями высокоскоростной шины CAN и среднескоростной шины CAN применяется модуль с обеими системами шин данных. Связь обеих систем шин данных обозначается как gateway (шлюз). В таком gateway полученные данные преобразуются в соответствии со скоростью, необходимой для соответствующей шины данных, и передаются дальше. Таким образом достигается оптимальное распределение информации между обеими системами шин данных.
Элементы сети.
На моделях Focus CMax, а также на моделях Focus, изготовленных начиная с модельного года 2005, в зависимости от варианта оснащения применяются две системы шин передачи данных.
Количество модулей, подсоединенных к двум системам шин передачи данных CAN, зависит от варианта оснащения автомобиля.
Модуль (RCM)
1-компакт-диск (CD) — чейнджерУ автомобилей Focus CMax, а также у автомобилей Focus с MY2005 выпуска вследствие возросшего числа модулей и как следствие возросшего объема передаваемых данных применяется вторая CAN-шина (среднескоростная CAN-шина). Указанная шина работает с более низкой скоростью и служит в основном для связи в области комфортной электроники.
Для возможности обмена данными между высокоскоростной и низкоскоростной CAN-шинами применяется gateway. Шлюз служит в качестве интерфейса между обеими системами шин передачи данных CAN и установлен в электронном щитке приборов.
Модули, присоединенные к обеим системам шин данных CAN, зависят от варианта оборудования автомобиля.
В PCM и в электронном щитке приборов установлены соответственно по одному нагрузочному резистору сопротивлением 120 Ом высокоскоростной CAN-шины.
В GEM и в электронном щитке приборов установлены соответственно по одному нагрузочному резистору сопротивлением 120 Ом высокоскоростной CAN-шины.
Указанные нагрузочные сопротивления служат для защиты от помех. Для обеспечения надежной работы системы шин данных модули должны всегда присоединяться с встроенным нагрузочным сопротивлением.
LIN — кабриолет
1-Диагностический разъем DLCffclub.ru
Монтажный блок в моторном отсеке Форд Фокус 2



Монтажный блок в салоне автомобиля


Схема соединений генератора и пуска двигателя

Электронная система управления двигателем Форд Фокус 2


Электросхема зажигания Ford Focus 2

Схема подключения форсунок и вентилятора охлаждения

Блок управления ABS

Схема фар автомобиля



Блок фар с ксенонами


Схема подключения габаритного света

Система автоматического включения габаритов Форд Фокус 2

Схема включения сигналов торможения

Электросхема поворотных фар Форд


РЕМОНТ АВТОЭЛЕКТРОНИКИ ЗАРЯДНЫЕ УСТРОЙСТВА ДЛЯ АКБ
electroshemi.ru
Соединения проводки и электрооборудования автомобиля форд фокус. Для увеличения схемы кликните по ней. Схема соединения стеклоочистителя и стеклоомывателя ветрового стекла

1 — выключатель (замок) зажигания; 2 — монтажный блок реле и предохранителей; 3 — предохранитель 15 А; 4 — реле стеклоочистителя ветрового стекла; 5 — мотор омывателя ветрового стекла; 6 — комбинированный подрулевой переключатель
Схема соединения системы заряда аккумуляторной батареи

1 — электронный блок управления трансмиссией; 2 — монтажный блок предохранителей; 3 — предохранитель 10 А; 4 — предохранитель 15 А; 5 — аккумуляторная батарея; 6 — стартер; 7 — генератор
Схема соединения системы гидропривода тормозной системы

1 — монтажный блок предохранителей; 2 — монтажный блок предохранителей и реле; 3 — регулируемый переключатель педали тормоза; 4 — моторедуктор педали тормоза
Схема соединения системы вентиляции, отопления и кондиционирования воздуха

1, 9 — монтажный блок предохранителей и реле; 2 — предохранитель 30 А; 3 — реле электровентилятора отопителя; 4 — мотор электровентилятора отопителя; 5 — резистор электровентилятора отопителя; 6 — переключатель режимов работы электровентилятора отопителя; 7 — электронный блок управления двигателем и трансмиссией; 8 — комбинация приборов
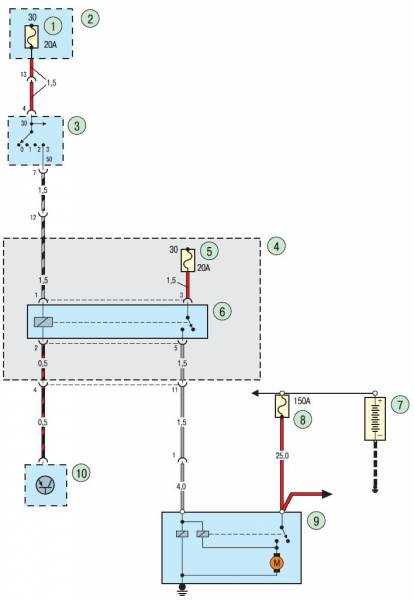
Электросхема соединения системы пуска двигателя форд

1, 5 — предохранитель 20 А; 2, 4 — монтажный блок предохранителей и реле; 3 — выключатель (замок) зажигания; 6 — реле стартера; 7 — аккумуляторная батарея; 8 — плавкая вставка 150 А; 9 — стартер; 10 — электронный блок управления двигателем и трансмиссией
Схема соединения системы контроля скорости

1 — предохранитель 20 А; 2 — монтажный блок предохранителей; 3 — выключатель (замок) зажигания; 4 — монтажный блок предохранителей и реле; 5 — датчик; 6 — переключатель скорости

1 — монтажный блок предохранителей; 2 — предохранитель 20 А; 3 — выключатель (замок) зажигания; 4 — монтажный блок предохранителей и реле; 5 — электронный блок управления двигателем и трансмиссией; 6 — комбинация приборов; 7 — датчик положения педали сцепления; 8 — выключатель на педали тормоза; 9 — блок управления замками дверей (центральный замок)
Электросхема соединения системы кондиционирования воздуха

1 — предохранитель 10 А; 2 — предохранитель 30 А; 3 — монтажный блок предохранителей и реле; 4 — реле электровентилятора; 5 — электровентилятор; 6, 8 — электронный блок управления двигателем и трансмиссией; 7 — датчик температуры охлаждающей жидкости

1 — монтажный блок предохранителей; 2 — предохранитель 50 А; 3 — блок электровентиляторов системы охлаждения; 4, 6 — электронный блок управления двигателем и трансмиссией; 5 — выключатель системы кондиционирования воздуха; 7 — датчик температуры охлаждающей жидкости
Схема соединения системы усилителя рулевого управления

1 — предохранитель 80 А; 2 — предохранитель 10 А; 3 — монтажный блок предохранителей; 4 — комбинация приборов; 5 — модуль электрического усилителя рулевого управления; 6 — датчик положения вала рулевой колонки
Система динамической стабилизации автомобиля форд фокус

1, 3 — электронный модуль системы динамической стабилизации; 2 — датчик угловой скорости; 4 — датчик положения управляемых колес
РЕМОНТ АВТОЭЛЕКТРОНИКИ ЗАРЯДНЫЕ УСТРОЙСТВА ДЛЯ АКБ
electroshemi.ru

Данная модель автомобиля очень распр
motorsmarine.ru
| цитата: |
| значит никакого моста в приборке нет и шины никак не связаны между собой. |
Общая информация
В модуле системы обмена данных ( в системе шины данных) модули различных систем соединены друг с другом через один или несколько проводов.
Система шины данных существует для того, чтобы передавать данные между присоединенными модулями, а также между присоединенными модулями иобщей системой диагностики (WDS ).
Вместо простых команд ВКЛ/ВЫКЛ в системе шины данных предаются комплектные блоки данных. Такие блоки данных содержат наряду с собственно информацией также данные об адресах модулей, к которым производится обращение, размер блока, а также информацию для контроля содержания каждого отдельного блока данных.
Системы шин данных дают следующие преимущества:
простой обмен данными между модулями посредством стандартизированного протокола
меньшее число датчиков и разъемов
возможность улучшения диагностики
более низкую стоимость
Через стандартный 16-полюсный разъем (DLC) WDS (соединяется) с различными системами шин данных и питанием. Через DLC сигнал передается при программировании модуля.
Если у системы шин данных обрываются один или несколько проводов или имеет место короткое замыкание на массу или появляется напряжение, связь между модулями и с ( WDS ) нарушается или исчезает полностью.
Чтобы восстановить связь между собой, модули отдельных систем должны общаться на одном языке. Такой язык называется протоколом.
Компания Ford в настоящее время применяет четыре различных системы шин данных. В зависимости от модели автомобиля и его оборудования применяются все три системы. Каждая из систем шин данных имеет свой собственный протокол.
Системы шин данных:
шина Standard Corporate Protocol (SCP). Эта шина имеет два витых провода. Шина служит для связи между прибора управления силовым агрегатом (PCM) и (WDS) через DLC. Для программирования PCM в зависимости от марки двигателя и года его выпуска применяется третий кабель, ACP-шина. Эта шина применяется исключительно вместе с SCP-шиной.
шина стандарта ISO 9141 Международной организации по стандартизации. Эта шина состоит из отдельного провода и служит исключительно для связи между модулями и WDS. Через шину стандарта ISO 9141 считываются данные различных накопителей неисправностей.
Шина LIN (Local Interconnect Network) является стандартом экономичной связи между интеллектуальными датчиками и исполнительными устройствами автомобиля. подсеть управляющих устройств (LIN) повсеместно применяется там, где не требуется диапазон и универсальность шины CAN. Спецификация LIN содержит в себе протокол LIN – единый формат для описания общей сети LIN и интерфейс между LIN и приложением. LIN состоит из задающего модуля LIN и одного или нескольких исполнительных модулей LIN. Для управления доступом к шине LIN использует принцип «Задающий модуль-Исполнительный модуль (Master-Slave)». Решающее преимущество этого принципа заключается в том, что в исполнительном модуле для работы с шиной требуются незначительные ресурсы (производительность центрального процессора, ROM, RAM). Задающий модуль реализуется в управляющем модуле или шлюзе, которые имеют необходимые для этого ресурсы. Любая связь инициируется задающим модулем. Поэтому сообщение всегда состоит из заголовка, который создает задающий модуль, и ответа исполнительного модуля. Скорость передачи данных составляет до 20 Кбит/с. Задающее устройство LIN располагает информацией о временной последовательности всех передаваемых данных. Эти данные передаются от соответствующего исполнительного модуля LIN (например, от ультразвуковых датчиков), если их запрашивают у задающего устройства LIN. LIN является однопроводной шиной, т.е. данные передаются только по одной жиле кабеля. Обычно по этому же кабелю подается питающее напряжение. Масса питающего напряжения является одновременно массой линии передачи данных. В шине LIN не применяются нагрузочные резисторы.
Шина Controller Area Network (CAN) Эта шина состоит из двух витых проводов и работает последовательно (данные переносятся друг за другом). Шина служит для связи модулей между собой, а также для связи между модулями и WDS. Модули присоединены к шине последовательно. Здесь могут легко присоединяться новые модули, без изменения прокладки кабелей. Передаваемые данные принимаются каждым модулем, подключенным к CAN (сети управляющих устройств). Так как каждый пакет данных имеет идентификатор, в котором наряду с обозначением содержания устанавливается также приоритет сообщения, каждый модуль может определить, являются ли данные важными для самой обработки информации. Благодаря этому несколько модулей одновременно могут работать с одним пакетом данных и получать данные. При этом обеспечивается ситуация, при которой важные данные (например, от антиблокировочной системы (ABS)) направляются в первую очередь. Другие модули могут передавать данные на шину данных только в том случае, если информация пришла с высоким приоритетом.
Для обеспечения высокой помехоустойчивости на шине (CAN) установлены два нагрузочных резистора сопротивлением 120 Ом. Указанные резисторы установлены в первом модуле присоединенном к шине CAN и последнем модуле, присоединенном к шине CAN, и применяются для устранения помех, а также для снятия пиков напряжения. Для обеспечения надежной работы системы шин данных модули должны присоединяться с встроенным нагрузочным сопротивлением.
Преимуществами CAN-шины являются:
минимизация затрат на разводку кабелей.
высокая помехозащищенность (защищенность от неисправностей/отказов).
прочность.
возможность расширения.
выстраивание приоритетов информации.
низкая стоимость.
автоматическое повторение поврежденной информации.
самостоятельный контроль системы и возможность автоматического отключения поврежденных модулей от шины данных.
На автомобилях, изготовленных, начиная с модельного года 2003.75, в зависимости от модели применяется дополнительно и вторая система шин CAN. Эта шина отличается в основном только более низкой скоростью передачи данных и в настоящее время применятся в основном для комфортной электроники. Для возможности различения отдельных систем CAN систему CAN с высокой скоростью передачи данных обозначают как высокоскоростную (HS) CAN, а систему CAN с более низкой скоростью передачи данных обозначают как среднескоростную (MS) CAN. Как у всех систем шин CAN у среднескоростной шины CAN для повышения помехоустойчивости установлены два нагрузочных резистора на 120 Ом. Для осуществления связи между модулями высокоскоростной шины CAN и среднескоростной шины CAN применяется модуль с обеими системами шин данных. Связь обеих систем шин данных обозначается как gateway (шлюз). В таком gateway полученные данные преобразуются в соответствии со скоростью, необходимой для соответствующей шины данных, и передаются дальше. Таким образом достигается оптимальное распределение информации между обеими системами шин данных.
Элементы сети.
На моделях Focus CMax, а также на моделях Focus, изготовленных начиная с модельного года 2005, в зависимости от варианта оснащения применяются две системы шин передачи данных.
Количество модулей, подсоединенных к двум системам шин передачи данных CAN, зависит от варианта оснащения автомобиля.
Модуль (RCM)
1-компакт-диск (CD) — чейнджерУ автомобилей Focus CMax, а также у автомобилей Focus с MY2005 выпуска вследствие возросшего числа модулей и как следствие возросшего объема передаваемых данных применяется вторая CAN-шина (среднескоростная CAN-шина). Указанная шина работает с более низкой скоростью и служит в основном для связи в области комфортной электроники.
Для возможности обмена данными между высокоскоростной и низкоскоростной CAN-шинами применяется gateway. Шлюз служит в качестве интерфейса между обеими системами шин передачи данных CAN и установлен в электронном щитке приборов.
Модули, присоединенные к обеим системам шин данных CAN, зависят от варианта оборудования автомобиля.
В PCM и в электронном щитке приборов установлены соответственно по одному нагрузочному резистору сопротивлением 120 Ом высокоскоростной CAN-шины.
В GEM и в электронном щитке приборов установлены соответственно по одному нагрузочному резистору сопротивлением 120 Ом высокоскоростной CAN-шины.
Указанные нагрузочные сопротивления служат для защиты от помех. Для обеспечения надежной работы системы шин данных модули должны всегда присоединяться с встроенным нагрузочным сопротивлением.
LIN — кабриолет
1-Диагностический разъем DLCffclub.ru