Корпус воздушного фильтра – это, по сути, небольшая коробка, внутри которой расположен воздушный фильтр, очищающий подаваемый внутрь мотора воздух.
Изначально коробку фильтра производили из металла, и она имела вид «кастрюли». Такая конструкция оставалась актуальной до конца 20 века и применялась на карбюраторных машинах. С появлением другого метода впрыска и с целью экономии, коробку воздушного фильтра стали производить из пластмассы в форме прямоугольника. Воздух теперь набирается с нижней части подкапотного пространства, а сам фильтр прикреплен к кузову машины.
Конечно, у металла больше плюсов, чем у пластика, и вопрос замены «кастрюли» из-за механических повреждений стоял очень редко. С переходом на пластиковую коробку воздушного фильтра, она стала «страдать» намного больше.
Корпус воздушного фильтра находится в подкапотном пространстве. Зачастую это небольшого размера черная коробка. Многие знают, что через корпус воздушного фильтра проходит воздух, который сразу же поступает в двигатель автомобиля. Известно, что мотор питается двумя вещами: это топливо и воздух, по-другому двигатель внутреннего сгорания работать не будет. В случае появления даже маленькой трещины на коробке воздушного фильтра, нормальное функционирование этой системы будет нарушено.

Замену коробки воздушного фильтра нужно проводить в случае ее повреждения (появления на ней сквозных трещин, вмятин), так как при поврежденном корпусе происходит быстрое загрязнение воздушного фильтра, соответственно, в двигатель будет поступать большее количество пыли и грязи.
Для замены коробки воздушного фильтра нужны следующие материалы и инструменты:
— новая коробка
— крестовая отвертка
— шлицевая отвертка
— новые резинки крепления
— пассатижи
Новые резинки крепления можно и не приобретать, а использовать старые, если вы сможете их достать из старого корпуса, так как вынуть их оттуда, не повредив, очень сложно. Помимо этого, по истечении определенного промежутка времени резина становится грубой и засыхает, и если на ней есть трещинки, то она не подойдет.
Прикрепляется коробка воздушного фильтра к кузову тремя резиновыми креплениями особой формы. Два из них располагаются спереди, они соединяют коробку и переднюю часть кузова. А третье крепление расположено сзади (относительно коробки воздушного фильтра), со стороны аккумулятора (особый металлический кронштейн). Помимо этого, к коробке присоединяются два патрубка – впускной (бумажно-металлический патрубок) и выпускной (резиновый, с хомутом). Чтобы снять корпус фильтра, патрубки отсоединяем.
1. Для начала нужно отсоединить выпускной патрубок, для этого откручиваем хомут при помощи отвертки, и затем патрубок отводим в сторону.
2. От нижней доли коробки нужно отсоединить впускной патрубок в виде металлизированной гофры, просто выдергиваем его вниз.
3. При помощи шлицевой отвертки (осторожно поддев за край) отсоединяем резинки.
4. Снимаем коробку воздушного фильтра.
Важно знать! Достать резинки из старой коробки можно при помощи пассатижей, однако перед снятием их нужно смазать.
Порядок действий при установке коробки воздушного фильтра:
1. Для начала в посадочные места ставим крепежные резиновые изделия. Их можно установить пальцами, если нужно, помогаем шлицевой отверткой.
2. Затем на установленные резинки ставим коробку фильтра. Сначала просто ставим на них корпус, а потом, немного надавив на него, тянем за выступающую часть до тех пор, пока крепление не окажется на месте (должен послышаться легкий щелчок).
3. После этого можно надеть выпускной патрубок и затянуть хомут.
4. И последнее – надеваем на трубку впускной патрубок.
Воздушный фильтр в коробку лучше поместить перед установкой коробки на место.
Подписывайтесь на наши ленты в таких социальных сетях как, Facebook, Вконтакте, Instagram, Pinterest, Yandex Zen, Twitter и Telegram: все самые интересные автомобильные события собранные в одном месте.
auto.today
Корпус воздушного фильтра рекомендуется очищать не менее раза в год. Желательно каждые два года заменять корпус воздушного фильтра. Катализатор фильтра окисляет несгоревшие углеводороды и нейтрализует угарный газ.
Фильтр быстро загрязняется и это сказывается на состоянии автомобиля. А также может пагубно отразиться на здоровье водителя, если он не заменит его вовремя. В автомобиле моет уменьшиться тяга, на приборной панели появятся сообщения о неполадках. А водителю, в особенности, если есть аллергические реакции, необходимо вовремя заменять фильтр. К тому же растет расход топлива, когда загрязняется фильтр.
Корпус воздушного фильтра , если это сажевый фильтр представляет собой металлический цилиндр внутри которого находится керамическая жароустойчивая матрица, которая покрыта катализатором, состоящим из множества каналов.
Каналы и выполняют основную функцию очищения – они задерживают мелкие сажевые частицы. Пористая структура каналов позволяет задерживать мельчайшие частицы. Отработанные газы проходят через фильтр и частицы сажи оседают на стенках матрицы. Катализатор сажевого фильтра окисляет несгоревшие углеводороды и нейтрализует угарный газ.
Заменять внутреннюю часть воздушного фильтра, которая ответственна за очистку воздуха, нужно зная из чего состоит корпус воздушного фильтра. Для замены воздушного фильтра потребуется отвернуть четыре болта на крышке фильтра.
Затем поднимается крышка фильтра и достается фильтрующий элемент. Затем очищается корпус воздушного фильтра. Желательно продуть фильтр сжатым воздухом.
Важно чтобы уплотнения нового фильтрующего элемента лежали без перекосов к поверхности корпуса воздушного фильтра. Внутренняя часть фильтра аккуратно очищается.
В начале, вытряхивается мелкая пыль, продувается сжатым воздухом. Желательно направлять сбоку, чтобы фильтр не загрязнился ещё больше, что может произойти , если направлять воздух прямо на бумагу фильтра. Затем фильтр вытирается чистой тряпкой. И устанавливается на место.

vsepoedem.com
Снятие
Воздушный фильтр
|
|
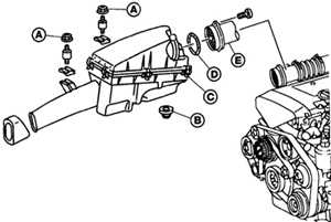
| A — гайки; B — резиновое крепление; C — пружинные скобы; |
D — уплотнительное кольцо; E — измеритель потока воздуха |
| ПОРЯДОК ВЫПОЛНЕНИЯ | ||||
|
Установка
| ПОРЯДОК ВЫПОЛНЕНИЯ | |
|
carmanz.com