Π‘Π΅Π³ΠΎΠ΄Π½Ρ ΡΠ΄Π΅Π»ΡΠ΅ΡΡΡ Π²ΡΠ΅ Π±ΠΎΠ»ΡΡΠ΅ Π²Π½ΠΈΠΌΠ°Π½ΠΈΡ ΠΊΠΎΠΌΡΠΎΡΡΠ½ΠΎΠΉ ΡΠΊΡΠΏΠ»ΡΠ°ΡΠ°ΡΠΈΠΈ ΠΌΠ°ΡΠΈΠ½. Π‘ΠΎΠ·Π΄Π°ΡΡΡΡ ΡΠ°Π·Π»ΠΈΡΠ½ΡΠ΅ Π°Π²ΡΠΎΠΌΠΎΠ±ΠΈΠ»ΡΠ½ΡΠ΅ Π°ΠΊΡΠ΅ΡΡΡΠ°ΡΡ, ΡΡΠ΅Π΄ΠΈ ΠΊΠΎΡΠΎΡΡΡ ΡΡΠΎΠΈΡ ΠΎΡΠΌΠ΅ΡΠΈΡΡ ΠΌΠΎΠ΄ΡΠ»Ρ Π°Π²ΡΠΎΠΌΠ°ΡΠΈΡΠ΅ΡΠΊΠΎΠ³ΠΎ ΠΏΠΎΠ΄Π½ΡΡΠΈΡ Π΄Π²Π΅ΡΠ½ΡΡ ΡΡΠ΅ΠΊΠΎΠ», ΡΠΎ Π΅ΡΡΡ Π΄ΠΎΠ²ΠΎΠ΄ΡΠΈΠΊ ΡΡΠ΅ΠΊΠ»ΠΎΠΏΠΎΠ΄ΡΠ΅ΠΌΠ½ΠΈΠΊΠ°. ΠΠ³ΠΎ ΡΠ΄ΠΎΠ±ΡΡΠ²ΠΎ Π½Π΅ ΠΏΠΎΠ΄Π»Π΅ΠΆΠΈΡ ΡΠΎΠΌΠ½Π΅Π½ΠΈΡ — ΠΏΡΠΈ ΠΈΡΠΏΠΎΠ»ΡΠ·ΠΎΠ²Π°Π½ΠΈΠΈ ΠΎΡΠΏΠ°Π΄Π°Π΅Ρ Π½Π΅ΠΎΠ±Ρ ΠΎΠ΄ΠΈΠΌΠΎΡΡΡ ΠΏΠΎΡΡΠΎΡΠ½Π½ΠΎΠΉ ΠΏΡΠΎΠ²Π΅ΡΠΊΠΈ ΠΎΠΊΠΎΠ½ ΠΏΠ΅ΡΠ΅Π΄ ΠΏΠΎΡΡΠ°Π½ΠΎΠ²ΠΊΠΎΠΉ Π½Π° ΡΠΈΠ³Π½Π°Π»ΠΈΠ·Π°ΡΠΈΡ, ΡΠ°ΠΊ ΠΊΠ°ΠΊ ΡΠ°ΠΊΠΈΠ΅ ΠΌΠΎΠ΄ΡΠ»ΠΈ Π·Π°ΠΊΡΡΠ²Π°ΡΡ ΠΈΡ Π°Π²ΡΠΎΠΌΠ°ΡΠΈΡΠ΅ΡΠΊΠΈ.
Π Π°Π½ΡΡΠ΅ ΡΡΡΡΠΎΠΉΡΡΠ²Π° ΠΌΠΎΠΆΠ½ΠΎ Π±ΡΠ»ΠΎ Π²ΡΡΡΠ΅ΡΠΈΡΡ ΡΠΎΠ»ΡΠΊΠΎ Π² Π°Π²ΡΠΎ ΠΏΡΠ΅ΠΌΠΈΡΠΌ-ΠΊΠ»Π°ΡΡΠ°, Π½ΠΎ ΠΈΡ ΠΏΠΎΠ»ΡΠ·Π° Π½Π΅ ΠΎΡΡΠ°Π»Π°ΡΡ Π½Π΅Π·Π°ΠΌΠ΅ΡΠ΅Π½Π½ΠΎΠΉ ΠΎΡΠ½ΠΎΠ²Π½ΠΎΠΉ ΠΌΠ°ΡΡΠΎΠΉ Π°Π²ΡΠΎΠ²Π»Π°Π΄Π΅Π»ΡΡΠ΅Π². Π’Π°ΠΊ Π±ΡΠ» ΡΠ°Π·ΡΠ°Π±ΠΎΡΠ°Π½ ΡΠ½ΠΈΠ²Π΅ΡΡΠ°Π»ΡΠ½ΡΠΉ Π΄ΠΎΠ²ΠΎΠ΄ΡΠΈΠΊ ΡΡΠ΅ΠΊΠ»ΠΎΠΏΠΎΠ΄ΡΠ΅ΠΌΠ½ΠΈΠΊΠ°, ΠΏΠΎΠ΄Ρ ΠΎΠ΄ΡΡΠΈΠΉ Π΄Π»Ρ ΠΌΠ°ΡΠΈΠ½ Π»ΡΠ±ΡΡ ΠΌΠ°ΡΠΎΠΊ. ΠΡΠΎΠΌΠ΅ ΡΠΎΠ³ΠΎ, ΠΏΡΠΎΡΡΠ°Ρ ΠΊΠΎΠ½ΡΡΡΡΠΊΡΠΈΡ ΠΏΠΎΠ·Π²ΠΎΠ»ΠΈΠ»Π° Π»ΡΠ΄ΡΠΌ, ΡΠ²Π»Π΅ΠΊΠ°ΡΡΠΈΠΌΡΡ ΡΠ°Π΄ΠΈΠΎΡΠ»Π΅ΠΊΡΡΠΎΠ½ΠΈΠΊΠΎΠΉ, ΡΠΎΠ·Π΄Π°Π²Π°ΡΡ ΡΠ°ΠΌΠΎΠ΄Π΅Π»ΡΠ½ΡΠ΅ ΠΌΠ΅Ρ Π°Π½ΠΈΠ·ΠΌΡ, ΠΎΡΠ»ΠΈΡΠ½ΠΎ Π²ΡΠΏΠΎΠ»Π½ΡΡΡΠΈΠ΅ Π·Π°Π΄Π°Π½Π½ΡΠ΅ ΡΡΠ½ΠΊΡΠΈΠΈ.

ΠΠ»Π΅ΠΊΡΡΠΎΠ½Π½ΡΠΉ Π±Π»ΠΎΠΊ ΠΌΠΎΠ΄ΡΠ»Ρ ΠΏΠΎΠ΄ΠΊΠ»ΡΡΠ°Π΅ΡΡΡ ΠΊ ΡΠΈΡΡΠ΅ΠΌΠ΅ ΡΠΏΡΠ°Π²Π»Π΅Π½ΠΈΡ ΡΡΠ΅ΠΊΠ»Π°ΠΌΠΈ ΠΈ ΡΠΈΠ³Π½Π°Π»ΠΈΠ·Π°ΡΠΈΠΈ. Π ΡΠ»Π΅ΠΊΡΡΠΈΡΠ΅ΡΠΊΠΈΡ Π°Π²ΡΠΎΠΌΠΎΠ±ΠΈΠ»ΡΠ½ΡΡ ΡΠ»Π΅ΠΌΠ΅Π½ΡΠ°Ρ ΠΎΠ½ ΡΠ°ΡΠΏΠΎΠ»Π°Π³Π°Π΅ΡΡΡ ΠΌΠ΅ΠΆΠ΄Ρ ΡΠ»Π΅ΠΊΡΡΠΎΠΌΠΎΡΠΎΡΠΎΠΌ, ΠΎΠ±Π΅ΡΠΏΠ΅ΡΠΈΠ²Π°ΡΡΠΈΠΌ ΠΎΠΏΡΡΠΊΠ°Π½ΠΈΠ΅, ΠΏΠΎΠ΄Π½ΡΡΠΈΠ΅ ΡΡΠ΅ΠΊΠΎΠ», ΠΈ ΡΠΏΡΠ°Π²Π»ΡΡΡΠΈΠΌΠΈ ΠΊΠ½ΠΎΠΏΠΊΠ°ΠΌΠΈ. ΠΠ΄ΠΈΠ½ΡΡΠ²Π΅Π½Π½ΠΎΠ΅ ΠΎΠ³ΡΠ°Π½ΠΈΡΠ΅Π½ΠΈΠ΅ Π·Π°ΠΊΠ»ΡΡΠ°Π΅ΡΡΡ Π² Π²ΠΎΠ·ΠΌΠΎΠΆΠ½ΠΎΡΡΠΈ ΠΈΡΠΏΠΎΠ»ΡΠ·ΠΎΠ²Π°Π½ΠΈΡ ΠΏΠΎΠ΄ΠΎΠ±Π½ΠΎΠ³ΠΎ ΠΌΠ΅Ρ Π°Π½ΠΈΠ·ΠΌΠ° Π»ΠΈΡΡ Π½Π° Π°Π²ΡΠΎ, ΠΎΡΠ½Π°ΡΠ΅Π½Π½ΡΡ Π΄Π°Π½Π½ΠΎΠΉ ΡΡΠ½ΠΊΡΠΈΠ΅ΠΉ.
ΠΡΠΈΠ½ΡΠΈΠΏ Π΄Π΅ΠΉΡΡΠ²ΠΈΡ Ρ Π²ΡΠ΅Ρ ΡΡΡΡΠΎΠΉΡΡΠ² ΠΈΠ΄Π΅Π½ΡΠΈΡΠ΅Π½: ΡΠ΅ΡΠ΅Π· Π±Π»ΠΎΠΊ ΠΏΡΠΎΡ ΠΎΠ΄ΠΈΡ Π½Π°ΠΏΡΡΠΆΠ΅Π½ΠΈΠ΅, ΠΏΠ΅ΡΠ΅Π΄Π°Π²Π°Π΅ΠΌΠΎΠ΅ ΠΊ ΠΌΠΎΡΠΎΡΡ ΠΎΡ ΠΊΠ»Π°Π²ΠΈΡ, Π·Π° ΡΡΠ΅Ρ ΡΠΎΠ³ΠΎ ΡΡΠΎ ΠΎΠ½ ΡΡΡΠ°Π½ΠΎΠ²Π»Π΅Π½ ΠΌΠ΅ΠΆΠ΄Ρ Π½ΠΈΠΌΠΈ. ΠΡΠΈ ΡΡΠΎΠΌ ΠΌΠΎΠ΄ΡΠ»Ρ Π½Π΅ Π·Π°Π΄Π΅ΠΉΡΡΠ²ΡΠ΅ΡΡΡ ΠΏΡΠΈ Π·Π°ΠΊΡΡΠ²Π°Π½ΠΈΠΈ ΠΈ ΠΎΡΠΊΡΡΠ²Π°Π½ΠΈΠΈ, ΠΊΠΎΠ³Π΄Π° ΠΌΠ°ΡΠΈΠ½Π° Π½Π΅ ΡΡΠΎΠΈΡ Π½Π° ΡΠΈΠ³Π½Π°Π»ΠΈΠ·Π°ΡΠΈΠΈ.
ΠΠΎΡΠ»Π΅ Π²ΠΊΠ»ΡΡΠ΅Π½ΠΈΡ ΠΎΡ ΡΠ°Π½Π½ΠΎΠΉ ΡΠΈΡΡΠ΅ΠΌΡ Π½Π° ΡΡΡΡΠΎΠΉΡΡΠ²ΠΎ ΠΏΠ΅ΡΠ΅Ρ ΠΎΠ΄ΠΈΡ ΡΠΈΠ³Π½Π°Π» Ρ ΠΌΠΎΠ΄ΡΠ»Ρ, ΡΠ»Π΅ΠΊΡΡΠΎΠΌΠΎΡΠΎΡ Π·Π°ΠΏΠΈΡΡΠ²Π°Π΅ΡΡΡ ΠΈ ΠΏΠΎΠ΄Π½ΠΈΠΌΠ°Π΅Ρ ΡΡΠ΅ΠΊΠ»ΠΎ Π½Π° Π΄Π²Π΅ΡΠΈ.
ΠΠ° ΡΠΎΠ²ΡΠ΅ΠΌΠ΅Π½Π½ΠΎΠΌ ΡΡΠ½ΠΊΠ΅ ΠΌΠΎΠ΄ΡΠ»ΠΈ ΠΏΡΠΈΡΡΡΡΡΠ²ΡΡΡ Π² ΠΎΠ±ΡΠΈΡΠ½ΠΎΠΌ Π°ΡΡΠΎΡΡΠΈΠΌΠ΅Π½ΡΠ΅. ΠΠΎΠ»ΡΡΡΡ ΡΠ°ΡΡΡ ΠΏΡΠ΅Π΄ΡΡΠ°Π²Π»ΡΡΡ ΠΊΠΎΠΌΠΏΠ°Π½ΠΈΠΈ, ΡΠ΅Π°Π»ΠΈΠ·ΡΡΡΠΈΠ΅ ΠΎΡ ΡΠ°Π½Π½ΡΠ΅ Π°Π²ΡΠΎΠΌΠΎΠ±ΠΈΠ»ΡΠ½ΡΠ΅ ΡΠΈΡΡΠ΅ΠΌΡ. ΠΠΎΠ²ΠΎΠ΄ΡΠΈΠΊ ΡΡΠ΅ΠΊΠ»ΠΎΠΏΠΎΠ΄ΡΠ΅ΠΌΠ½ΠΈΠΊΠ° Π²ΡΠ±ΡΠ°ΡΡ Π½Π΅ΡΠ»ΠΎΠΆΠ½ΠΎ, Π² ΠΏΠ΅ΡΠ²ΡΡ ΠΎΡΠ΅ΡΠ΅Π΄Ρ ΠΎΠ½ ΠΏΠΎΠ΄Π±ΠΈΡΠ°Π΅ΡΡΡ Π² Π·Π°Π²ΠΈΡΠΈΠΌΠΎΡΡΠΈ ΠΎΡ ΠΊΠΎΠ»ΠΈΡΠ΅ΡΡΠ²Π° ΡΡΠ΅ΠΊΠΎΠ», ΠΊΠΎΡΠΎΡΡΠ΅ Π΄ΠΎΠ»ΠΆΠ½ΠΎ Π·Π°ΠΊΡΡΠ²Π°ΡΡ ΡΡΡΡΠΎΠΉΡΡΠ²ΠΎ. Π‘ΡΡΠ΅ΡΡΠ²ΡΡΡ Π²Π°ΡΠΈΠ°Π½ΡΡ, Π·Π°ΠΊΡΡΠ²Π°ΡΡΠΈΠ΅ Π΄Π²Π° ΠΈ ΡΠ΅ΡΡΡΠ΅ ΡΡΠ΅ΠΊΠ»Π°.
Π’Π°ΠΊΠΆΠ΅ Π΄ΠΎΠ»ΠΆΠ½ΠΎ ΠΏΡΠΈΠ½ΠΈΠΌΠ°ΡΡΡΡ Π²ΠΎ Π²Π½ΠΈΠΌΠ°Π½ΠΈΠ΅ Π½Π°Π»ΠΈΡΠΈΠ΅ ΡΠΏΡΠ°Π²Π»ΡΡΡΠ΅ΠΉ ΡΠΈΡΡΠ΅ΠΌΡ Π½Π° Π·Π°Π΄Π½ΠΈΡ Π΄Π²Π΅ΡΡΡ . ΠΡ ΡΡΠΎΠ³ΠΎ Π·Π°Π²ΠΈΡΠΈΡ Π²ΠΎΠ·ΠΌΠΎΠΆΠ½ΠΎΡΡΡ ΠΌΠΎΠ½ΡΠ°ΠΆΠ° ΠΌΠΎΠ΄ΡΠ»Ρ Π½Π° Π½ΠΈΡ .

Π£ΡΡΡΠΎΠΉΡΡΠ²Π° ΠΌΠΎΠ³ΡΡ Π²ΡΠΏΠΎΠ»Π½ΡΡΡ ΠΎΠ΄Π½Ρ Π·Π°Π΄Π°ΡΡ Π»ΠΈΠ±ΠΎ Π±ΡΡΡ ΠΌΠ½ΠΎΠ³ΠΎΡΡΠ½ΠΊΡΠΈΠΎΠ½Π°Π»ΡΠ½ΡΠΌΠΈ. ΠΠΎΡΠ»Π΅Π΄Π½ΠΈΠ΅, ΠΏΠΎΠΌΠΈΠΌΠΎ Π·Π°ΠΊΡΡΠ²Π°Π½ΠΈΡ, ΠΏΡΠΈ Π²ΠΊΠ»ΡΡΠ΅Π½ΠΈΠΈ ΡΠΈΠ³Π½Π°Π»ΠΈΠ·Π°ΡΠΈΠΈ Π·Π°ΠΏΠΎΠΌΠΈΠ½Π°ΡΡ ΡΠ°ΡΠΏΠΎΠ»ΠΎΠΆΠ΅Π½ΠΈΠ΅ ΡΡΠ΅ΠΊΠΎΠ» Π΄ΠΎ ΠΏΠΎΡΡΠ°Π½ΠΎΠ²ΠΊΠΈ ΠΈ ΠΏΡΠΈΠ²ΠΎΠ΄ΡΡ ΠΈΡ Π² ΠΈΡΡ ΠΎΠ΄Π½ΠΎΠ΅ ΠΏΠΎΠ»ΠΎΠΆΠ΅Π½ΠΈΠ΅ ΠΏΠΎΡΠ»Π΅ ΡΠ½ΡΡΠΈΡ ΠΌΠ°ΡΠΈΠ½Ρ Ρ ΠΎΡ ΡΠ°Π½Π½ΠΎΠΉ ΡΠΈΡΡΠ΅ΠΌΡ. Π’Π°ΠΊΠΆΠ΅ Π²ΠΎΠ·ΠΌΠΎΠΆΠ½ΠΎ ΠΏΡΠΈΠ²Π΅Π΄Π΅Π½ΠΈΠ΅ Π² ΠΏΡΠ΅ΠΆΠ½Π΅Π΅ ΠΏΠΎΠ»ΠΎΠΆΠ΅Π½ΠΈΠ΅ ΠΏΡΠΈ Π²ΡΡΡΠ΅ΡΠ΅ ΠΏΡΠ΅ΠΏΡΡΡΡΠ²ΠΈΡ Π²ΠΎ Π²ΡΠ΅ΠΌΡ Π·Π°ΠΊΡΡΠ²Π°Π½ΠΈΡ.
ΠΠΎΠ·ΠΌΠΎΠΆΠ½ΠΎ ΠΏΡΠΈΡΡΡΡΡΠ²ΠΈΠ΅ ΠΏΠ΅ΡΠ΅ΡΠ½Ρ Π΄ΠΎΠΏΠΎΠ»Π½ΠΈΡΠ΅Π»ΡΠ½ΡΡ Π²ΠΎΠ·ΠΌΠΎΠΆΠ½ΠΎΡΡΠ΅ΠΉ, ΠΊΠΎΡΠΎΡΡΠ΅ ΠΏΡΠΈ Π½Π΅ΠΎΠ±Ρ ΠΎΠ΄ΠΈΠΌΠΎΡΡΠΈ ΠΌΠΎΠ³ΡΡ Π±ΡΡΡ ΠΎΡΠΊΠ»ΡΡΠ΅Π½Ρ ΠΏΡΠΈ Π½Π°ΡΡΡΠΎΠΉΠΊΠ΅ ΡΡΡΡΠΎΠΉΡΡΠ²Π° Π½Π° ΠΆΠ΅Π»Π°Π΅ΠΌΡΠ΅ ΠΏΠ°ΡΠ°ΠΌΠ΅ΡΡΡ. ΠΠΎΠ²ΠΎΠ΄ΡΠΈΠΊ ΡΡΠ΅ΠΊΠ»ΠΎΠΏΠΎΠ΄ΡΠ΅ΠΌΠ½ΠΈΠΊΠΎΠ² Π½Π° 4 ΡΡΠ΅ΠΊΠ»Π° ΠΎΠ±ΠΎΠΉΠ΄Π΅ΡΡΡ Π΄ΠΎΡΠΎΠΆΠ΅ ΠΏΡΠΎΡΡΠΎΠ³ΠΎ Π²Π°ΡΠΈΠ°Π½ΡΠ°, Ρ ΡΡΠ΅ΡΠΎΠΌ ΡΠΎΠ³ΠΎ ΡΡΠΎ Π±ΠΎΠ»ΡΡΠ°Ρ ΡΠ°ΡΡΡ ΡΡΠ½ΠΊΡΠΈΠΎΠ½Π°Π»Π° ΠΌΠΎΠΆΠ΅Ρ ΠΎΠΊΠ°Π·Π°ΡΡΡΡ Π½Π΅Π½ΡΠΆΠ½ΠΎΠΉ ΠΏΡΠΈ Π΄ΠΎΡΡΠ°ΡΠΎΡΠ½ΠΎ ΡΡΡΠ΄Π½ΠΎΠΌ ΠΏΠΎΠ΄ΠΊΠ»ΡΡΠ΅Π½ΠΈΠΈ.

Π‘Π»ΠΎΠΆΠ½ΠΎΡΡΡ ΠΏΠΎΠ΄ΠΊΠ»ΡΡΠ΅Π½ΠΈΡ ΠΊ ΡΠ»Π΅ΠΊΡΡΠΎΠΏΠΈΡΠ°Π½ΠΈΡ Π²ΠΎΠ·ΡΠ°ΡΡΠ°Π΅Ρ Ρ ΡΠ²Π΅Π»ΠΈΡΠ΅Π½ΠΈΠ΅ΠΌ ΠΊΠΎΠ»ΠΈΡΠ΅ΡΡΠ²Π° Π΄Π²Π΅ΡΠ΅ΠΉ ΠΈ ΠΈΠΌΠ΅ΡΡΠΈΡ ΡΡ ΡΡΠ½ΠΊΡΠΈΠΉ. ΠΠΎΠ²ΠΎΠ΄ΡΠΈΠΊ ΡΡΠ΅ΠΊΠ»ΠΎΠΏΠΎΠ΄ΡΠ΅ΠΌΠ½ΠΈΠΊΠ° Π½Π° Π΄Π²Π° ΠΎΠΊΠ½Π° ΠΏΠΎΠ΄ ΡΠΈΠ»Ρ ΠΌΠΎΠ½ΡΠΈΡΠΎΠ²Π°ΡΡ ΠΊΠ°ΠΆΠ΄ΠΎΠΌΡ ΡΠ΅Π»ΠΎΠ²Π΅ΠΊΡ, Π½ΠΈ ΡΠ°Π·Ρ Π½Π΅ ΠΈΠΌΠ΅Π²ΡΠ΅ΠΌΡ Π΄Π΅Π»Π° Ρ ΠΏΠΎΠ΄ΠΎΠ±Π½ΡΠΌΠΈ ΠΌΠ΅Ρ Π°Π½ΠΈΠ·ΠΌΠ°ΠΌΠΈ.
ΠΠ»Ρ ΡΠ°Π±ΠΎΡ ΠΏΠΎΠ½Π°Π΄ΠΎΠ±ΠΈΡΡΡ ΠΈΠ·ΠΎΠ»Π΅Π½ΡΠ°, ΠΊΡΡΠ°ΡΠΊΠΈ ΠΈ ΠΎΡΠ²Π΅ΡΡΠΊΠΈ. ΠΡΠ»ΠΈ ΡΡΠΎΠΈΡ Π»ΠΈΡΡ ΠΎΠ΄Π½Π° ΡΠΈΡΡΠ΅ΠΌΠ° Π½Π° Π²ΠΎΠ΄ΠΈΡΠ΅Π»ΡΡΠΊΠΎΠΉ ΡΡΠΎΡΠΎΠ½Π΅, ΠΊΠΎΡΠΎΡΠ°Ρ ΡΠ°ΠΊΠΆΠ΅ ΠΎΠ±Π΅ΡΠΏΠ΅ΡΠΈΠ²Π°Π΅Ρ ΡΠ°Π±ΠΎΡΡ ΠΎΠΊΠ½Π° Π½Π° ΠΏΠ°ΡΡΠ°ΠΆΠΈΡΡΠΊΠΎΠΉ, ΡΠΎ ΠΆΠ΅Π»Π°ΡΠ΅Π»ΡΠ½ΠΎ ΠΏΠΎΡΡΠ°Π²ΠΈΡΡ ΡΡΡΡΠΎΠΉΡΡΠ²ΠΎ ΠΈΠΌΠ΅Π½Π½ΠΎ Π½Π° Π½Π΅ΠΉ.
ΠΡΠΈ Π½Π°Π»ΠΈΡΠΈΠΈ ΡΠ°Π·Π΄Π΅Π»Π΅Π½Π½ΡΡ ΡΠΈΡΡΠ΅ΠΌ Π»ΠΈΠ±ΠΎ Π½Π°Ρ ΠΎΠΆΠ΄Π΅Π½ΠΈΠΈ ΡΠΏΡΠ°Π²Π»ΡΡΡΠΈΡ ΠΊΠ»Π°Π²ΠΈΡ Π½Π° ΡΠΎΠ½Π½Π΅Π»Π΅ ΠΈΠ»ΠΈ ΠΎΡΠ½ΠΎΠ²Π½ΠΎΠΉ ΠΊΠΎΠ½ΡΠΎΠ»ΠΈ ΠΎΠΏΡΠΈΠΌΠ°Π»ΡΠ½ΡΠΌ Π²Π°ΡΠΈΠ°Π½ΡΠΎΠΌ ΡΡΠ°Π½Π΅Ρ ΠΌΠΎΠ½ΡΠ°ΠΆ ΠΏΠΎΠ΄ Π΄ΠΎΡΠΊΠΎΠΉ ΠΏΡΠΈΠ±ΠΎΡΠΎΠ².

Π’Π΅ΠΏΠ΅ΡΡ ΠΌΠΎΠΆΠ½ΠΎ Π½Π°ΡΠΈΠ½Π°ΡΡ ΡΠ°Π±ΠΎΡΡ. Π‘ ΡΡΠ΅ΡΠΎΠΌ ΡΠΎΠ³ΠΎ, ΡΡΠΎ ΠΏΠΈΡΠ°Π΅ΡΡΡ ΠΌΠ΅Ρ Π°Π½ΠΈΠ·ΠΌ ΠΎΡ Π±ΠΎΡΡΠΎΠ²ΠΎΠΉ ΡΠ΅ΡΠΈ, ΡΡΠ΅Π±ΡΠ΅ΡΡΡ ΠΏΠΎΠ΄Π²Π΅Π΄Π΅Π½ΠΈΠ΅ ΡΠ»Π΅Π΄ΡΡΡΠΈΡ ΠΏΡΠΎΠ²ΠΎΠ΄ΠΎΠ²: βΠΌΠ°ΡΡΠ°β ΠΈ βΠΏΠ»ΡΡβ. ΠΠ½ΡΡΡΡΠΊΡΠΈΡ ΠΊ ΡΡΡΡΠΎΠΉΡΡΠ²Ρ ΡΠΎΠ΄Π΅ΡΠΆΠΈΡ ΡΡ Π΅ΠΌΡ, Π² ΡΠΎΠΎΡΠ²Π΅ΡΡΡΠ²ΠΈΠΈ Ρ Π½Π΅ΠΉ ΠΎΠΏΡΠ΅Π΄Π΅Π»ΡΡΡΡΡ ΠΏΡΠΎΠ²ΠΎΠ΄Π°, ΠΏΠ΅ΡΠ΅Π½ΠΎΡΡΡΠΈΠ΅ Π½Π°ΠΏΡΡΠΆΠ΅Π½ΠΈΠ΅ Π½Π° ΡΠ»Π΅ΠΊΡΡΠΎΠΌΠΎΡΠΎΡ, ΠΈ ΠΏΡΠΎΠΈΠ·Π²ΠΎΠ΄ΠΈΡΡΡ Π²ΡΠ΅Π·ΠΊΠ° ΠΏΡΠΎΠ²ΠΎΠ΄ΠΊΠΈ ΠΎΡ ΠΌΠΎΠ΄ΡΠ»Ρ.
ΠΡΠ΄Π΅Π»ΡΠ½ΡΠ΅ Π²ΡΡ ΠΎΠ΄Ρ ΠΏΡΠ΅Π΄ΡΡΠΌΠ°ΡΡΠΈΠ²Π°ΡΡΡΡ Π΄Π»Ρ ΡΠ°Π·Π½ΡΡ Π΄Π²Π΅ΡΠ΅ΠΉ, ΠΈΡ ΠΌΠΎΠΆΠ½ΠΎ ΠΎΡΠ»ΠΈΡΠΈΡΡ ΠΏΠΎ ΡΠ°ΡΡΠ²Π΅ΡΠΊΠ΅. ΠΠ΅ΠΎΠ±Ρ ΠΎΠ΄ΠΈΠΌΠΎ ΡΠ°Π·ΡΠ΅Π·Π°ΡΡ Π² ΠΆΠ΅Π»Π°Π΅ΠΌΠΎΠΌ ΠΌΠ΅ΡΡΠ΅ ΠΏΡΠΎΠ²ΠΎΠ΄, ΠΏΡΠΎΡΡΠ½ΡΡΡΠΉ ΠΊ ΡΠ»Π΅ΠΊΡΡΠΎΠΌΠΎΡΠΎΡΡ ΠΎΡ ΠΊΠ»Π°Π²ΠΈΡΠΈ, ΠΈ ΠΏΡΠΈΡΠΎΠ΅Π΄ΠΈΠ½ΠΈΡΡ ΠΌΠΎΠ΄ΡΠ»ΡΠ½ΡΡ ΠΏΡΠΎΠ²ΠΎΠ΄ΠΊΡ ΠΊ ΠΎΠ±ΠΎΠΈΠΌ ΠΊΠΎΠ½ΡΠ°ΠΌ. Π’Π°ΠΊ ΠΎΡΡΡΠ΅ΡΡΠ²Π»ΡΠ΅ΡΡΡ ΠΏΠΎΠ΄ΠΊΠ»ΡΡΠ΅Π½ΠΈΠ΅ Π΄ΠΎΠ²ΠΎΠ΄ΡΠΈΠΊΠ° ΡΡΠ΅ΠΊΠ»ΠΎΠΏΠΎΠ΄ΡΠ΅ΠΌΠ½ΠΈΠΊΠΎΠ².
ΠΡΠΎΠ±ΠΎΠ΅ Π·Π½Π°ΡΠ΅Π½ΠΈΠ΅ ΠΈΠΌΠ΅Π΅Ρ ΠΏΡΠ°Π²ΠΈΠ»ΡΠ½ΡΠΉ ΠΏΠΎΠ΄Π±ΠΎΡ ΠΏΡΠΎΠ²ΠΎΠ΄ΠΎΠ², ΡΠ°ΠΊ ΠΊΠ°ΠΊ Π²ΡΠ΅Π³ΠΎ ΠΈΡ Π΄Π²Π° Ρ ΠΊΠ°ΠΆΠ΄ΠΎΠΉ ΡΡΠΎΡΠΎΠ½Ρ: ΡΠ΅ΡΠ΅Π· ΠΎΠ΄ΠΈΠ½ ΠΏΡΠΎΠΈΠ·Π²ΠΎΠ΄ΠΈΡΡΡ ΠΎΠΏΡΡΠΊΠ°Π½ΠΈΠ΅ ΡΡΠ΅ΠΊΠ»Π°, ΡΠ΅ΡΠ΅Π· Π΄ΡΡΠ³ΠΎΠΉ — Π΅Π³ΠΎ ΠΏΠΎΠ΄Π½ΡΡΠΈΠ΅. ΠΡΠΈΠ±ΠΊΠ° ΠΏΡΠΈ Π²ΡΠ±ΠΎΡΠ΅ ΠΏΡΠΈΠ²Π΅Π΄Π΅Ρ ΠΊ Π°Π²ΡΠΎΠΌΠ°ΡΠΈΡΠ΅ΡΠΊΠΎΠΌΡ ΠΎΡΠΊΡΡΠ²Π°Π½ΠΈΡ ΠΏΡΠΈ ΠΏΠΎΡΡΠ°Π½ΠΎΠ²ΠΊΠ΅ Π½Π° ΡΠΈΠ³Π½Π°Π»ΠΈΠ·Π°ΡΠΈΡ.
ΠΠ°ΡΠ΅ΠΌ ΡΡΠ΅Π±ΡΠ΅ΡΡΡ ΠΏΠΎΠ΄ΡΠΎΠ΅Π΄ΠΈΠ½ΠΈΡΡ ΠΏΡΠΎΠ²ΠΎΠ΄, ΡΠ΅ΡΠ΅Π· ΠΊΠΎΡΠΎΡΡΠΉ Π±ΡΠ΄Π΅Ρ ΠΈΠ΄ΡΠΈ ΡΠΈΠ³Π½Π°Π» ΠΎΡ ΠΎΡ ΡΠ°Π½Π½ΠΎΠΉ ΡΠΈΡΡΠ΅ΠΌΡ. ΠΡΠΈ ΡΡΠΎΠΌ ΠΏΠΎΡΠ»Π΅ Π²ΠΊΠ»ΡΡΠ΅Π½ΠΈΡ ΡΠΈΠ³Π½Π°Π»ΠΈΠ·Π°ΡΠΈΠΈ ΠΈΠΌΠΏΡΠ»ΡΡ Π΄ΠΎΠ»ΠΆΠ΅Π½ Π΄ΠΎΠΉΡΠΈ Π΄ΠΎ ΡΡΡΡΠΎΠΉΡΡΠ²Π° Π·Π° Π½Π΅ΡΠΊΠΎΠ»ΡΠΊΠΎ ΡΠ΅ΠΊΡΠ½Π΄.
ΠΠΌΠΏΡΠ»ΡΡ ΠΌΠΎΠΆΠ΅Ρ Π±ΡΡΡ ΠΎΡΡΠΈΡΠ°ΡΠ΅Π»ΡΠ½ΡΠΌ ΠΈΠ»ΠΈ ΠΏΠΎΠ»ΠΎΠΆΠΈΡΠ΅Π»ΡΠ½ΡΠΌ Π² Π·Π°Π²ΠΈΡΠΈΠΌΠΎΡΡΠΈ ΠΎΡ ΡΠΈΠΏΠ° ΡΠΈΡΡΠ΅ΠΌΡ. ΠΠΎΡΠΎΠΌΡ ΡΡΠΎ Π½Π΅ΠΎΠ±Ρ ΠΎΠ΄ΠΈΠΌΠΎ ΡΠ·Π½Π°ΡΡ Π·Π°Π±Π»Π°Π³ΠΎΠ²ΡΠ΅ΠΌΠ΅Π½Π½ΠΎ, ΡΡΠΎΠ±Ρ ΠΈΠ·Π±Π΅ΠΆΠ°ΡΡ ΡΠ»ΠΎΠΆΠ½ΠΎΡΡΠ΅ΠΉ ΠΏΡΠΈ ΠΌΠΎΠ½ΡΠ°ΠΆΠ΅.
ΠΠΎΠ²ΠΎΠ΄ΡΠΈΠΊ ΡΡΠ΅ΠΊΠ»ΠΎΠΏΠΎΠ΄ΡΠ΅ΠΌΠ½ΠΈΠΊΠΎΠ² Π½Π° 4 ΡΡΠ΅ΠΊΠ»Π° ΠΈΠΌΠ΅Π΅Ρ ΡΠ½ΠΈΠ²Π΅ΡΡΠ°Π»ΡΠ½ΡΡ ΠΊΠΎΠ½ΡΡΡΡΠΊΡΠΈΡ, Π² ΠΊΠΎΡΠΎΡΠΎΠΉ ΠΏΡΠΈΡΡΡΡΡΠ²ΡΠ΅Ρ Π΄Π²Π° Π²ΡΡ ΠΎΠ΄Π° ΠΏΠΎΠ΄ ΠΈΠΌΠΏΡΠ»ΡΡΡ.
www.syl.ru
ΠΠ²ΡΠΎΠΌΠΎΠ±ΠΈΠ»ΡΠ½ΡΠ΅ Π΄ΠΎΠ²ΠΎΠ΄ΡΠΈΠΊΠΈ ΡΡΡΠΊΠΎΠ» Π½Π° ΡΠ΅Π³ΠΎΠ΄Π½ΡΡΠ½ΠΈΠΉ Π΄Π΅Π½Ρ ΠΏΠΎΠ»ΡΠ·ΡΡΡΡΡ Π±ΠΎΠ»ΡΡΠΎΠΉ ΠΏΠΎΠΏΡΠ»ΡΡΠ½ΠΎΡΡΡΡ, ΡΠ°ΠΊ ΠΊΠ°ΠΊ ΡΡΠΎ Π°Π²ΡΠΎΠΌΠ°ΡΠΈΠ·ΠΈΡΠΎΠ²Π°Π½Π½ΠΎΠ΅ ΡΡΡΡΠΎΠΉΡΡΠ²ΠΎ ΡΠ΄ΠΎΠ±Π½ΠΎ ΠΈ ΡΡΠ½ΠΊΡΠΈΠΎΠ½Π°Π»ΡΠ½ΠΎ; Π²ΠΎΠ΄ΠΈΡΠ΅Π»ΡΠΌ Π½Π΅ ΠΏΡΠΈΡ
ΠΎΠ΄ΠΈΡΡΡ ΠΏΡΠΎΠ²Π΅ΡΡΡΡ, Π·Π°ΠΊΡΡΡΡ Π»ΠΈ Π²ΡΠ΅ ΠΎΠΊΠ½Π° ΠΌΠ°ΡΠΈΠ½Ρ, ΠΏΠΎΡΡΠ°Π²Π»Π΅Π½Π½ΠΎΠΉ Π½Π° ΡΠΈΠ³Π½Π°Π»ΠΈΠ·Π°ΡΠΈΡ. ΠΡΠ»ΠΈ ΡΠ°Π½Π΅Π΅ Π΄ΠΎΠ²ΠΎΠ΄ΡΠΈΠΊΠΈ Π±ΡΠ»ΠΈ ΠΏΡΠΈΠ²ΠΈΠ»Π΅Π³ΠΈΠ΅ΠΉ ΡΠΎΠ»ΡΠΊΠΎ ΠΏΡΠ΅ΠΌΠΈΡΠΌ-ΠΊΠ»Π°ΡΡΠ°, ΡΠΎ ΡΠ΅ΠΉΡΠ°Ρ ΡΡΠΎΡ ΠΌΠ΅Ρ
Π°Π½ΠΈΠ·ΠΌ ΡΠ½ΠΈΠ²Π΅ΡΡΠ°Π»Π΅Π½ ΠΈ Π΄ΠΎΡΡΡΠΏΠ΅Π½. ΠΡΠ° ΡΡΠ°ΡΡΡ ΡΠ°ΡΡΠΊΠ°ΠΆΠ΅Ρ, ΡΡΠΎ ΡΠ°ΠΊΠΎΠ΅ ΠΈ ΠΊΠ°ΠΊ ΡΠ°Π±ΠΎΡΠ°Π΅Ρ Π΄ΠΎΠ²ΠΎΠ΄ΡΠΈΠΊ ΡΡΡΠΊΠΎΠ».
ΠΠ½ΡΠ΅ΡΠ΅ΡΠ½ΠΎ! ΠΠ΅ΡΠ²ΡΠ΅ ΠΏΡΠΎΡΠΈΠ²ΠΎΡΠ³ΠΎΠ½Π½ΡΠ΅ ΡΠΈΡΡΠ΅ΠΌΡ ΡΡΠ°Π±Π°ΡΡΠ²Π°Π»ΠΈ Ρ ΠΏΠΎΠΌΠΎΡΡΡ Π²Π΅Π΄ΡΡΠ΅Π³ΠΎ Π²Π°Π»Π°. Π ΠΌΠΎΠΌΠ΅Π½Ρ ΡΠ³ΠΎΠ½Π° Π°Π²ΡΠΎΠΌΠΎΠ±ΠΈΠ»Ρ Π·Π°Ρ Π»ΡΠ±ΡΠ²Π°Π»ΡΡ Π²ΠΎΠ΅ΠΌ ΡΠΈΡΠ΅Π½Ρ, Π²Π·ΡΠ²Π°Ρ ΠΎ ΠΏΠΎΠΌΠΎΡΠΈ.
ΠΠΎΠ²ΠΎΠ΄ΡΠΈΠΊ β ΡΡΠΎ ΡΠ»Π΅ΠΊΡΡΠΎΠ½Π½ΡΠΉ Π±Π»ΠΎΠΊ, ΠΏΠΎΠ΄ΠΊΠ»ΡΡΡΠ½Π½ΡΠΉ ΠΊ ΡΠΈΡΡΠ΅ΠΌΠ΅ ΡΠΈΠ³Π½Π°Π»ΠΈΠ·Π°ΡΠΈΠΈ ΠΈΠ»ΠΈ ΡΠ΅Π½ΡΡΠ°Π»ΡΠ½ΠΎΠΌΡ Π·Π°ΠΌΠΊΡ ΠΈ ΡΠΈΡΡΠ΅ΠΌΠ΅ ΡΠΏΡΠ°Π²Π»Π΅Π½ΠΈΡ ΡΡΠ΅ΠΊΠ»Π°ΠΌΠΈ.

ΠΠ½Π°Π΅ΡΠ΅ Π»ΠΈ ΠΡ? Π ΠΌΠ°ΡΠΈΠ½Π΅, ΠΏΡΠΈΠ½Π°Π΄Π»Π΅ΠΆΠ°ΡΠ΅ΠΉ ΠΠ»Ρ ΠΠ°ΠΏΠΎΠ½Π΅, ΡΡΡΠΊΠ»Π° Π±ΡΠ»ΠΈ ΠΏΡΠ»Π΅Π½Π΅ΠΏΡΠΎΠ±ΠΈΠ²Π°Π΅ΠΌΡΠΌΠΈ, ΠΈΡ ΡΠΎΠ»ΡΠΈΠ½Π° ΡΠΎΡΡΠ°Π²Π»ΡΠ»Π° Π΄Π²Π° ΡΠ°Π½ΡΠΈΠΌΠ΅ΡΡΠ°.
Π‘Π»ΠΎΠΆΠ½ΠΎΡΡΡ Π²ΡΠ±ΠΎΡΠ° ΠΌΠΎΠ΄ΡΠ»Ρ Π΄ΠΎΠ²ΠΎΠ΄ΡΠΈΠΊΠ° Π·Π°ΠΊΠ»ΡΡΠ°Π΅ΡΡΡ Π² ΠΎΠΏΡΠ΅Π΄Π΅Π»Π΅Π½ΠΈΠΈ ΠΊΠΎΠ»ΠΈΡΠ΅ΡΡΠ²Π° ΠΏΠΎΠ΄ΠΎΠΏΠ΅ΡΠ½ΡΡ Π΅ΠΌΡ ΡΡΡΠΊΠΎΠ». ΠΡΠΏΡΡΠΊΠ°ΡΡΡΡ ΠΈ Π΅ΡΡΡ Π² ΠΏΡΠΎΠ΄Π°ΠΆΠ΅ ΠΌΠ΅Ρ Π°Π½ΠΈΠ·ΠΌΡ, ΠΎΡΠ²Π΅ΡΠ°ΡΡΠΈΠ΅ Π·Π° Π·Π°ΠΊΡΡΡΠΈΠ΅ Π΄Π²ΡΡ , ΡΠ΅ΡΡΡΡΡ ΡΡΡΠΊΠΎΠ». ΠΠ°Π»Π΅Π΅, ΡΠ»Π΅Π΄ΡΠ΅Ρ ΡΡΠΎΡΠ½ΠΈΡΡ, Π΅ΡΡΡ Π»ΠΈ ΡΠΈΡΡΠ΅ΠΌΠ° ΡΠΏΡΠ°Π²Π»Π΅Π½ΠΈΡ ΡΡΡΠΊΠ»Π°ΠΌΠΈ Π½Π° Π·Π°Π΄Π½ΠΈΡ Π΄Π²Π΅ΡΡΠ°Ρ Π°Π²ΡΠΎ.
ΠΠ΅ΡΠ»ΠΎΠΆΠ½ΡΠ΅ ΠΌΠΎΠ΄ΡΠ»ΠΈ ΠΎΡΠ²Π΅ΡΠ°ΡΡ Π·Π° ΡΡΡΠΊΠ»Π° ΡΠΎΠ»ΡΠΊΠΎ Π² ΡΠ΅ΠΆΠΈΠΌΠ΅ ΠΎΡ
ΡΠ°Π½Ρ Π°Π²ΡΠΎΠΌΠΎΠ±ΠΈΠ»Ρ.
Π£ΡΡΡΠΎΠΉΡΡΠ²Π° ΠΈΠ½ΡΠ΅Π»Π»Π΅ΠΊΡΡΠ°Π»ΡΠ½ΡΡ
Π΄ΠΎΠ²ΠΎΠ΄ΡΠΈΠΊΠΎΠ² ΡΡΡΠΊΠΎΠ» ΠΌΠΎΠ³ΡΡ ΠΎΠ±Π»Π°Π΄Π°ΡΡ Π΅ΡΡ ΡΡΠ΄ΠΎΠΌ ΡΡΠ½ΠΊΡΠΈΠΉ: Π·Π°ΠΏΠΎΠΌΠΈΠ½Π°ΡΡ ΠΏΠΎΠ»ΠΎΠΆΠ΅Π½ΠΈΠ΅ ΡΡΡΠΊΠΎΠ» ΠΈ Π²ΠΎΠ·Π²ΡΠ°ΡΠ°ΡΡ ΠΈΡ
Π² ΠΈΡΡ
ΠΎΠ΄Π½ΠΎΠ΅ ΠΏΠΎΡΠ»Π΅ ΠΎΡΠΊΠ»ΡΡΠ΅Π½ΠΈΡ ΡΠΈΠ³Π½Π°Π»ΠΈΠ·Π°ΡΠΈΠΈ, Π²ΠΎΠ·Π²ΡΠ°ΡΠ°ΡΡ Π² ΠΏΡΠ΅ΠΆΠ½Π΅Π΅ ΠΏΠΎΠ»ΠΎΠΆΠ΅Π½ΠΈΠ΅, Π΅ΡΠ»ΠΈ ΡΡΠ΅ΠΊΠ»ΠΎ Π½Π°ΡΠΊΠ½ΡΠ»ΠΎΡΡ Π½Π° ΠΏΡΠ΅Π³ΡΠ°Π΄Ρ. Π€ΡΠ½ΠΊΡΠΈΠΈ ΠΌΠΎΠ΄ΡΠ»Ρ ΠΌΠΎΠΆΠ½ΠΎ Π½Π°ΡΡΡΠΎΠΈΡΡ ΡΠ°ΠΌΠΎΠΌΡ ΠΏΠΎ ΠΆΠ΅Π»Π°Π½ΠΈΡ.
ΠΠ½ΠΈΠΌΠ°Π½ΠΈΠ΅! ΠΡΠ΅ Π²ΠΎΠ·ΠΌΠΎΠΆΠ½ΠΎΡΡΠΈ ΠΌΠ½ΠΎΠ³ΠΎΡΡΠ½ΠΊΡΠΈΠΎΠ½Π°Π»ΡΠ½ΠΎΠ³ΠΎ ΡΡΡΡΠΎΠΉΡΡΠ²Π° ΠΌΠΎΠ³ΡΡ Π½Π΅ ΠΏΠΎΠ½Π°Π΄ΠΎΠ±ΠΈΡΡΡΡ, Π° Π½Π°ΡΡΡΠΎΠΉΠΊΠ° ΠΌΠ΅Ρ Π°Π½ΠΈΠ·ΠΌΠ° ΡΠ»ΠΎΠΆΠ½Π° Π² ΠΎΠ±ΡΠ»ΡΠΆΠΈΠ²Π°Π½ΠΈΠΈ, ΠΈ ΡΡΠΎΠΈΠΌΠΎΡΡΡ Π·Π½Π°ΡΠΈΡΠ΅Π»ΡΠ½ΠΎ ΠΏΡΠ΅Π²ΡΡΠ°Π΅Ρ ΡΠ΅Π½Ρ ΠΎΠ±ΡΡΠ½ΠΎΠ³ΠΎ.
Π Π°ΡΡΠΌΠΎΡΡΠΈΠΌ ΠΏΠΎΠ΄ΠΊΠ»ΡΡΠ΅Π½ΠΈΠ΅ Π΄ΠΎΠ²ΠΎΠ΄ΡΠΈΠΊΠ° ΡΡΡΠΊΠΎΠ», Π΄Π΅ΠΉΡΡΠ²ΡΡΡΠ΅Π³ΠΎ Π½Π° Π΄Π²Π΅ Π΄Π²Π΅ΡΠΈ.
ΠΠ»Ρ ΡΠ°ΠΌΠΎΡΡΠΎΡΡΠ΅Π»ΡΠ½ΠΎΠΉ ΡΡΡΠ°Π½ΠΎΠ²ΠΊΠΈ ΠΏΠΎΡΡΠ΅Π±ΡΡΡΡΡ: Π½Π°Π±ΠΎΡ ΠΎΡΠ²ΡΡΡΠΎΠΊ, Π½ΠΎΠΆ, ΠΈΠ·ΠΎΠ»ΠΈΡΡΡΡΠ°Ρ Π»Π΅Π½ΡΠ° ΠΈ ΡΠΎΠ½ΠΊΠΈΠ΅ ΠΊΡΡΠ°ΡΠΊΠΈ.
ΠΠ»Ρ Π½Π°ΡΠ°Π»Π° ΠΎΡΠΊΠ»ΡΡΠΈΡΠ΅ Π·Π°ΠΆΠΈΠ³Π°Π½ΠΈΠ΅ ΠΈ ΡΠ±Π΅Π΄ΠΈΡΠ΅ΡΡ, ΡΡΠΎ ΡΡΡΠΊΠ»Π° ΠΏΡΠΈ ΡΡΠΎΠΌ ΠΎΡΠΊΡΡΠ²Π°ΡΡΡΡ ΠΈ Π·Π°ΠΊΡΡΠ²Π°ΡΡΡΡ ΠΏΡΠΈ Π½Π°ΠΆΠ°ΡΠΈΠΈ ΠΊΠ½ΠΎΠΏΠΊΠΈ. ΠΡΠ»ΠΈ Π½Π΅Ρ, ΡΠ΄Π°Π»ΠΈΡΠ΅ ΠΈΠ· Π±Π»ΠΎΠΊΠ° ΠΏΡΠ΅Π΄ΠΎΡ ΡΠ°Π½ΠΈΡΠ΅Π»Π΅ΠΉ ΡΠ΅Π»Π΅ ΠΈ ΡΡΡΠ°Π½ΠΎΠ²ΠΈΡΠ΅ Π½Π° Π΅Π³ΠΎ ΠΌΠ΅ΡΡΠΎ ΠΏΠ΅ΡΠ΅ΠΌΡΡΠΊΡ.
ΠΠ»ΠΎΠΊ Π΄ΠΎΠ²ΠΎΠ΄ΡΠΈΠΊΠ° ΡΡΡΠΊΠΎΠ» ΡΡΡΠ°Π½Π°Π²Π»ΠΈΠ²Π°ΡΡ Π² Π²ΠΎΠ΄ΠΈΡΠ΅Π»ΡΡΠΊΠΎΠΉ Π΄Π²Π΅ΡΠΈ. Π§ΡΠΎΠ±Ρ ΡΠ½ΡΡΡ ΠΎΠ±ΡΠΈΠ²ΠΊΡ, Π½Π΅ΠΎΠ±Ρ ΠΎΠ΄ΠΈΠΌΠΎ ΡΠ½Π°ΡΠ°Π»Π° ΠΎΡΠΊΡΡΡΠΈΡΡ Π²ΠΈΠ½ΡΡ Π΄Π²Π΅ΡΠ½ΠΎΠΉ ΡΡΡΠΊΠΈ ΠΈ ΡΠ½ΡΡΡ Π΅Ρ. ΠΡΠ²ΠΎΠ±ΠΎΠΆΠ΄Π°Ρ Π΄Π²Π΅ΡΡ ΠΎΡ ΠΎΠ±ΡΠΈΠ²ΠΊΠΈ, Π±ΡΠ΄ΡΡΠ΅ Π°ΠΊΠΊΡΡΠ°ΡΠ½Ρ, ΡΠ°ΠΊ ΠΊΠ°ΠΊ Π² Π½Π΅ΠΉ Π½Π°Ρ ΠΎΠ΄ΡΡΡΡ Π±Π»ΠΎΠΊΠΈ Ρ ΠΈΠ΄ΡΡΠΈΠΌΠΈ ΠΊ Π΄Π²Π΅ΡΠΈ ΠΏΡΠΎΠ²ΠΎΠ΄Π°ΠΌΠΈ. ΠΠΎΠ΄ΡΠ»Ρ ΠΊΡΠ΅ΠΏΠΈΡΡΡ ΠΎΠ΄Π½ΠΈΠΌ Π²ΠΈΠ½ΡΠΎΠΌ-ΡΠ°ΠΌΠΎΡΠ΅Π·ΠΎΠΌ ΠΊ ΠΌΠ΅ΡΠ°Π»Π»ΠΈΡΠ΅ΡΠΊΠΎΠΉ ΠΏΠ»Π°ΡΡΠΈΠ½Π΅, ΠΈ ΡΠΈΠΊΡΠΈΡΡΠ΅ΡΡΡ Π½Π° ΠΎΡΠ½ΠΎΠ²Π΅ Π΄Π²Π΅ΡΠΈ.

ΠΠ°ΠΆΠ½ΠΎ! ΠΡΠΈ ΡΠ°Π·Π΄Π΅Π»ΡΠ½ΡΡ ΡΠΈΡΡΠ΅ΠΌΠ°Ρ , ΡΠ°ΡΠΏΠΎΠ»ΠΎΠΆΠ΅Π½Π½ΡΡ Π½Π° Π΄Π²ΡΡ Π΄Π²Π΅ΡΡΡ , ΡΡΡΠ°Π½ΠΎΠ²ΠΊΠ° ΠΏΠΎΠ΄ ΠΏΡΠΈΠ±ΠΎΡΠ½ΠΎΠΉ Π΄ΠΎΡΠΊΠΎΠΉ Π±ΠΎΠ»Π΅Π΅ ΠΏΡΠΈΠ΅ΠΌΠ»Π΅ΠΌΠ°.
Π Π±Π»ΠΎΠΊΡ ΡΡΡΡΠΎΠΉΡΡΠ²Π° ΠΏΠΎΠ΄Π²Π΅Π΄ΠΈΡΠ΅ Β«ΠΏΠ»ΡΡΠΎΠ²ΠΎΠΉΒ» ΠΊΠΎΠ½ΡΠ°ΠΊΡ ΠΈ Β«ΠΌΠ°ΡΡΡΒ», ΡΡΠΎΠ±Ρ Π·Π°ΠΏΠΈΡΠ°ΡΡ Π΅Π³ΠΎ.
ΠΡΡΡΠ½ΠΈΡΠ΅, ΠΊΠ°ΠΊΠΈΠ΅ ΠΏΡΠΎΠ²ΠΎΠ΄Π° ΠΏΠ΅ΡΠ΅Π΄Π°ΡΡ Π½Π°ΠΏΡΡΠΆΠ΅Π½ΠΈΠ΅ ΠΎΡ ΠΊΠ½ΠΎΠΏΠΎΠΊ ΡΠΏΡΠ°Π²Π»Π΅Π½ΠΈΡ ΠΊ ΡΠ»Π΅ΠΊΡΡΠΎΠΌΠΎΡΠΎΡΠ°ΠΌ.
Π Π΄ΠΎΠ²ΠΎΠ΄ΡΠΈΠΊΡ ΠΏΡΠΈΠ»Π°Π³Π°Π΅ΡΡΡ ΠΈΠ½ΡΡΡΡΠΊΡΠΈΡ ΡΠΎ ΡΡ Π΅ΠΌΠ°ΠΌΠΈ. ΠΠΏΡΠ΅Π΄Π΅Π»ΠΈΡΠ΅ ΠΌΠ΅ΡΡΠ° Π²ΡΠ΅Π·ΠΊΠΈ ΠΏΡΠΎΠ²ΠΎΠ΄ΠΎΠ² Π±Π»ΠΎΠΊΠ° ΠΈ ΠΏΡΠΎΠ²ΠΎΠ΄ΠΎΠ² ΠΏΠΈΡΠ°Π½ΠΈΡ, Π² ΡΡ Π΅ΠΌΠ΅ ΠΎΠ½ΠΈ ΡΠ°Π·Π»ΠΈΡΠ°ΡΡΡΡ ΡΠ°Π·Π½ΡΠΌΠΈ ΡΠ²Π΅ΡΠ°ΠΌΠΈ.
ΠΠ½ΠΈΠΌΠ°ΡΠ΅Π»ΡΠ½ΠΎ ΠΏΡΠΎΠ²Π΅ΡΡΡΠ΅, ΠΏΡΠ°Π²ΠΈΠ»ΡΠ½ΠΎ Π»ΠΈ Π²ΡΠ±ΡΠ°Π½Ρ ΠΏΡΠΎΠ²ΠΎΠ΄Π°. ΠΡ ΠΊΠ½ΠΎΠΏΠΎΠΊ Π²ΠΊΠ»ΡΡΠ΅Π½ΠΈΡ ΠΊ ΡΠ»Π΅ΠΊΡΡΠΎΠΌΠΎΡΠΎΡΡ ΠΏΡΠΎΡ ΠΎΠ΄ΠΈΡ Π΄Π²Π° ΠΏΡΠΎΠ²ΠΎΠ΄Π°: ΠΎΠ΄ΠΈΠ½ ΠΏΠΎΠ΄ Π½Π°ΠΏΡΡΠΆΠ΅Π½ΠΈΠ΅ΠΌ ΠΏΠΎΠ΄Π½ΠΈΠΌΠ°Π΅Ρ ΡΡΠ΅ΠΊΠ»ΠΎ, Π²ΡΠΎΡΠΎΠΉ ΠΎΠΏΡΡΠΊΠ°Π΅Ρ. ΠΡΠ»ΠΈ Π²Ρ ΠΈΡ ΠΏΠ΅ΡΠ΅ΠΏΡΡΠ°Π΅ΡΠ΅, ΡΠΎ Π² ΡΠ΅ΠΆΠΈΠΌΠ΅ ΠΎΡ ΡΠ°Π½Ρ ΡΡΡΠΊΠ»Π° Π°Π²ΡΠΎΠΌΠ°ΡΠΈΡΠ΅ΡΠΊΠΈ ΠΎΡΠΊΡΠΎΡΡΡΡ.
ΠΠ°ΡΠ΅ΠΌ ΠΏΠΎΠ΄ΠΊΠ»ΡΡΠ°ΠΉΡΠ΅ ΠΏΡΠΎΠ²ΠΎΠ΄, ΠΏΠ΅ΡΠ΅Π΄Π°ΡΡΠΈΠΉ ΠΈΠΌΠΏΡΠ»ΡΡ ΠΎΡ Π±Π»ΠΎΠΊΠ° ΡΠΈΡΡΠ΅ΠΌΡ ΠΎΡ ΡΠ°Π½Ρ Π΄ΠΎΠ²ΠΎΠ΄ΡΠΈΠΊΡ.

ΠΠ΅ΡΠ΅Π΄ ΡΠ΅ΠΌ, ΠΊΠ°ΠΊ Π·Π°ΠΈΠ·ΠΎΠ»ΠΈΡΠΎΠ²Π°ΡΡ ΠΈ ΡΠ±ΡΠ°ΡΡ ΠΏΡΠΎΠ²ΠΎΠ΄Π°,ΠΏΡΠΎΠ²Π΅ΡΡΡΠ΅ ΡΠ°Π±ΠΎΡΠΎΡΠΏΠΎΡΠΎΠ±Π½ΠΎΡΡΡ Π΄ΠΎΠ²ΠΎΠ΄ΡΠΈΠΊΠ°. Π Π°Π±ΠΎΡΠ° Π·Π°Π²Π΅ΡΡΠ΅Π½Π°, ΡΠΎΠ±Π΅ΡΠΈΡΠ΅ Π΄Π²Π΅ΡΠΈ, ΡΡΡΠ°Π½ΠΎΠ²ΠΈΡΠ΅ ΡΡΡΠΊΠΈ ΠΈ ΠΏΠΎΠ»ΡΠ·ΡΠΉΡΠ΅ΡΡ.
ΠΠΎ ΡΠΎΠΌΡ ΠΆΠ΅ ΠΌΠ΅ΡΠΎΠ΄Ρ ΠΏΡΠΎΠΈΠ·Π²ΠΎΠ΄ΠΈΡΡΡ ΠΏΠΎΠ΄ΠΊΠ»ΡΡΠ΅Π½ΠΈΠ΅ Π΄ΠΎΠ²ΠΎΠ΄ΡΠΈΠΊΠ° ΡΡΠ΅ΠΊΠ»ΠΎΠΏΠΎΠ΄ΡΡΠΌΠ½ΠΈΠΊΠΎΠ² Π½Π° 4 ΡΡΠ΅ΠΊΠ»Π°. ΠΡΠ»ΠΈΡΠΈΠ΅ ΠΎΡ ΠΏΡΠΎΡΡΠΎΠ³ΠΎ ΡΡΡΡΠΎΠΉΡΡΠ²Π° β ΡΠΎΠ»ΡΠΊΠΎ Π² ΠΊΠΎΠ»ΠΈΡΠ΅ΡΡΠ²Π΅ Π²ΡΠ΅Π·ΠΎΠΊ Π² ΠΏΡΠΎΠ²ΠΎΠ΄ΠΊΡ.
ΠΠ°ΠΆΠ΄ΡΠΉ Π²ΠΎΠ΄ΠΈΡΠ΅Π»Ρ, ΠΊΠΎΡΠΎΡΡΠΉ ΡΠ°Π·Π±ΠΈΡΠ°Π΅ΡΡΡ Π² ΡΠ»Π΅ΠΊΡΡΠΈΠΊΠ΅ ΠΈ ΡΠΌΠ΅Π΅Ρ ΡΠΈΡΠ°ΡΡ ΡΡ Π΅ΠΌΡ, ΠΌΠΎΠΆΠ΅Ρ ΡΠ°ΠΌΠΎΡΡΠΎΡΡΠ΅Π»ΡΠ½ΠΎ ΠΏΡΠΎΠ²Π΅ΡΡΠΈ ΡΡΡΠ°Π½ΠΎΠ²ΠΊΡ Π΄ΠΎΠ²ΠΎΠ΄ΡΠΈΠΊΠ° ΡΡΡΠΊΠΎΠ» Π½Π° ΡΠ²ΠΎΠ΅ΠΉ ΠΌΠ°ΡΠΈΠ½Π΅.
ΠΠΎΠ΄ΠΏΠΈΡΡΠ²Π°ΠΉΡΠ΅ΡΡ Π½Π° Π½Π°ΡΠΈ Π»Π΅Π½ΡΡ Π² ΡΠ°ΠΊΠΈΡ ΡΠΎΡΠΈΠ°Π»ΡΠ½ΡΡ ΡΠ΅ΡΡΡ ΠΊΠ°ΠΊ, Facebook, ΠΠΊΠΎΠ½ΡΠ°ΠΊΡΠ΅, Instagram, Pinterest, Yandex Zen, Twitter ΠΈ Telegram: Π²ΡΠ΅ ΡΠ°ΠΌΡΠ΅ ΠΈΠ½ΡΠ΅ΡΠ΅ΡΠ½ΡΠ΅ Π°Π²ΡΠΎΠΌΠΎΠ±ΠΈΠ»ΡΠ½ΡΠ΅ ΡΠΎΠ±ΡΡΠΈΡ ΡΠΎΠ±ΡΠ°Π½Π½ΡΠ΅ Π² ΠΎΠ΄Π½ΠΎΠΌ ΠΌΠ΅ΡΡΠ΅.
auto.today
ΠΠ° ΡΠ΅Π³ΠΎΠ΄Π½ΡΡΠ½ΠΈΠΉ Π΄Π΅Π½Ρ Π²ΡΠ΅ Π±ΠΎΠ»ΡΡΠ΅ Π°Π²ΡΠΎΠ»ΡΠ±ΠΈΡΠ΅Π»Π΅ΠΉ ΡΠ΄Π΅Π»ΡΡΡ Π²Π½ΠΈΠΌΠ°Π½ΠΈΠ΅ ΠΊΠΎΠΌΡΠΎΡΡΠ½ΠΎΠΉ ΡΠΊΡΠΏΠ»ΡΠ°ΡΠ°ΡΠΈΠΈ ΡΡΠ°Π½ΡΠΏΠΎΡΡΠ½ΡΡ ΡΡΠ΅Π΄ΡΡΠ². Π ΠΏΡΠΎΠ΄Π°ΠΆΠ΅ ΠΌΠΎΠΆΠ½ΠΎ Π²ΡΡΡΠ΅ΡΠΈΡΡ ΠΌΠ½ΠΎΠΆΠ΅ΡΡΠ²ΠΎ ΡΠ°Π·Π»ΠΈΡΠ½ΡΡ Π°ΠΊΡΠ΅ΡΡΡΠ°ΡΠΎΠ², ΠΏΡΠΈΠ·Π²Π°Π½Π½ΡΡ ΠΏΠΎΠ²ΡΡΠΈΡΡ ΠΊΠΎΠΌΡΠΎΡΡ ΠΏΡΠΈ ΠΈΡΠΏΠΎΠ»ΡΠ·ΠΎΠ²Π°Π½ΠΈΠΈ Π°Π²ΡΠΎ. ΠΠ΄Π½ΠΈΠΌ ΠΈΠ· ΡΠ°ΠΊΠΈΡ ΡΡΡΡΠΎΠΉΡΡΠ² ΡΠ²Π»ΡΠ΅ΡΡΡ Π΄ΠΎΠ²ΠΎΠ΄ΡΠΈΠΊ ΡΡΠ΅ΠΊΠ»ΠΎΠΏΠΎΠ΄ΡΠ΅ΠΌΠ½ΠΈΠΊΠ°, ΠΊΠΎΡΠΎΡΡΠΉ ΠΌΠΎΠΆΠ΅Ρ Π±ΡΡΡ ΡΡΡΠ°Π½ΠΎΠ²Π»Π΅Π½ Π½Π° 2 ΠΈΠ»ΠΈ 4 ΡΡΠ΅ΠΊΠ»Π°.
Π‘ΠΎΠ΄Π΅ΡΠΆΠ°Π½ΠΈΠ΅
[ Π Π°ΡΠΊΡΡΡΡ]
[ Π‘ΠΊΡΡΡΡ]
ΠΠ»Ρ Π½Π°ΡΠ°Π»Π° ΡΠ°ΡΡΠΌΠΎΡΡΠΈΠΌ ΠΎΡΠ½ΠΎΠ²Π½ΡΠ΅ Ρ Π°ΡΠ°ΠΊΡΠ΅ΡΠΈΡΡΠΈΠΊΠΈ ΠΌΠΎΠ΄ΡΠ»Ρ. ΠΠΎΠ²ΠΎΠ΄ΡΠΈΠΊ ΡΡΠ΅ΠΊΠ»ΠΎΠΏΠΎΠ΄ΡΠ΅ΠΌΠ½ΠΈΠΊΠ° ΠΏΡΠ΅Π΄ΡΡΠ°Π²Π»ΡΠ΅Ρ ΡΠΎΠ±ΠΎΠΉ ΡΡΡΡΠΎΠΉΡΡΠ²ΠΎ, ΠΏΡΠ΅Π΄Π½Π°Π·Π½Π°ΡΠ΅Π½Π½ΠΎΠ΅ Π΄Π»Ρ Π°Π²ΡΠΎΠΌΠ°ΡΠΈΡΠ΅ΡΠΊΠΎΠ³ΠΎ Π·Π°ΠΊΡΡΠ²Π°Π½ΠΈΡ ΡΡΠ΅ΠΊΠΎΠ» Π² ΠΌΠ°ΡΠΈΠ½Π΅ ΠΏΠΎΡΠ»Π΅ ΡΡΡΠ°Π½ΠΎΠ²ΠΊΠΈ Π°Π²ΡΠΎ Π½Π° ΡΠΈΠ³Π½Π°Π»ΠΈΠ·Π°ΡΠΈΡ. ΠΠ»Π°Π³ΠΎΠ΄Π°ΡΡ ΠΈΡΠΏΠΎΠ»ΡΠ·ΠΎΠ²Π°Π½ΠΈΡ ΡΠ°ΠΊΠΎΠ³ΠΎ ΠΌΠΎΠ΄ΡΠ»Ρ Π²ΠΎΠ΄ΠΈΡΠ΅Π»Ρ ΠΌΠΎΠΆΠ΅Ρ Π½Π΅ ΠΏΠ΅ΡΠ΅ΠΆΠΈΠ²Π°ΡΡ ΠΎ ΡΠΎΠΌ, ΡΡΠΎ Π·Π°Π±ΡΠ» Π·Π°ΠΊΡΡΡΡ ΠΎΠΊΠ½Π° Π² ΠΌΠ°ΡΠΈΠ½Π΅.
ΠΠ»Π°ΡΠ° ΠΌΠΎΠ΄ΡΠ»Ρ Π² ΡΠ°Π·ΠΎΠ±ΡΠ°Π½Π½ΠΎΠΌ Π²ΠΈΠ΄Π΅Π‘Π°ΠΌ Π±Π»ΠΎΠΊ ΠΌΠΎΠ΄ΡΠ»Ρ Π½Π° 2 ΠΈΠ»ΠΈ 4 ΡΡΠ΅ΠΊΠ»Π° ΠΏΠΎΠ΄ΡΠΎΠ΅Π΄ΠΈΠ½ΡΠ΅ΡΡΡ ΠΊ ΡΠ·Π»Ρ ΡΠΏΡΠ°Π²Π»Π΅Π½ΠΈΡ ΠΏΡΠΎΡΠΈΠ²ΠΎΡΠ³ΠΎΠ½Π½ΠΎΠΉ ΡΠΈΡΡΠ΅ΠΌΠΎΠΉ ΠΈ ΡΡΠ΅ΠΊΠ»ΠΎΠΏΠΎΠ΄ΡΠ΅ΠΌΠ½ΠΈΠΊΠ°ΠΌΠΈ. Π ΡΠ°ΡΡΠ½ΠΎΡΡΠΈ, ΡΡΠΎΡ Π±Π»ΠΎΠΊ ΠΌΠΎΠ½ΡΠΈΡΡΠ΅ΡΡΡ ΠΌΠ΅ΠΆΠ΄Ρ ΡΠ»Π΅ΠΊΡΡΠΎΠ΄Π²ΠΈΠ³Π°ΡΠ΅Π»Π΅ΠΌ, Π° ΡΠ°ΠΊΠΆΠ΅ ΠΊΠ½ΠΎΠΏΠΊΠ°ΠΌΠΈ ΡΠΏΡΠ°Π²Π»Π΅Π½ΠΈΡ ΡΡΠ΅ΠΊΠ»ΠΎΠΏΠΎΠ΄ΡΠ΅ΠΌΠ½ΠΈΠΊΠ°ΠΌΠΈ. Π’ΠΎ Π΅ΡΡΡ ΠΈΡΠΏΠΎΠ»ΡΠ·ΠΎΠ²Π°Π½ΠΈΠ΅ Π΄ΠΎΠ²ΠΎΠ΄ΡΠΈΠΊΠΎΠ² Π²ΠΎΠ·ΠΌΠΎΠΆΠ½ΠΎ ΡΠΎΠ»ΡΠΊΠΎ Π² ΡΡΠ°Π½ΡΠΏΠΎΡΡΠ½ΡΡ ΡΡΠ΅Π΄ΡΡΠ²Π°Ρ , ΠΎΠ±ΠΎΡΡΠ΄ΠΎΠ²Π°Π½Π½ΡΡ ΡΠ»Π΅ΠΊΡΡΠΎΡΡΠ΅ΠΊΠ»ΠΎΠΏΠΎΠ΄ΡΠ΅ΠΌΠ½ΠΈΠΊΠ°ΠΌΠΈ.
Π§ΡΠΎ ΠΊΠ°ΡΠ°Π΅ΡΡΡ Π½Π΅ΠΏΠΎΡΡΠ΅Π΄ΡΡΠ²Π΅Π½Π½ΠΎ ΠΏΡΠΈΠ½ΡΠΈΠΏΠ° Π΄Π΅ΠΉΡΡΠ²ΠΈΡ, ΡΠΎ ΠΎΠ½ ΠΈΠ΄Π΅Π½ΡΠΈΡΠ΅Π½ Π΄Π»Ρ Π²ΡΠ΅Ρ Π΄ΠΎΠ²ΠΎΠ΄ΡΠΈΠΊΠΎΠ². ΠΠ°ΠΏΡΡΠΆΠ΅Π½ΠΈΠ΅ ΠΏΠΎΡΡΡΠΏΠ°Π΅Ρ ΡΠ΅ΡΠ΅Π· Π±Π»ΠΎΠΊ ΠΈ ΠΏΠΎΡΡΡΠΏΠ°Π΅Ρ Π°Π½ ΡΠ»Π΅ΠΊΡΡΠΎΠ΄Π²ΠΈΠ³Π°ΡΠ΅Π»Ρ. Π‘Π°ΠΌΠΈ Π΄ΠΎΠ²ΠΎΠ΄ΡΠΈΠΊΠΈ Π½ΠΈΠΊΠΎΠ³Π΄Π° Π½Π΅ Π·Π°Π΄Π΅ΠΉΡΡΠ²ΠΎΠ²Π°Π½Ρ ΠΏΡΠΈ ΠΎΡΠΊΡΡΡΠΈΠΈ ΠΈ Π·Π°ΠΊΡΡΡΠΈΠΈ ΡΡΠ΅ΠΊΠΎΠ», Π΅ΡΠ»ΠΈ Π°Π²ΡΠΎ Π½Π΅ ΠΏΠΎΡΡΠ°Π²Π»Π΅Π½ΠΎ Π½Π° ΡΠΈΠ³Π½Π°Π»ΠΊΡ. Π Π²ΠΎΡ ΠΊΠΎΠ³Π΄Π° ΠΏΡΠΎΡΠΈΠ²ΠΎΡΠ³ΠΎΠ½Π½Π°Ρ ΡΡΡΠ°Π½ΠΎΠ²ΠΊΠ°Β Π°ΠΊΡΠΈΠ²ΠΈΡΡΠ΅ΡΡΡ, Π½Π° ΡΠ°ΠΌΠΎ ΡΡΡΡΠΎΠΉΡΡΠ²ΠΎ ΠΏΠ΅ΡΠ΅Π΄Π°Π΅ΡΡΡ ΡΠΈΠ³Π½Π°Π» Ρ Π±Π»ΠΎΠΊΠ°, Π² ΡΠ΅Π·ΡΠ»ΡΡΠ°ΡΠ΅ ΡΠ΅Π³ΠΎ ΡΠ»Π΅ΠΊΡΡΠΎΠ΄Π²ΠΈΠ³Π°ΡΠ΅Π»Ρ Π½Π°ΡΠΈΠ½Π°Π΅Ρ ΠΏΠΈΡΠ°ΡΡΡΡ ΠΈ ΠΏΠΎΠ΄Π½ΠΈΠΌΠ°ΡΡ ΡΡΠ΅ΠΊΠ»Π°.
ΠΡΠ»ΠΈ ΡΠ΅ΡΡ ΠΈΠ΄Π΅Ρ ΠΎ ΠΌΠ½ΠΎΠ³ΠΎΡΡΠ½ΠΊΡΠΈΠΎΠ½Π°Π»ΡΠ½ΠΎΠΉ ΡΠΈΡΡΠ΅ΠΌΠ΅, ΡΠΎ ΠΎΠ½Π° ΡΠ°ΠΊΠΆΠ΅ ΠΌΠΎΠΆΠ΅Ρ Π²ΡΠΏΠΎΠ»Π½ΡΡΡ ΡΠ»Π΅Π΄ΡΡΡΠΈΠ΅ ΡΡΠ½ΠΊΡΠΈΠΈ:
ΠΠΎΠ²ΠΎΠ΄ΡΠΈΠΊΠΈ Π½Π° Π΄Π²Π° ΠΈΠ»ΠΈ ΡΠ΅ΡΡΡΠ΅ ΡΡΠ΅ΠΊΠ»Π° ΠΌΠΎΠ³ΡΡ Π±ΡΡΡ Π»ΠΈΠ±ΠΎ ΠΌΠ½ΠΎΠ³ΠΎΡΡΠ½ΠΊΡΠΈΠΎΠ½Π°Π»ΡΠ½ΡΠΌΠΈ, Π»ΠΈΠ±ΠΎ ΠΏΡΠ΅Π΄Π½Π°Π·Π½Π°ΡΠ΅Π½Π½ΡΠΌΠΈ Π΄Π»Ρ Π²ΡΠΏΠΎΠ»Π½Π΅Π½ΠΈΡ ΠΎΠ΄Π½ΠΎΠΉ Π·Π°Π΄Π°ΡΠΈ.
Π‘Ρ
Π΅ΠΌΠ° Π΄Π»Ρ ΡΡΡΠ°Π½ΠΎΠ²ΠΊΠΈ ΡΠ·Π»Π° Π² Π°Π²ΡΠΎΠΌΠΎΠ±ΠΈΠ»ΡΠ’Π΅ΠΏΠ΅ΡΡ ΠΏΠ΅ΡΠ΅ΠΉΠ΄Π΅ΠΌ ΠΊ ΠΎΡΠΎΠ±Π΅Π½Π½ΠΎΡΡΡΠΌ. Π‘Π»ΠΎΠΆΠ½ΠΎΡΡΡ Π² Π²ΠΎΠΏΡΠΎΡΠ΅ ΠΌΠΎΠ½ΡΠ°ΠΆΠ° ΡΠΈΡΡΠ΅ΠΌΡ ΠΌΠΎΠΆΠ΅Ρ Π±ΡΡΡ ΠΎΠ±ΡΡΠ»ΠΎΠ²Π»Π΅Π½Π° Π² ΡΠ΅Π·ΡΠ»ΡΡΠ°ΡΠ΅ ΠΏΠΎΠ΄ΠΊΠ»ΡΡΠ΅Π½ΠΈΡ ΠΌΠΎΠ΄ΡΠ»Ρ ΠΊ Π±ΠΎΠ»ΡΡΠ΅ΠΌΡ ΠΊΠΎΠ»ΠΈΡΠ΅ΡΡΠ²Ρ Π΄Π²Π΅ΡΠ΅ΠΉ, Π° ΡΠ°ΠΊΠΆΠ΅ Π½Π°Π»ΠΈΡΠΈΠ΅ΠΌ Π΄ΡΡΠ³ΠΈΡ ΡΡΠ½ΠΊΡΠΈΠΉ. Π ΠΏΡΠΈΠΌΠ΅ΡΡ, ΠΌΠΎΠ΄ΡΠ»Ρ Π΄Π»Ρ Π·Π°ΠΊΡΡΡΠΈΡ ΡΠΎΠ»ΡΠΊΠΎ Π΄Π²ΡΡ ΡΡΠ΅ΠΊΠΎΠ» ΡΠΌΠΎΠΆΠ΅Ρ ΡΡΡΠ°Π½ΠΎΠ²ΠΈΡΡ ΡΠ°ΠΊΡΠΈΡΠ΅ΡΠΊΠΈΠΉ ΠΊΠ°ΠΆΠ΄ΡΠΉ Π°Π²ΡΠΎΠ»ΡΠ±ΠΈΡΠ΅Π»Ρ, Π΄Π°ΠΆΠ΅ Π΅ΡΠ»ΠΈ Ρ Π½Π΅Π³ΠΎ Π½Π΅Ρ ΠΎΠΏΡΡΠ° Π² ΠΏΡΠΎΠ²Π΅Π΄Π΅Π½ΠΈΠΈ ΡΠ°ΠΊΠΈΡ ΡΠ°Π±ΠΎΡ.
ΠΡΠ»ΠΈ Π½Π° ΡΡΠ°Π½ΡΠΏΠΎΡΡΠ½ΠΎΠΌ ΡΡΠ΅Π΄ΡΡΠ²Π΅ ΡΡΡΠ°Π½ΠΎΠ²Π»Π΅Π½Π° ΡΠΎΠ»ΡΠΊΠΎ ΠΎΠ΄ΠΈΠ½ ΡΠ·Π΅Π» ΡΠΎ ΡΡΠΎΡΠΎΠ½Ρ Π²ΠΎΠ΄ΠΈΡΠ΅Π»Ρ, ΠΎΠ±Π΅ΡΠΏΠ΅ΡΠΈΠ²Π°ΡΡΠΈΠΉ ΡΡΠ½ΠΊΡΠΈΠΎΠ½Π°Π»ΡΠ½ΠΎΡΡΡ ΠΎΠΊΠΎΠ½ Π½Π° ΠΏΠ°ΡΡΠ°ΠΆΠΈΡΡΠΊΠΎΠΉ Π΄Π²Π΅ΡΠΈ, ΡΠΎ ΠΌΠΎΠ΄ΡΠ»Ρ ΠΌΠΎΠ½ΡΠΈΡΡΠ΅ΡΡΡ ΠΈΠΌΠ΅Π½Π½ΠΎ Π½Π° Π½Π΅ΠΉ. Π ΡΠΎΠΌ ΡΠ»ΡΡΠ°Π΅, Π΅ΡΠ»ΠΈ ΡΠ°ΠΌΠ° ΡΠΈΡΡΠ΅ΠΌΠ° ΡΠ°Π·Π΄Π΅Π»Π΅Π½Π° ΠΈΠ»ΠΈ ΠΊΠ½ΠΎΠΏΠΊΠΈ ΡΠΏΡΠ°Π²Π»Π΅Π½ΠΈΡ Π½Π°Ρ ΠΎΠ΄ΡΡΡΡ Π½Π° ΡΠ΅Π½ΡΡΠ°Π»ΡΠ½ΠΎΠΉ ΠΊΠΎΠ½ΡΠΎΠ»ΠΈ ΠΈΠ»ΠΈ Π² ΡΠΎΠ½Π½Π΅Π»Π΅, ΠΏΡΠΎΠΈΠ·Π²Π΅ΡΡΠΈ ΡΡΡΠ°Π½ΠΎΠ²ΠΊΡ ΠΆΠ΅Π»Π°ΡΠ΅Π»ΡΠ½ΠΎ ΠΏΠΎΠ΄ ΠΏΡΠΈΠ±ΠΎΡΠ½ΠΎΠΉ ΠΏΠ°Π½Π΅Π»ΡΡ. ΠΡΠ»ΠΈ ΡΡΠ΅ΠΊΠ»Π° ΠΏΠ»ΠΎΡ ΠΎ ΠΏΠΎΠ΄Π½ΠΈΠΌΠ°ΡΡΡΡ Ρ ΠΊΠ½ΠΎΠΏΠΊΠΈ, ΡΠΎ Π΄ΠΎΠ²ΠΎΠ΄ΡΠΈΠΊ ΠΌΠΎΠΆΠ΅Ρ Π½Π΅ ΠΏΠΎΠ»Π½ΠΎΡΡΡΡ Π·Π°ΠΊΡΡΡΡ ΡΡΠ΅ΠΊΠ»ΠΎ, Π² Π½Π΅ΠΌ ΡΡΠ°Π±ΠΎΡΠ°Π΅Ρ ΡΠ΅Π»Π΅ Π½Π°Π³ΡΡΠ·ΠΊΠΈ ΠΈ ΠΎΠ½ ΠΎΡΠΊΠ»ΡΡΠΈΡΡΡ β ΡΠ°ΠΊ ΡΡΠΎ ΡΠΈΠ½ΠΈΠΌ ΠΈ ΡΠΌΠ°Π·ΡΠ²Π°Π΅ΠΌ ΡΡΠ΅ΠΊΠ»ΠΎΠΏΠΎΠ΄ΡΠ΅ΠΌΠ½ΠΈΠΊΠΈ (Π°Π²ΡΠΎΡ Π²ΠΈΠ΄Π΅ΠΎ β Lone Vagrant).
ΠΠ° ΠΏΡΠΈΠΌΠ΅ΡΠ΅ Π°Π²ΡΠΎΠΌΠΎΠ±ΠΈΠ»Ρ Audi Π²Ρ ΠΌΠΎΠΆΠ΅ΡΠ΅ ΠΎΠ·Π½Π°ΠΊΠΎΠΌΠΈΡΡΡΡ Ρ ΠΈΠ½ΡΡΡΡΠΊΡΠΈΠ΅ΠΉ ΠΏΠΎ ΡΡΡΠ°Π½ΠΎΠ²ΠΊΠ΅ ΡΠΈΡΡΠ΅ΠΌΡ ΡΠ²ΠΎΠΈΠΌΠΈ ΡΡΠΊΠ°ΠΌΠΈ, ΠΏΡΠ΅Π΄ΡΡΠ°Π²Π»Π΅Π½Π½ΠΎΠΉ Π² ΡΠΎΠ»ΠΈΠΊΠ΅ (Π°Π²ΡΠΎΡ Π²ΠΈΠ΄Π΅ΠΎ β ΠΠΎΠ½ΡΡΠ°Π½ΡΠΈΠ½ ΠΡ).
avtozam.com
Π ΡΠ΅Π³ΠΎΠ΄Π½ΡΡΠ½Π΅ΠΌ ΠΎΠ±Π·ΠΎΡΠ΅ ΡΠ΅ΡΡ ΠΏΠΎΠΉΠ΄Π΅Ρ ΠΎΠ± ΡΠ½ΠΈΠ²Π΅ΡΡΠ°Π»ΡΠ½ΠΎΠΌ Π±Π»ΠΎΠΊΠ΅ Π΄ΠΎΠ²ΠΎΠ΄ΡΠΈΠΊΠ° ΡΡΠ΅ΠΊΠΎΠ», ΠΏΡΠΈΠΎΠ±ΡΠ΅ΡΠ΅Π½Π½ΠΎΠΌ ΠΌΠ½ΠΎΡ Π½Π° eBay, ΠΈ ΠΎ Π΅Π³ΠΎ ΡΡΡΠ°Π½ΠΎΠ²ΠΊΠ΅ Π½Π° Π°Π²ΡΠΎΠΌΠΎΠ±ΠΈΠ»Ρ Toyota Camry SV40.
ΠΠ΅ ΠΌΠΎΠ³Ρ ΡΠΊΠ°Π·Π°ΡΡ, ΡΡΠΎ ΡΡΠ° ΡΡΠ½ΠΊΡΠΈΡ ΠΎΡΠ΅Π½Ρ Π½Π΅ΠΎΠ±Ρ
ΠΎΠ΄ΠΈΠΌΠ° ΠΈ Ρ ΠΈΠ·Π½Π°ΡΠ°Π»ΡΠ½ΠΎ ΠΏΠ»Π°Π½ΠΈΡΠΎΠ²Π°Π» Π·Π°Π½ΠΈΠΌΠ°ΡΡΡΡ ΡΡΡΠ°Π½ΠΎΠ²ΠΊΠΎΠΉ ΠΏΠΎΠ΄ΠΎΠ±Π½ΠΎΠ³ΠΎ Π±Π»ΠΎΠΊΠ°. ΠΠΎ ΠΊΠ°ΠΊ-ΡΠΎ ΡΠ°Π·, Π² ΠΏΠΎΠ³ΠΎΠΆΠΈΠΉ Π»Π΅ΡΠ½ΠΈΠΉ Π΄Π΅Π½Ρ Π²ΡΠ΅ ΠΈΠ·ΠΌΠ΅Π½ΠΈΠ»ΠΎΡΡ. ΠΠΎΠ·ΡΡΡ ΠΏΠΎΠ΄ ΠΊΠ°ΠΏΠΎΡΠΎΠΌ, Ρ ΠΎΡΡΠ°Π²ΠΈΠ» Π°Π²ΡΠΎΠΌΠΎΠ±ΠΈΠ»Ρ Ρ ΠΎΡΠΊΡΡΡΡΠΌΠΈ ΠΎΠΊΠ½Π°ΠΌΠΈ, ΡΡΠΎΠ±Ρ ΡΠ°Π»ΠΎΠ½ Π½Π΅ Π½Π°Π³ΡΠ΅Π²Π°Π»ΡΡ, ΡΠ°ΠΊ ΠΊΠ°ΠΊ Π½Π° ΡΠ»ΠΈΡΠ΅ Π±ΡΠ»ΠΎ ΠΆΠ°ΡΠΊΠΎ. ΠΠ΅Π»ΠΎ ΡΠ»ΠΎ ΠΊ Π΄ΠΎΠΆΠ΄Ρ, Π½ΠΎ ΠΌΠ½Π΅ ΠΊΠ°Π·Π°Π»ΠΎΡΡ, ΡΡΠΎ Π½Π°ΡΠ½Π΅ΡΡΡ ΠΎΠ½ Π½Π΅ ΠΎΡΠ΅Π½Ρ ΡΠΊΠΎΡΠΎ ΠΈ Ρ ΡΡΠΏΠ΅Ρ Π²ΡΠ΅ Π·Π°ΠΊΠΎΠ½ΡΠΈΡΡ. ΠΠ°ΠΊ ΠΎΠΊΠ°Π·Π°Π»ΠΎΡΡ, Ρ Π±ΡΠ» Π½Π΅ ΠΏΡΠ°Π². Π‘ ΠΏΠ΅ΡΠ²ΡΠΌΠΈ ΠΊΠ°ΠΏΠ»ΡΠΌΠΈ Ρ Π½Π°ΡΠ°Π» ΡΠΎΠ±ΠΈΡΠ°ΡΡ ΠΈΠ½ΡΡΡΡΠΌΠ΅Π½Ρ ΠΈ ΡΡΡΠ°Π½Π°Π²Π»ΠΈΠ²Π°ΡΡ ΡΠ½ΡΡΡΠ΅ Π΄Π΅ΡΠ°Π»ΠΈ ΠΎΠ±ΡΠ°ΡΠ½ΠΎ. Π ΡΠΎΠΌΡ Π²ΡΠ΅ΠΌΠ΅Π½ΠΈ ΠΊΠ°ΠΊ Ρ Ρ ΡΡΠΈΠΌ ΠΏΠΎΠΊΠΎΠ½ΡΠΈΠ», Π΄ΠΎΠΆΠ΄Ρ ΡΠ΅Π» ΡΠΆΠ΅ Π²Π΅ΡΡΠΌΠ° ΠΏΡΠΈΠ»ΠΈΡΠ½ΡΠΉ. Π ΠΎΠΊΠ½Π° ΡΠ°ΠΊ ΠΈ ΠΎΡΡΠ°Π»ΠΈΡΡ ΠΎΡΠΊΡΡΡΡΠΌΠΈ. Π Π΅ΡΠΈΠ» Π·Π°ΠΊΡΡΡΡ ΠΈΡ
Ρ ΠΊΠ»ΡΡΠ°. Π£Π²ΠΈΠ΄Π΅Π², ΡΡΠΎ ΡΡΠ΅ΠΊΠ»ΠΎ Π² Π²ΠΎΠ΄ΠΈΡΠ΅Π»ΡΡΠΊΠΎΠΉ Π΄Π²Π΅ΡΠΈ ΠΏΡΠΈΡΠ»ΠΎ Π² Π΄Π²ΠΈΠΆΠ΅Π½ΠΈΠ΅ ΠΈ Π·Π°ΠΊΡΡΠ»ΠΎΡΡ, Ρ ΠΊΠ°ΠΊ-ΡΠΎ ΠΏΠΎ Π½Π°ΠΈΠ²Π½ΠΎΡΡΠΈ ΡΠ²ΠΎΠ΅ΠΉ, ΡΠ΅ΡΠΈΠ», ΡΡΠΎ ΠΈ ΠΎΡΡΠ°Π»ΡΠ½ΡΠ΅ ΡΡΠ΅ΠΊΠ»Π° Π·Π°ΠΊΡΡΠ»ΠΈΡΡ. Π ΠΎΠ±ΡΠ΅ΠΌ, Π½Π΅ ΠΎΠ±ΡΠ°ΡΠΈΠ² Π½Π° Π½ΠΈΡ
Π΄ΠΎΠ»ΠΆΠ½ΠΎΠ³ΠΎ Π²Π½ΠΈΠΌΠ°Π½ΠΈΡ, ΡΡΠ΅Π» Π²Π³Π»ΡΠ±Ρ Π³Π°ΡΠ°ΠΆΠ° ΡΠ°ΡΠΊΠ»Π°Π΄ΡΠ²Π°ΡΡ ΠΊΠ»ΡΡΠΈ, Π΄Π° ΠΎΡΠ²Π΅ΡΡΠΊΠΈ. ΠΠ°ΠΊ Π²Ρ ΠΏΠΎΠ½ΠΈΠΌΠ°Π΅ΡΠ΅, ΠΏΠΎΡΠ»Π΅ ΡΠΎΠ³ΠΎ, ΠΊΠ°ΠΊ Π΄ΠΎΠΆΠ΄Ρ Π·Π°ΠΊΠΎΠ½ΡΠΈΠ»ΡΡ ΠΌΠ΅Π½Ρ ΠΆΠ΄Π°Π»Π° ΡΠ΄ΡΡΡΠ°ΡΡΠ°Ρ ΠΊΠ°ΡΡΠΈΠ½Π°. Π§Π΅ΡΠ΅Π· ΠΎΠΊΠ½Π°, ΠΊΠΎΡΠΎΡΡΠ΅ ΠΎΡΡΠ°Π»ΠΈΡΡ ΠΎΡΠΊΡΡΡΡΠΌΠΈ, Π² ΡΠ°Π»ΠΎΠ½ Π½Π°ΡΠ΅ΠΊΠ»Π° ΠΌΠ°ΡΡΠ° Π²ΠΎΠ΄Ρ. ΠΡΠΈΡΠ»ΠΎΡΡ ΠΏΠΎΡΡΠ°ΡΠΈΡΡ Π΄ΠΎΡΡΠ°ΡΠΎΡΠ½ΠΎ ΠΌΠ½ΠΎΠ³ΠΎ Π²ΡΠ΅ΠΌΠ΅Π½ΠΈ Π½Π° ΡΠΎ, ΡΡΠΎΠ±Ρ Π²ΡΠ΅ Π²ΡΡΠ΅ΡΠ΅ΡΡ. Π’Π°ΠΊ Ρ ΡΠ·Π½Π°Π», ΡΡΠΎ Π΄ΠΎΠ²ΠΎΠ΄ΡΠΈΠΊ Π² Camry Π΅ΡΡΡ ΡΠΎΠ»ΡΠΊΠΎ Π½Π° Π²ΠΎΠ΄ΠΈΡΠ΅Π»ΡΡΠΊΠΎΠΉ Π΄Π²Π΅ΡΠΈ ΠΈ ΠΏΠΎΠ½ΡΠ», ΡΡΠΎ Π½Π°Π΄ΠΎ ΡΡΠΎ-ΡΠΎ Π΄Π΅Π»Π°ΡΡ. ΠΠΎΠ·ΠΌΠΎΠΆΠ½ΡΡ
Π²Π°ΡΠΈΠ°Π½ΡΠΎΠ² Π±ΡΠ»ΠΎ Π½Π΅ ΡΠ°ΠΊ ΡΠΆ ΠΈ ΠΌΠ½ΠΎΠ³ΠΎ, Π° ΡΠ°ΠΌΡΠΌ ΠΎΠΏΡΠΈΠΌΠ°Π»ΡΠ½ΡΠΌ ΡΠ²Π»ΡΠ»Π°ΡΡ ΠΏΠΎΠΊΡΠΏΠΊΠ° Π±Π»ΠΎΠΊΠ° ΡΠΏΡΠ°Π²Π»Π΅Π½ΠΈΡ ΡΡΠ΅ΠΊΠ»ΠΎΠΏΠΎΠ΄ΡΠ΅ΠΌΠ½ΠΈΠΊΠ°ΠΌΠΈ.
Π’Π°ΠΊΠΈΠ΅ Π±Π»ΠΎΠΊΠΈ Π±ΡΠ²Π°ΡΡ 2 Π²ΠΈΠ΄ΠΎΠ²: ΡΠ½ΠΈΠ²Π΅ΡΡΠ°Π»ΡΠ½ΡΠ΅ ΠΈ ΠΏΠΎΠ΄ ΠΊΠΎΠ½ΠΊΡΠ΅ΡΠ½ΡΠΉ Π°Π²ΡΠΎΠΌΠΎΠ±ΠΈΠ»Ρ. ΠΡΠ»ΠΈΡΠ°ΡΡΡΡ ΠΎΠ½ΠΈ ΡΠΎΠ»ΡΠΊΠΎ ΠΏΡΠΎΠ²ΠΎΠ΄ΠΊΠΎΠΉ ΠΈ ΡΡΠΎΠΈΠΌΠΎΡΡΡΡ: ΠΏΠΎΡΠ»Π΅Π΄Π½ΠΈΠ΅ ΡΡΠΎΡΡ ΡΠ°Π·Π° Π² 3-4 Π΄ΠΎΡΠΎΠΆΠ΅. Π’Π°ΠΊ ΡΡΠΎ ΠΌΠΎΠΉ Π²ΡΠ±ΠΎΡ ΠΏΠ°Π» Π½Π° ΡΠ½ΠΈΠ²Π΅ΡΡΠ°Π»ΡΠ½ΡΠΉ Π±Π»ΠΎΠΊ.ΠΠΎΡΡΠ»ΠΊΠ° Π·Π°ΡΡΠ°Π²ΠΈΠ»Π° ΡΠ΅Π±Ρ ΠΏΠΎΠ΄ΠΎΠΆΠ΄Π°ΡΡ. ΠΠ°ΠΊΠ°Π·ΡΠ²Π°Π» Ρ Π΅Π΅ Π² Π½Π°ΡΠ°Π»Π΅ Π°Π²Π³ΡΡΡΠ°, Π° ΠΏΡΠΈΡΠ»Π° ΠΎΠ½Π° Π² ΡΠ΅ΡΠ΅Π΄ΠΈΠ½Π΅ ΠΎΠΊΡΡΠ±ΡΡ. Π ΡΠΎΠΆΠ°Π»Π΅Π½ΠΈΡ, ΠΏΠΎΠ»Π½ΠΎΡΠ΅Π½Π½ΠΎΠ³ΠΎ ΡΡΠ΅ΠΊΠ° Π½Π° Π½Π΅Π΅ Π½Π΅ Π±ΡΠ»ΠΎ, ΡΠ°ΠΊ ΡΡΠΎ ΡΠ·Π½Π°ΡΡ Π³Π΄Π΅ ΠΎΠ½Π° ΠΏΡΠΎΠΏΠ°Π΄Π°Π»Π° Π½Π΅ ΠΏΡΠ΅Π΄ΡΡΠ°Π²Π»ΡΠ΅ΡΡΡ Π²ΠΎΠ·ΠΌΠΎΠΆΠ½ΡΠΌ. ΠΠ°ΡΠΎ ΠΈΠ·Π²Π΅ΡΡΠ½ΠΎ, ΡΡΠΎ ΠΏΠΎ ΡΠ΅ΡΡΠΈΡΠΎΡΠΈΠΈ ΠΠΈΡΠ°Ρ Π΄Π²ΠΈΠ³Π°Π»Π°ΡΡ ΠΎΠ½Π° Π΄ΠΎΡΡΠ°ΡΠΎΡΠ½ΠΎ ΡΡΡΡΡΠΎ. ΠΠ·Π½Π°ΠΊΠΎΠΌΠΈΡΡΡΡ Ρ ΡΡΠΎΠΉ ΠΈΠ½ΡΠΎΡΠΌΠ°ΡΠΈΠ΅ΠΉ ΠΌΠΎΠΆΠ½ΠΎΡΡΡ. ΠΠΎ ΠΊΠ°ΠΊ Π±Ρ ΡΠΎ Π½ΠΈ Π±ΡΠ»ΠΎ, ΠΎΠ½Π° Π±Π»Π°Π³ΠΎΠΏΠΎΠ»ΡΡΠ½ΠΎ Π΄ΠΎΠ±ΡΠ°Π»Π°ΡΡ Π΄ΠΎ ΠΌΠ΅Π½Ρ.
ΠΠ»ΠΎΠΊ ΠΏΠΎΡΡΠ°Π²Π»ΡΠ΅ΡΡΡ Π² ΠΎΡΠΈΠ³ΠΈΠ½Π°Π»ΡΠ½ΠΎΠΉ Π·Π°Π²ΠΎΠ΄ΡΠΊΠΎΠΉ ΡΠΏΠ°ΠΊΠΎΠ²ΠΊΠ΅, ΠΊΠΎΡΠΎΡΡΠΉ ΠΏΡΠ΅Π΄ΡΡΠ°Π²Π»ΡΠ΅Ρ ΡΠΎΠ±ΠΎΠΉ ΠΊΠ°ΡΡΠΎΠ½Π½ΡΡ ΠΊΠΎΡΠΎΠ±ΠΊΡ Ρ ΠΊΡΠ°ΡΠΎΡΠ½ΠΎΠΉ ΠΏΠΎΠ»ΠΈΠ³ΡΠ°ΡΠΈΠ΅ΠΉ. 
ΠΠ° ΠΎΠ΄Π½ΠΎΠΉ ΠΈΠ· Π±ΠΎΠΊΠΎΠ²ΡΡ
Π³ΡΠ°Π½Π΅ΠΉ ΠΏΠ΅ΡΠ΅ΡΠΈΡΠ»Π΅Π½Ρ ΠΎΡΠ½ΠΎΠ²Π½ΡΠ΅ Ρ
Π°ΡΠ°ΠΊΡΠ΅ΡΠΈΡΡΠΈΠΊΠΈ Π½Π°Ρ
ΠΎΠ΄ΡΡΠ΅Π³ΠΎΡΡ Π²Π½ΡΡΡΠΈ ΡΡΡΡΠΎΠΉΡΡΠ²Π°, Π° ΡΠ°ΠΊ ΠΆΠ΅ ΠΈΠΌΠ΅Π΅ΡΡΡ ΠΎΡΠΌΠ΅ΡΠΊΠ° Π½Π° ΡΠΊΠΎΠ»ΡΠΊΠΎ ΡΡΠ΅ΠΊΠΎΠ» ΠΎΠ½ ΡΠ°ΡΡΡΠΈΡΠ°Π½.
ΠΠ½ΡΡΡΠΈ ΠΊΠΎΡΠΎΠ±ΠΊΠΈ Π½Π°Ρ
ΠΎΠ΄ΠΈΠ»ΠΈΡΡ: ΡΠΎΠ±ΡΡΠ²Π΅Π½Π½ΠΎ, ΡΠ°ΠΌ Π±Π»ΠΎΠΊ, Π½Π΅ΠΎΠ±Ρ
ΠΎΠ΄ΠΈΠΌΡΠ΅ Π΄Π»Ρ ΠΏΠΎΠ΄ΠΊΠ»ΡΡΠ΅Π½ΠΈΡ ΠΏΡΠΎΠ²ΠΎΠ΄Π°, ΠΊΡΡΠΎΡΠ΅ΠΊ Π΄Π²ΡΡ
ΡΡΠΎΡΠΎΠ½Π½Π΅Π³ΠΎ ΡΠΊΠΎΡΡΠ° ΠΈ Π½Π΅Π±ΠΎΠ»ΡΡΠ°Ρ ΡΠ΅ΡΠ½ΠΎ-Π±Π΅Π»Π°Ρ ΠΈΠ½ΡΡΡΡΠΊΡΠΈΡ.







ΠΠ° Π΄ΡΡΠ³ΠΈΠ΅ Π°Π²ΡΠΎΠΌΠΎΠ±ΠΈΠ»ΠΈ Π½Π΅ ΡΠΊΠ°ΠΆΡ, Π½ΠΎ Π² Camry Π²ΡΠ΅ Π½Π΅ΠΎΠ±Ρ
ΠΎΠ΄ΠΈΠΌΡΠ΅ Π΄Π»Ρ ΠΏΠΎΠ΄ΠΊΠ»ΡΡΠ΅Π½ΠΈΡ ΠΏΡΠΎΠ²ΠΎΠ΄Π° ΠΈΠΌΠ΅ΡΡΡΡ ΠΏΠΎΠ΄ ΠΎΠ±ΡΠΈΠ²ΠΊΠΎΠΉ Π²ΠΎΠ΄ΠΈΡΠ΅Π»ΡΡΠΊΠΎΠΉ Π΄Π²Π΅ΡΠΈ. ΠΡΠ»ΠΈ ΡΠ΅ΡΡΠ½ΠΎ, ΡΠΎ ΠΈΠ·Π½Π°ΡΠ°Π»ΡΠ½ΠΎ Ρ Π΄ΡΠΌΠ°Π», ΡΡΠΎ ΠΏΡΠΈΠ΄Π΅ΡΡΡ ΡΡΠ½ΡΡΡ ΡΡΠ΄Π° ΠΊΠ°ΠΊ ΠΌΠΈΠ½ΠΈΠΌΡΠΌ ΠΏΠΎΡΡΠΎΡΠ½Π½ΡΠΉ ΠΏΠ»ΡΡ, Π½ΠΎ Π²ΡΠ΅ ΠΎΠ±ΠΎΡΠ»ΠΎΡΡ. Π’Π°ΠΊ ΡΡΠΎ Π½Π°ΡΠΈΠ½Π°Π΅ΠΌ ΡΠΎ ΡΠ½ΡΡΠΈΡ ΠΎΠ±ΡΠΈΠ²ΠΊΠΈ. ΠΠ»Π°Π³ΠΎ, Π΄Π»Ρ ΡΡΠΎΠ³ΠΎ Π½Π°Π΄ΠΎ Π²ΡΠ΅Π³ΠΎ Π»ΠΈΡΡ Π²ΡΠΊΡΡΡΠΈΡΡ Π΄Π²Π° Π²ΠΈΠ½ΡΠ° ΠΈ ΠΎΡΡΠ΅Π»ΠΊΠ½ΡΡΡ Π½Π΅ΡΠΊΠΎΠ»ΡΠΊΠΎ ΠΏΠ»Π°ΡΡΠΈΠΊΠΎΠ²ΡΡ
ΠΊΠ»ΠΈΠΏΡ.


Π ΡΠ΅ΠΉΡΠ°Ρ ΡΠ°ΠΌΠΎΠ΅ ΠΈΠ½ΡΠ΅ΡΠ΅ΡΠ½ΠΎΠ΅ β ΠΏΡΠΎΠ²ΠΎΠ΄Π°. ΠΠ· ΠΏΠΎΠ»ΡΡΠ΅Π½Π½ΠΎΠ³ΠΎ Π±Π»ΠΎΠΊΠ° Π²ΡΡ ΠΎΠ΄ΠΈΡ 16 ΠΏΡΠΎΠ²ΠΎΠ΄ΠΎΠ². 8 ΠΈΠ· Π½ΠΈΡ Β«ΡΠΈΠ»ΠΎΠ²ΡΠ΅Β» ΠΈ ΠΎΡΠ²Π΅ΡΠ°ΡΡ Π·Π° ΠΏΠΎΠ΄Π°ΡΡ ΠΏΠΈΡΠ°Π½ΠΈΡ Π½Π° ΡΠ°ΠΌ Π±Π»ΠΎΠΊ. ΠΡΠ΅ 8 ΠΏΠΎΠ΄ΠΊΠ»ΡΡΠ°ΡΡΡΡ ΠΊ ΠΏΠΎΠ²ΠΎΠ΄Π°ΠΌ, ΠΈΠ΄ΡΡΠΈΠΌ ΠΎΡ ΠΊΠ½ΠΎΠΏΠΎΠΊ ΡΡΠ°ΡΠ½ΠΎΠ³ΠΎ Π±Π»ΠΎΠΊΠ° ΠΊ ΠΌΠΎΡΠΎΡΡΠΈΠΊΠ°ΠΌ ΡΡΠ΅ΠΊΠ»ΠΎΠΏΠΎΠ΄ΡΠ΅ΠΌΠ½ΠΈΠΊΠΎΠ². Π Π²ΡΠ΅ Π±Ρ Π½ΠΈΡΠ΅Π³ΠΎ, Π΅ΡΠ»ΠΈ Π±Ρ Π½Π΅ ΠΎΠ΄Π½Π° ΠΏΡΠΎΠ±Π»Π΅ΠΌΠ° β ΡΡΠ΅ΠΊΠ»ΠΎΠΏΠΎΠ΄ΡΠ΅ΠΌΠ½ΠΈΠΊ Π²ΠΎΠ΄ΠΈΡΠ΅Π»ΡΡΠΊΠΎΠΉ Π΄Π²Π΅ΡΠΈ. ΠΠ·-Π·Π° ΡΠΎΠ³ΠΎ, ΡΡΠΎ ΡΠΏΡΠ°Π²Π»Π΅Π½ΠΈΠ΅ Π½Π° Π½Π΅Π³ΠΎ ΠΏΠΎΠ΄Π°Π΅ΡΡΡ ΠΏΠΎΡΡΠ΅Π΄ΡΡΠ²ΠΎΠΌ ΠΊΠ½ΠΎΠΏΠΊΠΈ Β«AutoΒ», ΡΡΡΡΠΎΠ΅Π½ ΠΎΠ½ ΡΠ΅ ΠΊΠ°ΠΊ, ΠΊΠ°ΠΊ Π²ΡΠ΅ ΠΎΡΡΠ°Π»ΡΠ½ΡΠ΅. ΠΡΠΎΡ ΠΌΠΎΡΠΎΡΡΠΈΠΊ ΠΎΠ±ΠΎΡΡΠ΄ΠΎΠ²Π°Π½ ΡΠ²ΠΎΠΈΠΌΠΈ ΡΠΎΠ±ΡΡΠ²Π΅Π½Π½ΡΠΌΠΈ Β«ΠΌΠΎΠ·Π³Π°ΠΌΠΈΒ» ΠΈ ΡΠΏΡΠ°Π²Π»ΡΠ΅ΡΡΡ Π½Π΅ ΡΠ΅ΡΠ΅Π· ΠΏΠΎΠ΄Π°ΡΡ Β«ΠΏΠ»ΡΡΠ°Β». Π Π½Π΅ΠΌΡ ΠΏΠΎΠ΄Ρ ΠΎΠ΄ΠΈΡ ΠΏΠ°ΡΠ° ΡΠΈΠ»ΠΎΠ²ΡΡ ΠΈ Π½Π΅ΡΠΊΠΎΠ»ΡΠΊΠΎ ΡΠΏΡΠ°Π²Π»ΡΡΡΠΈΡ ΠΏΡΠΎΠ²ΠΎΠ΄ΠΎΠ². Π ΠΎΠ±ΡΠ΅ΠΌ, ΠΈΠ·-Π·Π° ΡΡΠΎΠ³ΠΎ Ρ ΠΏΠ΅ΡΠ²ΠΎΠ³ΠΎ ΡΠ°Π·Π° ΡΡΡΠ°Π½ΠΎΠ²ΠΈΡΡ Π΄ΠΎΠ²ΠΎΠ΄ΡΠΈΠΊ Ρ ΠΌΠ΅Π½Ρ Π½Π΅ ΠΏΠΎΠ»ΡΡΠΈΠ»ΠΎΡΡ π ΠΡΠΈ ΠΏΠΎΠ΄ΠΊΠ»ΡΡΠ΅Π½ΠΈΠΈ ΡΠ΅Π»Π΅ ΡΡΠ°Π±Π°ΡΡΠ²Π°Π»ΠΈ Π½Π΅ ΡΠ°ΠΊ, ΠΊΠ°ΠΊ Π½Π°Π΄ΠΎ ΠΈ ΠΏΡΠ΅Π΄ΠΎΡ ΡΠ°Π½ΠΈΡΠ΅Π»Ρ, ΡΠ°ΡΠΏΠΎΠ»ΠΎΠΆΠ΅Π½Π½ΡΠΉ Π½Π° ΠΏΡΠΎΠ²ΠΎΠ΄Π΅ ΠΏΠΎΡΡΠΎΡΠ½Π½ΠΎΠ³ΠΎ ΠΏΠ»ΡΡΠ° ΠΏΠ΅ΡΠΈΠΎΠ΄ΠΈΡΠ΅ΡΠΊΠΈ ΠΏΠ΅ΡΠ΅Π³ΠΎΡΠ°Π».
ΠΠ° ΡΠΎΡΠΎ Π½ΠΈΠΆΠ΅: ΡΠ»Π΅Π²Π° ΡΠΎΠ»ΡΡΡΠ΅ ΠΏΡΠΎΠ²ΠΎΠ΄Π° β ΠΏΡΠΎΠ²ΠΎΠ΄Π°, ΠΎΡΠ²Π΅ΡΠ°ΡΡΠΈΠ΅ Π·Π° ΠΏΠΎΠ΄Π°ΡΡ ΠΏΠΈΡΠ°Π½ΠΈΡ Π½Π° Π·Π°Π΄Π½ΠΈΠ΅ ΠΈ ΠΏΠ΅ΡΠ΅Π΄Π½Π΅Π΅ ΠΏΠ°ΡΡΠ°ΠΆΠΈΡΡΠΊΠΎΠ΅ ΠΎΠΊΠ½ΠΎ. Π‘ Π½ΠΈΠΌΠΈ Π½ΠΈΠΊΠ°ΠΊΠΈΡ
ΠΏΡΠΎΠ±Π»Π΅ΠΌ Π½Π΅Ρ β ΡΠ΅ΠΆΠ΅ΠΌ ΠΏΠΎΠΏΠΎΠ»Π°ΠΌ ΠΈ ΠΏΠΎΠ΄ΠΊΠ»ΡΡΠ°Π΅ΠΌ ΡΠΎΠ³Π»Π°ΡΠ½ΠΎ ΡΡ
Π΅ΠΌΡ ΠΈΠ· ΠΈΠ½ΡΡΡΡΠΊΡΠΈΠΈ. ΠΠΎ ΡΠ΅Π½ΡΡΡ ΡΠΎΠ½ΠΊΠΈΠ΅ β ΡΠΏΡΠ°Π²Π»ΡΡΡΠΈΠ΅ ΠΏΡΠΎΠ²ΠΎΠ΄Π° Π²ΠΎΠ΄ΠΈΡΠ΅Π»ΡΡΠΊΠΎΠ³ΠΎ ΡΡΠ΅ΠΊΠ»ΠΎΠΏΠΎΠ΄ΡΠ΅ΠΌΠ½ΠΈΠΊΠ°, ΡΠΏΡΠ°Π²Π° ΡΠΎΠ»ΡΡΡΠ΅ β ΡΠΈΠ»ΠΎΠ²ΡΠ΅ ΠΏΡΠΎΠ²ΠΎΠ΄Π°.
ΠΠ»Ρ ΡΠΎΠ³ΠΎ, ΡΡΠΎΠ±Ρ Π·Π°ΡΠ°Π±ΠΎΡΠ°Π» Π΄ΠΎΠ²ΠΎΠ΄ΡΠΈΠΊ Π²ΠΎΠ΄ΠΈΡΠ΅Π»ΡΡΠΊΠΎΠΉ Π΄Π²Π΅ΡΠΈ ΠΏΡΠΈΡΠ»ΠΎΡΡ Π²ΡΠΏΠ°ΡΡΡ ΡΠ΅Π»Π΅ ΠΈΠ· Π±Π»ΠΎΠΊΠ° ΠΈ Π²ΠΏΠ°ΡΡΡ Π΅Π³ΠΎ ΠΌΠ΅ΠΆΠ΄Ρ ΠΌΠ΅ΠΆΠ΄Ρ ΠΊΠΎΠ½ΡΡΠΎΠ»Π»Π΅ΡΠΎΠΌ ΠΈ Π±Π»ΠΎΠΊΠΎΠΌ Π½Π° Π΄Π²Π΅ΡΠΈ.
ΠΠΎΠ²ΡΠΎΡΠ½Π°Ρ ΡΡΡΠ°Π½ΠΎΠ²ΠΊΠ° Π±Π»ΠΎΠΊΠ° ΠΎΡΡΡΠ΅ΡΡΠ²Π»ΡΠ»Π°ΡΡ Π² ΡΡΠ»ΠΎΠ²ΠΈΡΡ
, Π±Π»ΠΈΠ·ΠΊΠΈΡ
ΠΊ ΡΠΏΠ°ΡΡΠ°Π½ΡΠΊΠΈΠΌ: Ρ
ΠΎΠ»ΠΎΠ΄, Π²Π΅ΡΠ΅Ρ, Π΄ΠΎΠΆΠ΄Ρ. ΠΠΎΡΡΠΎΠΌΡ ΡΠΎΡΠΎΠ³ΡΠ°ΡΠΈΠΈ Π±ΡΠ»ΠΎ Π΄Π΅Π»Π°ΡΡ Π½Π΅ΠΊΠΎΠ³Π΄Π°, Π·Π°ΡΠΎ ΠΏΠΎΡΠ»Π΅ Π·Π°Π²Π΅ΡΡΠ΅Π½ΠΈΡ ΡΡΡΠ΄ΠΎΠ² ΡΠΌΠΎΠ³ ΡΠ΄Π΅Π»Π°ΡΡ Π½Π΅Π±ΠΎΠ»ΡΡΠΎΠ΅ Π²ΠΈΠ΄Π΅ΠΎ, Π΄Π΅ΠΌΠΎΠ½ΡΡΡΠΈΡΡΡΡΠ΅Π΅ ΡΠ°Π±ΠΎΡΡ Π±Π»ΠΎΠΊΠ°:
ΠΠΎΡΠ»Π΅ ΡΠΎΠ³ΠΎ, ΠΊΠ°ΠΊ Ρ Π·Π°ΠΊΠΎΠ½ΡΠΈΠ» ΡΡΡΠ°Π½ΠΎΠ²ΠΊΡ ΠΈ ΠΏΡΠΈΡΠ΅Π» Π΄ΠΎΠΌΠΎΠΉ, ΠΌΠ΅Π½Ρ ΠΏΠΎΡΠ΅ΡΠΈΠ»Π° ΠΎΡΠ΅ΡΠ΅Π΄Π½Π°Ρ ΠΈΠ΄Π΅Ρ. Π’Π΅ΠΎΡΠ΅ΡΠΈΡΠ΅ΡΠΊΠΈ, ΠΌΠΎΠΆΠ½ΠΎ Π±ΡΠ»ΠΎ Π½Π΅ Π·Π°ΠΌΠΎΡΠ°ΡΠΈΠ²Π°ΡΡΡΡ ΠΈ Π½Π΅ Π²ΡΠΏΠ°ΠΈΠ²Π°ΡΡ ΡΠ΅Π»Π΅. ΠΠΎΠΆΠ½ΠΎ Π±ΡΠ»ΠΎ ΠΎΡΡΠ°Π²ΠΈΡΡ Π·Π°Π²ΠΎΠ΄ΡΠΊΠΎΠΉ Π΄ΠΎΠΆΠΈΠΌ Π²ΠΎΠ΄ΠΈΡΠ΅Π»ΡΡΠΊΠΎΠ³ΠΎ ΡΡΠ΅ΠΊΠ»Π°, Π° ΠΎΡΡΠ°Π»ΡΠ½ΡΠ΅ ΡΡΠΈ Π·Π°ΡΡΠ°Π²ΠΈΡΡ ΡΠ°Π±ΠΎΡΠ°ΡΡ ΡΠ΅ΡΠ΅Π· Π·Π°ΠΊΠ°Π·Π°Π½Π½ΡΠΉ Π±Π»ΠΎΠΊ. ΠΡΡΡ Ρ ΠΌΠ΅Π½Ρ ΡΠΎΠ²Π°ΡΠΈΡ Ρ ΡΠ°ΠΊΠΎΠΉ ΠΆΠ΅ ΠΌΠ°ΡΠΈΠ½ΠΎΠΉ β ΠΏΠΎ Π²Π΅ΡΠ½Π΅ ΠΏΠΎΠΏΡΠΎΠ±ΡΠ΅ΠΌ ΡΠ΅Π°Π»ΠΈΠ·ΠΎΠ²Π°ΡΡ ΡΡΡ ΡΡ Π΅ΠΌΡ Π½Π° Π΅Π³ΠΎ Π°Π²ΡΠΎ, Π° ΡΠΎ ΡΠ΅ΠΉΡΠ°Ρ ΡΠΆΠ΅ ΡΠ»ΠΈΡΠΊΠΎΠΌ Ρ ΠΎΠ»ΠΎΠ΄Π½ΠΎ Π΄Π»Ρ ΡΠΎΠ³ΠΎ, ΡΡΠΎΠ±Ρ ΡΡΠΎ-ΡΠΎ Π΄Π΅Π»Π°ΡΡ Π½Π° ΡΠ»ΠΈΡΠ΅ (Π΅ΡΠ»ΠΈ ΠΏΡΠΈΡΠΌΠΎΡΡΠ΅ΡΡΡΡ, ΡΠΎ Π½Π° Π²ΠΈΠ΄Π΅ΠΎ Π²ΠΈΠ΄Π½ΠΎ, ΡΡΠΎ Ρ Π½Π°Ρ ΡΠΆΠ΅ ΠΈ ΡΠ½Π΅Π³ Π»Π΅ΡΠ°Π΅Ρ)β¦
ΠΠ°ΠΊ ΠΈΡΠΎΠ³, ΠΌΠΎΠ³Ρ ΡΠΊΠ°Π·Π°ΡΡ, ΡΡΠΎ ΠΏΠΎΠΊΡΠΏΠΊΠΎΠΉ Ρ ΠΎΡΡΠ°Π»ΡΡ Π΄ΠΎΠ²ΠΎΠ»Π΅Π½. ΠΠ»ΠΎΠΊ ΠΎΡΠ»ΠΈΡΠ½ΠΎ Π²ΡΠΏΠΎΠ»Π½ΡΠ΅Ρ ΡΠ²ΠΎΠΈ ΡΡΠ½ΠΊΡΠΈΠΈ, ΡΡΠΎΠΈΡ Π½Π΅Π΄ΠΎΡΠΎΠ³ΠΎ, Π΄Π° ΠΈ ΡΡΠ°Π²ΠΈΡΡΡ Π΄ΠΎΠ²ΠΎΠ»ΡΠ½ΠΎ ΠΏΡΠΎΡΡΠΎ (ΠΎΡΠΎΠ±Π΅Π½Π½ΠΎ, Π΅ΡΠ»ΠΈ Π½Π΅Ρ ΠΊΠ½ΠΎΠΏΠΊΠΈ Β«Π°Π²ΡΠΎΒ» Π½Π° ΡΡΠ°ΡΠ½ΠΎΠΌ ΡΡΠ΅ΠΊΠ»ΠΎΠΏΠΎΠ΄ΡΠ΅ΠΌΠ½ΠΈΠΊΠ΅). Π Π΅ΡΠ΅ ΠΎΠ½ ΡΠ½ΠΈΠ²Π΅ΡΡΠ°Π»Π΅Π½, Π° Π·Π½Π°ΡΠΈΡ ΠΏΠΎΠ΄ΠΎΠΉΠ΄Π΅Ρ Π΄Π»Ρ Π»ΡΠ±ΠΎΠ³ΠΎ Π°Π²ΡΠΎΠΌΠΎΠ±ΠΈΠ»Ρ, ΠΎΡΠ½Π°ΡΠ΅Π½Π½ΠΎΠ³ΠΎ ΡΠ»Π΅ΠΊΡΡΠΎΠΏΡΠΈΠ²ΠΎΠ΄ΠΎΠΌ ΡΡΠ΅ΠΊΠ»ΠΎΠΏΠΎΠ΄ΡΠ΅ΠΌΠ½ΠΈΠΊΠΎΠ². ΠΠ΅ΡΠ΅ΠΏΠ»Π°ΡΠΈΠ²Π°ΡΡ $20-30 Π·Π° ΡΠΎΡΠ½ΠΎ ΡΠ°ΠΊΠΎΠΉ ΠΆΠ΅ Π±Π»ΠΎΠΊ, Π½ΠΎ Ρ ΡΠΆΠ΅ ΡΠ°Π·Π²Π΅Π΄Π΅Π½Π½ΠΎΠΉ ΠΏΡΠΎΠ²ΠΎΠ΄ΠΊΠΎΠΉ ΠΏΠΎΠ΄ ΠΎΠΏΡΠ΅Π΄Π΅Π»Π΅Π½Π½ΡΡ ΠΌΠ°ΡΠΊΡ ΡΠΌΡΡΠ»Π° Π½Π΅ Π²ΠΈΠΆΡ π
ΠΠ° ΡΡΠΎΠΌ Π²ΡΠ΅. Π‘ΠΏΠ°ΡΠΈΠ±ΠΎ Π·Π° Π²Π½ΠΈΠΌΠ°Π½ΠΈΠ΅ ΠΈ ΠΏΠΎΡΡΠ°ΡΠ΅Π½Π½ΠΎΠ΅ Π²ΡΠ΅ΠΌΡ.
mysku.ru
ΠΠΎ ΠΌΠ½ΠΎΠ³ΠΈΡ ΡΠΎΠ²ΡΠ΅ΠΌΠ΅Π½Π½ΡΡ Π°Π²ΡΠΎΠΌΠΎΠ±ΠΈΠ»ΡΡ , Π² ΠΎΡΠ½ΠΎΠ²Π½ΠΎΠΌ ΠΈΠ½ΠΎΠΌΠ°ΡΠΊΠ°Ρ , Π½Π° ΡΡΠ΅ΠΊΠ»Π° Π²ΠΎΠ΄ΠΈΡΠ΅Π»ΡΡΠΊΠΎΠΉ ΠΈ ΠΏΠ°ΡΡΠ°ΠΆΠΈΡΡΠΊΠΈΡ Π΄Π²Π΅ΡΠ΅ΠΉ ΡΡΡΠ°Π½Π°Π²Π»ΠΈΠ²Π°ΡΡΡΡ Π΄ΠΎΠ²ΠΎΠ΄ΡΠΈΠΊΠΈ: ΡΡΠΎ ΡΠΏΠ΅ΡΠΈΠ°Π»ΡΠ½ΡΠ΅ ΡΡΡΡΠΎΠΉΡΡΠ²Π°, ΠΏΠΎΠ·Π²ΠΎΠ»ΡΡΡΠΈΠ΅ Π·Π°ΠΊΡΡΡΡ ΠΎΠΊΠ½Π° Π°Π²ΡΠΎΠΌΠ°ΡΠΈΡΠ΅ΡΠΊΠΈ ΠΏΡΠΈ Π²ΠΊΠ»ΡΡΠ΅Π½ΠΈΠΈ ΡΠΈΠ³Π½Π°Π»ΠΈΠ·Π°ΡΠΈΠΈ. ΠΡΠΈΠΌΠ΅Π½Π΅Π½ΠΈΠ΅ ΡΡΠΈΡ ΠΏΡΠΈΡΠΏΠΎΡΠΎΠ±Π»Π΅Π½ΠΈΠΉ Π΄Π΅Π»Π°Π΅Ρ ΡΠΊΡΠΏΠ»ΡΠ°ΡΠ°ΡΠΈΡ ΠΌΠ°ΡΠΈΠ½Ρ ΠΊΠΎΠΌΡΠΎΡΡΠ½Π΅Π΅, ΠΏΠΎΠ²ΡΡΠ°Π΅Ρ Π΅Π΅ Π±Π΅Π·ΠΎΠΏΠ°ΡΠ½ΠΎΡΡΡ. Π Π½Π΅ΠΊΠΎΡΠΎΡΡΡ ΠΌΠΎΠ΄Π΅Π»ΡΡ ΡΠΈΡΡΠ΅ΠΌΡ ΡΡΠ°Π²ΡΡΡΡ Ρ Π·Π°Π²ΠΎΠ΄Π°; Π΅ΡΠ»ΠΈ ΠΆΠ΅ Π΄ΠΎΠ²ΠΎΠ΄ΡΠΈΠΊ ΡΡΠ΅ΠΊΠΎΠ» Π°Π²ΡΠΎΠΌΠΎΠ±ΠΈΠ»Ρ Π½Π΅ ΠΏΡΠ΅Π΄ΡΡΠΌΠΎΡΡΠ΅Π½ ΡΡΠ°ΡΠ½ΠΎΠΉ ΠΊΠΎΠΌΠΏΠ»Π΅ΠΊΡΠ°ΡΠΈΠ΅ΠΉ, Π΅Π³ΠΎ ΠΌΠΎΠΆΠ½ΠΎ ΠΌΠΎΠ½ΡΠΈΡΠΎΠ²Π°ΡΡ ΠΎΡΠ΄Π΅Π»ΡΠ½ΠΎ. Π‘ΡΡΠ΅ΡΡΠ²ΡΡΡ ΡΠ°Π·Π½ΡΠ΅ Π²ΠΈΠ΄Ρ ΡΠ°ΠΊΠΈΡ ΡΡΡΡΠΎΠΉΡΡΠ², ΠΎΡΠ»ΠΈΡΠ°ΡΡΠΈΠ΅ΡΡ ΠΏΠΎ ΡΠ΅Π½Π΅, ΠΊΠΎΠ½ΡΡΡΡΠΊΡΠΈΠΈ, ΡΡΠΎΠΈΠΌΠΎΡΡΠΈ ΠΈ ΡΡΠ½ΠΊΡΠΈΠΎΠ½Π°Π»Ρ.
Π‘ΠΎΠ΄Π΅ΡΠΆΠ°Π½ΠΈΠ΅ ΡΡΠ°ΡΡΠΈ
ΠΡΠΎ ΠΏΡΠΈΡΠΏΠΎΡΠΎΠ±Π»Π΅Π½ΠΈΠ΅ ΡΠ²Π»ΡΠ΅ΡΡΡ ΠΌΠ΅Ρ Π°Π½ΠΈΠ·ΠΌΠΎΠΌ, ΠΊΠΎΡΠΎΡΡΠΉ ΠΏΠΎΠ·Π²ΠΎΠ»ΡΠ΅Ρ Π°Π²ΡΠΎΠΌΠ°ΡΠΈΡΠ΅ΡΠΊΠΈ Π·Π°ΠΊΡΡΡΡ Π°Π²ΡΠΎΠΌΠΎΠ±ΠΈΠ»ΡΠ½ΡΠ΅ ΠΎΠΊΠ½Π° ΠΏΡΠΈ Π½Π°ΠΆΠ°ΡΠΈΠΈ ΡΠΎΠΎΡΠ²Π΅ΡΡΡΠ²ΡΡΡΠ΅ΠΉ ΠΊΠ½ΠΎΠΏΠΊΠΈ Π½Π° ΡΠΈΠ³Π½Π°Π»ΠΈΠ·Π°ΡΠΈΠΎΠ½Π½ΠΎΠΌ Π±ΡΠ΅Π»ΠΎΠΊΠ΅. ΠΠ° ΡΠ΅Π³ΠΎΠ΄Π½ΡΡΠ½ΠΈΠΉ Π΄Π΅Π½Ρ Π΄ΠΎΠ²ΠΎΠ΄ΡΠΈΠΊΠΈ ΡΡΠ΅ΠΊΠ»ΠΎΠΏΠΎΠ΄ΡΠ΅ΠΌΠ½ΡΡ ΠΌΠ΅Ρ Π°Π½ΠΈΠ·ΠΌΠΎΠ² ΠΌΠΎΠ³ΡΡ Π±ΡΡΡ ΡΡΡΠ°Π½ΠΎΠ²Π»Π΅Π½Ρ ΠΏΡΠ°ΠΊΡΠΈΡΠ΅ΡΠΊΠΈ Π² Π»ΡΠ±ΠΎΠΉ ΠΌΠΎΠ΄Π΅Π»ΠΈ Π²Π½Π΅ Π·Π°Π²ΠΈΡΠΈΠΌΠΎΡΡΠΈ ΠΎΡ ΠΌΠ°ΡΠΊΠΈ ΠΈ ΡΡΡΠ°Π½Ρ-ΠΏΡΠΎΠΈΠ·Π²ΠΎΠ΄ΠΈΡΠ΅Π»Ρ ΠΌΠ°ΡΠΈΠ½Ρ. ΠΠΎΠ΄ΠΎΠ±Π½ΠΎΠ΅ ΡΡΡΡΠΎΠΉΡΡΠ²ΠΎ ΡΠΈΠ»ΡΠ½ΠΎ ΠΎΠ±Π»Π΅Π³ΡΠ°Π΅Ρ ΠΆΠΈΠ·Π½Ρ Π²Π»Π°Π΄Π΅Π»ΡΡΡ, ΠΏΠΎΡΠΊΠΎΠ»ΡΠΊΡ ΠΏΠΎΠ·Π²ΠΎΠ»ΡΠ΅Ρ, Π½Π°ΠΏΡΠΈΠΌΠ΅Ρ, Π½Π΅ ΠΏΠ΅ΡΠ΅ΠΆΠΈΠ²Π°ΡΡ Π·Π° ΡΠΎ, ΡΡΠΎ ΠΎΠΊΠ½Π° ΠΎΡΡΠ°Π»ΠΈΡΡ ΠΎΡΠΊΡΡΡΡΠΌΠΈ, ΠΈ Π²ΠΎΠ·Π²ΡΠ°ΡΠ°ΡΡΡΡ ΠΈΠ·-Π·Π° ΡΡΠΎΠ³ΠΎ Π½Π° ΠΏΠ°ΡΠΊΠΎΠ²ΠΊΡ.
ΠΡΠΈ Π²ΠΊΠ»ΡΡΠ΅Π½ΠΈΠΈ ΡΠΈΠ³Π½Π°Π»ΠΈΠ·Π°ΡΠΈΠΈ Π±Π»ΠΎΠΊ ΡΡΡΡΠΎΠΉΡΡΠ²Π° ΠΎΠΏΡΠ΅Π΄Π΅Π»ΡΠ΅Ρ, Π² ΠΊΠ°ΠΊΠΎΠΌ ΠΏΠΎΠ»ΠΎΠΆΠ΅Π½ΠΈΠΈ Π½Π°Ρ ΠΎΠ΄ΡΡΡΡ ΡΡΠ΅ΠΊΠ»Π°, ΠΈ Π·Π°ΠΊΡΡΠ²Π°Π΅Ρ ΠΈΡ . Π ΡΠ»ΡΡΠ°Π΅, ΠΊΠΎΠ³Π΄Π° Π² ΠΌΠ°ΡΠΈΠ½Π΅ Π±ΡΠ»ΠΎ ΠΎΡΠΊΡΡΡΠΎ Π½Π΅ ΠΎΠ΄Π½ΠΎ ΠΎΠΊΠ½ΠΎ, Π° Π½Π΅ΡΠΊΠΎΠ»ΡΠΊΠΎ, Π·Π°ΠΊΡΡΡΠΈΠ΅ ΠΏΡΠΎΠΈΡΡ ΠΎΠ΄ΠΈΡ ΠΏΠΎ ΠΎΡΠ΅ΡΠ΅Π΄ΠΈ. ΠΠ΅ΠΊΠΎΡΠΎΡΡΠ΅ ΠΌΠΎΠ΄Π΅Π»ΠΈ ΡΡΠ΅ΠΊΠ»ΠΎΠΏΠΎΠ΄ΡΠ΅ΠΌΠ½ΠΈΠΊΠΎΠ² ΠΈΠΌΠ΅ΡΡ Π½Π°ΡΡΡΠΎΠΉΠΊΡ ΡΠΊΠΎΡΠΎΡΡΠΈ ΡΠ°Π±ΠΎΡΡ, ΠΈ Π² ΡΡΠ΅Π΄Π½Π΅ΠΌ Π½Π° ΠΏΠΎΠ»Π½ΡΡ Π΄ΠΎΠ²ΠΎΠ΄ΠΊΡ ΡΡ ΠΎΠ΄ΠΈΡ 4-6 ΡΠ΅ΠΊΡΠ½Π΄. Π‘ΠΎΠ²ΡΠ΅ΠΌΠ΅Π½Π½ΡΠ΅ ΡΡΡΡΠΎΠΉΡΡΠ²Π° ΠΌΠΎΠΆΠ½ΠΎ ΡΡΡΠ°Π½ΠΎΠ²ΠΈΡΡ ΠΈ ΡΠ°ΠΌΠΎΡΡΠΎΡΡΠ΅Π»ΡΠ½ΠΎ ΠΈΠ»ΠΈ Π² ΡΠ΅ΡΠ²ΠΈΡΠ΅: Π΄Π»Ρ ΡΡΠΎΠ³ΠΎ ΠΏΠΎΠ½Π°Π΄ΠΎΠ±ΠΈΡΡΡ ΡΠΎΠΎΡΠ²Π΅ΡΡΡΠ²ΡΡΡΠ΅Π΅ ΠΎΠ±ΠΎΡΡΠ΄ΠΎΠ²Π°Π½ΠΈΠ΅, ΠΏΡΠΈΡΠΏΠΎΡΠΎΠ±Π»Π΅Π½ΠΈΠ΅ ΠΈ ΡΡ Π΅ΠΌΠ° ΠΌΠΎΠ½ΡΠ°ΠΆΠ°.
Π Π΄ΠΎΡΡΠΎΠΈΠ½ΡΡΠ²Π°ΠΌ ΡΠ°ΠΊΠΈΡ ΠΏΡΠΈΡΠΏΠΎΡΠΎΠ±Π»Π΅Π½ΠΈΠΉ ΠΌΠΎΠΆΠ½ΠΎ ΠΎΡΠ½Π΅ΡΡΠΈ ΡΠ»Π΅Π΄ΡΡΡΠΈΠ΅ ΠΌΠΎΠΌΠ΅Π½ΡΡ:
Π’Π΅ΠΌ Π½Π΅ ΠΌΠ΅Π½Π΅Π΅, ΠΌΠΎΠ½ΡΠ°ΠΆ ΡΠ°ΠΊΠΎΠ³ΠΎ ΡΡΡΡΠΎΠΉΡΡΠ²Π° ΠΈΠΌΠ΅Π΅Ρ ΠΈ Π½Π΅Π΄ΠΎΡΡΠ°ΡΠΊΠΈ. Π Π½ΠΈΠΌ ΠΎΡΠ½ΠΎΡΡΡΡΡ ΡΠ»Π΅Π΄ΡΡΡΠΈΠ΅ Π°ΡΠΏΠ΅ΠΊΡΡ:
ΠΠ°Π½Π½ΡΠ΅ ΡΡΡΡΠΎΠΉΡΡΠ²Π° ΠΏΠΎΠ΄ΡΠ°Π·Π΄Π΅Π»ΡΡΡΡΡ ΠΏΠΎ Π²ΠΎΠ·ΠΌΠΎΠΆΠ½ΠΎΡΡΡΠΌ ΠΈ Π±ΡΠ²Π°ΡΡ ΡΡΠ°Π½Π΄Π°ΡΡΠ½ΡΠΌΠΈ ΠΈ ΠΌΠ½ΠΎΠ³ΠΎΡΡΠ½ΠΊΡΠΈΠΎΠ½Π°Π»ΡΠ½ΡΠΌΠΈ. ΠΡΠ»ΠΈ ΠΏΠ΅ΡΠ²ΡΠΉ Π²ΠΈΠ΄ ΡΠΎΠ»ΡΠΊΠΎ Π·Π°ΠΊΡΡΠ²Π°Π΅Ρ ΠΎΠΊΠ½ΠΎ ΠΏΡΠΈ Π²ΠΊΠ»ΡΡΠ΅Π½ΠΈΠΈ ΡΠΈΠ³Π½Π°Π»ΠΈΠ·Π°ΡΠΈΠΈ, ΡΠΎ ΡΡ Π΅ΠΌΠ° Π²ΡΠΎΡΠΎΠ³ΠΎ ΠΌΠ΅Ρ Π°Π½ΠΈΠ·ΠΌΠ° Π΄ΠΎΠ²ΠΎΠ΄ΠΊΠΈ ΡΡΠ΅ΠΊΠ»ΠΎΠΏΠΎΠ΄ΡΠ΅ΠΌΠ½ΠΈΠΊΠΎΠ² ΠΏΠΎΠ΄ΡΠ°Π·ΡΠΌΠ΅Π²Π°Π΅Ρ Π½Π°Π»ΠΈΡΠΈΠ΅ ΡΡΠ΄Π° Π΄ΠΎΠΏΠΎΠ»Π½ΠΈΡΠ΅Π»ΡΠ½ΡΡ ΠΎΠΏΡΠΈΠΉ. Π Π½ΠΈΠΌ ΠΎΡΠ½ΠΎΡΡΡΡΡ ΡΠ»Π΅Π΄ΡΡΡΠΈΠ΅ ΡΡΠ½ΠΊΡΠΈΠΈ:
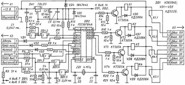
ΠΠ½Π΅ΡΠ½Π΅ ΠΌΠΎΠ΄ΡΠ»Ρ Π΄ΠΎΠ²ΠΎΠ΄ΡΠΈΠΊΠ° Π²ΡΠ³Π»ΡΠ΄ΠΈΡ ΠΊΠ°ΠΊ ΠΌΠ΅Ρ Π°Π½ΠΈΠ·ΠΌ Π² ΠΏΠ»Π°ΡΡΠΈΠΊΠΎΠ²ΠΎΠΌ ΠΊΠΎΡΠΏΡΡΠ΅, ΠΊΠΎΡΠΎΡΡΠΉ ΠΎΡΠ»ΠΈΡΠ°Π΅ΡΡΡ ΠΌΠ°Π»ΡΠΌΠΈ Π³Π°Π±Π°ΡΠΈΡΠ°ΠΌΠΈ ΠΈ ΡΠΎΠ΅Π΄ΠΈΠ½Π΅Π½ Ρ Π½Π΅ΡΠΊΠΎΠ»ΡΠΊΠΈΠΌΠΈ ΠΏΡΠΎΠ²ΠΎΠ΄Π°ΠΌΠΈ. Π’Π΅, Π² ΡΠ²ΠΎΡ ΠΎΡΠ΅ΡΠ΅Π΄Ρ, ΠΏΠΎΠ΄ΡΠΎΠ΅Π΄ΠΈΠ½ΡΡΡΡΡ ΠΊ ΡΡΠ΅ΠΊΠ»ΠΎΠΏΠΎΠ΄ΡΠ΅ΠΌΠ½ΠΎΠΌΡ ΠΌΠ΅Ρ Π°Π½ΠΈΠ·ΠΌΡ ΠΈ ΠΈΡΡΠΎΡΠ½ΠΈΠΊΡ ΠΏΠΈΡΠ°Π½ΠΈΡ. ΠΠ»ΠΎΠΊ Π΄Π»Ρ ΡΡΠ΅ΠΊΠ»ΠΎΠΏΠΎΠ΄ΡΠ΅ΠΌΠ½ΠΈΠΊΠΎΠ² ΠΈΠΌΠ΅Π΅Ρ ΡΠΏΠ΅ΡΠΈΠ°Π»ΡΠ½ΡΠΉ ΡΠΈΠΏ, ΠΊΠΎΡΠΎΡΡΠΉ ΠΎΡΠΏΡΠ°Π²Π»ΡΠ΅Ρ ΡΠΈΠ³Π½Π°Π» ΡΠ»Π΅ΠΊΡΡΠΈΡΠ΅ΡΠΊΠΎΠΌΡ ΠΌΠΎΡΠΎΡΡ Π΄Π»Ρ ΠΈΠ·ΠΌΠ΅Π½Π΅Π½ΠΈΡ ΠΏΠΎΠ»ΠΎΠΆΠ΅Π½ΠΈΡ ΠΎΠΊΠΎΠ½ Π² Π½Π΅ΠΎΠ±Ρ ΠΎΠ΄ΠΈΠΌΡΠΉ ΠΌΠΎΠΌΠ΅Π½Ρ.
ΠΠΎΠ΄ΠΎΠ±Π½Π°Ρ ΡΡ Π΅ΠΌΠ° ΡΠ°Π±ΠΎΡΡ ΠΏΠΎΠ·Π²ΠΎΠ»ΡΠ΅Ρ Π·Π½Π°ΡΠΈΡΠ΅Π»ΡΠ½ΠΎ ΠΏΠΎΠ½ΠΈΠ·ΠΈΡΡ Π½Π°Π³ΡΡΠ·ΠΊΡ Π½Π° ΠΏΠ΅ΡΠ»ΠΈ Π°Π²ΡΠΎΠΌΠΎΠ±ΠΈΠ»ΡΠ½ΡΡ Π΄Π²Π΅ΡΠ΅ΠΉ ΠΈ ΠΌΠ΅Ρ Π°Π½ΠΈΠ·ΠΌ ΠΏΠΎ ΠΎΡΠΊΡΡΡΠΈΡ ΠΎΠΊΠΎΠ½. ΠΡΠ»ΠΈ ΠΌΠ°ΡΠΈΠ½Π° ΠΎΡΠ½Π°ΡΠ΅Π½Π° ΡΠ°ΠΊΠΈΠΌ Π΄ΠΎΠ²ΠΎΠ΄ΡΠΈΠΊΠΎΠΌ, ΡΠΎ ΡΠ°Π»ΠΎΠ½ ΠΈΠΌΠ΅Π΅Ρ Π±ΠΎΠ»ΡΡΡΡ Π·Π°ΡΠΈΡΠ΅Π½Π½ΠΎΡΡΡ: ΡΠ°ΠΊ, Π½Π°ΠΏΡΠΈΠΌΠ΅Ρ, ΠΏΡΠΈ Π·Π°ΠΊΡΡΡΠΈΠΈ ΠΎΠΊΠΎΠ½ ΠΏΠΎ ΡΡΠ°Π½Π΄Π°ΡΡΠ½ΠΎΠΉ ΡΡ Π΅ΠΌΠ΅ ΠΌΠΎΠΆΠ½ΠΎ Π½Π΅ Π±ΠΎΡΡΡΡΡ, ΡΡΠΎ Π²Ρ Π½Π΅ ΠΏΠΎΠ΄Π½ΡΠ»ΠΈ ΡΡΠ΅ΠΊΠ»Π° Π΄ΠΎ ΠΊΠΎΠ½ΡΠ°, ΠΎΡΡΠ°Π²ΠΈΠ² ΡΠ»ΡΡΠ°ΠΉΠ½ΠΎ ΡΠ΅Π»Ρ, ΠΊΠΎΡΠΎΡΠΎΠΉ ΠΌΠΎΠ³ΡΡ Π²ΠΎΡΠΏΠΎΠ»ΡΠ·ΠΎΠ²Π°ΡΡΡΡ Π·Π»ΠΎΡΠΌΡΡΠ»Π΅Π½Π½ΠΈΠΊΠΈ, ΡΡΠΎΠ±Ρ Π²ΡΠΊΡΡΡΡ Π°Π²ΡΠΎΠΌΠΎΠ±ΠΈΠ»Ρ. ΠΠ½ΡΡΡΠΈ ΡΠΎΡ ΡΠ°Π½ΡΠ΅ΡΡΡ Π½Π΅ΠΎΠ±Ρ ΠΎΠ΄ΠΈΠΌΠ°Ρ ΡΠ΅ΠΌΠΏΠ΅ΡΠ°ΡΡΡΠ°, ΡΡΠΎ ΠΏΠΎΠ·Π²ΠΎΠ»ΡΠ΅Ρ Π»Π΅ΡΠΎΠΌ Π½Π΅ ΡΡΡΠ°Π΄Π°ΡΡ ΠΎΡ ΠΆΠ°ΡΡ. ΠΠ»ΠΎΠΊ Π΄ΠΎΠ²ΠΎΠ΄ΡΠΈΠΊΠ° ΠΏΠΎΠ·Π²ΠΎΠ»ΡΠ΅Ρ ΡΠ°ΠΊΠΆΠ΅ Π°Π²ΡΠΎΠΌΠ°ΡΠΈΠ·ΠΈΡΠΎΠ²Π°ΡΡ ΠΏΡΠΎΡΠ΅ΡΡ ΠΏΡΠΎΠ²Π΅ΡΡΠΈΠ²Π°Π½ΠΈΡ, Π° ΠΏΡΠΈ Π½Π΅ΠΎΠ±Ρ ΠΎΠ΄ΠΈΠΌΠΎΡΡΠΈ Π·Π°ΡΠΈΡΠΈΡΡ ΡΠ°Π»ΠΎΠ½ ΠΌΠ°ΡΠΈΠ½Ρ ΠΎΡ ΠΏΠΎΠΏΠ°Π΄Π°Π½ΠΈΡ ΠΏΡΠ»ΠΈ ΠΈ Π³ΡΡΠ·ΠΈ.
ΠΠΎΠ½ΡΠ°ΠΆ Π΄ΠΎΠ²ΠΎΠ΄ΡΠΈΠΊΠ° ΠΌΠΎΠΆΠ½ΠΎ ΠΎΡΡΡΠ΅ΡΡΠ²ΠΈΡΡ ΠΊΠ°ΠΊ ΡΠ°ΠΌΠΎΡΡΠΎΡΡΠ΅Π»ΡΠ½ΠΎ, ΡΠ°ΠΊ ΠΈ Π² ΡΠ΅ΡΠ²ΠΈΡΠ΅: Π² ΠΏΠ΅ΡΠ²ΠΎΠΌ ΡΠ»ΡΡΠ°Π΅ ΠΌΠΎΠΆΠ½ΠΎ ΡΡΠΊΠΎΠ½ΠΎΠΌΠΈΡΡ ΠΏΡΠΈ Π½Π°Π»ΠΈΡΠΈΠΈ Π½Π°Π²ΡΠΊΠΎΠ² ΠΌΠ΅Ρ Π°Π½ΠΈΠΊΠ°, Π° Π²ΠΎ Π²ΡΠΎΡΠΎΠΌ ΡΠΈΡΠΊ, ΡΡΠΎ ΠΌΠΎΠ΄ΡΠ»Ρ Π±ΡΠ΄Π΅Ρ ΡΡΡΠ°Π½ΠΎΠ²Π»Π΅Π½ Π½Π΅ΠΏΡΠ°Π²ΠΈΠ»ΡΠ½ΠΎ, ΡΠ½ΠΈΠΆΠ°Π΅ΡΡΡ.
ΠΠΏΠΈΡΠ°Π½Π½Π°Ρ ΡΡ Π΅ΠΌΠ° ΡΡΡΠ°Π½ΠΎΠ²ΠΊΠΈ ΠΏΠΎΠ΄Ρ ΠΎΠ΄ΠΈΡ Π΄Π»Ρ Π±ΠΎΠ»ΡΡΠΈΠ½ΡΡΠ²Π° ΡΠΎΠ²ΡΠ΅ΠΌΠ΅Π½Π½ΡΡ ΠΌΠΎΠ΄Π΅Π»Π΅ΠΉ Π΄ΠΎΠ²ΠΎΠ΄ΡΠΈΠΊΠΎΠ², ΠΎΠ΄Π½Π°ΠΊΠΎ Π½Π΅ΠΊΠΎΡΠΎΡΡΠ΅ ΡΡΡΡΠΎΠΉΡΡΠ²Π° ΠΈΠΌΠ΅ΡΡ ΠΎΡΠ»ΠΈΡΠΈΡ Π² ΠΌΠΎΠ½ΡΠ°ΠΆΠ΅. Π§ΡΠΎΠ±Ρ ΡΠΎΡΠ½ΠΎ ΠΏΠΎΠ½ΡΡΡ, ΠΊΠ°ΠΊ ΠΏΠΎΡΡΠ°Π²ΠΈΡΡ Π΄ΠΎΠ²ΠΎΠ΄ΡΠΈΠΊ Π½Π° ΠΊΠΎΠ½ΠΊΡΠ΅ΡΠ½ΡΡ ΠΌΠΎΠ΄Π΅Π»Ρ ΠΈ ΠΌΠΎΠ΄ΠΈΡΠΈΠΊΠ°ΡΠΈΡ Π°Π²ΡΠΎ, ΡΠ»Π΅Π΄ΡΠ΅Ρ ΠΈΠ·ΡΡΠΈΡΡ ΠΈΠ½ΡΡΡΡΠΊΡΠΈΡ, ΠΊΠΎΡΠΎΡΠ°Ρ ΠΏΡΠΈΠ»Π°Π³Π°Π΅ΡΡΡ ΠΊ ΡΡΡΡΠΎΠΉΡΡΠ²Ρ.
znayauto.ru
Π ΠΏΠΎΡΠ»Π΅Π΄Π½Π΅Π΅ Π²ΡΠ΅ΠΌΡ Π²ΡΠ΅ Π±ΠΎΠ»ΡΡΠ΅Π΅ ΠΊΠΎΠ»ΠΈΡΠ΅ΡΡΠ²ΠΎ ΠΏΡΠΎΠΈΠ·Π²ΠΎΠ΄ΠΈΡΠ΅Π»Π΅ΠΉ Π΄Π΅Π»Π°ΡΡ ΡΡΠ°Π²ΠΊΡ Π½Π° ΠΊΠΎΠ»ΠΈΡΠ΅ΡΡΠ²ΠΎ ΠΎΠΏΡΠΈΠΉ Π² Π°Π²ΡΠΎΠΌΠΎΠ±ΠΈΠ»Π΅. ΠΡΠΎ ΠΌΠΎΠ³ΡΡ Π±ΡΡΡ ΡΠ»Π΅ΠΊΡΡΠΎΠ½Π½ΡΠ΅ ΠΏΠΎΠΌΠΎΡΠ½ΠΈΠΊΠΈ, ΠΊΠΎΡΠΎΡΡΠ΅ ΠΌΠ½ΠΎΠ³ΠΎΠΊΡΠ°ΡΠ½ΠΎ ΠΎΠ±Π»Π΅Π³ΡΠ°ΡΡ ΠΏΡΠΎΡΠ΅ΡΡ Π²ΠΎΠΆΠ΄Π΅Π½ΠΈΡ, ΠΈΠ»ΠΈ ΠΆΠ΅ ΡΠΈΡΡΠ΅ΠΌΡ, ΠΊΠΎΡΠΎΡΡΠ΅ ΠΎΠ±Π΅ΡΠΏΠ΅ΡΠΈΠ²Π°ΡΡ Π±ΠΎΠ»Π΅Π΅ ΠΊΠΎΠΌΡΠΎΡΡΠ½ΠΎΠ΅ ΠΏΡΠ΅Π±ΡΠ²Π°Π½ΠΈΠ΅ Π² ΡΠ°Π»ΠΎΠ½Π΅. Π‘Π΅Π³ΠΎΠ΄Π½Ρ ΠΌΡ Π·Π°ΡΡΠΎΠ½Π΅ΠΌ ΡΠ΅ΠΌΡ ΠΎΠ΄Π½ΠΎΠΉ ΠΈΠ· ΠΏΠΎΠ΄ΠΎΠ±Π½ΡΡ ΡΡΠ½ΠΊΡΠΈΠΉ β ΡΠ»Π΅ΠΊΡΡΠΈΡΠ΅ΡΠΊΠΈΠ΅ Π΄ΠΎΠ²ΠΎΠ΄ΡΠΈΠΊΠΈ ΡΡΠ΅ΠΊΠΎΠ» Π°Π²ΡΠΎΠΌΠΎΠ±ΠΈΠ»Ρ, ΠΈ ΡΠ°ΡΡΠΊΠ°ΠΆΠ΅ΠΌ, Π² ΡΠ΅ΠΌ Π·Π°ΠΊΠ»ΡΡΠ°ΡΡΡΡ ΠΎΡΠΎΠ±Π΅Π½Π½ΠΎΡΡΠΈ ΡΡΠΈΡ Π½Π΅Π·Π°ΠΌΠ΅Π½ΠΈΠΌΡΡ ΡΠΈΡΡΠ΅ΠΌ.
ΠΠ½ΠΎΠ³ΠΈΠ΅ ΠΏΡΠΈΠΌΠ΅ΡΠ½ΠΎ ΠΏΡΠ΅Π΄ΡΡΠ°Π²Π»ΡΡΡ ΡΠ΅Π±Π΅, ΠΊΠ°ΠΊ Π΄ΠΎΠ»ΠΆΠ΅Π½ ΡΠ°Π±ΠΎΡΠ°ΡΡ Π΄ΠΎΠ²ΠΎΠ΄ΡΠΈΠΊ Π΄Π»Ρ ΡΡΠ΅ΠΊΠ»ΠΎΠΏΠΎΠ΄ΡΠ΅ΠΌΠ½ΠΈΠΊΠΎΠ², Π½ΠΎ ΠΌΠ°Π»ΠΎ ΠΊΡΠΎ Π·Π½Π°Π΅Ρ ΡΡΡΡΠΎΠΉΡΡΠ²ΠΎ ΡΠ°ΠΊΠΎΠΉ ΡΠ»Π΅ΠΊΡΡΠΎΠ½ΠΈΠΊΠΈ ΠΈ, ΡΡΠΎ ΡΠ°ΠΌΠΎΠ΅ Π³Π»Π°Π²Π½ΠΎΠ΅, ΡΡΠΎ Π²Ρ ΠΎΠ΄ΠΈΡ Π² ΡΠΎΡΡΠ°Π² ΠΏΠΎΠ΄ΠΎΠ±Π½ΠΎΠΉ ΡΠΈΡΡΠ΅ΠΌΡ.

ΠΠ»Ρ Π½Π°ΡΠ°Π»Π°, Π²ΠΊΡΠ°ΡΡΠ΅ ΡΠ°ΡΡΠΊΠ°ΠΆΠ΅ΠΌ ΠΎ ΡΠΎΠΌ, ΠΊΠ°ΠΊ Π΄ΠΎΠ»ΠΆΠ΅Π½ ΡΠ°Π±ΠΎΡΠ°ΡΡ Π΄ΠΎΠ²ΠΎΠ΄ΡΠΈΠΊ ΡΡΠ΅ΠΊΠΎΠ» Π°Π²ΡΠΎΠΌΠΎΠ±ΠΈΠ»Ρ, ΠΈ ΠΊΠ°ΠΊΠΈΠ΅ ΡΡΠ½ΠΊΡΠΈΠΈ ΠΎΠ½ Π²ΡΠΏΠΎΠ»Π½ΡΠ΅Ρ. ΠΡΠ΅ΠΆΠ΄Π΅ Π²ΡΠ΅Π³ΠΎ, ΡΡΠΎΡΠ½ΠΈΠΌ, ΡΡΠΎ Π΄ΠΎΠ²ΠΎΠ΄ΡΠΈΠΊ Π²ΡΠ΅Π³Π΄Π° ΡΠ°Π±ΠΎΡΠ°Π΅Ρ Π² ΠΏΠ°ΡΠ΅ ΡΠΎ ΡΡΠ°ΡΠ½ΠΎΠΉ ΠΈΠ»ΠΈ Π΄ΠΎΠΏΠΎΠ»Π½ΠΈΡΠ΅Π»ΡΠ½ΠΎΠΉ ΡΠΈΠ³Π½Π°Π»ΠΈΠ·Π°ΡΠΈΠ΅ΠΉ. Π’Π°ΠΊ, Π½Π° ΠΌΠ½ΠΎΠ³ΠΈΡ ΠΏΡΠ΅Π΄ΡΡΠ°Π²ΠΈΡΠ΅Π»ΡΡ ΡΠΈΡΠΎΠΊΠΎ ΠΈΠ·Π²Π΅ΡΡΠ½ΠΎΠ³ΠΎ ΠΊΠΎΠ½ΡΠ΅ΡΠ½Π° ΠΠΠ Π΄ΠΎΠ²ΠΎΠ΄ΡΠΈΠΊ Π²ΠΊΠ»ΡΡΠ΅Π½ Π² ΡΡ Π΅ΠΌΡ ΡΡΠ°ΡΠ½ΠΎΠΉ ΠΎΡ ΡΠ°Π½Π½ΠΎΠΉ ΡΠΈΡΡΠ΅ΠΌΡ.
ΠΡΠΈ ΡΠ΄Π΅ΡΠΆΠ°Π½ΠΈΠΈ ΠΊΠ½ΠΎΠΏΠΊΠΈ Π·Π°ΠΊΡΡΡΠΈΡ Π΄Π²Π΅ΡΠ΅ΠΉ Π½Π° Π±ΡΠ΅Π»ΠΎΠΊΠ΅ ΠΏΡΠΎΠΈΡΡ ΠΎΠ΄ΠΈΡ Π·Π°ΠΊΡΡΡΠΈΠ΅ Π²ΠΎΠ΄ΠΈΡΠ΅Π»ΡΡΠΊΠΎΠ³ΠΎ ΠΈΠ»ΠΈ ΠΆΠ΅ Π²ΡΠ΅Ρ ΡΠ΅ΡΡΡΠ΅Ρ ΡΡΠ΅ΠΊΠΎΠ». ΠΡΠΈ ΡΠ΄Π΅ΡΠΆΠ°Π½ΠΈΠΈ ΠΊΠ»Π°Π²ΠΈΡΠΈ ΡΠ°Π·Π±Π»ΠΎΠΊΠΈΡΠΎΠ²ΠΊΠΈ, Π½Π°ΠΏΡΠΎΡΠΈΠ², ΡΡΠ΅ΠΊΠ»ΠΎΠΏΠΎΠ΄ΡΠ΅ΠΌΠ½ΠΈΠΊΠΈ ΡΡΠ°Π±Π°ΡΡΠ²Π°ΡΡ Π² ΠΎΠ±ΡΠ°ΡΠ½ΡΡ ΡΡΠΎΡΠΎΠ½Ρ. ΠΠΎΠ»ΠΈΡΠ΅ΡΡΠ²ΠΎ ΠΈ ΠΏΠΎΡΡΠ΄ΠΎΠΊ ΠΎΡΠΊΡΡΠ²Π°Π½ΠΈΡ ΡΡΠ΅ΠΊΠΎΠ» Π½Π°ΡΡΡΠ°ΠΈΠ²Π°Π΅ΡΡΡ ΡΠ΅ΡΠ΅Π· Π±ΠΎΡΡΠΎΠ²ΡΡ ΡΠΈΡΡΠ΅ΠΌΡ ΠΌΠ°ΡΠΈΠ½Ρ.
Π ΠΎΠ±ΡΠ΅ΠΌ ΡΠ»ΡΡΠ°Π΅, ΡΡ Π΅ΠΌΠ° ΠΌΠΎΠΆΠ΅Ρ ΠΎΠΊΠ°Π·Π°ΡΡΡΡ ΠΈ Π±ΠΎΠ»Π΅Π΅ ΡΠ»ΠΎΠΆΠ½ΠΎΠΉ. ΠΠ°ΠΏΡΠΈΠΌΠ΅Ρ, Π½Π΅ΠΊΠΎΡΠΎΡΡΠ΅ ΠΏΡΠΎΠΈΠ·Π²ΠΎΠ΄ΠΈΡΠ΅Π»ΠΈ Π½Π΅ΡΡΠ°ΡΠ½ΡΡ ΡΠΈΡΡΠ΅ΠΌ Π²Π½Π΅Π΄ΡΡΡΡ Π±Π»ΠΎΠΊΠΈ, ΠΊΠΎΡΠΎΡΡΠ΅ ΡΠΏΠΎΡΠΎΠ±Π½Ρ Π½Π΅ ΠΏΡΠΎΡΡΠΎ ΡΠ΅Π°Π³ΠΈΡΠΎΠ²Π°ΡΡ Π½Π° Π½Π°ΠΆΠ°ΡΠΈΠ΅ ΠΊΠ»Π°Π²ΠΈΡ, Π½ΠΎ ΠΈ Π·Π°ΠΏΠΎΠΌΠΈΠ½Π°ΡΡ ΡΠ΅ΠΊΡΡΠ΅Π΅ ΠΏΠΎΠ»ΠΎΠΆΠ΅Π½ΠΈΠ΅ ΠΎΡΠΊΡΡΡΠΎΠ³ΠΎ ΠΎΠΊΠ½Π°.
ΠΠ½ΡΠΌΠΈ ΡΠ»ΠΎΠ²Π°ΠΌΠΈ, ΠΏΡΠΈ ΠΏΠΎΡΡΠ°Π½ΠΎΠ²ΠΊΠ΅ Π°Π²ΡΠΎΠΌΠΎΠ±ΠΈΠ»Ρ Π½Π° ΡΠΈΠ³Π½Π°Π»ΠΈΠ·Π°ΡΠΈΡ, ΠΏΡΠΎΠΈΠ·ΠΎΠΉΠ΄Π΅Ρ ΠΏΠΎΠ»Π½ΠΎΠ΅ Π·Π°ΠΊΡΡΡΠΈΠ΅ ΠΎΠΊΠΎΠ½, Π½ΠΎ ΠΏΡΠΈ ΡΠ½ΡΡΠΈΠΈ Ρ ΠΎΡ ΡΠ°Π½Ρ ΡΡΠ΅ΠΊΠ»ΠΎ ΠΏΡΠΈΠΌΠ΅Ρ Π·Π°ΠΏΠΎΠΌΠ½Π΅Π½Π½ΠΎΠ΅ ΠΏΠΎΠ»ΠΎΠΆΠ΅Π½ΠΈΠ΅. Π‘ΡΠΈΡΠ°Π΅ΡΡΡ, ΡΡΠΎ ΡΠ°ΠΊΠ°Ρ ΡΡ Π΅ΠΌΠ° ΡΠ°Π±ΠΎΡΡ ΠΎΡΠ΅Π½Ρ ΡΠ΄ΠΎΠ±Π½Π° ΠΈ ΠΌΠ½ΠΎΠ³ΠΎΠΊΡΠ°ΡΠ½ΠΎ ΠΏΠΎΠ²ΡΡΠ°Π΅Ρ ΠΊΠΎΠΌΡΠΎΡΡ Π²ΠΎΠ΄ΠΈΡΠ΅Π»Ρ.
ΠΠΎΠ»ΡΡΠΈΠ½ΡΡΠ²ΠΎ Π΄ΠΎΠ²ΠΎΠ΄ΡΠΈΠΊΠΎΠ² ΡΡΠ΅ΠΊΠ»ΠΎΠΏΠΎΠ΄ΡΠ΅ΠΌΠ½ΠΈΠΊΠΎΠ² ΠΈΠΌΠ΅ΡΡ Π΄Π²Π΅ ΡΡ Π΅ΠΌΡ ΡΠ°Π±ΠΎΡΡ ΠΈ ΠΌΠΎΠ΄ΡΠ»ΠΈ, ΠΊΠΎΡΠΎΡΡΠ΅ ΡΠ°Π±ΠΎΡΠ°ΡΡ ΠΏΠΎ Π΄Π²ΡΠΌ ΡΠ°Π·Π΄Π΅Π»ΡΠ½ΡΠΌ ΠΏΡΠΈΠ½ΡΠΈΠΏΠ°ΠΌ. Π‘Π°ΠΌΠ°Ρ ΠΏΡΠΎΡΡΠ΅ΠΉΡΠ°Ρ ΡΡ Π΅ΠΌΠ° ΠΏΠΎΠ΄ΠΊΠ»ΡΡΠ°Π΅ΡΡΡ ΡΠΎΠ»ΡΠΊΠΎ ΠΊ ΡΡΠ΅ΠΊΠ»ΠΎΠΏΠΎΠ΄ΡΠ΅ΠΌΠ½ΠΈΠΊΠ°ΠΌ ΠΏΠ΅ΡΠ΅Π΄Π½ΠΈΡ Π΄Π²Π΅ΡΠ΅ΠΉ. Π’Π°ΠΊΠ°Ρ ΡΠΈΡΡΠ΅ΠΌΠ° ΡΠ΄ΠΎΠ±Π½Π° ΠΏΠΎ Π΄Π²ΡΠΌ ΠΏΡΠΈΡΠΈΠ½Π°ΠΌ. ΠΠΎ-ΠΏΠ΅ΡΠ²ΡΡ , ΡΡΠΎΠΈΠΌΠΎΡΡΡ ΡΠ»Π΅ΠΊΡΡΠΎΠ½Π½ΠΎΠ³ΠΎ Π±Π»ΠΎΠΊΠ° ΠΈ ΠΌΠΎΠ΄ΡΠ»Ρ ΡΠΏΡΠ°Π²Π»Π΅Π½ΠΈΡ Π½Π΅ΡΠΎΠΏΠΎΡΡΠ°Π²ΠΈΠΌΠΎ ΠΌΠ΅Π½ΡΡΠ΅, ΡΠ΅ΠΌ Π² ΡΠ»ΡΡΠ°Π΅ Ρ ΡΠΈΡΡΠ΅ΠΌΠΎΠΉ Π½Π° 4 ΠΎΠΊΠ½Π°. ΠΠΎ-Π²ΡΠΎΡΡΡ , ΠΏΠΎΠ΄ΠΊΠ»ΡΡΠ΅Π½ΠΈΠ΅ ΡΠ°ΠΊΠΎΠΉ ΡΠ»Π΅ΠΊΡΡΠΎΠ½ΠΈΠΊΠΈ ΠΊΡΠ΄Π° ΠΏΡΠΎΡΠ΅ ΠΈ ΠΏΠΎΠ΄Π²Π»Π°ΡΡΠ½ΠΎ Π΄Π°ΠΆΠ΅ Π½Π΅ΠΏΡΠΎΡΠ΅ΡΡΠΈΠΎΠ½Π°Π»Ρ, Π±Π»Π°Π³ΠΎΠ΄Π°ΡΡ Π½Π΅ΡΠ»ΠΎΠΆΠ½ΠΎΠΉ ΡΡ Π΅ΠΌΠ΅ ΠΈ ΠΈΠ½ΡΡΡΡΠΊΡΠΈΠΈ.
ΠΡΠ»ΠΈ ΠΏΠΎ ΠΊΠ°ΠΊΠΈΠΌ-Π»ΠΈΠ±ΠΎ ΠΏΡΠΈΡΠΈΠ½Π°ΠΌ Π²Π»Π°Π΄Π΅Π»ΡΡΡ Π½Π΅ Ρ ΠΎΡΠ΅ΡΡΡ ΡΡΠ°ΡΠΈΡΡ ΡΠΎΠ»ΠΈΠ΄Π½ΡΡ ΡΡΠΌΠΌΡ Π½Π° ΡΡΠ»ΡΠ³ΠΈ Π°Π²ΡΠΎΡΠ»Π΅ΠΊΡΡΠΈΠΊΠ°, ΠΈΠ»ΠΈ ΠΎΠ½ Π½Π΅ Π΄ΠΎΠ²Π΅ΡΡΠ΅Ρ ΠΏΠΎΡΡΠΎΡΠΎΠ½Π½Π΅ΠΌΡ Π»ΠΈΡΡ, ΡΡΡΠ΅ΡΡΠ²ΡΠ΅Ρ Π²ΠΎΠ·ΠΌΠΎΠΆΠ½ΠΎΡΡΡ ΡΠ°ΠΌΠΎΡΡΠΎΡΡΠ΅Π»ΡΠ½ΠΎΠΉ ΡΡΡΠ°Π½ΠΎΠ²ΠΊΠΈ Π΄ΠΎΠ²ΠΎΠ΄ΡΠΈΠΊΠ° ΡΡΠ΅ΠΊΠ»ΠΎΠΏΠΎΠ΄ΡΠ΅ΠΌΠ½ΠΈΠΊΠΎΠ² ΠΊΠ°ΠΊ Π½Π° Π΄Π²Π°, ΡΠ°ΠΊ ΠΈ ΡΠ΅ΡΡΡΠ΅ ΠΎΠΊΠ½Π° Π°Π²ΡΠΎΠΌΠΎΠ±ΠΈΠ»Ρ.
Π‘Π°ΠΌΠΎΠ΅ Π³Π»Π°Π²Π½ΠΎΠ΅ β ΡΡΠ°ΡΠ°ΡΡΡΡ Π½Π΅ ΠΎΡΠΊΠ»ΠΎΠ½ΡΡΡΡΡ ΠΎΡ ΠΏΡΠΈΠ»Π°Π³Π°Π΅ΠΌΠΎΠΉ ΠΊ ΠΎΠ±ΠΎΡΡΠ΄ΠΎΠ²Π°Π½ΠΈΡ ΠΈΠ½ΡΡΡΡΠΊΡΠΈΠΈ ΠΈ ΡΡ Π΅ΠΌΡ, Π°ΠΊΠΊΡΡΠ°ΡΠ½ΠΎ ΠΎΠ±ΡΠ°ΡΠ°ΡΡΡΡ Ρ Π±Π»ΠΎΠΊΠΎΠΌ ΠΈ ΠΌΠΎΠ΄ΡΠ»Π΅ΠΌ ΡΠΏΡΠ°Π²Π»Π΅Π½ΠΈΡ ΠΏΡΠΈ ΡΡΡΠ°Π½ΠΎΠ²ΠΊΠ΅ ΠΈ Π½Π΅ ΡΠΊΠΎΠ½ΠΎΠΌΠΈΡΡ Π½Π° Ρ ΠΎΡΠΎΡΠ΅ΠΌ ΠΈΠ½ΡΡΡΡΠΌΠ΅Π½ΡΠ΅ ΠΈ ΠΌΠ°ΡΠ΅ΡΠΈΠ°Π»Π°Ρ .
Π§ΡΠΎΠ±Ρ ΠΏΡΠ°Π²ΠΈΠ»ΡΠ½ΠΎ ΡΠΎΠ±ΡΠ°ΡΡ Π±Π»ΠΎΠΊ ΠΈ ΠΌΠΎΠ΄ΡΠ»Ρ ΡΠΏΡΠ°Π²Π»Π΅Π½ΠΈΡ ΡΡΠ΅ΠΊΠ»ΠΎΠΏΠΎΠ΄ΡΠ΅ΠΌΠ½ΠΈΠΊΠ°ΠΌΠΈ, Π΄ΠΎΡΡΠ°ΡΠΎΡΠ½ΠΎ Π±ΡΠ΄Π΅Ρ ΠΈΠΌΠ΅ΡΡ ΡΡΠ°Π½Π΄Π°ΡΡΠ½ΡΠΉ Π½Π°Π±ΠΎΡ Π°Π²ΡΠΎΡΠ»Π΅ΠΊΡΡΠΈΠΊΠ°. Π Π½Π΅ΠΌΡ ΠΎΡΠ½ΠΎΡΡΡΡΡ:
Π ΠΏΠ΅ΡΠ²ΡΡ ΠΎΡΠ΅ΡΠ΅Π΄Ρ, Π½Π΅ΠΎΠ±Ρ ΠΎΠ΄ΠΈΠΌΠΎ ΠΎΡΡΡΠ΅ΡΡΠ²ΠΈΡΡ ΠΎΡΡΠΎΠ΅Π΄ΠΈΠ½Π΅Π½ΠΈΠ΅ ΠΊΠ»Π΅ΠΌΠΌΡ Π°ΠΊΠΊΡΠΌΡΠ»ΡΡΠΎΡΠ° ΠΎΡ ΠΏΡΠΎΠ²ΠΎΠ΄ΠΊΠΈ ΠΈ ΠΎΡΠΊΠ»ΡΡΠ΅Π½ΠΈΠ΅ ΠΏΠΈΡΠ°Π½ΠΈΡ Π°Π²ΡΠΎΠΌΠΎΠ±ΠΈΠ»Ρ. ΠΡΠΎ ΠΏΡΠ΅Π΄ΠΎΡΠ²ΡΠ°ΡΠΈΡ Π²ΠΎΠ·ΠΌΠΎΠΆΠ½ΡΠ΅ ΡΠ±ΠΎΠΈ ΠΠΠ£ Π²ΠΎ Π²ΡΠ΅ΠΌΡ ΡΠ°Π±ΠΎΡΡ ΠΈ ΠΊΠΎΡΠΎΡΠΊΠΎΠ΅ Π·Π°ΠΌΡΠΊΠ°Π½ΠΈΠ΅, ΠΊΠΎΡΠΎΡΠΎΠ΅ ΡΠ»ΡΡΠ°ΠΉΠ½ΠΎ ΠΌΠΎΠΆΠ΅Ρ ΠΏΡΠΎΠΈΠ·ΠΎΠΉΡΠΈ ΠΏΡΠΈ ΠΏΠ΅ΡΠ΅ΠΊΡΡΡΠ²Π°Π½ΠΈΠΈ ΠΏΡΠΎΠ²ΠΎΠ΄ΠΎΠ².
ΠΠ΅ΡΠ²ΠΎΠ΅, Π½Π° ΡΡΠΎ Π½ΡΠΆΠ½ΠΎ ΠΎΠ±ΡΠ°ΡΠΈΡΡ Π²Π½ΠΈΠΌΠ°Π½ΠΈΠ΅ ΠΏΡΠΈ ΡΠ°Π±ΠΎΡΠ΅ β Π½Π°Π»ΠΈΡΠΈΠ΅ ΠΏΡΠ»ΡΡΠ° ΡΠΏΡΠ°Π²Π»Π΅Π½ΠΈΡ Π²ΡΠ΅ΠΌΠΈ Π½Π΅ΠΎΠ±Ρ ΠΎΠ΄ΠΈΠΌΡΠΌΠΈ ΡΡΠ΅ΠΊΠ»Π°ΠΌΠΈ Π½Π° Π²ΠΎΠ΄ΠΈΡΠ΅Π»ΡΡΠΊΠΎΠΉ Π΄Π²Π΅ΡΠΈ. Π Π·Π°Π²ΠΈΡΠΈΠΌΠΎΡΡΠΈ ΠΎΡ ΡΠΎΠ³ΠΎ, ΡΠΎΠ²ΠΌΠ΅ΡΡΠ½ΠΎΠ΅ ΠΈΠ»ΠΈ ΡΠ°Π·Π΄Π΅Π»ΡΠ½ΠΎΠ΅ ΡΠΏΡΠ°Π²Π»Π΅Π½ΠΈΠ΅ ΡΡΠ΅ΠΊΠ»ΠΎΠΏΠΎΠ΄ΡΠ΅ΠΌΠ½ΠΈΠΊΠ°ΠΌΠΈ ΠΈΠΌΠ΅Π΅Ρ ΠΌΠ°ΡΠΈΠ½Π°, ΡΠ°ΠΌ ΠΌΠΎΠ΄ΡΠ»Ρ ΠΈ Π±Π»ΠΎΠΊ ΡΠΏΡΠ°Π²Π»Π΅Π½ΠΈΡ Π±ΡΠ΄Π΅Ρ ΡΡΡΠ°Π½ΠΎΠ²Π»Π΅Π½ Π½Π΅ΡΠΊΠΎΠ»ΡΠΊΠΎ ΠΏΠΎ-ΠΈΠ½ΠΎΠΌΡ.
Π Π»ΡΠ±ΠΎΠΌ ΡΠ»ΡΡΠ°Π΅, ΠΎΡΠ½ΠΎΠ²Π½ΡΠΌ ΡΠ°Π³ΠΎΠΌ Π±ΡΠ΄Π΅Ρ ΠΎΠΏΡΠ΅Π΄Π΅Π»Π΅Π½ΠΈΠ΅ ΡΠΎΠ»ΠΈ ΠΊΠ°ΠΆΠ΄ΠΎΠ³ΠΎ ΠΏΡΠΎΠ²ΠΎΠ΄Π°, ΠΊΠΎΡΠΎΡΡΠΉ ΠΏΠΎΠ΄ΡΠΎΠ΅Π΄ΠΈΠ½Π΅Π½ ΠΊ ΠΊΠ½ΠΎΠΏΠΊΠ°ΠΌ ΡΠΏΡΠ°Π²Π»Π΅Π½ΠΈΡ ΠΏΠΎΠ΄ΡΠ΅ΠΌΠΎΠΌ ΠΈ ΠΎΠΏΡΡΠΊΠ°Π½ΠΈΠ΅ΠΌ ΡΡΠ΅ΠΊΠΎΠ». ΠΠ±ΡΠ·Π°ΡΠ΅Π»ΡΠ½ΠΎ Π΄ΠΎΠ»ΠΆΠ½Ρ ΠΏΡΠΈΡΡΡΡΡΠ²ΠΎΠ²Π°ΡΡ Π΄Π²Π° ΡΠ²Π΅ΡΠ½ΡΡ ΠΏΡΠΎΠ²ΠΎΠ΄Π°, ΠΊΠΎΡΠΎΡΡΠ΅ ΠΎΡΠ²Π΅ΡΠ°ΡΡ Π·Π° ΠΏΠΈΡΠ°Π½ΠΈΠ΅ Π²ΡΠ΅ΠΉ ΡΡΠΎΠΉ ΡΠ»Π΅ΠΊΡΡΠΈΡΠ΅ΡΠΊΠΎΠΉ ΡΠΈΡΡΠ΅ΠΌΡ. ΠΠ°ΠΊ ΠΏΡΠ°Π²ΠΈΠ»ΠΎ, ΠΎΠ½ΠΈ ΠΈΠ΄ΡΡ ΡΠΎ ΡΡΠΎΡΠΎΠ½Ρ ΠΎΡΡΠ΅ΠΊΠ° Ρ Π°ΠΊΠΊΡΠΌΡΠ»ΡΡΠΎΡΠ½ΠΎΠΉ Π±Π°ΡΠ°ΡΠ΅Π΅ΠΉ, ΠΏΡΠΎΡ ΠΎΠ΄Ρ ΡΠ΅ΡΠ΅Π· ΠΎΡΡΠ΅ΠΊ Ρ ΠΏΠ»Π°Π²ΠΊΠΈΠΌΠΈ ΠΏΡΠ΅Π΄ΠΎΡ ΡΠ°Π½ΠΈΡΠ΅Π»ΡΠΌΠΈ.
ΠΠΈΡΠ°ΡΡΠΈΠ΅ ΠΏΡΠΎΠ²ΠΎΠ΄Π° ΡΠ°Π·Π΄Π΅Π»ΡΡΡΡΡ Π½Π° Π½Π΅ΡΠΊΠΎΠ»ΡΠΊΠΎ ΠΏΡΡΠΊΠΎΠ². ΠΠ΄ΠΈΠ½ ΠΈΠ· Π½ΠΈΡ ΠΏΠΎΠ΄Ρ ΠΎΠ΄ΠΈΡ Π½Π΅ΠΏΠΎΡΡΠ΅Π΄ΡΡΠ²Π΅Π½Π½ΠΎ ΠΊ ΠΏΡΠ»ΡΡΡ ΡΠΏΡΠ°Π²Π»Π΅Π½ΠΈΡ. Π ΠΊΠ°ΠΆΠ΄ΠΎΠΉ ΠΊΠ»Π°Π²ΠΈΡΠ΅ Π΄ΠΎΠ»ΠΆΠ½ΠΎ ΠΏΠΎΠ΄Ρ ΠΎΠ΄ΠΈΡΡ ΡΡΠΈ ΠΏΡΠΎΠ²ΠΎΠ΄Π°: ΠΎΠ΄ΠΈΠ½ ΠΈΠ· Π½ΠΈΡ Π±ΡΠ΄Π΅Ρ ΠΏΠΈΡΠ°ΡΡΠΈΠΌ, Π° Π΄Π²Π° Π΄ΡΡΠ³ΠΈΡ β ΠΏΠΎΡΡΠ»Π°ΡΡ ΠΈΠΌΠΏΡΠ»ΡΡ Π½Π° ΠΌΠΎΡΠΎΡΡΠΈΠΊ, ΠΊΠΎΡΠΎΡΡΠΉ Π±ΡΠ΄Π΅Ρ ΠΏΠΎΠ΄Π½ΠΈΠΌΠ°ΡΡ ΠΈΠ»ΠΈ ΠΆΠ΅ ΠΎΠΏΡΡΠΊΠ°ΡΡ ΡΠΎΠΎΡΠ²Π΅ΡΡΡΠ²ΡΡΡΠ΅Π΅ ΡΡΠ΅ΠΊΠ»ΠΎ.
Π‘ΡΠΎΠΈΡ ΠΎΠ±ΡΠ°ΡΠΈΡΡ Π²Π½ΠΈΠΌΠ°Π½ΠΈΠ΅, ΡΡΠΎ ΠΈΠ½ΠΎΠ³Π΄Π° Π² Π°Π²ΡΠΎΠΌΠΎΠ±ΠΈΠ»Π΅ ΡΠΆΠ΅ ΠΏΡΠΈΡΡΡΡΡΠ²ΡΠ΅Ρ ΡΡΠ½ΠΊΡΠΈΡ Π΄ΠΎΠ²ΠΎΠ΄ΠΊΠΈ ΡΡΠ΅ΠΊΠ»ΠΎΠΏΠΎΠ΄ΡΠ΅ΠΌΠ½ΠΈΠΊΠΎΠ². ΠΠ± ΡΡΠΎΠΌ Π±ΡΠ΄Π΅Ρ ΡΠ²ΠΈΠ΄Π΅ΡΠ΅Π»ΡΡΡΠ²ΠΎΠ²Π°ΡΡ Π΄ΠΎΠΏΠΎΠ»Π½ΠΈΡΠ΅Π»ΡΠ½ΡΠΉ ΠΏΡΠΎΠ²ΠΎΠ΄, ΠΊΠΎΡΠΎΡΡΠΉ ΠΏΠΎΡΡΠ»Π°Π΅Ρ ΠΌΠΎΡΠΎΡΡΠΈΠΊΡ ΠΈΠΌΠΏΡΠ»ΡΡ ΠΎΡΠΊΡΡΡΡ ΠΈΠ»ΠΈ Π·Π°ΠΊΡΡΡΡ ΠΎΠΊΠ½ΠΎ Π΄ΠΎ ΡΠΏΠΎΡΠ°.
Π ΡΡΠΎΠΌ ΡΠ»ΡΡΠ°Π΅ ΠΈ ΠΌΠΎΠ΄ΡΠ»Ρ ΡΠΏΡΠ°Π²Π»Π΅Π½ΠΈΡ Π±ΡΠ΄ΡΡ ΠΈΠΌΠ΅ΡΡ Π½Π΅ΡΠΊΠΎΠ»ΡΠΊΠΎ ΠΈΠ½ΠΎΠ΅ ΡΡΡΡΠΎΠΉΡΡΠ²ΠΎ, Π° ΠΏΡΠΎΠ΄Π°ΡΡΡΡ ΡΠ°ΠΊΠΈΠ΅ ΠΌΠΎΠ΄Π΅Π»ΠΈ Π²ΡΠ΅Π³Π΄Π° ΠΎΡΠ΄Π΅Π»ΡΠ½ΠΎ ΠΎΡ ΠΎΡΡΠ°Π»ΡΠ½ΡΡ .

Π’Π΅ΠΏΠ΅ΡΡ, ΠΊΠΎΠ³Π΄Π° Π½Π°Π·Π½Π°ΡΠ΅Π½ΠΈΠ΅ ΠΊΠ°ΠΆΠ΄ΠΎΠ³ΠΎ ΠΏΡΠΎΠ²ΠΎΠ΄Π° ΡΠΎΡΠ½ΠΎ ΠΎΠΏΡΠ΅Π΄Π΅Π»Π΅Π½ΠΎ, ΠΌΠΎΠΆΠ½ΠΎ ΠΏΡΠΈΡΡΡΠΏΠ°ΡΡ ΠΊ ΡΡΡΠ°Π½ΠΎΠ²ΠΊΠ΅. ΠΠ΅ΠΎΠ±Ρ ΠΎΠ΄ΠΈΠΌΠΎ ΠΏΠ΅ΡΠ΅ΠΊΡΡΠΈΡΡ ΠΏΡΠΎΠ²ΠΎΠ΄Π°, ΠΊΠΎΡΠΎΡΡΠ΅ ΡΠΎΠ΅Π΄ΠΈΠ½ΡΡΡ ΠΌΠΎΡΠΎΡΡΠΈΠΊ ΠΈ ΠΊΠ»Π°Π²ΠΈΡΠΈ ΡΠΏΡΠ°Π²Π»Π΅Π½ΠΈΡ Π² ΠΌΠ΅ΡΡΠ΅, Π³Π΄Π΅ ΡΡΠΎ ΡΠΊΠ°Π·Π°Π½ΠΎ Π² ΠΈΠ½ΡΡΡΡΠΊΡΠΈΠΈ. ΠΠ°Π»Π΅Π΅ ΠΏΡΠΎΠ²ΠΎΠ΄Π° Π½Π΅ΠΎΠ±Ρ ΠΎΠ΄ΠΈΠΌΠΎ Π·Π°ΡΠΈΡΡΠΈΡΡ ΠΈ ΠΏΡΠΈΠ²Π΅ΡΡΠΈ ΠΊΠΎΠ½ΡΡ Π² ΠΏΠΎΡΡΠ΄ΠΎΠΊ. ΠΠ»ΠΎΠΊ ΠΏΠΎΠ΄ΡΠΎΠ΅Π΄ΠΈΠ½ΡΠ΅ΡΡΡ, ΡΠΎΠ³Π»Π°ΡΠ½ΠΎ ΠΈΠ½ΡΡΡΡΠΊΡΠΈΠΈ. ΠΠ΅ΡΠ΅Π΄ ΡΠ΅ΠΌ, ΠΊΠ°ΠΊ ΡΡΡΠ°Π½Π°Π²Π»ΠΈΠ²Π°ΡΡ Π²ΡΠ΅ Π½Π° ΠΌΠ΅ΡΡΠΎ, ΡΡΠΎΠΈΡ ΠΏΠΎΠ΄ΡΠΎΠ΅Π΄ΠΈΠ½ΠΈΡΡ ΠΠΠ ΠΈ ΠΏΡΠΎΠ²Π΅ΡΠΈΡΡ ΡΠ°Π±ΠΎΡΡ ΡΠΈΡΡΠ΅ΠΌΡ Π² ΡΠ΅Π»ΠΎΠΌ.
ΠΠΎΠ²ΠΎΠ΄ΡΠΈΠΊ Π΄Π»Ρ ΡΡΠ΅ΠΊΠ»ΠΎΠΏΠΎΠ΄ΡΠ΅ΠΌΠ½ΠΈΠΊΠΎΠ² β Π½Π΅Π²Π΅ΡΠΎΡΡΠ½ΠΎ ΠΏΠΎΠ»Π΅Π·Π½Π°Ρ ΠΈ ΡΠ΄ΠΎΠ±Π½Π°Ρ ΡΡΠ½ΠΊΡΠΈΡ, ΠΊΠΎΡΠΎΡΠ°Ρ ΠΌΠ½ΠΎΠ³ΠΎΠΊΡΠ°ΡΠ½ΠΎ ΠΎΠ±Π»Π΅Π³ΡΠ°Π΅Ρ ΠΆΠΈΠ·Π½Ρ Π°Π²ΡΠΎΠΌΠΎΠ±ΠΈΠ»ΠΈΡΡΡ. ΠΡΠΈ Π²ΡΠ±ΠΎΡΠ΅ ΡΠΎΠΎΡΠ²Π΅ΡΡΡΠ²ΡΡΡΠ΅Π³ΠΎ ΠΎΠ±ΠΎΡΡΠ΄ΠΎΠ²Π°Π½ΠΈΡ ΡΡΠΎΠΈΡ ΡΡΠΈΡΡΠ²Π°ΡΡ ΠΊΠ°ΠΊ ΠΏΡΠΎΠΈΠ·Π²ΠΎΠ΄ΠΈΡΠ΅Π»Ρ, ΡΠ°ΠΊ ΠΈ ΠΎΡΠ·ΡΠ²Ρ ΡΠ΅Ρ , ΠΊΠΎΠΌΡ ΡΠΆΠ΅ ΠΏΠΎΡΡΠ°ΡΡΠ»ΠΈΠ²ΠΈΠ»ΠΎΡΡ ΡΡΠ°ΡΡ ΠΎΠ±Π»Π°Π΄Π°ΡΠ΅Π»Π΅ΠΌ ΠΊΠΎΠ½ΠΊΡΠ΅ΡΠ½ΠΎΠΉ ΡΠΈΡΡΠ΅ΠΌΡ. Π ΡΠ»ΡΡΠ°Π΅ Π²ΡΠ±ΠΎΡΠ° ΠΊΠ°ΡΠ΅ΡΡΠ²Π΅Π½Π½ΠΎΠ³ΠΎ ΠΎΠ±ΠΎΡΡΠ΄ΠΎΠ²Π°Π½ΠΈΡ ΠΏΠΎΠ»ΡΠ·ΠΎΠ²Π°Π½ΠΈΠ΅ ΠΌΠ°ΡΠΈΠ½ΠΎΠΉ Π΄ΠΎΡΡΠ°Π²ΠΈΡ ΠΊΡΠ΄Π° Π±ΠΎΠ»ΡΡΠ΅ ΡΠ΄ΠΎΠ²ΠΎΠ»ΡΡΡΠ²ΠΈΡ, ΠΈ Π·Π°Π΄ΡΠΌΡΠ²Π°ΡΡΡΡ ΠΎΠ± ΠΎΡΡΠ°Π²Π»Π΅Π½Π½ΡΡ ΠΎΡΠΊΡΡΡΡΡ ΠΎΠΊΠ½Π°Ρ Π±ΠΎΠ»ΡΡΠ΅ Π½Π΅ ΠΏΡΠΈΠ΄Π΅ΡΡΡ.
portalmashin.ru
Π ΠΏΠΎΡΠ»Π΅Π΄Π½Π΅Π΅ Π²ΡΠ΅ΠΌΡ Π² ΠΏΡΠΎΠ΄Π°ΠΆΠ΅ ΠΏΠΎΡΠ²Π»ΡΠ΅ΡΡΡ Π²ΡΠ΅ Π±ΠΎΠ»ΡΡΠ΅ ΡΡΡΡΠΎΠΉΡΡΠ², ΠΏΡΠ΅Π΄Π½Π°Π·Π½Π°ΡΠ΅Π½Π½ΡΡ Π΄Π»Ρ ΠΎΠ±Π΅ΡΠΏΠ΅ΡΠ΅Π½ΠΈΡ Π±ΠΎΠ»Π΅Π΅ ΠΊΠΎΠΌΡΠΎΡΡΠ½ΠΎΠΉ ΡΠΊΡΠΏΠ»ΡΠ°ΡΠ°ΡΠΈΠΈ ΡΡΠ°Π½ΡΠΏΠΎΡΡΠ½ΠΎΠ³ΠΎ ΡΡΠ΅Π΄ΡΡΠ²Π°. ΠΠ΄Π½ΠΈΠΌ ΠΈΠ· ΡΠ°ΠΊΠΈΡ Π΄Π΅Π²Π°ΠΉΡΠΎΠ² ΡΠ²Π»ΡΠ΅ΡΡΡΒ Π΄ΠΎΠ²ΠΎΠ΄ΡΠΈΠΊ ΡΡΠ΅ΠΊΠ»ΠΎΠΏΠΎΠ΄ΡΠ΅ΠΌΠ½ΠΈΠΊΠΎΠ² Π½Π° 2 ΡΡΠ΅ΠΊΠ»Π°. Π§ΡΠΎ ΡΡΠΎ Π·Π° ΡΡΡΡΠΎΠΉΡΡΠ²ΠΎ ΠΈ ΠΊΠ°ΠΊ Π΅Π³ΠΎ ΡΡΡΠ°Π½ΠΎΠ²ΠΈΡΡ Π½Π° Π°Π²ΡΠΎΠΌΠΎΠ±ΠΈΠ»Ρ, ΠΌΡ ΡΠ°ΡΡΠΊΠ°ΠΆΠ΅ΠΌ Π½ΠΈΠΆΠ΅.
Π‘ΠΎΠ΄Π΅ΡΠΆΠ°Π½ΠΈΠ΅
ΠΡΠΊΡΡΡΡΠΏΠΎΠ»Π½ΠΎΠ΅ ΡΠΎΠ΄Π΅ΡΠΆΠ°Π½ΠΈΠ΅
[ Π‘ΠΊΡΡΡΡ]
ΠΠΎΠ²ΠΎΠ΄ΡΠΈΠΊ ΡΡΠ΅ΠΊΠΎΠ» (ΠΠ‘) β ΡΡΠΎ ΠΌΠ΅Ρ Π°Π½ΠΈΠ·ΠΌ, ΠΎΡΠ½ΠΎΠ²Π½ΠΎΠ΅ Π½Π°Π·Π½Π°ΡΠ΅Π½ΠΈΠ΅ ΠΊΠΎΡΠΎΡΠΎΠ³ΠΎ Π·Π°ΠΊΠ»ΡΡΠ°Π΅ΡΡΡ Π² Π°Π²ΡΠΎΠΌΠ°ΡΠΈΡΠ΅ΡΠΊΠΎΠΌ Π·Π°ΠΊΡΡΡΠΈΠΈ ΡΡΠ΅ΠΊΠΎΠ» Π°Π²ΡΠΎΠΌΠΎΠ±ΠΈΠ»Ρ ΠΏΡΠΈ Π°ΠΊΡΠΈΠ²Π°ΡΠΈΠΈ ΠΏΡΠΎΡΠΈΠ²ΠΎΡΠ³ΠΎΠ½Π½ΠΎΠΉ ΡΠΈΡΡΠ΅ΠΌΡ. Π‘ ΠΏΠΎΠΌΠΎΡΡΡ ΠΠ‘ Π²ΠΎΠ΄ΠΈΡΠ΅Π»Ρ ΠΌΠΎΠΆΠ΅Ρ Π½Π΅ ΠΏΠ΅ΡΠ΅ΠΆΠΈΠ²Π°ΡΡ ΠΎ ΡΠΎΠΌ, Π·Π°ΠΊΡΡΡΡ Π»ΠΈ ΡΡΠ΅ΠΊΠ»Π° Π² Π΅Π³ΠΎ ΠΌΠ°ΡΠΈΠ½Π΅ ΠΈΠ»ΠΈ Π½Π΅Ρ.
ΠΠΊΡΠ°ΡΡΠ΅ ΡΠ°ΡΡΠΌΠΎΡΡΠΈΠΌ ΠΏΡΠΈΠ½ΡΠΈΠΏ Π΄Π΅ΠΉΡΡΠ²ΠΈΡ ΠΠ‘. ΠΠ»ΠΎΠΊ ΡΠΏΡΠ°Π²Π»Π΅Π½ΠΈΡ ΡΡΡΡΠΎΠΉΡΡΠ²ΠΎΠΌ ΠΏΠΎΠ΄ΠΊΠ»ΡΡΠ°Π΅ΡΡΡ ΠΊ ΠΌΠ΅Ρ Π°Π½ΠΈΠ·ΠΌΡ ΡΠΏΡΠ°Π²Π»Π΅Π½ΠΈΡ Π°Π²ΡΠΎΠΌΠΎΠ±ΠΈΠ»ΡΠ½ΠΎΠΉ ΡΠΈΠ³Π½Π°Π»ΠΈΠ·Π°ΡΠΈΠ΅ΠΉ, Π° ΡΠ°ΠΊΠΆΠ΅ ΡΠ»Π΅ΠΊΡΡΠΈΡΠ΅ΡΠΊΠΈΠΌ ΡΡΠ΅ΠΊΠ»ΠΎΠΏΠΎΠ΄ΡΠ΅ΠΌΠ½ΠΈΠΊΠ°ΠΌ. Π‘Π°ΠΌ ΠΌΠΎΠ΄ΡΠ»Ρ ΡΠ°ΡΠΏΠΎΠ»Π°Π³Π°Π΅ΡΡΡ Π½Π° ΡΡΠ°ΡΡΠΊΠ΅ ΠΌΠ΅ΠΆΠ΄Ρ ΡΠ»Π΅ΠΊΡΡΠΎΠΌΠΎΡΠΎΡΠΎΠΌ ΡΡΠ΅ΠΊΠ»ΠΎΠΏΠΎΠ΄ΡΠ΅ΠΌΠ½ΠΈΠΊΠΎΠ² ΠΈ ΡΠΏΡΠ°Π²Π»ΡΡΡΠΈΠΌ Π±Π»ΠΎΠΊΠΎΠΌ. ΠΠ°ΠΊ Π²Ρ ΡΠΆΠ΅ ΠΏΠΎΠ½ΡΠ»ΠΈ, ΡΠΊΡΠΏΠ»ΡΠ°ΡΠ°ΡΠΈΡ ΠΠ‘ Π²ΠΎΠ·ΠΌΠΎΠΆΠ½Π° ΡΠΎΠ»ΡΠΊΠΎ Π² ΡΠΎΠΌ ΡΠ»ΡΡΠ°Π΅, Π΅ΡΠ»ΠΈ Π°Π²ΡΠΎΠΌΠΎΠ±ΠΈΠ»Ρ ΠΎΡΠ½Π°ΡΠ΅Π½ ΡΠ»Π΅ΠΊΡΡΠΈΡΠ΅ΡΠΊΠΈΠΌΠΈ ΠΏΠΎΠ΄ΡΠ΅ΠΌΠ½ΠΈΠΊΠ°ΠΌΠΈ ΡΡΠ΅ΠΊΠΎΠ».

ΠΡΠΈ Π°ΠΊΡΠΈΠ²Π°ΡΠΈΠΈ ΠΏΡΠΎΡΠΈΠ²ΠΎΡΠ³ΠΎΠ½Π½ΠΎΠΉ ΡΠΈΡΡΠ΅ΠΌΡ Π½Π° ΡΠ»Π΅ΠΊΡΡΠΈΡΠ΅ΡΠΊΠΈΠΉ ΠΌΠΎΡΠΎΡ ΡΠ΅ΡΠ΅Π· ΡΠΏΡΠ°Π²Π»ΡΡΡΠΈΠΉ ΠΌΠΎΠ΄ΡΠ»Ρ ΠΏΠΎΠ΄Π°Π΅ΡΡΡ Π½Π°ΠΏΡΡΠΆΠ΅Π½ΠΈΠ΅. ΠΠ΅ΠΏΠΎΡΡΠ΅Π΄ΡΡΠ²Π΅Π½Π½ΠΎ Π΄ΠΎΠ²ΠΎΠ΄ΡΠΈΠΊΠΈ Π½Π΅ ΠΈΡΠΏΠΎΠ»ΡΠ·ΡΡΡΡΡ Π² ΠΌΠΎΠΌΠ΅Π½Ρ ΠΎΡΠΊΡΡΡΠΈΡ ΠΈ Π·Π°ΠΊΡΡΡΠΈΡ ΡΡΠ΅ΠΊΠΎΠ», ΡΠΎΠ»ΡΠΊΠΎ ΡΠΎΠ³Π΄Π°, ΠΊΠΎΠ³Π΄Π° Π²ΠΎΠ΄ΠΈΡΠ΅Π»Ρ Π²ΠΊΠ»ΡΡΠ°Π΅Ρ Π°Π²ΡΠΎΡΠΈΠ³Π½Π°Π»ΠΈΠ·Π°ΡΠΈΡ. ΠΡΠΈ Π²ΠΊΠ»ΡΡΠ΅Π½ΠΈΠΈ ΡΠΈΠ³Π½Π°Π»ΠΊΠΈ Π½Π° ΡΠ·Π΅Π» ΠΏΠΎΠ΄Π°Π΅ΡΡΡ Π½Π°ΠΏΡΡΠΆΠ΅Π½ΠΈΠ΅, Π² ΠΈΡΠΎΠ³Π΅ ΡΠ»Π΅ΠΊΡΡΠΎΠΌΠΎΡΠΎΡ ΠΏΠΎΠ»ΡΡΠ°Π΅Ρ ΠΏΠΈΡΠ°Π½ΠΈΠ΅ ΠΈ ΠΏΠΎΠ΄Π½ΠΈΠΌΠ°Π΅Ρ ΠΌΠ΅Ρ Π°Π½ΠΈΠ·ΠΌ ΠΏΠΎΠ΄ΡΠ΅ΠΌΠ½ΠΈΠΊΠ°.
Π§ΡΠΎ ΠΊΠ°ΡΠ°Π΅ΡΡΡ ΠΌΠ½ΠΎΠ³ΠΎΡΡΠ½ΠΊΡΠΈΠΎΠ½Π°Π»ΡΠ½ΡΡ ΡΡΡΠ°Π½ΠΎΠ²ΠΎΠΊ, ΡΠΎ ΡΠ°ΠΊΠΈΠ΅ ΡΠΈΡΡΠ΅ΠΌΡ ΠΏΠΎΠ·Π²ΠΎΠ»ΡΡΡ Π²ΡΠΏΠΎΠ»Π½ΡΡΡ ΡΠ°ΠΊΠΈΠ΅ ΡΡΠ½ΠΊΡΠΈΠΈ:
Π’Π΅ΠΏΠ΅ΡΡ ΡΠ°ΡΡΠΌΠΎΡΡΠΈΠΌ Π²ΠΈΠ΄Ρ ΡΠΈΡΡΠ΅ΠΌ ΠΠ‘ β Π² Π·Π°Π²ΠΈΡΠΈΠΌΠΎΡΡΠΈ ΠΎΡ ΠΊΠΎΠ½ΡΡΡΡΠΊΡΠΈΠ²Π½ΡΡ ΠΎΡΠΎΠ±Π΅Π½Π½ΠΎΡΡΠ΅ΠΉ, Π΄ΠΎΠ²ΠΎΠ΄ΡΠΈΠΊΠΈ ΠΌΠΎΠ³ΡΡ ΠΈΡΠΏΠΎΠ»ΡΠ·ΠΎΠ²Π°ΡΡΡΡ Π΄Π»Ρ Π²ΡΠΏΠΎΠ»Π½Π΅Π½ΠΈΡ ΠΎΠΏΡΠ΅Π΄Π΅Π»Π΅Π½Π½ΠΎΠΉ ΡΡΠ½ΠΊΡΠΈΠΈ ΠΈΠ»ΠΈ Π±ΡΡΡ ΠΌΠ½ΠΎΠ³ΠΎΡΡΠ½ΠΊΡΠΈΠΎΠ½Π°Π»ΡΠ½ΡΠΌΠΈ:
Π’Π΅ΠΏΠ΅ΡΡ ΡΠ°ΡΡΠΌΠΎΡΡΠΈΠΌ ΠΎΡΠ½ΠΎΠ²Π½ΡΠ΅ ΠΎΡΠΎΠ±Π΅Π½Π½ΠΎΡΡΠΈ ΡΠ°ΠΊΠΈΡ ΡΠΈΡΡΠ΅ΠΌ. ΠΡΠΈ ΡΡΡΠ°Π½ΠΎΠ²ΠΊΠ΅ ΠΠ‘ Π°Π²ΡΠΎΠΌΠΎΠ±ΠΈΠ»ΠΈΡΡΡ ΠΏΡΠ΅Π΄ΡΡΠΎΠΈΡ ΡΡΠΎΠ»ΠΊΠ½ΡΡΡΡΡ Ρ ΠΎΠΏΡΠ΅Π΄Π΅Π»Π΅Π½Π½ΡΠΌΠΈ ΡΡΡΠ΄Π½ΠΎΡΡΡΠΌΠΈ, Π² ΡΠ°ΡΡΠ½ΠΎΡΡΠΈ, Π΅ΡΠ»ΠΈ ΡΠ΅ΡΡ ΠΈΠ΄Π΅Ρ ΠΎ ΠΌΠ½ΠΎΠ³ΠΎΡΡΠ½ΠΊΡΠΈΠΎΠ½Π°Π»ΡΠ½ΡΡ ΡΠΈΡΡΠ΅ΠΌΠ°Ρ , Π° ΡΠ°ΠΊΠΆΠ΅ Π΄ΠΎΠ²ΠΎΠ΄ΡΠΈΠΊΠ°Ρ Π½Π° 4 ΡΡΠ΅ΠΊΠ»Π°. Π ΡΠΎΠΌ ΡΠ»ΡΡΠ°Π΅, Π΅ΡΠ»ΠΈ Π² ΠΌΠ°ΡΠΈΠ½Π΅ ΠΈΠΌΠ΅Π΅ΡΡΡ ΡΠΎΠ»ΡΠΊΠΎ ΠΎΠ΄ΠΈΠ½ Π±Π»ΠΎΠΊ ΡΠΏΡΠ°Π²Π»Π΅Π½ΠΈΡ ΠΏΠΎΠ΄ΡΠ΅ΠΌΠ½ΠΈΠΊΠ°ΠΌΠΈ, ΡΠ°ΡΠΏΠΎΠ»ΠΎΠΆΠ΅Π½Π½ΡΠΉ Π½Π° Π²ΠΎΠ΄ΠΈΡΠ΅Π»ΡΡΠΊΠΎΠΉ Π΄Π²Π΅ΡΠΈ ΠΈ ΠΈΡΠΏΠΎΠ»ΡΠ·ΡΡΡΠΈΠΉΡΡ Π΄Π»Ρ ΡΠ°Π±ΠΎΡΡ Ρ ΠΏΠ°ΡΡΠ°ΠΆΠΈΡΡΠΊΠΎΠΉ Π΄Π²Π΅ΡΡΡ, ΡΠΎ ΠΌΠΎΠ΄ΡΠ»Ρ ΠΠ‘ ΡΡΡΠ°Π½Π°Π²Π»ΠΈΠ²Π°Π΅ΡΡΡ Π½Π° Π½Π΅ΠΉ.
ΠΡΠ»ΠΈ Π² Π²Π°ΡΠ΅ΠΌ Π°Π²ΡΠΎ Π΄Π°Π½Π½Π°Ρ ΡΠΈΡΡΠ΅ΠΌΠ° ΡΠ°Π·Π΄Π΅Π»Π΅Π½Π° Π»ΠΈΠ±ΠΎ ΡΠΏΡΠ°Π²Π»ΡΡΡΠΈΠΉ ΠΌΠΎΠ΄ΡΠ»Ρ ΡΠ°ΡΠΏΠΎΠ»ΠΎΠΆΠ΅Π½ Π½Π° ΠΏΡΠΈΠ±ΠΎΡΠ½ΠΎΠΉ ΠΏΠ°Π½Π΅Π»ΠΈ ΠΈΠ»ΠΈ Π½Π° ΡΠΎΠ½Π½Π΅Π»Π΅, ΠΈΠ΄ΡΡΠ΅ΠΌ ΠΎΡ ΠΊΠΎΠ½ΡΠΎΠ»ΠΈ ΠΊ Π·Π°Π΄Π½ΠΈΠΌ ΡΠΈΠ΄Π΅Π½ΡΡΠΌΠΈ, ΡΠΎ ΠΌΠΎΠ΄ΡΠ»Ρ Π»ΡΡΡΠ΅ ΠΏΠΎΡΡΠ°Π²ΠΈΡΡ ΠΏΠΎΠ΄ ΡΡΠ»Π΅ΠΌ. ΠΡΠΎΡ Π²Π°ΡΠΈΠ°Π½Ρ Π±ΠΎΠ»Π΅Π΅ ΠΎΠΏΡΠΈΠΌΠ°Π»ΡΠ½ΡΠΉ. Π’Π°ΠΊΠΆΠ΅ ΡΡΡΠΈΡΠ΅, ΡΡΠΎ Π΅ΡΠ»ΠΈ Ρ ΠΈΡΠΏΠΎΠ»ΡΠ·ΠΎΠ²Π°Π½ΠΈΠ΅ΠΌ ΠΊΠ½ΠΎΠΏΠΊΠΈ ΡΡΠ΅ΠΊΠ»Π° Π±ΡΠ΄ΡΡ ΠΏΠΎΠ΄Π½ΠΈΠΌΠ°ΡΡΡΡ Ρ ΡΡΡΠ΄ΠΎΠΌ ΠΈΠ»ΠΈ Π²ΠΎΠ²ΡΠ΅ Π½Π΅ ΠΏΠΎΠ΄Π½ΠΈΠΌΠ°ΡΡΡΡ, ΡΠΎ ΠΏΡΠΈΠΌΠ΅Π½Π΅Π½ΠΈΠ΅ Π΄ΠΎΠ²ΠΎΠ΄ΡΠΈΠΊΠΎΠ² Π½Π΅ ΠΏΠΎΠΌΠΎΠΆΠ΅Ρ β ΠΌΠ΅Ρ Π°Π½ΠΈΠ·ΠΌ Π² Π»ΡΠ±ΠΎΠΌ ΡΠ»ΡΡΠ°Π΅ ΠΏΡΠΈΠ΄Π΅ΡΡΡ ΡΠ½ΠΈΠΌΠ°ΡΡ ΠΈ ΡΠ΅ΠΌΠΎΠ½ΡΠΈΡΠΎΠ²Π°ΡΡ.
ΠΠ°ΠΊ ΡΠ°ΠΌΠΎΡΡΠΎΡΡΠ΅Π»ΡΠ½ΠΎ ΠΏΡΠΎΠΈΠ·Π²Π΅ΡΡΠΈ ΠΌΠΎΠ½ΡΠ°ΠΆ Π΄ΠΎΠ²ΠΎΠ΄ΡΠΈΠΊΠΎΠ² Π² Π°Π²ΡΠΎΠΌΠΎΠ±ΠΈΠ»Ρ:
Π§ΡΠΎΠ±Ρ Π² Π±ΡΠ΄ΡΡΠ΅ΠΌ Π½Π΅ ΡΡΠΎΠ»ΠΊΠ½ΡΡΡΡΡ Ρ Π½Π΅ΠΈΡΠΏΡΠ°Π²Π½ΠΎΡΡΡΠΌΠΈ Π² ΡΠ°Π±ΠΎΡΠ΅ ΠΠ‘, Π½Π΅ΠΎΠ±Ρ ΠΎΠ΄ΠΈΠΌΠΎ ΠΏΡΠ°Π²ΠΈΠ»ΡΠ½ΠΎ ΡΡΡΠ°Π½ΠΎΠ²ΠΈΡΡ ΡΡΡΡΠΎΠΉΡΡΠ²ΠΎ, ΠΏΠΎΡΡΠΎΠΌΡ ΠΎΠ·Π½Π°ΠΊΠΎΠΌΡΡΠ΅ΡΡ Ρ Π½Π°Π³Π»ΡΠ΄Π½ΠΎΠΉ ΠΈΠ½ΡΡΡΡΠΊΡΠΈΠ΅ΠΉ (Π°Π²ΡΠΎΡ ΡΠΎΠ»ΠΈΠΊΠ° β ΠΠΎΠ½ΡΡΠ°Π½ΡΠΈΠ½ ΠΡ).
avtoklema.com