Двигатель
Поршни:
2M5Z 6100-AAA — Поршень в сборе с шатуном
224-3429.020 — Поршень двигателя 0,5мм (Clevite)
41874CP.020 — Кольца поршневые комплект 0.5мм (Mahle)
2M5Z 6135-BA — Палец поршневой
10-822-2 NPR (SM) — Поршни 4шт без колец 1-й ремонтный размер (+0,5мм)
SWF30005ZY050 NPR (SM) — Кольца поршневые комплект 1-й ремонтный размер (+0,5мм)
Шатун:
E7FZ-6200-A — Шатун двигателя, 2.0L SPI SOHC 8v
Опоры двигателя:
YS4Z-6038-FA — Опора двигателя гидравлическая, правая, 2.0L SPI SOHC 8v
2938 (Anchor) — Опора двигателя гидравлическая, правая
CM10068 (Concord) — Опора двигателя гидравлическая, правая
Клапана впускные/выпускные:
211-4078 — Клапан впускной (Clevite)
211-4077 — Клапан выпускной (Clevite)
YS4Z 6057-AA — Вставка седла клапана (впуск)
YS4Z 6057-BA — Вставка седла клапана (выпуск)
2M5Z 6505-AB — Выпускной клапан (211-4077 — клапан выпускной Clevite)
Шкивы:
2M5Z 6312-AA — Шкив коленвала
F8CZ-6306-AA — Звездочка каленвала (ГРМ)
Насос масляный и колпачки маслосъёмные:
F7CZ 6600-AB — Масляный насос
FOCZ 6622-A — Маслоприёмник
SS70654 — Колпачки маслосъёмные Fel-pro (комплект)
1S4Z 6571-AA — Колпачок маслосъёмный (впуск и выпуск), 2.0L SPI SOHC 8v
SW-6373 — Датчик давления масла
Комплект прокладок верхний:
2M5Z-6079-AA — Прокладка двигателя, ремкомплект, 2.0L SPI SOHC 8v
52222200 — Прокладки ГБЦ, комплект (Ajusa), 2.0L SPI SOHC 8v
HS9539PT1 — Комплект прокладок двигателя (Fel-pro), 2.0L SPI SOHC 8v
Комплект прокладок нижний:
2M5Z 6E07 8AA — Комплект прокладок, нижний, 2.0L SPI SOHC 8v
54133000 — Прокладки картера, комплект (Ajusa), 2.0L SPI SOHC 8v
Прокладки:
YS4Z 9439 AA — Комплект прокладок, полный, 2.0L SPI SOHC 8v
MS94432 — Прокладки впускного коллектора, комплект (Fel-pro), 2.0L SPI SOHC 8v
Болты:
E4FZ-6065-A — Болт головки блока (ГБЦ)
HBS001 — Болты ГБЦ, комплект (Payen)
XS4Z-6A548-AB — Болт клапанной крышки
E7FZ 6A340-A — Болт шкива коленвала
E7FZ-6K252-A — Болт звездочки распределительного вала (ГРМ)
W500213-S309 (1 473 861) — Болт крепления кожуха приводного ремня (М6х16мм)
Поддон:
F8CZ-6710-BA (OS32519) — Прокладка поддона двигателя, 2.0L SPI SOHC 8v
YS4Z-6730-AA (3051079) — Пробка маслосливного отверстия поддона двигателя, 2.0L SPI SOHC 8v
Вкладыши коренные/шатунные:
XS4Z 6211-AA — Вкладыш шатунный, комплект
XW7Z 6D309-AMA — Комплект коренных вкладышей 0.50 мм
XS4Z-6211-EA — Шатунный вкладыш 0.50 мм
XW7Z-6D309-AKA — Комплект вкладышей коренных ном. (FORD)
CB1380P — Вкладыши шатунные, комплект ном. (Clevite)
MS1706P25MM — Вкладыши коренные 0,25мм (Clevite)
Гидрокомпенсаторы:
1S4Z 6571-AA — Колпачёк маслосъёмный
F3CZ 6500-A — Гидрокомпенсатор 2.0L SPI SOHC 8v
213-1743 — Гидрокомпенсатор (Clevite)
E7FZ-6C515-A — Крепление гидрокомпенсатора (слева)
E7FZ-6K512-A — Крепление гидрокомпенсатора (справа)
Сальники коленвала/распредвала:
E7FZ-6700-A — Cальник каленвала передний, 2.0L SPI SOHC 8v
E7FZ-6701-A — Сальник коленвала задний (между двигателем и АКПП), 2.0L SPI SOHC 8v
Ремень ГРМ и ролики:
2M5Z 6268-AA — Ремень привода газораспределительного механизма, 2.0L SPI SOHC 8v
2M5Z-6K254-AAA (84085 — Dayco) — Ролик ремня ГРМ натяжной, 2.0L SPI SOHC 8v
YS4Z 6019-DB — Крышка ремня ГРМ (нижняя)
Охлаждение:
Муфта компрессора кондиционера:
F8RZ 19D798-AA (YB-570) — Муфта компрессора кондиционера
3S4Z 19D734-DA — Трубка кондиционера, 2.0L SPI SOHC 8v
YS4Z 8620-BB (JK6 536) — 6PK1345 — Приводной ремень, без кондиционером, 2.0L SPI SOHC 8v
YS4Z 8620-AC (JK6 712 F) — 6PK1795 — Приводной ремень, с кондиционером, 2.0L SPI SOHC 8v
YS4Z 8678-BB (YS-248) — Обводной (промежуточный) ролик приводного ремня, до 05.04.2004 г.в.
6203 2RSH — Подшипник шариковый №203 в ролик натяжителя ремня (надо 2 штуки)
YS4Z-6B209-AA — Ролик натяжитель приводного ремня, 2.0L SPI SOHC 8v
F8CZ6256BB — Зубчатый диск распределительного вала (шкив)
1M5Z 3A67 4AZ — Насос ГУРа (STP-104)
YS4Z 3A733-BA — Шкив насоса ГУРа
F7CZ 3N824-AA (3F1Z 3K215-A) — Датчик давления ГУР
Пояснение:черный коннектор, круглый, с 2003
YS4Z 3N824-EA — Датчик давления ГУР
Пояснение:UNF Thread 3/8х24 (Unified Thread Standard — дюймовая цилиндрическая резьба), синяя точка, с 2001
YS4Z 3N824-BA — Датчик давления ГУР
Пояснение:метрическая резьба М12х1.75, белая и зеленая точка, с 2001 по 2003
YS4Z-19D784-AA — Шкив компрессора кондея
Пояснение:не ведитесь на замену всего кондея сразу, шкивы продаются
YS4Z 8005-AA — Радиатор охлаждения, 2.0L SPI SOHC 8v, M/T
62052 — Радиатор охлаждения (Nissens)
PL321236 — Радиатор охлаждения (Koyorad)
YS4Z-8286-CA (KM-4493) — Патрубок радиатора нижний, 2.0L SPI SOHC 8v
YS4Z 19712-AB (YJ-432) — Радиатор кондиционера
YS4Z 8K012-CA (3M5Z 8K012-BA) — Трубка от расширительного бачка к термостату
YS4Z 8507-AA — Прокладка водяного насоса, 2.0L SPI SOHC 8v
4967753 — Бачок расширительный охлаждения недорогой
1070113 — Зажим на шланги охлаждения
F5RZ 8115-A — Пробка слива радиатора для авто с АКПП
YS4Z 8501-AA (PW-396) — Насос водяной (помпа), 2.0L SPI SOHC 8v
1S4Z 8C607-CC — Вентилятор охлаждения, с кондиционером, 2.0L SPI SOHC 8v
1S4Z 8C607-DD — Вентилятор охлаждения, без кондиционера, 2.0L SPI SOHC 8v
3L8Z 12A648-BA (DY-1004) — Датчик температуры охлаждающей жидкости, 2.0L SPI SOHC 8v
Клапан КХХ:
Картер:
EV-262 — Клапан вентиляции картера, 2.0L SPI SOHC 8v
YS4Z 6C663-AA — Трубка вентиляции картера в воздушный фильтр в сборе, 2.0L SPI SOHC 8v
YS4Z6758A — Трубка вентиляции картера в сборе с переходниками, 2.0L SPI SOHC 8v
YL8Z 6A614-AA — Переходник трубки вентиляции картера верхний (изгиб на 45 градусов), 2.0L SPI SOHC 8v
YS4Z 6A614-BA — Переходник трубка вентиляции картера нижний (изгиб на 90 градусов), 2.0L SPI SOHC 8v
Система выпуска:
XW4Z 9D475-AB (CX-1745) — Клапан рециркуляции выхлопной системы EGR, 2.0L SPI SOHC 8v
3S4Z 9P449-AA — Датчик определения разницы давления (DPFE), 2.0L SPI SOHC 8v
YS4Z 9A462-AA — Теплозащитный экран выпускного коллектора, 2.0L SPI SOHC 8v
F6CZ-9448-AC — Прокладка выпускного коллектора, 2.0L SPI SOHC 8v
Электрика:
Провода высоковольтные:
YU2Z12259AA — (WR-5969) — ВВ-провода комплект, 2.0L SPI SOHC 8v
YU2Z12286AA — (WR-5970) Цил. 1;31″ (780MM)
YU2Z12286BA — (WR-5971) Цил. 2;25″ (635MM)
YU2Z12286CA — (WR-5972) Цил. 3;19″ (482MM)
YU2Z12286CA — (WR-5972) Цил. 4;19″ (482MM)
Зажигание:
XS4Z-11582-AA Ремкомплект замка зажигания
5S4Z-11582-BB Ремкомплект замка зажигания (новый код)
Свечи зажигания:
Катушка зажигания:
DG506 — Катушка зажигания (Motocraft)
Генератор:
GLV8455RM — Генератор Motocraft
Стартер:
F3RZ 11002-ARM — Стартер (МКПП), 2.0L SPI SOHC 8v
YS4Z 11002-EBRM — Стартер (АКПП), 2.0L SPI SOHC 8v
Аккумулятор:
BXT-40R — Аккумуляторная батарея, 2.0L SPI SOHC 8v
Фильтр воздушный:
YS4Z-12B579-FARM — Датчик массового расхода воздуха, расходомер (MAF)
AFLS-163 — Датчик массового расхода воздуха (Motorcraft), расходомер (MAF)
YS4Z-9B929-AA — Резиновый изолятор, 10мм (для фиксации корпуса возд. фильтра)
Автоматическая коробка передач (АКПП):
4F27E (Zetec/Split Port):
5S4Z 7M12 1A — Опора коробки передач, 2.0L SPI SOHC 8v
1 102 416 — Опора «восьмёрка» (резинометаллическая, держит коробку снизу)
1 133 019 — Опора квадратно-прямоугольной формы (находится под корпусом воздушного фильтра)
XS4Z-7A098-AC — Фильтр
XS4Z-7Z302-AA — Уплотительное кольцо для фильтра (идет в комплекте с фильтром)
W500213-S427 (3 045 516) — Болт крепления поддона Акпп (M6x16мм)
XS4Z 7A095-BA — Масляный радиатор АКПП, 2.0L SPI SOHC 8v
XS4Z 7A031-BD (1305498) — Трубка охлаждения АКПП (верхний шланг от радиатора до АКПП, выпуск)
XS4Z 7A030-BD (1305499) — Трубка охлаждения АКПП входящая нижняя (впуск)
Пояснение:Номера для трубок производства Wayne, USA. Для Мексики другие.
7S4Z 7F293-A (SW-6538) — Датчик положения селектора передач АКПП (TR)
YS4Z 7E395-AA — Трос переключения передач AKПП
6E5Z 7A24 8B (3 569 303) — Сальник насоса АКПП
Механическая коробка передач (МКПП):
MTX75 (Zetec):
YS4Z7A543AA — Главный цилиндр сцепления (Америка)
Подвеска:
5S4Z 5K48 4AA (1 471 446) — Стойка переднего стабилизатора (оригинал)
Приводная система:
YS4Z 3B414-AS (TX-381) — ШРУС внутренний правый, 2.0L SPI SOHC 8v (АКПП)
YS4Z 3B414-AM (TX-380) — ШРУС внутренний левый, 2.0L SPI SOHC 8v (АКПП)
YS4Z 3B436-HB (TX-371) — ШРУС внешний правый (outboard shaft and joint), 2.0L SPI SOHC 8v (АКПП)
YS4Z 3B436-GB (TX-370) — ШРУС внешний левый (outboard shaft and joint), 2.0L SPI SOHC 8v (АКПП)
2M5Z 3B436-BA (TX-415) — Привод передний правый со ШРУСами (MTX-75)
2M5Z 3B437-BB (TX-416) — Привод передний левый со ШРУСами (MTX-75)
5S4Z 3B437-AA (CV10012) — Привод передний левый со шрусами
YS4Z 3A331-ZD — Пыльники ШРУСа комплект
Тормозная система:
1 478 507 — Суппорт передний, правый
1 347 217 — Шланг тормозной, передний
YS4Z-2853-AA — Передний трос стояночного тормоза
YS4Z 2A603-BA — Центральный трос стояночного тормоза
YS4Z 2A635-AA — Задний трос стояночного тормоза к барабанам
9T1Z 2853-B — Передняя часть тросика, T-образный конец
YS4Z 2A603-AB — Длинный двойной трос ручника, T-образный конец, задние барабаны, до 7.2001 г.в.
1M5Z 2A60 3AA — С шарообразным концом, после 26.7.2001
Топливная система:
Впрыск:
1S4Z 9F59 3AA (CM-5025) — Форсунка топливная, 2.0L SPI SOHC 8v
0 280 156 046 — Форсунка топливная Bosch, 2.0L SPI SOHC 8v
1 280 210 796 — Кольцо уплотнительное форсунки Bosch
3S4Z 9h407-BC (PFS-204) — Насос топливный в сборе с датчиком
1S4Z 9A32 2AA — Топливопровод
E2448 — Насос топливной системы
3R3Z 9F972-AA — Датчик давления топлива, 2.0L SPI SOHC 8v
YS4Z 5427936-BA — Корпус горловины топливного бака
6S4Z 61405A26-A — Лючёк бензобака
5S4Z 5427936-AA — Корпус горловины топливного бака
1M5Z-9h407-CA — Бензонасос погружного типа, нового образца
Пояснение:замена уплотнительных колечек на штуцере — колечки из бензостойкой резины от карбюратора ВАЗ 2105, что то связанное с экономайзером кажется
4M5Z 9E926-AA — Корпус дроссельной заслонки, 2.0L SPI SOHC 8v
1S4Z 9A758-EA — Трос газа, 2.0L SPI SOHC 8v
F6CZ 9B989-BB (DY-969) — Датчик положения дроссельной заслонки (с 09-04-2001), 2.0L SPI SOHC 8v
Салон:
1S4Z 54611B08-AA — Правый передний ремень безопасности
YS4Z 54611B09-DA — Левый передний ремень безопасности
YS4Z 54611B68-EB — Задний боковой ремень безопасности (правый и левый — одинаковые)
1S4Z 54611B68-BA — Задний центральный ремень безопасности
YS4Z-3A515-BAA — Центральная вставка рулевого колеса без подушки безопасности
YS4Z-54045A36-CAA — Центральная консоль с подлокотником ’00-’02 г.в. (цвет бежевый)
2S4Z-5413562-BAG — Подстаканник салонный (Левый)
3S4Z5413562AAA — Подстаканник салонный (Правый)
YS4Z-54611B09-DA — Ремень безопасности с преднатяжителем (водителя)
YS4Z-6161202-AA — Замок ремня безопасности с преднатяжителем (пер. пассаж.)
YS4Z 16916-AA — Трос привода замка капота (вместе с ручкой)
1 149 206 — Заглушка отверстия панели приборов (с 15.03.1999 по 05.08.2002 Focus 1998-2005; Medium Parchment Medium Parchment)
1 149 207 — Заглушка отверстия панели приборов (с 15.03.1999 по 05.08.2002 Focus 1998-2005; Medium Dark Graphite Medium Dark Graphite)
1 149 208 — Заглушка отверстия панели приборов (с 15.03.1999 по 09.05.2005 Focus 1998-2005; Midnight Black — Салон Midnight Black)
Кузов:
6S4Z 8A284-AA — Панель крепления фар («Телевизор»)
330-1110R-US — Фара основная правая USA, цоколь ламп h5, без корректора фар, светлый отражатель (Depo)
330-1110L-US — Фара основная левая USA, цоколь ламп h5, без корректора фар, светлый отражатель (Depo)
431-1144R-LD-EM — Фара основная правая EUR, цоколь ламп h5, с корректором фар, светлый отражатель (Depo)
431-1144L-LD-EM — Фара основная левая EUR, цоколь ламп h5, с корректором фар, светлый отражатель (Depo)
2S4Z 13405-AA — Левый фонарь на 3 лампы для седана
1S4Z-13405-BA — Левый фонарь на 2 лампы для седана
6S4Z 17682-BA — Правое зеркало с электроприводом
6S4Z 17683-BA — Левое зеркало с электроприводом
YS4Z-13200-BA — Решетка под капот
YS4Z-8310-HB — Дефлектор радиатора правый
YS4Z-17B814-AA — Решетка в бампер без птф
4S4Z 5810812-AA — Усилитель переднего бампера
6S4Z 5443150-D — Замок багажника на седан
6S4Z 542641 2D — Замок задней правой двери
YS4Z 5421411-AA — Стекло левой передней двери
YS4Z 5403100-FA — Лобовое стекло, до 12.08.2003
7S4Z 5403100-A — Лобовое стекло, после 12.08.2003
YS4Z-16006-CA — Крыло переднее левое
YS4Z-16005-CA — Крыло переднее правое
YS4Z-16612-SA — Капот
YS4Z 5422886-CA — Ограничитель передней двери
5S4Z 16102-AA/5S4Z 16103-BA — Правый/левый передний подкрылок для колес 16-17″ (седан)
YS4Z 54278B50-AA/YS4Z 54278B51-AA — Правый/левый задний подкрылок для колес 16-17″ (седан)
YS4Z-16A550-AA — Брызговики передние (USA)
YS4Z-16A550-BA — Брызговики задние (USA — на седан USA подходят только от Америки)
YS4Z-16C900-AA — Дефлектор на капот (Bug shield)
YS4Z-17B814-AA — Решетка радиатора в бампер с креплениями для ПТФ
YS4Z-17B814-BA — Решетка радиатора в бампер без ПТФ
YS4Z-13200-BA — Решетка радиатора с желтыми парковочными фарами
2M5Z-17D957-FAA — Передний бампер
3S4Z-17K835-EAA — Задний бампер (седан)
YS4Z 5K238-BA — Хромированная насадка на глушитель для спецвыпусков ФФ1 KONA и SONY
YS4Z 5K238-AA — Обычная хромированная насадка
YS4Z-5444210-AAR — Спойлер на багажник (седан)
6S4Z 17508-AARM (WM-767-RM) — Моторчик стеклоочистителя лобового стекла (без -RM тоже подойдет)
3 397 118 904 — Щётки стеклоочистителя Bosh Aerotwin (комплект) 550мм/475мм
3 397 118 911 — Щётки стеклоочистителя Bosh Aerotwin (комплект) 400мм/650мм — без сопли, не стандарт
1K0 955 429 B — Резинка щётки стеклоочистителя Bosh Aerotwin (VAG) 700 мм
YS4Z-1130-BC — Колпак диска колесного
Расходники для ТО:
YS4Z 9601-CC (FA-1688) — Фильтр воздушный, 2.0L SPI SOHC 8v
1072246 — Фильтр воздушный
1045142 — Фильтр воздушный улавливания масла
E4FZ 6731-AB (FL-400-S) — Масляный фильтр, 2.0L SPI SOHC 8v
2M5C-9155-AB (F 89 Z 9155 A) — Топливный фильтр, 2.0L SPI SOHC 8v
FG 986 B — Топливный фильтр, 2.0L SPI SOHC 8v
1 585 195 — Фильтр салона
1 121 106 — Фильтр салона угольный
Жидкости:
XO-5W20-QSP — Моторное масло Motorcraft 5W20, 3.78л
XO-5W30-QSP — Моторное масло Motorcraft 5W30, 3.78л
VC-4-A — Анифриз Motorcraft Premium зеленый, 3.78л (Специф. ESE-M97B44-A)
XT-5-GM — Трансмиссионное масло Motorcraft MERCON® V, 3.78л (Аuto, 4F27E)
XT-5-QM — Трансмиссионное масло Motorcraft MERCON® V, 0.946л (Аuto, 4F27E)
XT-M5-QS — Трансмиссионное масло Motorcraft, 0.945л (Manual, IB5)
XT-2-QDX — Трансмиссионное масло Motorcraft MERCON® ATF (Manual, MTX 75)
XT-1-QF — Трансмиссионное масло Motorcraft MERCON® ATF, 0.946л используют в гидроусилителе (Специф. ESW-M2C33-F)
Подкраска:
ALBZ-19500–1724A — Black (UA)
ALBZ-19500–5920A — Cloud 9 White (YZ)
ALBZ-19500–6290A — Twilight Blue (MK)
ALBZ-19500–6470A — Infra-Red (E4)
ALBZ-19500–6720A — CD Silver (TS)
ALBZ-19500–6758A — Sangria Red (FL)
ALBZ-19500–6863A — Malibu Blue (K7)
ALBZ-19500–6922A — Rainforest Green (SU)
ALBZ-19500–6926A — Fort Knox Gold (B2)
ALBZ-19500–6992A — Light Sapphire Blue (LV)
ALBZ-19500–7000A — Zinc Yellow (B7)
ALBZ-19500–7019A — Sunray Gold (C6)
www.drive2.ru
Уважаемый посетитель форума!
Наш форум существует за счет рекламы.
По этому просим отключить ваш боокировщик рекламы.
Будем очень признательны.
ford-club.ua
Приехала к нам машинка форд фокус. Я с каждой машиной форд убеждаюсь что лучше ездить на пи…е чем на форде. Во первых очень гниют во вторых в плане ремонта все сделано как то не через то место и у данного экземпляра под капотом словно бомба взорвалась

Zoom

Zoom
но дело не об этом. Проблема была в том что авто не заводится и на течь антифриза.
Загнали на яму залили воды ( в системе охлаждения уже была вода так как он пол дороги из Минска ехал на воде) течь была в районе помпы, подозрение было на помпу но из-за компоновки мотора чтобы определить боле точно нужно разобрать пол правой стороны. ( от варианта с помпой мы в последствии отказались так как хозяин буквально за месяц до этого в Минске ее менял, но правда прошлые мастера стали небольшим ускорителем кончины мотора). Поскольку течь антифриза была не основной проблемой, решили разобраться почему не заводится.
Первым делом проверили ремень ГРМ на обрыв и совпадение меток, метки совпали, значит не ремень. Выкрутили свечи для проверки компрессии в ходе которой выявилась пробитая прокладка между 2 и 3 цилиндром. Решено было скидывать голову. После того как скинули голову
и увидели в каком она состоянии

Zoom

Zoom

Zoom
Поршня в похожем состоянии
подумали что не плохо было бы скинуть поддон и глянуть что там.
В масле масла практически не оказалось. Масло было только сверху а остальное была вода. Скинув шатунные вкладыши обнаружились сильные задиры на шейках и самих вкладышах да и прикольнул бутерброд из которого там все было собрано. Вкладыши разных фирм, шатуны разных форм. Как говорится я тебя слепила из того что было. Машина была собрана на продажу.
В ходе разборки мотора была обнаружена течь из-за которой произошёл перегрев и пробитие прокладки.

Zoom
Трубу забыли прикрутить к поддону и она просто протерлась об шкив коленвала. Мотор конечно ещё бы поездил, если бы не перегрев, но рано или поздно все равно пришёл бы ему конец.
Так как целесообразности ремонта данного двигателя не было, начались поиски другого. Цена конкретно такого двигателя просто космическая, хотя двигатель из себя ничего технологичного и надежного не представляет. Даже наоборот все плюются на данный двигатель ( основная причина выпадение седел клапана) уже после этого мы поняли чем так могло размолотить голову.
Сравнив электрическую и топливную схему и форму самого блока на возможность свапа другого двигателя был приобретён 16 клапанный двигатель Zetec. Конкретно модель двигателя не помню, но знаю точно что 2.0и 16 клапанов ( вроде 130 сил).
После пробной стыковки двигателя с коробкой и проверки компрессии начались подготовка двигателя к свапу.
Сам двигатель прикрутили к коробки и установили в моторный отсек. Пришлось заменить правую подушку на подушку нового образца

Zoom
Старая чуть-чуть не подходит

Zoom
Нова на месте
Боялись немного за подвесной правой полуоси но стало все как по заводу ( отличие в том что крепление подшипника в старом ДВС на блоке, а в новом на поддоне

Zoom
Когда ДВС стоял на подушках началась подгонка обвязки двигателя. Так как двигатель был почти комплектным с навесного нужен был только генератор который правда еле нашли (был один в Гродно и то собран наверное из трёх, но выбирать не приходилось). В ходе транспортировки со выпускного коллектора были обломаны все отводы.

Zoom
На заводе были выточены штуцера

Zoom
Это самый большой
и посажены на клей, можно было поискать новый но подошли с пониманием к хозяину так как он не рассчитывал на замену двигателя). В ходе съёма коробки обнаружились отгнившие трубки которые идут на радиатор, поиски БУ ничего не дали, а новые стоят дороже чем машина решили попробовать их изготовить. На фирме которая делает рукава была только металическая трубка и я побоялся что не смогут они точно повторить форму трубок ( не зря, потому что видя как их гнут они точно не попали бы), а подогнуть метал особо не получится. Нашёл в городе медную и на следующий день поехал к ним со своей трубкой, но ничего против не сказали и сделали из моей трубки Трубки получились как по заводу.

Zoom
С одной проблемой было покончено оставалось ещё миллион.
Выхлопная труба есть только оригинал с катализатором и цена естественно снова близка к цене самого авто это нам естественно не устроило. Был изготовлен фланец к которому приварилось часть старой трубы в которую потом пришлось вварить гайку под лямбду.

Zoom

Zoom
Под вторую лямбду использовали кусок старой трубы
На этом этапе у нас уже был готов впуск и выпуск.
Дальше начались работы по подгонке проводки авто к новому двигателю. Отличие нового двигателя было во всех фишках кроме фишки на насос ГУР. Проводка на форсунки изготавливалась полностью с нуля.

Zoom
Были разобраны разъёмы и припаяны новые провода
Остальная проводка подгонялась с помощью пайки и термоусадки. Пришлось практически все провода удлинять так как на новом двигателе все датчики стояли по другому. Без удлинения остались только датчик детонации и датчик давления в рампе. Так как сверлить блок чтобы закрепить датчик я побоялся, а датчик давления в рампе тоже некуда было втыркнуть ( на новом двигателе должен стоять насос с большим давлением и в качестве регулятора та выступает клапан на обратнее). Эти два датчика так и остались висеть на проводах.

Zoom
Для пробы мы решили завезти без обратки. Когда по электрике было все закончено был произведён первый пуск ( хозяин кстати присутствовал и был очень рад услышать звук своего авто ). Машина завелась довольно быстро и работала очень даже не плохо но поскольку у нас была не закончена система охлаждения то двигатель был довольно быстро заглушен. После удачного первого пуска начался самый Геморой ( как для меня по установке данного двигателя)
по системе охлаждения. Просто нигде не написано как она должна выглядеть. По картинкам в нете

частично что- то увидел, помогли чуток люди с форумов. В общем когда принцип стал немного понятен то начались поиски шлангов и подгонка их к новому двигателю. Самый Геморой был со шлангом идущим от помпы на радиатор, в итоге купили похожий шланг от вага и врезали в него китайский тройник с которого уже подключили печку.
Может кому нибудь, когда нибуть понадобится, система охлаждения там сделана следующим образом.
1. С помпы идёт на радиатор ( по заводу ещё два отвода с этого шланга идут) один отвод идёт на корпус термостата, а второй на расширительный бачок. У нас шло немного по другому. С бачка сразу шла ещё одна трубка сразу на радиатор.
2. С корпуса термостата шланг сразу шёл на печку
3. С печьки второй шланг шёл на маслоохладитель.
4. С маслоохладителя шланг снова возвращался на корпус термостата.
Как то вот так мы сделали охлаждение. Вроде все работает, печька греется, локальных подкипаний нет, система нормально развоздушилась вентиляторы охлаждения включаются.
После того как все было сделано немного подрезали шланги чтобы ничего нигде не торчало, обкрутили всю проводку хорошей тряпичной изолентой и отдали машину счастливому хозяину.
www.drive2.com
Всем привет! Приговорил замену опоры, иногда чувствовал толчки при трогании. Выбор опоры стал одна из самых дешёвых Sasic,

считаю для меня пока служит авто хватит, да и например за один LEMFORDER опору, Sasic 3 штуки можно взять за те же деньги.
Как получил опору, на следующий день после работы в 17 часов, прямо рванул на эстакаду во двор брата, пока ещё светло было, в 18 часов уже темно, приготовил фонарик.
Думал работа пройдёт быстро, а не обошлось без приключений. Значит снял защиту, поставил упор под КПП. Все болты опрыскал вдэшкой.

Полный размер

Полный размер
Принялся откручивать болт на 17, который держит опору за подрамник. Болт не отдался, стал откручивать гайку на 17 верхнюю, с трудом отворачиваю гайку при том что ход ключа накидного очень маленький, а головка торцевая там вообще не влазит, рулевая рейка мешает. Даже после этого болт не отдался, закис во втулке опоры, зараза. В общем отломил головку болта( благо что у меня были болты в багажнике и нашёл подходящий диаметра и длины.

Полный размер
Снизу сломанный болт, сверху ключ на 17, показал какой маленький ход откручивать гайку
Дальше стал откручивать болт на 13 который крепит опору к КПП, с трудом отдался болт, с помощью газового ключа и головки на 13.

Полный размер

Полный размер
Оставалось только выбить один болт, точнее то что от него осталось, так как ничего не получалось, пришла идея спилить его остаток с резьбой. Звоню корешу, чтоб нашёл полотно по металлу, всё привёз и я долго и усердно перепиливал этот бл… болт.

Полный размер

Полный размер

Полный размер

Полный размер

Полный размер
www.drive2.ru
Сегодня я вам поведаю, как я потратил почти 4600р. Как оказалось зря… ну или почти зря.
Итак начнем со странного звука на холостых, о котором я писал ранее тут
Я был уверен, что это натяжитель. Заказал новый натяжитель, еще и паразитный ролик, чтоб 2 раза не бегать.
Нашел видео о замене:
тут у дяди все хорошо получается, в реале не так просто. В дополнении к ролику я рекомендую снять бачки гур и ОЖ, и открутить болт кроншнейна подушки двигателя. Иначе натяжитель не вынуть нормально.

вот так надо открыть доступ
Далее все просто, но для еще более простого нужно иметь вот такой ключ на 13.

Стоит он нормального бренда в районе 800р.

отсюда видно болт, который надо открутить

Новье от DAYCO
Рекомендую поднять машину повыше и снять локер для удобной замены

натяжитель фиксировал как мог!

Подшипники в роликах не люфтили, а вот пружина действительно ослабла. Старый натяжитель я мог двигать руками, новый — хрен, все туго.
Старые ролики:
www.drive2.ru
Ну вот, после того, как я накосячил с опорой, мне пришла другая, та, та что для двигателя Split Port. На придумывают всякого…потом мучаешься.
Приехал к друзьям на СТО, загнал на подъемник, думал поменяю быстро, но друзья есть друзья, пока поговорили, обсудили новости, и всю хрень, что творится в стране. в общим начал что -то делать только ближе к вечеру.
1) Заменил опору с права в верху.
2) Заменил опору с низу по центру.
3)При осмотре увидел, что трубка кондея, от компрессора к осушителю обломилась, видимо весной буду искать новую.
4)Заменил сейлентблоки передних рычагов, задние.
5) Осмотр левой опоры двигателя, показал, что ее то-же нужно менять, закажу заменю.
6) Нашёл течь масла, задний сальник колен вала под замену(до весны)

Я думаю видно, что опорам ХАНА.


Цена вопроса: 5 400 ₽ Пробег: 2690700 км
Нравится 18 Поделиться: Подписаться на машину
www.drive2.ru

Полный размер
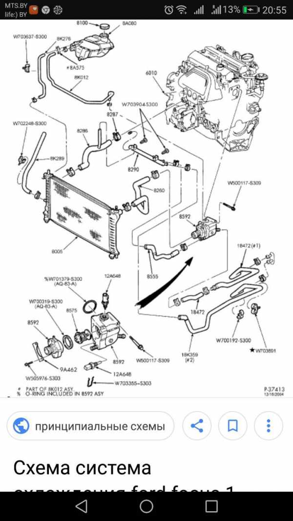
После второго за месяц прорыва шланга с потерей 3 литров ОЖ, решил заменить их все, чтоб спать спокойно. У нас нашёл только шланг от бочка к термостату, остальные заказал на rockauto.com вчера вечером. Посылку уже выслали, сижу волнуюсь: дойдёт ли, как дойдёт, когда, как решится вопрос с деньгами, если не дойдёт. Хотя имею большой опыт покупок с инета, и не на такие суммы, волнуюсь. Владельцам сплитов советую иметь в виду сайт, так как там много расхрдников и запчастей. Ищу фишку катушки. Там есть — 2000р. Неоригинал. Больше инфы о шлангах тут — ffclub.ru/topic/261224/go_post/17579732/
коды:
Нашел вроде все шланги, в прошлый раз, в машину не ползал, поэтому надо еще раз исправить первый пост, там некоторые шланги не подойдут!
Сразу предупреждаю, что на экзистах и прочих почти ничего не бьется, или нет в наличии, за исключением пары шлангов. Искать надо на rockauto.com, ebay, и прочих заморских инет-магазах.
Итак коды шлангов (патрубков охлаждения Split Port 2003 АКПП:
от помпы к отопителю — 2M5Z 18K359-AD (GATES 19746)
Скрытый текст
от помпы на впускной коллектор — 2M5Z 18472-BCC GATES 18322 CONTINENTAL 63503 ACDELCO 16205M
Скрытый текст
от термостата к отопителю — YS4Z 18472-JA (Dayco 88424 GATES 22570)
Скрытый текст
верхний от радиатора к термостату — YS4Z 8260-CE (Dayco 72075 GATES 22503)
Скрытый текст
От радиатора на трубку под шкивом коленвала — GATES 22500 ACDELCO 20329S DAYCO 72166
Скрытый текст
От трубки к помпе GATES 22501 ACDELCO 22365M DAYCO 72165
Также есть в сборе — КМ-4493 или YS4Z-8286-CA
От расш. бочка к термостату — YS4Z 8K012-CA (3M5Z 8K012-BA) GATES 18261
От расш. бочка на радиатор (верхний) GATES 18321 ACDELCO 18170L
от расш. бочка к радиатору (нижняя) — 2M5Z 8K289-AA (ACDELCO 18171L)
2M5Z 8592-AA — корпус термостата
YS4Z 8501-AA — помпа
YS4Z 8575-AA — термостат
Фото есть тут:
ffclub.ru/topic/261224/ju…id=17579732#entry17579732

Полный размер

Нравится 25 Поделиться: Подписаться на машину
www.drive2.ru