Всем приувееет! Во общем проблема такая давно стал стал замечать что, на холодную машина резвая а как покатаешся по дольше и все становится тупая, как за жопу держат. При том еще средний расход повысился на литр и подергивания какие то бывают при разгоне. Короче динамика упала! Чек не горит! На днях думаю заеду к на диагностику подвески и двигателя, типа к зиме подготовить посмотреть че да как. И вот что имеем!


тот самый клапан

диагностика на стенде!




проверяем работоспособность она должна быть от 30-40 ОМ

Ну а по подвеске все норм, кроме закисшей нижней направляющей в суппорте. что привело к износу колодок с правой стороны.

пыльники, направляющие, колодки брембо!

в сервисе пытались оживить направляйку но без результатно!

что имеем после замены!

Цена вопроса: 4 800 ₽ Пробег: 148000 км
Нравится 39 Поделиться: Подписаться на машину
www.drive2.ru

Всем привет!Вылезла ошибка Р0661 низкое напряжение.Поискав на просторах интернета, что за ошибка, выяснилось, что кирдык клапану управления заслонками впускного коллектора.Кстати я последнее время стал замечать, что вырос расход и машина стала более вялой на обгонах.Проверил
клапан мульиметром на сопротивление, а там 0.А должно быть от30 до 40 Ом.Хотел заказать оригинал, а он мало того, что дорогой, так еще и ждать 3 недели.Пришлось заказать аналог.Зато клапана 2 и цена1300р.Вобщем поменял, ошибка пропала, расход бенза стал меньше и машинка ожила.Всем удачи)))
Полный размер

Полный размер

Полный размер

Полный размер

Полный размер

Полный размер

Полный размер
Нравится 43 Поделиться: Подписаться на машину
www.drive2.ru
При покупке машины читал ее елм и форсканом, была ошибка по клапану (На замене сопротивления показывал бесконечность, обрыв катушки). Вычитав в интернете про нее понял, что нечего страшного ( если снят разъем с электромагнитного клапана это другое дело. Так убирают звук дизеля из за заслонок) в моем случае фишка была одета на клапан.
Так же на драйве и в группе Мазда гараж дали номерок площадке в сборе. Вот ее и купил zvlf82740, вычитав в интернете сопротивление на катушке должно быть от 30 до 40 Ом. На моих было 33.9 Ома, Поездив Какое то время понял что на низах машина вялая. Начал опять докапываться до работы клапана, так же спасибо группе Мазда гараж, что показали принцып работы этой системы. Самое интересное что на холодную утром клапан работал нормально, но после того как поездив на машине Он переставал открываться и сопротивление возрастало до 41 Ома. Дальше начал лазить по форумам и нашел, что бывали случаи когда при нагреве клапана возрастало и сопротивление. Не стал покупать новый оригинальный клапан а купил от Ваза, для эксперимента.

Полный размер
Сделал переходник из старого не рабочего клапана

Полный размер
Вот тут видно работу заслонок, рычажек на заведеной машине уходит вниз

Полный размер
Вазовский клапан

Полный размер
Сопротивление новых клапанов в сборе

Полный размер
Разбор старого оригинального, думал можно разобрать. Но он весь литой и с клеян хороше.

Полный размер

Полный размер

Полный размер

Полный размер

Полный размер

Полный размер
Нравится 37 Поделиться: Подписаться на машину
www.drive2.ru
Чисто случайно заметил у себя ошибку P0661, при которой «чек» не загорается.

ошибка
Полез под капот измерять сопротивление двух электро клапанов, т.к. не знал, какой из них именно умер.

черный эл.клапан

сопротивление черного эл.клапана

коричневый эл.клапан

сопротивление коричневого эл.клапана
Как видим, у коричневого клапана где-то обрыв обмотки.
Идем в интернет и заказываем новый эл.клапан. Ждем около недели и едем забирать.

номер

новый клапан

новый клапан
После чего сразу в гараж на замену.
Фотографий много не делал, т.к. руки были не самыми чистыми.

замена клапана
После чего завел авто, прогрел и скинул ошибку.
Попробовал погазовать, ошибка больше не появляется.

считываю ошибки

итог
Эффекта «ВАУ» не обнаружил. Поехала может и повеселее, но это очень субъективно.
Цена вопроса: 1 823 ₽ Пробег: 145000 км
Нравится 59 Поделиться: Подписаться на машину
www.drive2.ru

ах, леЕетооОо…

Полный размер
откручивал головкой звёздочкой
накрылся соленоид на впуск, тачка не ехала. Диагностика ELM показала код ошибки и соответственно воружённый инфо закупился и заменил. Фото подтверждение))
Диагностика была проведена опытным пользователем ПК bannov1av за что ему благодарочка была вручена в виде кофе))

Полный размер
ёёОпт, это что ещё за нахер? может кто поможет?

Полный размер
один дорого, а в паре почему то дешевле- выдумывать не стал и купил эту площадку в сборе

Полный размер
проверка перед установкой — коричневый

Полный размер
это новый черный

Полный размер
откручиваем

Полный размер
выкидываем в ближайшей мусорке предварительно сняв пластиковый держатель шлангов

Полный размер
место для установки новых готово. А видим мы площадку ещё не меняного тройника от машки.

Полный размер
сфотал как мог, что новые установлены.

Полный размер
плотно сидящий на хвосте bannov1av
Хочу пояснить, что крякнул у меня только «Коричневый» соленоид, а поменял оба, т.е. всю площадку потому как так дешевле выходило.
Что сказать по итогу замены. Тачка реально пошла, повалила, попёрла как ракета. Меня непросто выжимает в дорестайловые сидухи MPS, а как желе распирает в них. Если бы так и оставил кожаные спортовские то вылетал бы из руля в приоткрытое окно.
Шучу- перехода не почувствовал.
Цена вопроса: 1 400 ₽
Нравится 45 Поделиться: Подписаться на машину
www.drive2.ru
Перейти к содержимому
Новичок
Отправлено
Отправлено
Гуру
Отправлено
провели диагностику, диагноз поставили P0661 intake manifold tuning valve control circuit low (bank1)! Подскажите в чем причина? Плавают обороты, причина в этом???
Отправлено
Новичок
Отправлено
Гуру
Отправлено
Гуру
Отправлено
Гуру
Отправлено
Сообщение отредактировал EnGI: 27 Май 2012 — 00:36
Отправлено
Грозит быстрым загрязнением системы питания, увеличением расхода чуть чуть, тяга упадет и как следствие предыдущих симптомов и как самостоятельная причина. НО! Это практически не заметно, думаю, за исключеним вот быстрой засираемости впускного коллектора, дросселя. Ошибка не критичная, тем более, на самом деле по ней даже чек не выдается (это уже не мое ИМХО, а мануал). Подумаешь, машинка пробежит вместо 500 тыс. км к примеру 300 .
Гуру
Отправлено
У меня вот тоже такая ошибка, машина дергается иногда, тяга хуже стала. Сначала думал на засранные форсунки, промыл ультразвуком, нихрена, только вот чек раньше не горел, дергалась, после промывки форсунок, загорелся че, вот комп выдал две ошибки P0661, P0507. Теперь вот нужно покупать. Скажите не критично если я буду ездить недого на машине с этой ошибкой, просто по работе очень нужно, а новые только на выходных заберу.
Сообщение отредактировал EnGI: 09 Июль 2012 — 16:56
Отправлено
У меня вот тоже такая ошибка, машина дергается иногда, тяга хуже стала. Сначала думал на засранные форсунки, промыл ультразвуком, нихрена, только вот чек раньше не горел, дергалась, после промывки форсунок, загорелся че, вот комп выдал две ошибки P0661, P0507. Теперь вот нужно покупать. Скажите не критично если я буду ездить недого на машине с этой ошибкой, просто по работе очень нужно, а новые только на выходных заберу.
Сообщение отредактировал inGame: 09 Июль 2012 — 17:57
Гуру
Отправлено
P0507 регулятор холостого хода чистить будут, а клапан сказали менять, он все перепроверил, прозвонил, сказал что пипец ему, меняй. Просто машина еще до промывки дергалась, иногда сильно, особенно когда с первой на вторую переключаешься, чек не горел. Вот и понять не мог что может быть…
Отправлено
P0507 регулятор холостого хода чистить будут, а клапан сказали менять, он все перепроверил, прозвонил, сказал что пипец ему, меняй. Просто машина еще до промывки дергалась, иногда сильно, особенно когда с первой на вторую переключаешься, чек не горел. Вот и понять не мог что может быть…
Сообщение отредактировал inGame: 09 Июль 2012 — 23:28
Гуру
Отправлено
Блин, проблемка осталась =( , сегодня купил клапан, который отвечает за 1 и 2 цилиндры (который мне сказали поменять), сам поменял его, сначала вроде поехала, даже хорошо поехала, думал ну все, вот оно счастье, а не тут-то было, после первого светофора опять начала тупить =((( не знаю что уже и делать с этим дерганьем…. помогайте пожалуйста, клемму скинул, ошибка ушла, буду ждать теперь ее появления и бегом в сервис считывать….. подскажите куда можно в Москве в хороший сервис съездить, чтоб там уже поставили точный диагноз? а то в Посаде одни «мастера»….
Отправлено
Блин, проблемка осталась =( , сегодня купил клапан, который отвечает за 1 и 2 цилиндры (который мне сказали поменять), сам поменял его, сначала вроде поехала, даже хорошо поехала, думал ну все, вот оно счастье, а не тут-то было, после первого светофора опять начала тупить =((( не знаю что уже и делать с этим дерганьем…. помогайте пожалуйста, клемму скинул, ошибка ушла, буду ждать теперь ее появления и бегом в сервис считывать….. подскажите куда можно в Москве в хороший сервис съездить, чтоб там уже поставили точный диагноз? а то в Посаде одни «мастера»….
Отправлено
Гуру
Отправлено
Добрый день!Горел чек, решил сделать диагностику, ошибка р0661, рекомендация замена саленоида управления впускным коллектором.Я в этих делах девственник) Может кто нибудь объяснить на пальцах, что надо заменить и возможно ли это сделать самому? Мастер на сто, был не заинтересован мне растолковывать.Заранее спасибо!
Отправлено
Гуру
Отправлено
Я не присутствовал в технической зоне. Но копались они там час. Я думаю что он прав, так как симптомы похожи на такого рода ошибку, по форумам полазил. Вопрос, где он вообще находиться?
Отправлено
Я не присутствовал в технической зоне. Но копались они там час. Я думаю что он прав, так как симптомы похожи на такого рода ошибку, по форумам полазил. Вопрос, где он вообще находиться?
Новичок
Отправлено
Гуру
Отправлено
Добрый день. У меня на MPV II LW правый руль, двигатель 2,3 диагностика показала такой же код P0661Сказали, что из-за низкого уровня охлаждающей жидкости. Что типа какой-то датчик посылает в мозги сигнал о температуре и поэтому обороты прыгают.
Новичок
Отправлено
Гуру
Отправлено
сегодня попробую сравнить с тем что под капотом, надеюсь у меня тоже самоена магазине картинка другая

Сообщение отредактировал EnGI: 07 Февраль 2013 — 21:15
Новичок
Отправлено
Community Forum Software by IP.Board
avtognostika.ru
P0660 [Z6], P0661 [LF] Цепь системы изменения геометрии впуска. Низкое напряжение.
Условия регистрации кода ошибки в памяти:
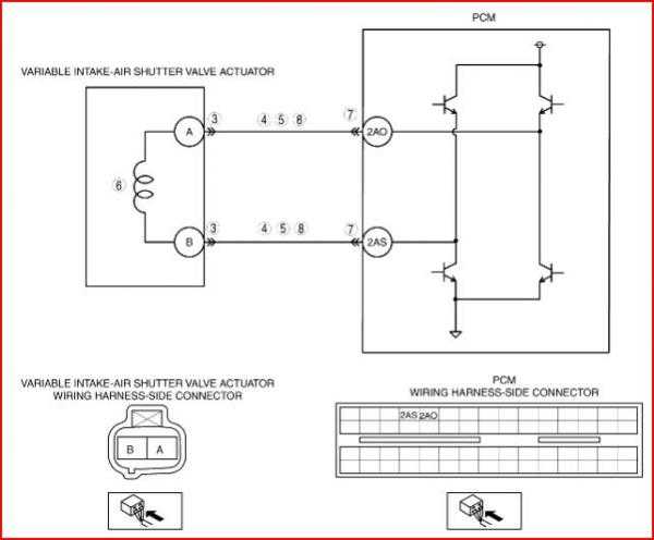
ЭБУ следит за сигналом управления системой изменения геометрии на выходах 2AS и 2AO [Z6], 2AJ [LF] ЭБУ.
[Z6] Если ЭБУ активирует привод клапана системы изменения геометрии впуска на открытие или закрытие, а напряжение на выходах 2AS и 2AO ЭБУ не совпадает с сигнальным напряжением ЭБУ, то ЭБУ решает что цепь управления системой изменения геометрии функционирует неверно.
[LF] Если ЭБУ выключает клапан управления системой изменения геометрии впуска, но напряжение на выходе 2AJ ЭБУ остается низким, то ЭБУ решает что цепь управления клапаном системы изменения геометрии функционирует неверно.
Диагностическая памятка:
Возможные причины:
Z6
LF
Z6 LF

Процедура диагностики (на английском):
[Z6] http://www.thaimazda…0200600W03.html
[LF] http://www.mazda3sto….html#wp1025486
Сообщение отредактировал EnGI: 24 Январь 2014 — 11:51
mazda3.ru