Для выполнения работ по снятию ограничителя вам потребуются все инструменты, необходимые для снятия обивки передней двери и ключ torx t40 и торцовая головка на 10.
Откручиваем винт крепления ограничителя к стойке кузова.
Откручиваем 2 гайки крепления ограничителя к двери.
Снимаем ограничитель через окно динамика.Видео по теме:
remont2110.ru
Обивку передней двери автомобиля Рено Логан 1 снимаем в случае замены стекла двери, замены ручек двери, смазки механизма открывателя двери, замене электростеклоподъемника и прочих ремонтных работах.
— Ключи TORX 20 и TORX 25
— Нож с широким лезвием
— Шлицевая отвертка
Порядок снятия обивки передней двери на автомобиле Рено Логан 1
— Снимаем ручку стеклоподъемника (если автомобиль оборудован механическими стеклоподъемниками)
Поджимаем круглую накладку к ручке. Ухватившись пальцами за основание ручки с усилием тянем ее на себя. Либо срываем ее резким движением. Смысл процедуры — преодолеть сопротивление пластмассовых фиксаторов ручки, которые своими выступами входят в паз на валу стеклоподъемника.

— Снимаем внутреннюю ручку двери
Ключом TORX 25 отворачиваем винт крепления внутренней ручки. Вынимаем ручку из посадочного отверстия. Выводим крючок тяги привода из отверстия в рычаге ручки. Снимаем ручку.

— Снимаем динамик
Поддев шлицевой отверткой снимаем накладку динамика. Ключом TORX 20 отворачиваем четыре винта крепления динамика. Извлекаем его из посадочного гнезда и отсоединив идущие к нему провода снимаем. Наконечники проводов разной толщины, поэтому ошибиться при последующем подключении будет сложно.

— Отворачиваем винты крепления обивки к передней двери автомобиля
При помощи ключа TORX 20 отворачиваем один винт крепления обивки в подлокотнике и другой винт с торца двери.

— Отсоединяем обивку от передней двери
Аккуратно поочередно с разных сторон поддевая широким ножом обивку, преодолевая сопротивление фиксаторов (пистонов), отсоединяем ее от двери. Всего фиксаторов одиннадцать. Расположены они по периметру двери. Под нож можно подложить кусок картона, чтобы не повредить лакокрасочное покрытие двери. Отсоединив пару фиксаторов при помощи ножа, остальные можно отделить потянув руками обивку двери на себя. Поврежденные пластмассовые фиксаторы необходимо будет заменить новыми.
Снимаем обивку передней двери, выводя кнопку блокировки замка из отверстия. Пластмассовую накладку кнопки следует снять поддев ее отверткой.
Все, обивка передней двери автомобиля Рено Логан 1 полностью снята.
Примечания и дополнения
— Подлокотник крепится к обивке семью винтами под ключ TORX 20, при необходимости снимаем и его.
— Устанавливаем обивку передней двери в обратной последовательности.
Еще статьи по кузову автомобиля Рено Логан 1
— Замена ограничителя открывания передней двери автомобиля Рено Логан
— Установка уплотнителя капота на автомобиле Рено Логан 1
— Самостоятельная замена лобового стекла на автомобиле Рено Логан 1
twokarburators.ru
Снятие
1. Открутите болт 1 (рис. 9.2).

Рис . 9.2.
2. Снимите молдинг и декоративную панель передней двери автомобиля Dacia/Renault Logan (рис. 9.3).

Рис . 9.3.
3. Отсоедините и снимите жгуты проводки в передней двери (в зависимости от оборудования) (рис. 9.4).

Рис . 9.4.
4. Опустите стекло.
5. Осторожно снимите наружный водоотражатель (рис. 9.5).

Рис . 9.5.
6. Осторожно снимите внутренний водоотражатель (рис. 9.6).
Рис . 9.6.
7. Отсоедините разъем проводки 3, открутите болты 4 и снимите наружное зеркало заднего вида (рис. 9.7).
8. Снимите стекло передней двери.
9. Снимите направляющую стекла передней двери (рис. 9.8).

Рис . 9.7.

Рис . 9.8.
10. Снимите уплотнитель стекла передней двери (рис. 9.9).

Рис . 9.9.
11. Снимите фиксированную направляющую стекла передней двери, открутив болт 5 (рис. 9.10).

Рис . 9.10
12. Отцепите тягу 6 открывания двери от фиксатора на замке двери (рис. 9.11).

Рис . 9.11.
13. Открутите гайку7 (рис. 9.12).

Рис . 9.12.
14. Снимите наружную ручку открывания двери 8 и отсоедините тягу 6 (рис. 9.13). Снимите замок передней двери и его цилиндр.

Рис . 9.13.
15. Открутите болт 9 (рис. 9.14).

Рис . 9.14
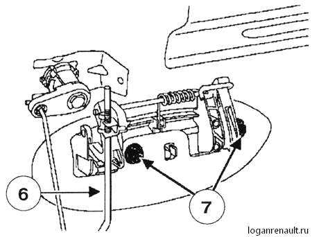
16. Открутите болты 10 крепления ограничителя открывания двери (рис. 9.15).

Рис . 9.15.
Снятие двери путем откручивания гаек
17. Открутите гайки 11 крепления петли двери (рис. 9.16).

Рис . 9.16.
Снятие двери путем откручивания болтов
18. Открутите болты 12 крепления петли двери (рис. 9.17).

Рис . 9.17.
Установка
19. Установка проводится в порядке, обратном снятию.
Внимание! При замене передней двери необходимо также заменить переднее крыло.
Регулировка положения двери
Регулировка двери производится в направлениях, указанных на рис. 9.18, с помощью гаек 1.

Рис . 9.18.
Регулировка положения двери относительно передней стойки
Регулировка двери производится в направлениях, указанных на рис. 9.19, с помощью болтов 2.

Рис . 9.19.
Моменты затяжкиГайки крепления петли двери — 28 Нм. Болт крепления петли двери — 28 Нм.
loganrenault.ru
avtorin
280 Просмотров0 Лайк
avtorin
386 Просмотров
avtorin
720 Просмотров0 Лайк
avtorin
572 Просмотров0 Лайк
avtorin
406 Просмотров0 Лайк
avtorin
350 Просмотров0 Лайк
avtorin
306 Просмотров0 Лайк
avtorin
1.47K Просмотров0 Лайк
avtorin
223 Просмотров0 Лайк
avtorin
496 Просмотров0 Лайк
avtorin.ru