Освещение ксеноновыми лампами набирает все большую популярность среди автомобилистов. Даже те, чьи автомобили не имеют штатных ксеноновых источников света, устанавливают их самостоятельно. Но чтобы такие фары работали долго и надежно, их необходимо правильно выбрать и установить. В этой статье мы разберемся, как выбрать, установить и проверить блок розжига ксеноновых ламп своими руками.
Итак, мы надумали поставить ксеноновые фары. Можно, конечно, купить лампы и специальный драйвер их питания – блок розжига – отдельно. С этим нет никаких проблем, поскольку и то, и другое продается по отдельности. Но намного удобнее и надежнее взять готовый комплект, который состоит из:
Второй вариант лучше тем, что в комплекте идут устройства розжига, идеально подходящие как по характеристикам, так и по типу разъемов к лампам из того же комплекта.
к содержанию ↑Установка ксенона на автомобиль не представляет собой ничего сложного, но чтобы правильно это сделать, необходимо знать некоторые нюансы. Один из них – тип низковольтного разъема модуля розжига. Он должен соответствовать типу цоколя штатной лампы, которую будем менять. Промышленность выпускает блоки розжига на ксенон с цоколями D2S, D2C, D1S, D1R, D4S, Н1, H7, h21, НВ3, НВ4, НВ5, h5.
Последний тип ламп и блоков чаще всего отвечает одновременно за дальний и ближний свет и называется биксеноновым. Но это не значит, что у лампочек две колбы (по аналогии двух спиралей в лампах накаливания). Переключение с дальнего на ближний в таких комплектах осуществляется специальной электромеханической шторкой в лампе, перенаправляющей световой поток. Управляет же этой шторкой сама лампа, автоматически определяющая, на какой контакт колодки Н4 модуля розжига подается питание.
Еще один нюанс, который облегчит установку ксенона – одинаковый с блоком плавного пуска галогенных ламп корпус модуля розжига ксенона. В этом случае достаточно просто снять блок плавного пуска и установить на его штатное место модуль розжига ксенона, а не ломать голову над тем, куда новый модуль прикрутить.
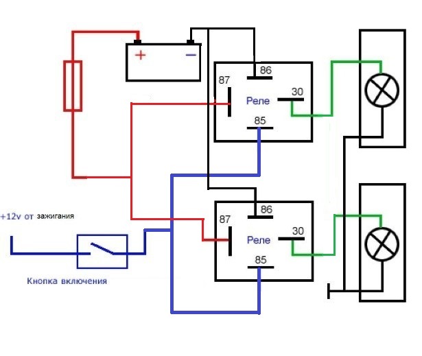
Если же нужно заменить вышедший из строя блок розжига, то стоит покупать именно ту модель, которая используется в автомобиле. Схема самостоятельного подключения ксенона и блоков розжига к бортовой сети автомобиля предельно проста:
Типовая схема подключения ксенона к бортовой сетиЗдесь в качестве реле используется штатное реле включения дальнего (ближнего) света. По сути, вся приведенная схема уже собрана в практически любом автомобиле. Для установки ксенона достаточно снять штатную лампу, на ее место установить ксеноновую, подключить ее к блоку розжига, а сам блок подключить к разъему штатной лампы. Именно поэтому я рекомендовал выбирать блок розжига с таким же разъемом, что и у штатной лампы.
Если у тебя стояли лампы с цоколем h5, то гнездо питания блока розжига будет трехконтактным, а схема подключения несколько меняется, поскольку ксенон придется ставить «би» – со шторкой.
Схема подключения биксенонаЗдесь при включении дальнего света (12 В на контакт 2 и 3 разъема) шторка находится в одном положении, ближнего (12 В только на контакте 2) – в другом.
Мнение эксперта
Алексей Бартош
Специалист по ремонту, обслуживанию электрооборудования и промышленной электроники.
Задать вопрос экспертуПроблема с ксеноном заключается не в установке и подключении, а в том, что после этого требуется корректировка фар, правильно выполнить которую самостоятельно и без специального стенда практически невозможно. Если же ксенон не откорректирован, то он будет больше светить в глаза встречных водителей, чем на дорогу.
Монтировать ксенон на свой автомобиль необходимо только при отключенной аккумуляторной батарее, поскольку на выходе блока розжига и на лампе в рабочем состоянии присутствует опасное для жизни напряжение (см.
следующий раздел).
Кроме того, колба ксеноновой лампы во время работы сильно нагревается (более 200 градусов Цельсия), и случайное прикосновение может вызвать сильнейший ожог. Во время первого включения необходимо беречь глаза, поскольку неправильно собранная схема или производственный брак может вызвать взрыв лампочки.
к содержанию ↑С установкой блока розжига ксенона вроде все, осталось узнать принцип его работы и научиться устранять простейшие неисправности. Взглянем на классическую схему блока розжига:
Электрическая схема блока поджига ксенона
Как видно из приведенной схемы, блок розжига ксенона – довольно сложное электронное устройство, которое состоит из:
В момент включения схемы в работу запускается генератор и разрешается работа трансформаторам TR1 и TR2. Напряжение на вторичной обмотке TR2 достигает порядка 3 киловольт, достаточных для пробоя разрядника. Во время срабатывания разрядника создается поджигающий импульс (через TR3), который поступает на лампу.
Происходит пробой газового промежутка, лампа «поджигается». В этот момент ток через нее возрастает. Тут же срабатывает схема регулировки, отключает TR2 и начинает следить за током через лампу, управляя скважностью импульсов генератора при помощи ШИМ-модуляции. На лампе устанавливается рабочее напряжение (порядка 85 В), которое в дальнейшем поддерживается на заданном уровне.
Мнение эксперта
Алексей Бартош
Специалист по ремонту, обслуживанию электрооборудования и промышленной электроники.
Задать вопрос экспертуТаким образом, в рабочем режиме на лампе поддерживается напряжение порядка 85 В, а в момент пуска – несколько десятков киловольт (за счет умножителя и TR3).
Именно об этой опасности я предупреждал, когда говорил, что монтировать ксенон и блок розжига нужно только при отключенном аккумуляторе.
Проверить работоспособность блока розжига без специальной высоковольтной аппаратуры довольно сложно. Единственный вариант – подключить к нему ксеноновую лампу и запитать от 12-вольтового аккумулятора или сетевого блока питания, выдерживающего ток до 5 А при напряжении 12 В. При этом нужно иметь в виду, что включать блок розжига без нагрузки (лампочки) нельзя. В противном случае велика вероятность пробоя высоковольтных трансформаторов.
к содержанию ↑Наиболее распространенные неисправности ксенона проявляются так:
В первом случае либо сгорел соответствующий предохранитель в монтажном блоке, либо оборвался провод питания блоков розжига на ксенон или ламп, либо вышло из строя реле или переключатель света. Есть и более печальный вариант с теми же симптомами: вышел из строя сам блок.
Если фара мигает, то тут три варианта:
Как я уже говорил, блок розжига ксенона – сложное электронное устройство, отремонтировать которое по силам только опытному специалисту. Поэтому если прибор вышел из строя или плохо себя “ведет”, то единственный вариант для обычного автомобилиста – замена блока розжига ксенона на новый. Можно, конечно, попытаться произвести самостоятельный ремонт блока розжига ксенона: разобрать устройство, просушить его феном, произвести внешний осмотр платы, пропаять подозрительные места. Но, как правило, это редко приводит к положительному результату.
Что касается остальных неисправностей, то они легко устраняются, если ты имеешь базовые знания по электротехнике. Колодки чистятся и сушатся, предохранители, оборванные провода, реле и выключатели меняются на исправные.
Полезно! Есть еще один вариант, по причине которого фара не горит, – в ней просто сгорела лампа. Это легко “лечится” заменой сгоревшего прибора на новый однотипный.
На этом беседу о блоках розжига ксенона, я думаю, можно завершить. Теперь ты знаешь, что они собой представляют, сможешь их самостоятельно подключить и даже устранить неисправность в системе ксенонового головного света.
СледующаяКсенонОбзор ксеноновых ламп D2R
Подобно любому современному электрооборудованию, корректная и бесперебойная работа ксенона напрямую зависит от его правильной установки. В связи с тем, что блок розжига вырабатывает высокое напряжение (макс. — до 25kV, в момент розжига дуги), монтаж ксенонового оборудования рекомендуется доверить специалисту-электрику в автосервисе.
УСТАНОВКА КСЕНОНА: ОБЩИЕ ПОЛОЖЕНИЯ
1. Перед тем как ксенон установить, проверьте совместимость его технических параметров с техническими параметрами автомобиля.
2. Рекомендуется производить монтаж оборудования при отключенной минусовой клеммы аккумулятора.
3. Поскольку ксенон является дополнительным оборудованием, рекомендуется установить предохранители цепи головного света по 10А на каждую фару.
4. Обеспечьте свободный доступ к фарам со стороны моторного отсека. Если доступ затруднен — демонтируйте фару.
5. Снимите заднюю защитную крышку фары, отсоедините разъем лампы, освободите крепежную пружину, выньте лампу из посадочного места.
6. При необходимости — просверлите в снятой крышке отверстие нужного диаметра для проводки ксеноновой лампы.
Протяните через него провода ксеноновой лампы, установите резиновый уплотнительный манжет.
7. Удалите защитный материал с колбы ксеноновой лампы. Не касайтесь колбы лампы на протяжении всего процесса установки ксенона, избегайте попадания на нее пыли, грязи.
8. Установите ксеноновую лампу в штатное посадочное место фары и зафиксируйте ее крепежной пружиной.
9. Установите на место защитную крышку фары.
10. Определите места крепления блоков розжига к кузову автомобиля. Желательно, чтобы места крепления блоков не были подвержены воздействию высоких температур и повышенной влажности. Установку блоков розжига 5 поколения (тонкие, «слимы») рекомендуется производить на плоские металлические детали кузова авто, с применением теплоотводящих паст.
11. Закрепите блоки розжига с учетом длины проводов, идущих от них к разъемам ламп. Наиболее оптимальное положение блоков — перпендикулярное, разъемами вниз. Допускается закрепление блока с помощью двухстороннего скотча.
12. Аккуратно, без силового воздествия, соедините все разъемы в соответствии со схемами подключения (см. ниже Схему №1 для установки ксенона и Схему №2 для установки биксенона). Обратите внимание на правильность подсоединения питания к блоку розжига. Удерживающая скоба проводки должна обхватить треугольный выступ на блоке розжига (см. фото 1). Для мест подверженных воздействию влаги, разъемы рекомендуется обработать аэрозолью содержащей масло.
13. Уложите провода, закрепив их пластиковыми хомутами к штатной проводке.
14. Завершив установку ксенона, подсоедините клеммы аккумулятора, заведите двигатель, включите головной свет, чтобы проверить в работоспособности оборудования.
15. Отрегулируйте свет фар на стенде. Помните, что только тщательно отрегулированный поток ксенонового света несет безопасность и комфорт всем участникам дорожного движения.
УСТАНОВКА КСЕНОНА
При установке ксенонового оборудования руководствуйтесь общими положениями, описанными выше.
Соединение разъемов (пункт 12) производите по монтажной схеме №1, соблюдая указанную последовательность подключения разъемов, обозначенных на схеме номерами 1, 2 и 3.
1. Соедините разъемы высоковольтных проводов лампы и блока розжига.
2. Соедините разъемы питания блока розжига и ксеноновой лампы.
3. Соедините разъем ксеноновой лампы (+) и (-) со штатным разъемом питания лампы.
УСТАНОВКА БИКСЕНОНА
При установке биксенона руководствуйтесь общими положениями, описанными выше. Соединение разъемов (пункт 12) производите по монтажной схеме №2, соблюдая указанную последовательность подключения разъемов, обозначенных на схеме номерами 1, 2, 3, 4. 5.
1. Соедините разъемы высоковольтных проводов лампы и блока розжига.
2. Соедините разъемы питания блока розжига и контроллера (биксеноновой проводки).
3. Соедините разъемы электромагнита лампы с соответствующими разъемами на контроллере.
4. Соедините трехконтактный разъем контроллера (проводки) со штатным разъемом питания лампы.
5. Соедините красный провод (+) с клеммой (+) аккумуляора, а черные провода (-) с массой (-).
По завершении монтажа заведите автомобиль. Включите головной свет, попробуйте несколько раз переключить фары в режиме ближнего-дальнего для проверки работоспособности установленного оборудования. Не забывайте о необходимости регулировки фар на стенде в сервис-центре.
При возникновении неполадок выключите зажигание и сверьтесь со схемой №2. Если оборудование установлено точно по схеме, но не работает — проверьте еще раз все разъемы (плотно ли они защелкнуты, не были ли погнуты при подключении металлические контакты в разъемах). Убедитесь в том, что провода, идущие на массу, закреплены на очищенное от грязи и окисления место на корпусе авто.
Внимание! Если неисправность связана с некорректным переключением лампы (то есть сами лампы разжигаются, но не происходит переключения их в режим дальнего света) — попробуйте поменять местами крайние разъемы трехконтактного разъема питания (см.
фото 2).
Уважаемые покупатели! Указанные монтажные схемы подходят для установки ксенона на большинство автомобилей. В некоторых случаях схема может быть изменена или доработана в связи со спецификой электрики конкретного автомобиля — по усмотрению специалиста-установщика. BiXen.ru гарантирует высокое качество, безупречную работу и долгую службу комплектов ксенонового и биксенонового света при соблюдении правил установки и эксплуатации. Спасибо за Ваш выбор!
© 2009, BiXen.ru


Биксенон – это световое оборудование, способное переключаться между этими режимами. Смена спектра свечения обеспечивается за счет конструкции биксеноновой лампы. Биксеноновая линза включает газоразрядную лампу, светоотражатель и металлическую шторку, которая создает четкую «ступеньку» светового потока. Такая конструкция исключает появление паразитарных засветок, ослепляющих водителей встречных машин. Многих интересует, как сделать биксенон самостоятельно. Это несложно, но надо учитывать, что биксеноновые лампы можно поставить лишь в цоколи h5 (самые распространенные), HB-1, HB-5, h23.

Измерить расстояние от центров автомобильных фар до земли и на такой высоте провести горизонтальную линию (линия 1). Отступить вниз 75 мм и провести параллельно ей еще одну линию (линия 2). Начертить вертикальную линию, на одинаковом расстоянии от нее провести еще две линии (А и В), обозначающие центры фар.Много вопросов связано именно с нормальным подключением, проводкой на автомобиле.
Для начала посмотрим на график напряжения и силы тока на ксеноновой лампе:
График напряжения и силы тока на ксеноновой лампе
То есть в момент розжига каждая лампа потребляет 12А, соответственно потребление блоков розжига чуть больше, из-за КДП, в любом случае это порядка 160Вт в момент пробоя и затем в течении 6-8 секунд розжига составляет 60-70Вт, падая до 42-45Вт после выхода на стабильное горение.
Сопротивление нити лампы накаливания тоже минимально, но только в течении 0,5 секунд, затем растёт сопротивление, ток падает и потребление выходит на номинал установленной лампы (55Вт или 60Вт).
Поэтому я сторонник нормальных решений, даже если кажется что со штатной проводкой всё нормально, но производители считают каждую копейку и давно закладывают провода без запаса, от этого после установки ксенона возникают различные чудеса и приходится тратить силы и время на решения проблем, которые можно было запросто исключить проложив сразу правильную проводку.
Знаю знаю что есть универсальная китайская проводка, но я уже столкнулся с её фокусами — окислением разъёмов и из-за этого отказом розжига блоков и другим китайским чудесам. И так на примере автомобиль с галогеновыми фарами с совмещённой лампой h5.
Теперь схема подключения управления по плюсу:
Правильная схема подключения ксенона на h5
Эта схема идеальная с точки зрения питания — исключается ситуации остаться без света, единственный минус этой схемы — из-за различной характеристики обмотки реле и чуть-чуть различной ёмкости конденсаторов будет наблюдаться микроскопическая задержка выключения света между левой и правой сторонами.
Что требуется для полной схемы:
1. Два держателя предохранителя + два предохранителя по 20А;
2. Два силовых реле 30А;
3. Два конденсатора электролитических 1 500 мкФ, 16В;
4. Четыре малюсеньких диода 1N4007 для развязки ближнего и дальнего света;
5. Два разъёма h5 в виде папы (как у ламп) для без проблемного подключения к штатной проводке и исключения её модификации.
6. Провода 1,5мм² для питания блоков розжига и 0,5 мм для остального + гофра;
7. Клеммы, разъёмы для силового реле;
8. О-клеммы для подключения к аккумулятору и штатным местам кузова (минус с блоков) в количестве 4шт.
Управление по минусу аналогично:
Смеха подключение биксенона при управлении по минусу
Существует усечённый вариант данных схем когда силовое реле одно — и через него запитаны оба блока, а так же управляющий разъём задействован только с одной стороны (с другой обычно заматывают изолентой). В этом случае возможно подгорание контактов силового реле в момент запуска двух блоков и соответственно залипание российского силового реле, лечится его заменой. Состав комплектующих скорректируйте сами.
Теперь о костылях (по другом я не могу назвать) — это подключение силовой части к штатным разъёмам. Например к h5 подключают следующим образом:
Подключение биксенона от штатного разъёма h5 (по плюсу)
Чем это плохо я думаю понятно:
1. Моргание ксенона при переключении с ближнего на дальний крайне негативно сказывается на безопасности движения по неосвещённой трассе, а так же электроды ксеноновых ламп получают максимальную эрозию именно в момент пробоя.
2. В режиме дальнего света диод очень прилично нагревается, а поскольку его размещают внутри фары — обдув его затруднён. Сам диод же нужен лишь для того чтобы при ближнем свете шторка не переходила в режим дальнего.
Схем при управлении по минусу две — есть два варианта реализации производителями. Первый вариант далеко не безопасный: в разъёмах всегда присутствует плюс — он заведён напрямую с аккумулятора через предохранительную коробку.
Подключение биксенона к штатной проводке (когда плюс с аккумулятора)
У него такие же минусы как и выше.
Второй вариант — когда плюс подаётся через штатное реле и появляется после включения ближнего, к примеру Lexus LX570.
Подключение биксенона к штатному разъёму (управление минусом)
Здесь моргания нет, но само подключение к штатной проводке вызывает вопросы.
Да и обратите внимание что минус с блоков розжига нужно выводить напрямую кузов — это единственное верное и правильное решение.
Схемы я привёл, расписал плюсы и минусы, как подключать — решать вам.
www.drive2.ru
На днях потеплело, и я решился сам поставить ксенон в ПТФ
прочитав много информации так и не нашел достойного поста по этому допу!
всегда возникали какие-то вопросы на которые не было ответов(
по этому и решил написать свой отчет.
в этом посте распишу поэтапно как самостоятельно поставить Ксенон в ПТФ!
При выборе ксенона пал выбор на Sho-me цена адекватная, и вроде плохих отзывов нет)
SHO-ME / Infolight
Для установки ксенона вам необходимо иметь следующее :
1. Комплект ксенона
в моем случае это Sho-me
— ксеноновые лампы Infolight (левая, правая фары) — 2 шт. h5 5000K
— блоки розжига Sho-me- 2 шт.;
— крепления блоков розжига — 2 шт.;
— комплект коммутационных проводов;
— Пластиковые стяжки;
— Саморезы;
Комплект ксенона
2. Шуруповерт или дрель
3. Перо 25мм
Перо 25мм
4. Сверло 4 мм, или 4,5 мм, на всякий случай пару штук запасных! сам три сверла выбросил пока отверстия сделал)
5. Саморезы идут в комплекте
6. Изолента для изолирования контактов!
7. Силиконовый герметик
8. Пластиковые стяжки идут в комплекте
9. Набор инструмента, для снятия бампера
10. Тестер
11. Прямые руки))
Первым этапом снимаем бампер:
Схема
Так как плоскость под фарой не ровная пришлось подложил кусок резины под блок, для того что бы со временем он не звенел! Зажимаем блок саморезами.Схема подключения ксенона
в красном круге две оголенных клеммы
должно получится как на фото
Лизы Hella Micro DE
www.drive2.ru
Ксеноновые лампы для автомобильных фар работают по иному принципу, нежели обычные галогеновые. В них отсутствует нить накала. Свечение возникает не вследствие её нагрева, а за счёт горения электрической дуги. Для её возникновения необходимо изменить характеристики напряжения бортовой сети автомобиля, поэтому схема подключения ксенона предполагает внесение некоторых изменений в штатную проводку автомобиля.
Инертный газ, которым под высоким давление (около 25 АТМ) наполнена колба лампы, предотвращает выгорание её электродов. Благодаря чему срок службы осветительного прибора увеличивается до 3000 часов (против 600 часов у «галогенки»). Электрическая дуга также обеспечивает более высокую интенсивность светового потока, чем свечение нагретой спирали. В силу этих двух преимуществ некоторые автолюбители заинтересованы в замене ксеноновыми лампами обычных галогеновых.
Лампы выбираются по нескольким составляющим критериям.
HID-лампы выпускаются в соответствии со стандартами. Для замены «галогенок» H7, h31 или любых других необходимо приобретать изделия с такой же маркировкой.
Стандарты лампВ галогеновых лампах с цоколями h5, HB5, h33 для дальнего и ближнего света используются разные нити накаливания. Аналогичные им газоразрядные называются биксеноновыми. В них смена режимов работы происходит за счёт изменения положений колбы или отражающей шторки посредством электромагнитов.
На ксеноновых лампах указывается так называемая цветовая или спектрофотометрическая температура (в градусах по Кельвину). По её значению можно заранее определить, насколько комфортной будет езда в тёмное время суток. При естественном дневном освещении значение цветовой температуры составляет от 6000К.
О том, как будет выглядеть свет фар с лампами различной цветовой температуры, можно составить впечатление по следующему изображению.
Виды освещения лампПри выборе ксенона для противотуманных фар лучше отдавать предпочтение лампам с температурой 4000 – 4300К. Чем ближе спектр излучения к жёлтому, тем меньше эффект световой стены перед автомобилем, возникающий в тумане. Для фар ближнего и дальнего света ближе к естественному освещению ксеноновые лампы с температурой 4300 – 6000К.
Различаются лампы и по потребляемой мощности – она может быть 35 и 50 Вт. Как правило, водители отдают предпочтение лампам 35 Вт – они меньше «нагружают» бортовую сеть авто и не так сильно нагревают фары.
Для розжига электрической дуги требуется подать на электроды напряжение около 25 000 Вольт. Для поддержания горения достаточно 50-80 Вольт. Чтобы обеспечить соблюдение этих условий работы, необходим блок розжига ксенона. При первоначальной установке ксенона требуется приобретать весь комплект – лампы, блок розжига и провода. Комплект должен сопровождаться инструкцией со схемой подключения. В дальнейшем отдельные комплектующие можно покупать порознь – по мере выхода их из строя.
Такие известные производители светотехнической продукции, как Hella, Osram и Philips не выпускают комплектов для самостоятельной установки ксенона. В продаже можно найти только лампы их производства или китайские подделки.
Среди прочих у российских автолюбителей пользуются спросом комплекты следующих марок:

Каждый из этих производителей выпускает ксенон, что называется, в ассортименте – с различными лампами и модификациями блоков розжига.
Далее – немного о том, как подключить ксенон своими руками.
Объём подготовительных работ зависит от компоновки автомобиля. Иногда к лампам противотуманных фар удаётся подобраться лишь при снятом переднем бампере. Но важнее всего – удачно разместить блоки розжига. При этом желательно максимально сократить длину проводов от них к фарам. Следует учитывать то, что излишне «спрятав» блоки, вы тем самым ограничите доступ к ним. Это вызовет затруднения при поиске и устранении неисправностей.
Для подведения проводов к лампам, скорее всего, придётся просверлить отверстия в колпаках фар, закрывающих лючки. В наборе для подключения предусмотрены специальные резиновые уплотнители и сверло следует выбирать в соответствии с их размерами. В тех случаях, когда колпаки в фарах сделаны из резины, достаточно сделать в них отверстия.
Выбор способа крепления блоков розжига не имеет принципиального значения. Их можно зафиксировать на деталях кузова при помощи скоб, входящих в комплект или просто приклеив на двухсторонний скотч.
Самый простой способ подключения HID-лампы выглядит так.
Схема подключенияПринцип работы прост: при включении переключателя света напряжение подаётся на блок розжига, в нём генерируется высокое напряжение, которое и подаётся на электроды газоразрядной лампы. Положительные и отрицательные провода перепутать при подключении не получится – их разъёмы несовместимы друг с другом.
Ввиду того, что напряжение бортовой сети может быть изрядно «просажено» в момент розжига дуги, предпочтительнее осуществлять подключение ксенона через реле.
Как видите, тоже ничего сложного. На обмотку обычного реле света (контакты 85 и 86) подаётся напряжение, которое в штатной схеме подводилось к контактам «галогенки».
В результате замыкаются контакты 87 и 30 реле, которые используются в качестве выключателя, «врезанного» в плюсовой провод, идущий непосредственно от аккумулятора. Таким образом исключаются потери напряжения, подаваемого на блок розжига, и облегчается «запуск» ксеноновой лампы – цепь становится практически автономной. Такой способ идеально подходит не только для того, чтобы подключить ксенон в противотуманки, но и для переделки основных фар.
С биксеноном ситуация несколько сложнее. Самый простой вариант улучшить срабатывание переключения ламп при смене режимов «дальний/ближний» — установить между «плюсовыми» выводами диод, исключающий «залипание» управляющего электромагнита.
Подключение биксенонаПолная схема подключения биксенона Н4.
Несмотря на то, что HID-лампы имеют существенные преимущества по сравнению с галогеновыми, следует учитывать возможные неблагоприятные последствия самостоятельной их установки:
При самостоятельной доработке противотуманных фар таких проблем у вас не возникнет. Правильная их настройка значительно улучшит видимость во время тумана.
Вконтакте
Google+
tolkavto.ru
Чтобы не устанавливать два различных комплекта ксенона для ближнего и дальнего света, можно просто купить и подсоединить биксенон.Биксеноновые лампы имеют тот же принцип работы с инертным газом, только они ещё оснащены дополнительным электромагнитом.
Именно он и позволяет переключать фары на ближний и дальний свет.
Установка биксенона имеет некоторые нюансы. Рассмотрим детально процесс подключения.
1. Провода от ламп биксенона подводим к блоку розжига.
2. К этому же блоку подсоединяем провода контролёра. Он занимается стабилизацией напряжения во всей проводке.
3. На биксеноновой лампе предусмотрен дополнительный провод, отвечающий за электромагнит. Его следует также подсоединить к контролёру.
4. Контролёр подключаем к аккумулятору.
Ксеноновые лампы маркируют в зависимости от цветовой температуры (яркости и спектра). Диапазон маркировки находится в пределах от 3000К до 12000К, при этом меньшая числовая величина говорит о смещении к теплому красно-желтому спектру, а большая к холодному сине-фиолетовому.
Большинство ведущих автомобильных компаний устанавливают на новые автомобили лампы с цветовой температурой в пределах от 4000К до 5000К, а вот российские автолюбители в большинстве своем почему-то предпочитают диапазон 5600-6500К. В лампах биксенон маркировка может быть двойной. Осветительные приборы с температурой 3400-4300К хорошо использовать как противотуманки, поскольку их желтый и светло-оранжевый цвет достаточно эффективен для использования.
Конечно же, наилучшим вариантом для противотуманных фар выступает ксенон. Он отлично справится с поставленной задачей и к тому же намного лучше, чем обычные лампы. Они будут освещать дорогу, а не летящие капли навстречу автомобилю.
При установке необходимо придерживаться следующих действий:
Входящие в комплект блоки преобразуют имеющиеся 12 Вольт в высокое напряжение, которое требуется для розжига ксеноновых ламп и их дальнейшей работы. Причем, чем сложнее устройство, тем большее количество рабочих процессов оно сможет контролировать. Поэтому экономить на стоимости блоков розжига не следует.
Качественное устройство обеспечивает долговечность ксеноновой фары и высокое качество света, поддерживая необходимый режим работы. Однако, совсем не обязательно брать очень дорогие блоки. Лучше всего устанавливать те модели, которые соответствуют контрольным функциям электрической схемы вашего автомобиля.
Выбор места установки блоков должен определяться соблюдением следующих условий:
Чтобы внедрить ксеноновую оптику в бортовую сеть автомобиля, придется потратить несколько часов. Но если внимательно изучить инструкцию по монтажу, то время на установку значительно снизится. Кроме того, в этом документе, как правило, прилагается схема подключения ксенона на авто.
Как установить ксенон правильно уже было описано ранее, а вот о мерах безопасности не было сказано ни слова. Следует это исправить.
Перечислим основные правила безопасности:
Также нужно знать, что оттенок цвета ксеноновых ламп может немного отличаться друг от друга. Это нормальное явление для ксенона.
Принципиальная схема подключения ксеноновой фары проста и приведена на схеме ниже.
Как видим, питание из точки подключения штатной лампы подается на блок розжига, а сама лампа получает преобразованное высокое напряжение от блока. Если устанавливается биксенон, то схема абсолютно аналогична, поскольку электромагниты установлены внутри ламп. В каждом продаваемом комплекте обязательно есть подробная инструкция по подключению с прилагаемой электрической схемой.
После установки ксеноновых ламп и блоков, соедините их контакты проводами. Каждый провод и предназначенные ему клеммы имеют определенный цвет, поэтому вы наверняка не перепутаете подключения. Далее подключите блок розжига к электрической схеме автомобиля через разъемы подключения штатных ламп, установленных ранее.
Проверьте еще раз все соединения на соответствие электрической схеме в инструкции по установке. Если ошибок нет, то закрепите хомутами все провода электропроводки, чтобы они не болтались. При этом слишком длинные участки можно свернуть в кольцо и закрепить в таком виде.
При установке ксеноновых линз на автомобиль с бортовым компьютером, во время розжига, могут возникнуть проблемы в связи с резким увеличением электрической нагрузки. В этом случае вам придется установить дополнительное реле напряжения, которое будет стабилизировать нагрузку на проводку автомобиля в момент розжига.
Для самостоятельного выполнения работы вам может понадобиться следующий инструмент:
Из материалов – биксенон в основные фары и, возможно, однопозиционный ксенон низкой температуры в противотуманки, блоки розжига, кабели и крепления. Кроме этого на всякий случай приготовьте хомуты для связывания проводов и изоляционную ленту.
Вся работа не сложная, но требует аккуратности и внимательного отношения. Она состоит из двух этапов:
Не забывайте о соблюдении техники безопасности. Высокое напряжение, нужное для пуска ксенона в работу может быть более 20 000 В! Начните работу с того, что отсоедините клеммы аккумулятора и снимите его совсем.
Внимание! Не дотрагивайтесь до поверхности ксеноновых линз руками. Если это все же произошло, то тщательно протрите стекло спиртом, а потом мягкой стерильной салфеткой.
Снимите заднюю защитную крышку блока фары, отсоедините провода от клемм установленных ламп и вытащите их. В некоторых конструкциях они прижаты фиксирующей пружиной, которую необходимо отжать.
Аккуратно вытащите ксеноновую лампу из защитной колбы, не дотрагиваясь до поверхности линз, и установите ее на место вынутой штатной лампы. Точно также поставьте на место вторую. Если вы отжимали пружину, то верните крепеж в прежнее фиксирующее положение.
Лучше покупать фирменные комплекты ксенона, не следует экономить на улучшении собственного автомобиля. Перечислим основные достоинства хорошего ксенона.
1. Продолжительность розжига ламп очень мало. Примерное время составляет около 3 секунд.
2. Очень длительный срок использования.
3. Имеется схема защиты от короткого замыкания.
4. Избавление от обрыва в электрической цепи.
5. Высокая светоотдача.
6. Стабильный поток света: он не будет рассеиваться в разные стороны.
7. Энергетическая экономичность очень высока. Ксеноновые лампы потребляют на 40 процентов меньше электроэнергии.
8. Автомобильная сеть не перегружена.
9. Не утомляет зрение водителя.
Такого количества преимуществ достаточно для того, чтобы не покупать корейские или китайские аналоги. У таких моделей короткий срок службы, а время розжига составляет 20 секунд. Лампы могут вызвать помехи электричества и при нагреве испаряют силикон или клей, на который они крепятся. Быстро приводится в непригодность и отражатель (покрывается белым налётом).
В этой статье была полностью рассмотрена правильная установка ксенона своими руками. Если есть свободное время и большое желание установить ксенон себе в машину, то пора приступать к работе. Приложенные усилия оправдают себя потрясающим видом вашего автомобиля.
Ниже вы можете просмотреть видео о том, как установить ксенон своими руками.
Перед тем как установить ксенон на авто, автолюбителю придется собрать определенный перечень инструментов и материалов. Данный набор несложно обнаружить у многих автомобилистов. Для работы понадобятся:
autojiza.ru
Популярность ксеноновых газоразрядных лампочек для автомобилей обусловлена их лучшей эффективностью по сравнению с другими источниками освещения. Подключить ксенон возможно как в автосервисе, так и самостоятельно.
Как выбрать хороший комплект ксенона?
Подбор подходящего ксенонового источника освещения для машины должен опираться на два фактора: известность и надёжность фирмы-производителя и необходимую яркость ламп.
Комплектация газоразрядных лампочек для головного света или противотуманных фар включает в себя:
Блок розжига представляет собой модуль, предназначенный для подачи определенной величины напряжения, требующегося для активации, на световые источники. Более дорогие блоки обладают усложненной конструкцией, что позволяет им контролировать большее количество процессов. Если устройство высококачественное, оно сможет обеспечить длительную и бесперебойную работу световых элементов. Это обусловлено тем, что при розжиге ламп соблюдаются основные технические параметры в необходимом диапазоне.
Как подключить ксенон
Ксеноновые лампы для автомобильных фар работают по иному принципу, нежели обычные галогеновые. В них отсутствует нить накала. Свечение возникает не вследствие её нагрева, а за счёт горения электрической дуги. Для её возникновения необходимо изменить характеристики напряжения бортовой сети автомобиля, поэтому схема подключения ксенона предполагает внесение некоторых изменений в штатную проводку автомобиля.
Инертный газ, которым под высоким давление (около 25 АТМ) наполнена колба лампы, предотвращает выгорание её электродов. Благодаря чему срок службы осветительного прибора увеличивается до 3000 часов (против 600 часов у «галогенки»). Электрическая дуга также обеспечивает более высокую интенсивность светового потока, чем свечение нагретой спирали. В силу этих двух преимуществ некоторые автолюбители заинтересованы в замене ксеноновыми лампами обычных галогеновых.
Как выбрать ксеноновые лампы
Лампы выбираются по нескольким составляющим критериям.
HID-лампы выпускаются в соответствии со стандартами. Для замены «галогенок» H7, h31 или любых других необходимо приобретать изделия с такой же маркировкой.
В галогеновых лампах с цоколями h5, HB5, h33 для дальнего и ближнего света используются разные нити накаливания. Аналогичные им газоразрядные называются биксеноновыми. В них смена режимов работы происходит за счёт изменения положений колбы или отражающей шторки посредством электромагнитов.
По температуре свечения и потребляемой мощности
На ксеноновых лампах указывается так называемая цветовая или спектрофотометрическая температура (в градусах по Кельвину). По её значению можно заранее определить, насколько комфортной будет езда в тёмное время суток. При естественном дневном освещении значение цветовой температуры составляет от 6000К.
О том, как будет выглядеть свет фар с лампами различной цветовой температуры, можно составить впечатление по следующему изображению.
При выборе ксенона для противотуманных фар лучше отдавать предпочтение лампам с температурой 4000 – 4300К. Чем ближе спектр излучения к жёлтому, тем меньше эффект световой стены перед автомобилем, возникающий в тумане. Для фар ближнего и дальнего света ближе к естественному освещению ксеноновые лампы с температурой 4300 – 6000К.
Различаются лампы и по потребляемой мощности – она может быть 35 и 50 Вт. Как правило, водители отдают предпочтение лампам 35 Вт – они меньше «нагружают» бортовую сеть авто и не так сильно нагревают фары.
Наиболее популярные производители
Для розжига электрической дуги требуется подать на электроды напряжение около 25 000 Вольт. Для поддержания горения достаточно 50-80 Вольт. Чтобы обеспечить соблюдение этих условий работы, необходим блок розжига ксенона. При первоначальной установке ксенона требуется приобретать весь комплект – лампы, блок розжига и провода. Комплект должен сопровождаться инструкцией со схемой подключения. В дальнейшем отдельные комплектующие можно покупать порознь – по мере выхода их из строя.
Такие известные производители светотехнической продукции, как Hella, Osram и Philips не выпускают комплектов для самостоятельной установки ксенона. В продаже можно найти только лампы их производства или китайские подделки.
Среди прочих у российских автолюбителей пользуются спросом комплекты следующих марок:
Каждый из этих производителей выпускает ксенон, что называется, в ассортименте – с различными лампами и модификациями блоков розжига.
Порядок установки
Далее – немного о том, как подключить ксенон своими руками.
Объём подготовительных работ зависит от компоновки автомобиля. Иногда к лампам противотуманных фар удаётся подобраться лишь при снятом переднем бампере. Но важнее всего – удачно разместить блоки розжига. При этом желательно максимально сократить длину проводов от них к фарам. Следует учитывать то, что излишне «спрятав» блоки, вы тем самым ограничите доступ к ним. Это вызовет затруднения при поиске и устранении неисправностей.
Для подведения проводов к лампам, скорее всего, придётся просверлить отверстия в колпаках фар, закрывающих лючки. В наборе для подключения предусмотрены специальные резиновые уплотнители и сверло следует выбирать в соответствии с их размерами. В тех случаях, когда колпаки в фарах сделаны из резины, достаточно сделать в них отверстия.
Выбор способа крепления блоков розжига не имеет принципиального значения. Их можно зафиксировать на деталях кузова при помощи скоб, входящих в комплект или просто приклеив на двухсторонний скотч.
Варианты схем подключения
Самый простой способ подключения HID-лампы выглядит так.
Принцип работы прост: при включении переключателя света напряжение подаётся на блок розжига, в нём генерируется высокое напряжение, которое и подаётся на электроды газоразрядной лампы. Положительные и отрицательные провода перепутать при подключении не получится – их разъёмы несовместимы друг с другом.
Ввиду того, что напряжение бортовой сети может быть изрядно «просажено» в момент розжига дуги, предпочтительнее осуществлять подключение ксенона через реле.
Как видите, тоже ничего сложного. На обмотку обычного реле света (контакты 85 и 86) подаётся напряжение, которое в штатной схеме подводилось к контактам «галогенки». В результате замыкаются контакты 87 и 30 реле, которые используются в качестве выключателя, «врезанного» в плюсовой провод, идущий непосредственно от аккумулятора. Таким образом исключаются потери напряжения, подаваемого на блок розжига, и облегчается «запуск» ксеноновой лампы – цепь становится практически автономной. Такой способ идеально подходит не только для того, чтобы подключить ксенон в противотуманки, но и для переделки основных фар.
С биксеноном ситуация несколько сложнее. Самый простой вариант улучшить срабатывание переключения ламп при смене режимов «дальний/ближний» — установить между «плюсовыми» выводами диод, исключающий «залипание» управляющего электромагнита.
Полная схема подключения биксенона Н4.
Несмотря на то, что HID-лампы имеют существенные преимущества по сравнению с галогеновыми, следует учитывать возможные неблагоприятные последствия самостоятельной их установки:
При самостоятельной доработке противотуманных фар таких проблем у вас не возникнет. Правильная их настройка значительно улучшит видимость во время тумана.
Источники: avtozam.com, tolkavto.ru.
www.vk-sto.by
На днях потеплело, и я решился сам поставить ксенон в ПТФ
прочитав много информации так и не нашел достойного поста по этому допу!
всегда возникали какие-то вопросы на которые не было ответов(
по этому и решил написать свой отчет.
в этом посте распишу поэтапно как самостоятельно поставить Ксенон в ПТФ!
При выборе ксенона пал выбор на Sho-me цена адекватная, и вроде плохих отзывов нет)
Для установки ксенона вам необходимо иметь следующее :
1. Комплект ксенона
в моем случае это Sho-me
— ксеноновые лампы Infolight (левая, правая фары) — 2 шт. h5 5000K
— блоки розжига Sho-me- 2 шт.;
— крепления блоков розжига — 2 шт.;
— комплект коммутационных проводов;
— Пластиковые стяжки;
— Саморезы;
2. Шуруповерт или дрель
4. Сверло 4 мм, или 4,5 мм, на всякий случай пару штук запасных! сам три сверла выбросил пока отверстия сделал)
5. Саморезы идут в комплекте
6. Изолента для изолирования контактов!
7. Силиконовый герметик
8. Пластиковые стяжки идут в комплекте
9. Набор инструмента, для снятия бампера
Первым этапом снимаем бампер:
Мы зарегистрировали подозрительный трафик, исходящий из вашей сети. С помощью этой страницы мы сможем определить, что запросы отправляете именно вы, а не робот.
IP:91.146.8.87; Код страны RU
По любым вопросам, связанным с работой нашего интернет-магазина
Вы можете обратиться по тел.: (044) 206-206-9, (063) 976-2420, (067) 374-7500, (095) 283-0111
Популярность ксеноновых газоразрядных лампочек для автомобилей обусловлена их лучшей эффективностью по сравнению с другими источниками освещения. Подключить ксенон возможно как в автосервисе, так и самостоятельно.
Подбор подходящего ксенонового источника освещения для машины должен опираться на два фактора: известность и надёжность фирмы-производителя и необходимую яркость ламп.
Комплектация газоразрядных лампочек для головного света или противотуманных фар включает в себя:
Блок розжига представляет собой модуль, предназначенный для подачи определенной величины напряжения, требующегося для активации, на световые источники. Более дорогие блоки обладают усложненной конструкцией, что позволяет им контролировать большее количество процессов. Если устройство высококачественное, оно сможет обеспечить длительную и бесперебойную работу световых элементов. Это обусловлено тем, что при розжиге ламп соблюдаются основные технические параметры в необходимом диапазоне.
Маркировка газоразрядных устройств может быть 5000К, 6000К и т. д. Этот параметр определяет цветовую температуру, то есть яркость и оттенок свечения лампочки. Если маркировка устройств составляет 4300К, то свет будет более белым и иметь желтоватый оттенок. Использование таких источников актуально в ПТФ и головной оптике. Они более эффективны при езде по мокрому дорожному полотну.
Устройства, рассчитанные на 5000К, обладают белым цветом свечения. Их мощность выше, а сам свет более приятен для восприятия человеческим глазом. Лампочки на 6000К обладают голубым оттенком и в результате низкой светоотдачи уступают предыдущим вариантам по мощности. Тем не менее, этот тип устройств более популярен среди наших соотечественников. Штатно при производстве авто компании устанавливают ксеноновые лампы, рассчитанные на 4200-5000К.
Канал AvtoGSM в ролике распаковал и сделал краткий обзор комплектации ксенона от производителя Шоу-Ми.
Не факт, что дорогой комплект газоразрядных лампочек будет функционировать качественно и эффективно. При покупке блока розжига также рекомендуется обращать внимание на стоимость.
Надо выбирать устройство, соответствующее техническим параметрам машины. Например, если автомобиль не оборудован модулем для контроля напряжения лампочек, то бессмысленно покупать ксенон с «обманкой». Это никак не повлияет на качество его работы.
Нецелесообразно приобретать тонкие блоки розжига, называющиеся «слим», если в моторном отсеке много места для монтажа стандартного устройства. Стоимость таких «девайсов» более высокая. А если блок дешевый, то как правило, он изготовляется из низкокачественных материалов, сборка также оставляет желать лучшего.
Изготовители газоразрядных источников освещения, положительно зарекомендовавшие себя среди потребителей:
Канал Test Lab рассказал о нюансах, которые позволят отличить оригинал ксенона Осрам от подделки.
Произвести замену стандартных лампочек и самостоятельно установить ксенон сможет каждый водитель. При выполнении монтажа главное — руководствоваться рекомендациями производителя и следовать схеме.
Чтобы не испортить лампочки, колбу источника освещения трогать пальцами нельзя.
Если это произойдет, то поверхность с отпечатком надо обработать чистой ветошью со спиртом. Перед выполнением задачи обязательно отключается аккумуляторная батарея. При запуске газоразрядные источники света выдают 23 тысячи вольт напряжения, это будет смертельно для человека.
Чтобы быстро поставить газоразрядные источники освещения, понадобится:
Схема установки через реле с питанием от АКБ
Процесс монтажа и подключения осуществляется так:
Демонтаж старой лампочки из фары
Подключение контактов к ксеноновой лампе
Проделывание отверстия для прокладки проводов
Установка и подключение блока розжига
Подробнее о том, как подключить ксенон:
Схема подсоединения ксенона к штатной проводке
Если ксеноновые источники света были установлены в головные фары, целесообразно их поставить и в ПТФ. Это позволит не портить эстетичный вид машины.
Нюансы, которые надо соблюдать при монтаже газоразрядных устройств в противотуманки:
В ПТФ необходимо устанавливать устройства, рассчитанные на 4300К или 5000К, этот вариант более эффективен в туман и при езде по влажной дороге:
Пользователь Сергей М показал на примере Лады Приоры процедуру установки ксеноновых источников света в противотуманные фонари.
Подключаться газоразрядные лампы в ПТФ будут аналогично, как и в случае с головным освещением. Источники света посредством проводников соединяются с питанием электроцепи противотуманных фонарей, а затем с блоками розжига.
Процедура регулировки светового потока выполняется так:
Недостатки, связанные с работой ксенона, приводят к тому, что многие автовладельцы решают поменять газоразрядные лампы на обычные. В этом процессе есть нюансы, особенно если источники света устанавливались штатно.
Замена выполняется после подготовки гаечного ключа и отвертки, иногда требуется изолента:
Канал «MazdaGarage» в своем ролике на примере модели Кседос показал, как демонтировать ксеноновые источники освещения из фар.
В случае, когда ксеноновые лампочки перестали функционировать, причины могут быть следующими:
Причины выхода из строя устройства розжига:
Ремонт модуля выполняется так:
При сборке блока не рекомендуется использовать силиконовый герметик.
Это средство после застывания — максимально твердое. Если в будущем потребуется замена транзиторного устройства, вскрыть модуль будет проблематично.
Канал «Fire & Ice» представил инструкцию по удалению неисправностей в работе штатного модуля розжига на примере автомобиля Мазда.
l2rv.ru
mv-avto.ru
Всем доброго вечера!
Совсем недавно я писал что пытался открегулировать горизонт линзы в фаре и у меня нифига не вышло. Потом у меня опустлись руки… но отдохнув недельку я всеже решил снова взяться за дело, только уже немного в другом ракурсе…
Я задался главным вопросом: «А можно ли включить ксенон в домашних условиях?»
В общем сегодняшняя запись будет для тех, кто задавался таким же вопросом но не решился на эксперименты)
Из инструментов нам понадобится:
1. Компьютерный блок питания
2. Проводка
3. Крокодильчики
4. Паяльник
5. Скрепка
6. Фара с линзой и лампокй ксенона и блоком розжига
В общем у меня давно валяется полуживой блок питания на котором я и решил ставить эксперимент.
Взял проводку «Переходник»
Вырвал лишние провода
Припаял крокодильчики
Подсоеденил крокодильчики к блоку розжига. В моем случае на штекере питания было написано какой + а какой -. Напомню что в блоке питания ЖЕЛТЫЙ провод + а ЧЕРНЫЙ провод –
Так же на блоке питания нужно в общем шлейфе провдов замкнуть 2 провода чтобы он включился. Для чего нам и понадобится скрепка. Замкнуть нужно провода ЗЕЛЕНЫЙ и любой Черный. Затем включаем блок питания в розетку и жмем кнопоку включения.
П.с. эта вся операция сделана для того, чтобы отрегулировать горизонт линзы в домашних условиях. И если у меня это получится, то в следующей записи Вы узнаете как)
Цена вопроса: 0 ₽
www.drive2.ru
Что собой представляет Xenon?
Ксенон (xenon) – это название очень редкого инертного газа. В переводе с греческого языка означает «чужой». Открыт ксенон был в конце 19 в. И вот, через сто лет он стал добросовестно выполнять функции классической ксенононовой светотехники.
Установка ксенона требует определенных изменений в электрической схеме автомобиля. Для того, чтобы разжечь ксеноновую лампу, требуется достаточно высокий разряд примерно 25 000 В. Поэтому требуется установка на автомобиль высоковольтного блока.
Установка ксенона по ГОСТу разрешается практически на любое транспортное средство, в котором используются галогенные фары.
Преимущества ксенонового света, перед галогенным, не требуется особенно расписывать. Достаточно сказать, что эффективность ксенонового света во много раз превышает эффективность галогенного освещения. Те из водителей, которые определенное время использовали ксенон, уже никогда не поменяют этот тип освещения на другой. Если только он не будет ещё лучше.
Установка ксенона самостоятельно
Установка ксенона своими руками потребует от вас желания и немного времени. Уже не требуется какая-либо модификация проводки автомобиля. И для крепления ксеноновой лампы также перестали использовать дополнительные устройства (кольца и т.д.)
Перед выбором комплекта ксенона вам просто необходимо определиться с типом цоколей на вашем авто и какой вид ксенона вы хотите установить: ксенон или биксенон. Для определенных моделей авто, в которых лампы ближнего и дальнего света разъёдинены, требуется установка ксенона.
На моделях, где ближний и дальний встроены в одну лампу, потребуется устанавливать биксенон. Этот тип оборудования позволяет производить переключение с ближнего на дальний в одной лампе. Либо вам может подойти вариант, при котором производится установка ксенона в противотуманные фары, при этом штатное освещение остаётся нетронутым.
При выборе комплекта не стремитесь купить его, опираясь на стоимость. Увы, но подделки сегодня на нашем авторынке уже не поддаются счёту. Поэтому, пусть будет немного дороже, чем на автобазаре, но покупать такое оборудование, как ксенон рекомендуется в автомагазине. Естественно, при наличии сертификации их продукции, и гарантии.
Технология установки ксенона своими руками
Установка ксенона своими руками не требует применения какого-то специального инструмента и оборудования. Просто следуйте инструкции производителя, опираясь на параметры своей электрической схемы, относительно мощности ламп освещения, предохранителей и нагрузки на проводку авто.
Готовы? Ну, так давайте и приступим к установке ксенона.
Снимаем с автомобиля старые фары. Снимаем защитную крышку лампы дальнего или ближнего света, то есть той лампы, на место которой вы производите установку ксенона.
Сверлим в корпусе маленькое отверстие и пропускаем сквозь него провода для ксеноновой лампы. Отверстие обязательно закрываем резиновой прокладкой (кольцом), которая расположена на проводе.
На место галогенной лампы устанавливаем ксеноновую.
Подключаем провода к блоку розжига, в соответствии со схемой в инструкции по установке.
Теперь запитываем блок розжига. Т.е. второй провод блока подсоединяем к общей проводке туда, где раньше выходил провод для галогенки.
Устанавливаем блок розжига в удобном месте подкапотного пространства. При этом не рекомендуется, чтобы провода были сильно натянуты. И, желательно, блок устанавливать подальше от двигателя, и в тех местах, куда гарантированно может попасть вода.
Аналогичным образом действуем и при установке второй ксеноновой лампы. Поздравляем! Вы установили ксеноновое освещение на свой автомобиль.
Народные советы при установке ксенона самостоятельно
При установке ксенона на автомобиль, оснащённый бортовым компьютером и системой предупреждения, может возникнуть проблема. После установки может произойти некорректная работа фар: либо загоревшись, они гаснут, либо вообще не загораются.
Нужно поставить дополнительное реле между блоком розжига и штатной проводкой автомобиля. По большому счету, его желательно поставить и в случае корректной работы ксенона. Это нужно для того, чтобы снять дополнительную нагрузку на проводку во время розжига фар.
Для ксенона реле придётся приобретать отдельно, а в комплекте с биксеноном, такое реле входит в комплектацию.
www.drive2.ru
В мире автомобилей нет пределов совершенства. Многие владельцы мечтают сделать свой авто индивидуальным и узнаваемым в автомобильном потоке. А для этого не обязательно обращаться в специализированные автомастерские, некоторые работы, связанные с тюнингом, можно выполнить самостоятельно. Ярким примером внешнего преображения будет установка ксенона своими руками. Достаточно обладать скромными навыками в области обслуживания электрооборудования авто, чтобы заменить устаревшую оптику. Но перед тем как установить ксенон, следует познакомиться с некоторыми этапами предстоящей работы.
Вносить изменения в штатную оптику автомобилист должен только после получения базовых представлений о работе осветительных приборов в транспортном средстве. И в первую очередь следует познакомиться с модными приборами под названием ксенон. Название современной популярной оптики пошло от наименования инертного газа, который легко обнаружить в периодической таблице Менделеева. Внутри лампы используется инертный газ ксенон, который начинает излучать свет при прохождении через него электрического тока. В России установка ксенона своими руками не запрещена в отличие от большинства европейских стран, где существует целый ряд ограничений на определенные типы оптики.
Среди особенных параметров ксенона следует отметить следующие свойства.
Перед тем как покупать набор ксеноновой оптики, следует определить тип ламп, которые установлены в автомобиле производителем. В первую очередь необходимо обратить внимание на цоколь. Выбирая ксенон, следует учесть обозначение этой части лампочки. При выборе цветовой палитры многие отталкиваются от своих предпочтений или стоимости. Описание всех факторов каждого оттенка можно найти в интернете.
В стандартной комплектации покупного ксенона обычно имеются следующие элементы:
Большинство автолюбителей при покупке пожелают немного сэкономить. Однако приобретение дешевой оптики чревато быстрым выходом из строя какого-либо элемента осветительной системы. Лучше переплатить некоторую сумму денег, но купить качественный комплект ксенона, имеющий официальную гарантию от производителя.
Перед тем как установить ксенон на авто, автолюбителю придется собрать определенный перечень инструментов и материалов. Данный набор несложно обнаружить у многих автомобилистов. Для работы понадобятся:
Чтобы внедрить ксеноновую оптику в бортовую сеть автомобиля, придется потратить несколько часов. Но если внимательно изучить инструкцию по монтажу, то время на установку значительно снизится. Кроме того, в этом документе, как правило, прилагается схема подключения ксенона на авто.
При установке ксеноновой оптики важно соблюдать некоторые требования и рекомендации.
Придать автомобилю современный вид способны ксеноновые фары. Кто-то такой тюнинг доверит только специалистам из СТО, а кому-то будет не сложно сделать работу самостоятельно. В любом случае должна получиться современная ксеноновая система, которая будет хорошо освещать дорогу, не ослепляя встречных водителей.
vybratauto.ru
В общем, долго я собирался с мыслями и изучал теоретические аспекты и вот наконец-то добрался до компьютера)В общем, разделю запись на 2 части:
1. Как правильно подключить ПТФ
Сразу после установки ксенона в ПТФ стало ясно, что им дико не хватает напряжения…Быстро нашёл причину, которую оставил мне предыдущий хозяин или горе-электрик
Наглядная инструкция как делать нельзя
Вот именно, по этой причине я стараюсь по возможности все делать сам)Салонная проводка и кнопка включения туманок у меня были, поэтому дело было за подкапотной проводкой…Поехал на рынок в первом же месте за «Набор для подключения ПТФ» для 2113-2115 мне зарядили 500р. Решил пройтись дальше и посмотреть что к чему, в итоге купил набор за 250 вместе с реле + всякие клеммы и прочее.
Можно и самому проводов накупить, но выйдет примерно также
Скажу сразу, половина проводов мне не понадобилась)В общем, несмотря на кажущуюся сложность все элементарно…При подключении пользовался схемой sdenislam
(с) sdenislam
Все понятно и просто:
1) С туманок выходят + и -.
— кидаем на кузов + тянем к монтажному блоку.
2) Откручиваем 2 гайки монтажного блок и снимаем две колодки (7 и 8, они ближе к моторчику дворников). Подключаем + как на картинке.
3) Реле крепим на перегородку, подключаем все в соответствии со схемой.
4) Включаем и наслаждаемся. Туманки горят при включенных габаритах (в т.ч. и без зажигания)
2. Ксенон в птф или делаем колхоз безопасным…
Сразу хочу оговорить, что никогда не был особым обожателем ксенона и всегда легко обходился без него. Т.о. выгораживать его и слепо гнаться за «посанским тюнингом» я не буду)
Начнем с теории.
Про ксенон в отражателе и рифленых стеклах я вообще разговор не веду, потому что там все очень печально)
Ксеноновые линзы от галогенных отличаются формой шторки (ксенон — ступенька; галоген — галка). Но, к линзам для птф применяется отдельное правило и там используется ровная шторка без ступенек и галок. Также паразитический засвет дает технологический язычок (который даёт подсветку дорожных знаков), которого естественно нет в линзах птф. Первые испытания показали, что линзы добротно сделаны и светотеневая граница достаточно чёткая.
Основная проблема состояла в их регулировке.
Сразу стоит оговорить, что установка ксенона в ПТФ лишает их основной функции…
Приступим к регулировке.
Верхняя светотеневая граница пучка противотуманной фары должна быть параллельна плоскости рабочей площадки, на которой установлено АТС
Взяв во внимание, что в птф все таки ксенон, делал следующим образом:
Отмеряем высоту, на которой установлены птф -> ставим машину в 5 метрах перед стеной и выставляем таким образом, чтобы верхняя граница света была на 10 сантиметров ниже, чем высота установки…
Т.о. птф бьют вперед метров на 15, линия света ровная.
Катался около недели смотрел что да как…Линия света находится ниже уровня бампера впереди идущей машины. Во время разгона линия поднимается максимум до номера.
маленькая неровность шторки
Ближний/дальний/птф
Ближний/дальний/птф
В итоге, мы получаем альтернативу ближнему свету и отличные дхо)Конечно, если вы хотите, чтобы птф светили как дальний или работали по своему прямому назначению — этот вариант не для вас. Меня освещение полностью удовлетворяет. По сравнению с моим ближним светит более чем достойно и появилась небольшая, но подсветка для обочины…
Ещё в предыдущей записи я сразу написал, что главное условие установки — отсутствие какого-либо дискомфорта для остальных участников движения. Считаю, что это условие полностью соблюдено.
Простите за обилие текста и гавнокачественные фото
www.drive2.ru
Установить ксеноновые лампы в фары ближнего, дальнего и противотуманного света можно самостоятельно (но делать это не желательно). Для установки ксенона своими руками нужно немного времени и подробная инструкция, со схемой подключения от RomaxGroup. Что нужно знать о лампах для ксеноновых фар, как правильно подключить ксенон, стоит ли его ставить? Читайте новую статью прямо сейчас.
Куда устанавливают ксенон и зачем?
Давайте в двух словах поймем, почему автолюбители предпочитают ставить ксенон на машину и куда именно их устанавливают. Ксенон средний вариант между галогенным и светодиодным светом. Последний немного дороже, а галогенный – уже устарел. Ксеноновые лампы служат долго, в среднем – 3.000 часов и светят ярко – до 2.000 Люменов. Подробне о том что такое ксеноновые лампы, с их преимуществами и недостатками можете прочитать здесь, а сейчас давайте перейдем к этапам установки автоламп.
Правила установки ксенона на автомобиль: что нужно знать о фарах перед установкой
Прежде, чем ставить ксенон, вам нужно узнать, предназначены ли вообще ваши фары для этого? – Смотрим маркировку фар.
Важно! Буква H означает, что фары предназначены только для галогенного освещения, D – для ксенонового.
Далее нужно посмотреть, какая у вас оптика – рефлекторная или линзовая. Это касается всего головного света. Рефлекторная не предназначена для установки ксенона. Она сильно рассеивает свет, что приводит к засвету встречных водителей.
Что нужно знать о цветовой температуре
Противотуманные фары расположены низко, поэтому ставить яркое освещение нежелательно. Так вы создадите тень на дороге от каждой ямы. Оптимальная цветовая температура – до 4 300 К. Освещение должно быть желтоватым, как на галогенной лампе. Оно лучше рассеивает туман, в отличие от ярко белого света.
Подготовительный этап: комплектующие для ксенона
Что входит в комплект ксенона? — 2 лампочки, провода и 2 блока розжига. Иногда к нему дают еще крепеж. Обязательно проверьте все детали перед установкой, они должны быть целыми и герметичными. Блок розжига играет ключевую роль в комплектации ксеноновых ламп. Функции блока:
Блоки розжига на ксенон, как и сами лампочки бывают трех поколений: третьего, четвертого и пятого. Третье поколение – первый ксенон, с обычным блоком (ballast standart), который называют «кирпич», в четвертом поколении стоит реле напряжение и блок меньшего размера (super slim ballast), в пятом – сам блок уменьшен и оснащен обманками (super slim canbus ballast).
Подготовительный этап 2: инструменты
Посмотрите, какая заглушка на фаре стоит у вас. Ее нужно будет снять и сделать отверстие для проводов от лампы. Она бывает резиновой, пластиковой или металлической. Чтобы сделать отверстие в резиновой – подойдут ножницы, для пластика – канцелярский нож. Металл можно просверлить дрелью или шуруповертом. Размер отверстия должен быть минимум 25 мм, поэтому покупайте нужное сверло. Также вам нужно будет дополнительно обмотать провод и блок розжига. Безопасность лишней не бывает. Поэтому купите моток изоленты или скотча.
В зависимости от того, как вы будете крепить блок розжига, вам понадобится крепеж, герметик, хомуты, либо двухсторонний скотч. Предварительно посмотрите, где вы расположите блок. Он должен быть рядом с фарой, где поменьше пыли и куда не попадает влага. Болтающуюся проводку можно собрать хомутами.
Что касается личной безопасности – перед началом работы отключите положительную клемму (+) от аккумулятора. Ксеноновая лампа проводит напряжение в 25.000 Вольт.
Купите перчатки и ни в коем случае не трогайте грязными руками цоколь. Если же это произошло, протрите спиртом. Через любое пятно на лампе, дополнительно рассеивается свет.
Подытожим что нужно купить:
Установить ксенон в головной свет можно не снимая фару. Хотя работать с фарой отдельно немного проще. Для установки в противотуманный свет, нужно полностью снимать бампер (но, не во всех случаях). Итак, вы в перчатках, положительная клемма с аккумулятора снята. Что дальше?
1. Снимаете заглушку с фары. Иногда внутри есть фиксирующие пружины, которые нужно отогнуть, чтобы вынуть лампу.
2. Откручиваете дополнительные винты, которые держат линзу (если есть).
3. Отсоединяете все провода, ведущие к лампе и вынимаете её.
4. Аккуратно достаете приобретенную ксеноновую лампу из коробки и засовываете в фару.
5. Возвращаете все фиксаторы: пружины, винты и кольца-переходники (если есть).
6. Делаете 25-ти мм отверстие в заглушке и протягиваете через него провода от лампы. Заглушку помещаете обратно в фару.
7. Обматываете блок розжига изолентой и крепите рядом с фарой двухсторонним скотчем или крепежом. Провода не должны быть в натяжку.
8. Собираете провода в кольцо и крепите вместе, чтобы не болтались.
9. Присоединяете провода в нужные разъемы. Провода от лампы крепите к плюсовым и минусовым клеммам. Второй провод присоединяете к блоку розжига и соединяете с блоком питания фар.
10. Подключаете аккумулятор и проверяете лампу.
Потом проделываете тоже самое со второй. После того, как вы установили, нужно откорректировать светотеневую границу. Или установить в добавок реле напряжение, если бортовая электроника вышла из строя. Важно! Вся проводка должна быть изолирована. Иначе она начнет окисляться, что может стать причиной возгорания.
Типовая схема подключения ксенона в автомобиль
Этап 2 – установка ксенона в головной свет: реле напряжения
Ксеноновые лампы оказывают напряжение больше, чем галогенные. Поэтому штатная электроника может не выдержать и произойдет перенапряжение. Иногда лампы просто неправильно светят. Если у вас это случилось – нужно установить реле напряжения, которое урегулирует подаваемый ток. Делается это так: устанавливается реле между блоком розжига и аккумулятором автомобиля. Потом подключается лампа через эту систему.
Этап 3 – установка ксенона в головной свет: корректировка фар
После того, как вы установили лампы, их нужно отрегулировать. Тогда вы не будете слепить встречных транспорт и освещение будет таким, как надо. Прежде, чем регулировать, нужно заправиться, положить запаску, если есть и комплект инструментов. Это делается чтобы приблизить условия эксплуатации к реальным. Также вам нужно отрегулировать и если необходимо подкачать давление в шинах, так как если шины спущены, не будет правильной световой границы. Все колеса должны быть накачены равномерно, по соотношению к дороге, чтобы светотеневая граница имела правильную линию. Если этого не сделать вы будете слепить встречный транспорт и получите неправильное освещение, при изменении веса в автомобиле. В регулировке важна максимальная точность и любое изменение повлияет на свет.
Как выставить правильную светотеневую границу?
1. Найдите ровную стену и подгоните автомобиль к ней вплотную.
2. Отметьте на стене центр каждой фары и самого автомобиля
3. Откатитесь на 5-7,5 метров.
4. Выйдите и прочертите линию, которая соединит все точки.
5. Отрегулируйте ближний и дальний свет по очереди. По центру он должен быть немного ниже линии. Верхняя правая часть света должна доходить до линии.
6. Отрегулируйте ПТФ фары. Это можно сделать только по высоте. Свет должен быть ниже, чем головное освещение.
В ПТФ лучше ставить лампы с желтым цветовым спектром, а точней галогенные лампы. Они не так сильно рассеиваются в плохую погоду, как белый спектр. Установка ксенона в ПТФ почти такая же, как и в ближний и дальний свет. Нюанс один – предварительно нужно снять бампер, чтобы добраться до разъема фар (не во всех случаях). Помните, нужно узнать, какая оптика у вас стоит. Ксеноновые лампы подойдут только для линзовой. Она правильно рассеивает и фокусирует свет на дорожное полотно.
Ксеноновые лампы хоть и устанавливают в противотуманный свет, однако мы не рекомендуем этого делать. Сделать правильную корректировку фар достаточно тяжело самостоятельно. Если же ее не сделать вы будете засвечивать встречный транспорт.
Заключение
Теперь вы знаете что установить и подключить ксенон своими руками, возможно, но это не простая задача. Для этого надо узнать, какая у вас оптика, купить необходимые инструменты и следовать инструкции. И конечно же приобрести саму ксеноновую лампочку. Обязательно после установки отрегулируйте свет, чтобы не слепить встречных водителей. Это лучше делать на специализированном автосервисе с помощью профессионального оборудования.
На этом все. Если было полезно, ставьте 5 звезд и делитесь с друзьями.
Установка ксенона своими руками
У автолюбителей, наслышанных о многообразных достоинствах ксенонового света, возникает вопрос: «Как поставить ксенон самому?». Вопреки часто встречающимся рекомендациям о недопустимости подобной «самодеятельности», автолюбитель «с руками» сделает это без особых проблем. Установка ксенона в фары требует определенных навыков по обслуживанию автомобильной «электрики» и познаний в области устройства и свойств ксеноновых ламп.
Что необходимо знать при подключении ксенона
Ксенон – это мощнейший источник света, легко и сильно воздействующий на сетчатку глаза водителя, едущего по встречной полосе, и ослепляющий его. Ксеноновые фары на конвейерах автозаводов устанавливают вместе с автоматическим корректором углов наклона фары и ее омывателем. Корректор предназначен для моментального отклонения света фар при изменении дорожного рельефа. Омыватель заботится о чистоте стекла, так как грязь на нем «размывает» пучок света и вызывает ослепление. Хотя служителей ГИБДД давно не интересует сила и направленность светового потока фар, подключение ксенона необходимо производить, придерживаясь принципа «взаимной вежливости» — установив предварительно описанные устройства.
Рис. 1 — Схема подключения ксенона
Ответ на вопрос «Как установить ксенон?» требует прежде всего правильного подбора комплекта. Вам необходимо определить тип цоколя ламп, стоящих в штатной оптике автомобиля. Соответственно, выбирайте комплект ксенона с таким же цоколем — он и подойдет для переоборудования. Комплекты, специально разработанные с целью переоборудования штатной оптики автомобилей, устанавливаются без радикального вмешательства в его конструкцию и модификации электрической части – на штатные места.
Как подключить ксенон
Обычно установка ксенона своими руками занимает пару часов. Перед проведением процедуры изучите инструкцию, прилагаемую к комплекту, – в ней приведена схема подключения ксенона.
Блок запуска-розжига необходимо расположить максимально далеко от двигателя. Приходится слышать рекомендации по изоляции блока полиэтиленом – во избежание попадания в него воды. Этого делать не надо – о герметичности блока позаботился производитель.
Заменив лампы в фарах авто на ксеноновые, Вы добьетесь предельно высокой видимости проезжей части, а значит обезопасите себя и своих пассажиров. При тумане или дожде ксеноновые фары будут освещать только дорогу, а не отражаться в каплях воды. Ксенон — энергоэффективные фары, на 1\3 сокращается потребление энергии, при этот лампы долговечны, и могут работать до 3000 часов, выдерживают сотрясения.
Времена, когда ксеноновые фары считались уместными только на авто премиум класса, ушли в прошлое. Сегодня это доступная оптика, а при самостоятельной установке ксенона Вы также получаете ее по привлекательной цене.
Чтобы правильно установить ксенон самому, надо знать, как он работает. Лампа представляет собой кварцевую колбу, в которую помещены 2 электрода. Колба наполнена газом ксеноном, который дает свечение при пропускании через него тока, и хлоридами некоторых металлов.
Устройство ксеноновой лампы
Лампа зажигается только при напряжении в 25000 В. Когда лампа загорелась, горение поддерживается и при напряжении от 80 В. Чтобы обеспечить эти условия перед установкой ксеноновых ламп также требуется установить специальный предпусковой блок, а также корректор фар и омывателей.
Устройство ксеноновой фары
Ксеноновые лампы бывают нескольких видов и различаются величной цоколя. Более всего распространены лампы с цоколями на h2, h5, H7 и HB4. Проверить, какой цоколь подходит для Вашего авто можно сверив свой цоколь с приведенной ниже таблицей.
Ксеноновые фары различной конструкции дают разный по яркости и цвету свет.
Наиболее эффектный внешне — голубой. Но самый удобный в эксплуатации и близкий к дневному свету поток лучей дают белые лампы. Их цветовая температура 5 — 5,5 тыс.К. Для противотуманный фар такие лампы подходят лучше всего.
Ксенон, установленный в противотуманные фары
Лучшими производителями блоков розжига считаются Hella, Osram и Philips. Отличные отзывы также о блоках Matsushita, Bosch, кроме того, они проще устанавливаются.
Среди производителей ксеноновых ламп лучшими считаются Osram, Philips, но у них довольно узок ассортимент цоколей. Проще всего подобрать нужный цоколь у ламп корейских производителей Eagleye, ZZX Pro, Optima, Alpha, Berus.
Схема подключения ксенона своими руками
Процесс монтажа ксенона на разные авто отличается, но здесь представлена универсальная схема, которая применима для большинства моделей. В инструкции на ксеноновый комплект есть информация, касающаяся особенностей подключения конкретного оборудования.
Подключить ксенон самостоятельно может каждый опытный автомобилист. Схема действий при замене ламп:
Как установить ксеноновые лампы для ближнего света?
Первым шагом станет приобретение подходящего комплекта ксенона.
Шаг второй: снимаем передний бампер.
Шаг третий: откручиваем и разбираем «родную» фару
Шаг четвертый: снимаем «родную» фару, вынимаем лампу.
Если цоколи газоразрядной и ксеноновой ламп немного не совпадают, можно воспользоваться переходником, который иногда есть в комплекте ксенона.
Шаг пятый: установка — необходимо поместить лампу и переходник в фару, затем прижать с помощью пружины и резинки.
Шаг шестой: продеваем через заглушку из резины провода в лампе.
Шаг седьмой: установка блока розжига.
Шаг восьмой: вставляем провода ксенонового блока в разъем для ближнего света. Для надежности дополнительно фиксируем провода изолентой.
Установка ксеноновых ламп закончена.
На этом можно остановиться, а можно установить ксеноновые лампы и для дальнего света. Для этого необходим еще один комплект ламп.
Первым этапом по самостоятельной установке ксенона будет демонтаж бампера и фары, если установка начинается «с нуля».
Второй этап — достаем из фары галогеновую лампу.
Третий этап — устанавливаем ксенон, возвращаем герметичную заглушку для фары, сделав в ней соответствующие отверстия под провода.
Четвертый этап — таким же образом устанавливаем ксеноновую фару для другой фары.
Пятый этап — монтируем блок розжига
Шестой этап — подключение проводов, закрепление обеих фар.
Седьмой этап — регулировка ксенона.
Обязательная процедура при замене ламп на ксеноновые — установка блока розжига ксенона. Далее мы подробно опишем, как это сделать своими руками.
Блок для розжига ксенона (рисунок)
При выборе места для установки блока розжига надо учитывать, что на устройство пагубно влияет высокая влажность. Действуя на прибор она приводит к поломкам и частому ремонту блоков. Мы рекомендуем устанавливать устройство под капотом, вблизи фар.
На примере показано размещение одного блока под креплением усилителя для бампера, а второго — около ребра возле бачка омывателя.
Если нарастить провода, можно крепить блоки и в других, более удобных местах.
Также следует учитывать, что блоки розжига марок Matsushita и Bosch имею особенность. В них игнитор, или другими словами высоковольтная часть находится вне самого блока и поэтому крепится прямо к фаре.
Биксенон — устанавливается на модели авто, где для дальнего и ближнего света в фарах предназначена одна лампа. Биксенон также способен переключаться на разные режимы. Спектр свечения меняется благодаря конструкции лампы.
Установка биксеновой лампы не только улучшает качество светового потока, но и предотвращает появление засветок, слепящих водителей во встречных машинах.
Поток света биксеноновой лампы
Самостоятельно установить биксенон можно только в некоторые виды цоколей: самый популярный h5, а также HB-1, HB-5, и h23. Монтаж упростится, если на авто оснащено штатным блоком розжига. В таком случае нужно будет лишь доработать саму фару. Поэтапная установка:
1. Снимаем передний бампер (достаточным может быть и простое его отгибание, без снятия нижних креплений).
2. разбираем фары, сняв все пружины и скобы
3. Обламываем 2 выступа, не повреждая место для самой лампы.
4. Выскабливаем весь старый герметик (ускорить процедуру поможет нагрев феном)
5. Высверливаем на дефлекторе отверстие для проводки ( после размещения в фаре линз его должна скрывать штатная шторка)
6. Вставляем лампу, протягиваем провода в отверстие ( руководствуясь схемой в инструкции с правилами установки биксенона)
7. Выравниваем линзу, фиксируем гайкой, заливаем щель между местом установки лампы и шайбой термоклеем, склеиваем герметиком фару с плафоном.
Установка биксенона завершается монтажом бампера.
Самостоятельная установка ксенона в противотуманки — также не сложная задача. Это обеспечит хорошую видмость в плохую погоду, кроме того ксенон будет отлично освещать обочины. Свет от ксеноновых фар смотрится очень эффектно.
Пошаговая установка ксенона в противотуманки:
1. Извлечение штатной лампы (для некоторых моделей это не требуется)
2. Берем ксеноновую лампу, устанавливаем ее на место прежней в фару.
3. Подключаем лампу.
4. Завершаем установку устанавливая блоки розжига ксенона.
Обращаем Ваше внимание, что если в авто уже установлены ксеноновые лампы для ближнего и дальнего света, то разместить новые блоки розжига не просто. Однако есть одна хитрость. Берем блок и прикручиваем изолентой железное крепление.
Далее следует просверлить отверстия возле фар для прикрепления блоков.
Осторожно прикручиваем блок розжига.
Подключить поводку просто — все действия предельно однозначны.
После установки обеих блоков ставим противотуманные фары.
Установить ксенон самостоятельно довольно просто и в фары заднего хода. Для этого надо приобрести соответствующий комплект ламп.
Демонтировать прежние фонари.
Срезаем разъем предназначенный для прежней лампы и припаиваем его к ксеноновой.
Для того, чтобы ксеноновая лампа поместилась в плафон, можно сточить отверстие для нее, а чтобы лампа надежно сидела можно обмотать отверстие изолентой, или воспользоваться герметиком.
Минусовой провод в предпусковом блоке подключается к общему минусу.
Плюсовой провод отключается к красному проводу (в обоих случаях лучше пользоваться круглыми клеммами).
Участок соединения проводов следует изолировать.
Провод, соединяющий предпусковый блок и ксеноновую лампу, просовывается через специально предназначенную для этого резинку.
Новую проводку следует изолировать. Провода собрать в пучок.
Уплотнить оставшиеся лишние отверстия можно клеем.
Установить задние фары.
При установке ксеноновых фар в любые автомобильные фонари надо знать и соблюдать меры безопасности:
Монтаж не произоводится влажными или в масле руками, нельзя трогать включенные лампы, провода и предпусковый блок.
Все электросоединения надо изолировать, поскольку окисляясь они нагреваются, что может вызвать загорание проводки.
Нельзя смотреть без темных очков на включенные ксеноновые фары, это травмирует глаза.
Установленные ксеноновые фары следует отрегулировать, чтобы добиться наилучшего освещения дороги. Для этого надо:
Поставить машину напротив ровной стены на расстоянии около 5 метров. Горизонтально провести линию на стене напротив центра автофар (1). Провести параллельную линию ниже на 75 миллиметров (2). Провести еще одну линию вертикально, отступить от нее одинаковое расстояние и нарисовать 2 линии, указывающие на центр фар (А,В). Схема:
Включить ближний свет. Закрыв одну фару отрегулировать другую, затем таким же образом первую. Фары следует настраивать с помощью регулировочных винтов.
Отрегулировать ближний свет вертикально можно подкручивая винтик А, в горизонтально — винтик Б.
Фары светят правильно, когда верхняя граница пятен света совпадает с нижней линией, а световой пучак изламывается там, где идет вертикальная линия.
Почти также регулируются противотуманные фары:
Установить авто в 5 метрах от стены. Померять расстояние от земли до центра противотуманных фар, прочертить на стене на таком же расстоянии от земли горизонтальную полосу. Параллельную линию провести на 50 миллиметров ниже.
Схема:
Поменять наклон лучей света можно вращая регулировочные винты. Таким способом отрегулируйте обе фары.
В идеале верхние края пятен света должны совпадать с нижней полосой. В этом положении противотуманки будут хорошо охватывать светом обочины, не ослепляя встречных водителей.
Другие руководства:
ПРИМЕЧАНИЕ. Никогда не прикасайтесь к лампе руками и держите их как можно более чистыми. Кроме того, настоятельно рекомендуется использовать диэлектрическую смазку во всех соединениях — это поможет обеспечить лучшее электрическое соединение.
После установки: Как только все пройдет проверку, вы захотите немного направить фары вниз. Повышенный световой поток, исходящий от корпуса рефлектора, может мешать встречному движению. Если вы заметили мерцание, дважды проверьте свои соединения и обратитесь в службу поддержки. Если у вас возникнут другие проблемы, свяжитесь с нами для устранения неполадок.
Дважды проверьте, приобрели ли вы лампу соответствующего типа для вашего автомобиля. Если у вас есть предложения по ссылкам, которые следует включить, отправьте их мне по электронной почте.
Схема подключения ксеноновых ламп Bmw Учебное пособие по монтажным схемам
Модернизация фар до Lci от Pre Lci Требуется электрическая схема
Схемы подключения Bmw E90 Ecourbano Module
Информация о сервере Hid соответствовать.
Схема подключения ксеноновой фары BMW E46 . Эта страница посвящена шасси 7 серии e32 bmws 1988 1994 года. Расположенные в задней левой части моторного отсека реле и предохранители внутри иногда уязвимы для коррозии и выхода из строя. Вы можете обратиться к нашей ссылке на руководство по лампам на нашей главной странице или проверить размер лампы в руководстве по эксплуатации вашего автомобиля. Блок предохранителей — это сердце вашей электрической системы bmwafaaas.
Схема подключения фары E92 Схема подключения
Схема подключения ксеноновой фары 350z Golf Enthusiast
Bmw E46 Angel Eyes Схема подключения Best Of Feeldo
9000
9000
Реле 1pc
14 лучших изображений Bmw E46 Compact Bmw Compact Автомобили Bmw E46
Схема подключения ксеноновой фары Bmw E46 Схема электрических соединений авто
Разъем блока управления биксеноновыми фарами Справка по деталям Bmw M3 Forum
Opt7 Hid Kit Видео по установке проводки
Silverstar Zxe Фара Белый свет Ксеноновая фара Hid Attitude
Схема проводки контроллера Jeep Hid Схема электропроводки
Eat Sleep Tinker Mr2 Spyder Преобразование фар 03 в 00
Схема подключения фар E90 Схема подключения
Схема подключения ксенона Схема подключения
2005 E46 M3 Блок предохранителей
Wrg 6760 W204 Схема подключения фары
Все больше современных автомобильных аксессуаров становится доступным широкому кругу автомобилистов. Среди них особую нишу занимает новая головная светотехника. Теперь вы можете установить практически любые фары (лампы), которые используются на самых последних моделях автомобилей — ксенон, биксенон и др. Рассмотрим, как можно подключить ксенон на свой автомобиль.
Ксеноновые лампы дают свет, спектр которого максимально приближен к дневному.При этом за счет ряда конструктивных особенностей такие лампы имеют преимущество перед галогенными и обычными лампами с нитью накала тепла по мощности света и, соответственно, по дальности освещения.
Кроме того, луч света, излучаемый ксеноновыми лампами, имеет хорошую фокусировку, что позволяет максимально использовать свет перед автомобилем, а не рассеивать его по дороге. Кстати, этот фактор значительно облегчает жизнь водителю встречного транспорта, так как правильно настроенные фары не расшатываются из-за направленного луча сфокусированного свечения.
В отличие от обычных фар ксеноновые лампы продаются в комплекте с дополнительным оборудованием. В этот комплект входят непосредственно сама лампа — 2 шт., Антикоррозионные блоки — 2 шт., И комплект коммутационных проводов.
Независимо от производителя, большинство ксеноновых ламп устанавливаются по типовой схеме. Но для лояльности большинство производителей в комплекте с лампами предлагают покупателю инструкцию, в которой есть схема подключения ксенона.Рассмотрим схему модели, подходящую для любого автомобиля. Для начала нужно установить блок розжига. После этого производите монтаж проводки. При установке блока розжига выберите такое место, чтобы провода к нему подключались без натяжения. Также желательно, чтобы место установки не подвергалось сильному загрязнению, тепловому нагреву или воздействию влаги извне. Блок крепится с помощью специальных приспособлений на его корпусе и саморезов. Его необходимо жестко закрепить. После этого также закрепите жгут проводами.
После этого необходимо заменить лампы в фарах на новый ксенон. Большинство ксеноновых ламп выполняются стандартных размеров под типовые крепежи. Хотя бывают исключения, если у вас есть такая опция, тогда нужно либо менять крепление фары, либо придумать переходник для установки. В зависимости от комплектации фары иногда возникает необходимость просверлить небольшие отверстия под кожух. Кроме того, рекомендуется установить уплотнительную резинку в задней головке фары, чтобы влага не попала внутрь колбы.
После этого необходимо починить фары. Непосредственно перед установкой рекомендуется обезжирить луковицы спиртом и мягкими тканями. Разблокируйте все провода согласно схеме подключения. Не забывайте, что подключение ксенона через реле выполняется по схеме обязательно, так как в ксеноновых лампах используется высокое значение напряжения и высокая частота. Электрическая схема автомобиля не позволяет напрямую запитать лампы.
Немного знать, как подключить ксенон, следует помнить еще ряд нюансов, влияющих на эффективность головного освещения в целом.Если он поврежден на деталях комплекта ксеноновых ламп, обратитесь к продавцу или в сервисный центр для их замены. Запрещается прикасаться к ксеноновым лампам или блоку зажигания руками загрязненным маслом или мокрыми руками. Нельзя долго смотреть на работающие ксеноновые лампы без защитных очков. Все проводные соединения должны быть надежно изолированы. Не прикасайтесь к высоковольтным проводам и колбам К. во время работы ксеноновых ламп.
Видео — установка ксенона
Если при работе с головным светом погасли ксеноновые лампы, вероятная причина — срабатывание защиты в блоке зажигания.
В России резко вырос спрос на Maybahi
В России продолжают расти продажи новых автомобилей класса люкс. По результатам исследования, проведенного агентством Автостат, по итогам семи месяцев 2016 года рынок таких автомобилей составил 787 единиц, что на 22,6% больше, чем за аналогичный период прошлого года (642 шт.) . Лидером этого рынка является Mercedes-Maybach S-class: на этом …
Citroen готовит ковролин подвесного типа
В бренде Citroen, представленном концепцией Advanced Comfort Lab, построенной на базе серийного кроссовера C4 C4 Cactus, самым ярким глазом нововведения являются, конечно же, пухлые кресла. , больше похожи на домашнюю мебель, чем на автокресла.Секрет кресел — в упаковке из нескольких слоев вязкоупругого пенополиуретана, который обычно используют производители …
Дакар-2017 может пройти без команды КАМАЗа
Российская команда «КАМАЗ-МАСТЕР» на данный момент является одной из сильнейших ралли-рейдовых команд планеты: с 2013 по 2015 год бело-голубые грузовики взяли золотой марафон. «Дакар» трижды, а в этом году экипаж под руководством Айрата Мареева стал вторым. Однако, как сообщает агентство ТАСС, директор НП «КАМАЗ-Моторспорт» Владимир…
Новый седан Kia будет называться Stinger
Пять лет назад на автосалоне во Франкфурте Kia представила концептуальный седан Kia. GT. Правда, сами корейцы называли его четырехдверным спортивным накоплением и намекнули, что этот автомобиль сможет стать более доступной альтернативой Mercedes-Benz CLS и Audi A7. И вот, пять лет спустя, концепт-кар Kia GT трансформировался в Kia Stinger. Судя по фото …
Видео дня: Электромобиль набирает 100 км / ч за 1.5 секунд
Электромобиль под названием Grimsel смог разогнаться до 100 км / ч за 1,513 секунды. Достижение зафиксировано на взлетно-посадочной полосе авиационной базы в Довендорфе. Автомобиль Grimsel — экспериментальный автомобиль, разработанный студентами Швейцарской Высшей технической школы Цюриха и Университета прикладных наук Люцерна. Автомобиль создан для участия …
Либерализация ОСАГО: решение отложено
Как пояснил зампред ЦБ Владимир Черюхин, двигаться в этом направлении невозможно, поскольку решение других является первоочередной важной задачей страховой отрасли, передает ТАСС.Вкратце напомним: подготовка «дорожной карты» по либерализации тарифов ОСАГО началась в ноябре 2015 года. Предполагалось, что первым этапом на этом пути должно быть …
Фото дня: Гигантская утка против водителей
Путь автомобилистам на одном из участков местного шоссе преграждает … огромная резиновая уточка! Фото утки моментально разошлись по соцсетям, где у них появилось много поклонников. По данным Daily Mail, гигантская резиновая утка принадлежала одному из местных автосалонов.Судя по всему, на дороге снесло надувную фигуру …
Магадан-Лиссабон: есть мировой рекорд
Проехали всю Евразию от Магадана до Лиссабона за 6 дней 9 часов 38 минут 12 секунд. Этот пробег был организован не только на форы и секунды. Он нес культурную, благотворительную и даже, можно сказать, научную миссию. Сначала в пользу организации передавалось по 10 евро сцен с каждого пройденного километра …
в г.В Петербурге была приготовлена машина без двигателя и крыши
По данным издания «Фонтанка.ру», бизнесмен обратился в полицию, которая сообщила, что со двора его дома на проспекте Энергетики горит зеленый газ М-20. Похищена «Победа», выпущенная еще в 1957 году и имевшая советские номера. По словам потерпевшего, машина вообще не имела мотора с крышей и предназначалась для восстановления. Кто забрал машину …
Suzuki SX4 пережил рестайлинг (фото)
Отныне в Европе автомобиль определяется только с турбированными моторами: бензиновыми литровыми (112 л.с.) и 1,4-литровыми (140 л.с.) по агрегатам, а также 1,6-литровый турбодизель, развивающий 120 лошадиных сил.До модернизации автомобиль предлагали также с 1,6-литровым 120-сильным атмосферным бензиновым двигателем, однако в России этот агрегат сохранят. К тому же после …
С ними можно обращаться как угодно — восхищаться, ненавидеть, восхищаться, испытывать отвращение, но они никого не оставят равнодушными. Некоторые из них — просто памятник человеческих медиа, сделанный из золота и рубинов в натуральную величину, деталь настолько эксклюзивна, что когда …
Какая машина самый дорогой джип в мире
Все автомобили мира можно разделить на категории, в которых будет непременный лидер.Так можно выделить самый быстрый, мощный, экономичный автомобиль. Подобных классификаций огромное количество, но всегда вызывает особый интерес — самая дорогая машина в мире. В этой статье …
Лучшие подарки автовладельцаЛучшие подарки автовладельца
Автомобилист — это человек, у которого есть много времени, чтобы выносить руль своей машины. Ведь для того, чтобы обеспечить в машине желаемый комфорт, а также безопасность движения, нужно приложить немало усилий при уходе за авто.Если вы хотите найти хорошего друга …
Как поменять машину на новую, как обменять машину.
Совет 1: Как обменять свою машину на новую мечту многих автолюбителей — приходите в салон на старой машине, а переходите на новую! Мечты превращаются в челюсть. Все больше превращает Посещение пункта обмена старой машины на новую — Trade in. У вас нет …
Какой седан выбрать: Альмера, Поло Седан. или Solaris
В своих мифах древние греки говорили о существе, имеющем голову льва, туловище козла и змею вместо хвоста.«Крылатая химера родилась с крошечным существом. В то же время она сияла красотой Аргуса и пугала уродством сатиры. Это было чудовище из монстров». Слово …
Что нужно знать, чтобы взять машину в кредит? На какой срок брать машину в кредит.
Что нужно знать, чтобы взять машину в кредит? Покупка автомобиля, тем более за счет кредитных средств, — далеко не самое дешевое удовольствие. Помимо основной суммы кредита, достигающей нескольких сотен тысяч рублей, необходимо уплатить банкам проценты, причем немалые.В списке …
Какую машину купить новичку, чтобы купить авто.
Какую машину купит новичок, когда долгожданные водительские права наконец получены, наступает самый приятный и волнующий момент — покупка машины. Автопром в беде предлагает покупателям самые проверенные новинки, а в невзрывоопасном драйвере очень сложно сделать правильный выбор. Но часто это с первого раза …
Как выбрать машину в аренду, выбрать машину в аренду.
Как выбрать прокат авто Аренда авто — очень востребованная услуга.В нем часто нуждаются люди, приехавшие в другой город в случаях без личного автомобиля; Желающим произвести благоприятное впечатление дорогой машиной и т. Д. И, конечно же, редкой свадьбой …
Как выбрать первую машину, выбрать первую машину.
Как выбрать свой первый автомобиль Покупка автомобиля — большое событие для будущего владельца. Но обычно покупке предшествует как минимум пара месяцев выбора автомобиля. Сейчас авторынок наполнен множеством марок, в которых рядовому потребителю сориентироваться довольно сложно….
Рейтинг надежных автоНадежность однозначно самое популярное требование к автомобилю. Дизайн, тюнинг, любые «балки» — все эти модные уловки по мере своей важности неизбежно размываются, когда речь идет о надежности автомобиля. Автомобиль должен служить своему владельцу, а не доставлять ему проблемы с его …
Ксенон — инертный газ, который при контакте с электрическим током начинает ярко светиться.Ксеноновые лампы намного лучше галогенных, так как имеют ряд преимуществ. Они излучают свет очень похоже на дневной свет, поэтому глаза водителя не так сильно проверяются при длительных поездках, даже если установить ксенон на дальний свет. Также ксеноновые лампы значительно снижают нагрузку на автомобильный генератор и не ломаются при ударах. Самостоятельная установка Ксенона достаточно легкая и с ней может справиться любой владелец автомобиля.
От такого параметра, как температура, зависит, какой яркости и цветового оттенка будет лампа.Цветовая гамма ксенона варьируется от желтого до фиолетового оттенков. Температура измеряется в градусах Кельвина. Более насыщенные цвета редко используют автомобилисты, чаще всего устанавливается белый ксенон, это больше похоже на дневное освещение. Желтые фары будут на отметке 4050 К. А белый цвет равен значению 5000 К. Синий оттенок получается при 6000 К, а фиолетовый — при 18000 К.
Также ксеноновые лампы разные по размеру. Чтобы правильно подобрать лампу по размеру под размер фары, следует взять для сравнения старую.
Долговечность осветительных элементов достаточно высока, поэтому замена ксеноновых ламп будет осуществляться очень редко.
Также каждому автомобилисту необходимо знать, что в продаже есть псевдочлен. К ксеноновым лампам отношения не имеет. Это обычные галогенные лампы, тонированные в синий цвет с большей мощностью. Так что при покупке ксенона нужно быть очень внимательным.
После того, как был куплен соответствующий комплект в магазине, можно переходить к началу установки ксенона.Сделать это очень просто и своими руками, не прибегая к помощи мастеров. For near I. far Light Есть два разных набора. В стандартном комплекте для установки ксенона две лампы, два блока зажигания и провода. Подключить ксенон без блока розжига невозможно, только на него можно подать необходимое напряжение, а именно в 25000 В. Но этот индикатор напряжения нужен только для розжига, после этого для нормальной работы ламп будет достаточно поддерживать только 80 В.
См. Также: Установка электрокабины на УАЗ
А теперь приступим к установке.Для начала приподнимаем крышку капота и откручиваем фары. После этого достаньте старые лампы. Их можно установить на пружину, что можно наблюдать на некоторых типах автомобилей. Таким образом, весной этого года также следует установить новые лампы. Главное, перед установкой ксеноновых ламп ни в коем случае не трогайте их руками. Если уже не произошло без прикосновения, то поверхность следует обезжирить спиртом. Далее установку необходимо произвести по схеме.
Схема подключения ксеноначетко показывает правильные действия.В этом невозможно ошибиться, это очень просто.
1. Установить ксеноновую лампу. Если база не подходит, то можно использовать специальные переходники, они иногда идут в комплект ксенона. Если нет в комплекте, придется покупать отдельно.
2. После установки лампы зажимаем резинку.
3. Через резиновую заглушку отсоединить провода к блоку зажигания. Устанавливать нужно будет недалеко от фар, потому что провод не очень длинный.Но выбранное место обязательно должно быть сухим, иначе блок перестанет функционировать. Его можно прикрепить к капюшону с помощью скотча. Чтобы уберечь блок розжига от влажности, его также можно обмотать изоляционной лентой.
4. Потом провода, идущие от ксеноновой лампы, прикручиваем к штатному разъему ближнего или дальнего света. Установка ксенона на дальний свет и посередине — это две разные операции, включающие покупку двух комплектов. Но схема установки будет такой же.Вы даже можете оптимизировать все провода с помощью изолирующей ленты для большей надежности.
Все готово! Теперь вы можете проверить положительные свойства ксеноновых ламп и насладиться отличной ездой.
ЧИТАЙТЕ ТАКЖЕ: Тюнинг Ока
Чтобы не устанавливать два разных комплекта ксенона на соседний и дальний свет, можно просто купить и подключить Биксенон. Лампы
Bixenon имеют такой же принцип работы с инертным газом, только оснащены дополнительным электромагнитом.Именно он позволяет переключать фары на ближний и дальний свет.
Установка Биксенона имеет свои нюансы. Рассмотрим подробно процесс подключения.
1. Провода от ламп бекенон подведены к блоку зажигания.
2. Подключите проводной контроллер к тому же блоку. Он занимается стабилизацией напряжения во всей проводке.
3. На биксеноновой лампе есть дополнительный провод, отвечающий за электромагнит.Он также должен быть подключен к контроллеру.
4. Контроллер подключается к аккумулятору.
Конечно лучший вариант для противотуманных фар с датчиком ксенона. Он отлично справится с поставленной задачей и к тому же намного лучше обычных ламп. Они будут освещать дорогу, а не летать капельками в сторону машины.
При установке необходимо выполнить следующие действия:
Как установить ксенон ранее было правильно описано, но о мерах безопасности ни слова не было.Это должно быть исправлено.
Перечислим основные правила безопасности:
Полезный совет : Также необходимо знать, что оттенки цвета ксеноновых ламп могут незначительно отличаться друг от друга.Это нормальное явление для ксенона.
Лучше покупать фирменные комплекты ксенона, не стоит экономить на улучшении собственной машины. Перечислим основные достоинства хорошего ксенона.
А если конкретнее, то как установить ксенон на Ваз 2110 своими руками . Выполнение этой работы в принципе не требует выдающихся знаний, главное — желание, прямые руки и свободное время.
Ксеноновая лампа была создана немецкой компанией OSRAM в 1940-х годах и представлена на всеобщее обозрение в 1951 году. Ксенон стал очень популярным и нашел широкое применение в автомобильной и киноиндустрии, ему удалось отправить угольные дуговые лампы в колодец. -заслуженный отдых. Характерная особенность ксеноновых ламп — яркий почти белый свет с голубоватым оттенком. Практически все современные кинопроекторы, как пленочные, так и цифровые, оснащены ксеноновыми лампами, мощность которых варьируется от 900 Вт до 12 кВт.
Основной поток света излучает плазму непосредственно возле катода, при этом светящаяся область имеет форму конуса, а интенсивность свечения падает по мере удаления от катода по экспоненте. Световой спектр ксеноновых ламп очень близок к дневному.
В первую очередь нужно разобрать фару как это сделать:
10. Снимите указатель поворота, для этого открутите два крепежных винта.
11. Снимите галоген или который вы установили и переходите ко второму этапу — установке ксеноновых ламп.
Перед установкой ксенона пришлось купить 4 матери (2 простые крепления, и 2 с креплением под толстый провод)
Итак приступим.
1. Снимаем «галогенку».
2. Возьмите нож и перережьте желтый и коричневый провода. Желтый — «+», а коричневый — «-» соответственно.С помощью плоскогубцев и ножа. Очистите провода.
3. Берем зажим или тонкие плоскогубцы «Мамочка» для широкого провода и два коричневых провода на вырождение и выставляем все скотчем.
4. Проделайте то же самое в отношении желтых проводов, только в этом случае используйте «Мама» для обычного тонкого провода.
5. Все как следует изолировать во избежание замыкания.
6. Ксеноновая лампа разводится в фарах Киржач без проблем, если у вас были установлены фары Бош, придется работать круглым напильником.С его помощью необходимо расширить отверстие. Только не напивайтесь, время от времени пробуйте лампу.
5. С помощью дрели и тонкого сверла проделайте отверстие в упрочняющей крышке диаметром примерно 23 мм, затем протяните провод от лампы.
6. Вставьте саму лампу в основание через отверстие и закрепите.
7. После этого подключите «Мамочки», важно не перепутать «+» и «-».
Внимательно проверьте, все ли сделано правильно и подключено, помните, что ошибка может дорого вам обойтись, из-за неправильного подключения можно вывести ксеноновые лампы или блоки зажигания.
9. Затем подключите фару и подключите минусовую клемму обратно к.
Ответственный момент … Включите средний свет, если увидите чудесное яркое свечение — значит установка ксенона прошла успешно!
Теперь осталось собрать все в обратном порядке.
Для этого отключаем минусовой провод аккумуляторной батареи и устанавливаем фару на место. Блоки розжига можно приклеить на двусторонний скотч, но я бы порекомендовал сделать какое-то крепление или придумать что-нибудь посерьезнее… Очень важно, чтобы место для блоков было сухим.
Внимание! После установки ксеноновых фар обязательно отрегулируйте ксеноновые фары. Неправильно настроенные ксеноновые лампы могут ослепить других участников движения и доставить большие неприятности.
На этом мой рассказ про как установить ксенон на ВАЗ 2110 своими руками Все кончено, надеюсь у вас все получилось и вы тоже стали счастливым обладателем ксеноновых фар.
Прежде чем рассказывать, как поставить ксенон на ВАЗ 2110, сразу хочу отметить, что в этой работе нет ничего сверхъестественного: никакого специального образования и навыков электрика, нужно лишь некоторое время и базовое представление о ксеноновых лампах.Кстати, о тюнинге ВАЗ 2110.
Ваза автовладельцы, решившие установить на машину ксенон, скорее всего, уже изучили все положительные и отрицательные стороны, а также принцип работы, поэтому останавливаться на этом не будем, а повернем направо, чтобы работать дальше. установка ксенона на ВАЗ 2110.
Чтобы добраться до фонаря, нужно для начала слезть и разобрать сам прожектор. Это делается следующим образом:
Когда обе фары разобраны, можно переходить к следующему этапу — непосредственная установка ксенона на ВАЗ 2110.
Перед тем, как приступить к основным работам, вам потребуется приобрести четыре «мамы»: две из них должны иметь обычное крепление, а две оставшиеся — застежки для толстого шнура. Только после того, как все куплено, можно приступать к пошаговой установке.
После того, как сборка обеих фар произведена, проверьте себя, включив ближний свет. Если свечение ярко-синее, значит установка ксенона на ВАЗ 2110 произведена правильно, и новая оптика готова к работе.
Видео по установке ксенона на ВАЗ 2110
Рассмотрим, как установить ксеноновые лампы, чтобы не делать водителей встречных машин. Правильно установить ксенон своими руками сможет даже начинающий водитель, но важно понимать специфику газоразрядных ламп.
Прямого запрета на использование ксеноновых ламп нет, но за несанкционированную установку драйвера могут лишить права на срок — от полугода до года.Сотрудники ГИБДД ссылаются на ст. 12.5 части 3 КоАП РФ, устанавливающей такую меру наказания, если на автомобиле установлены световые приборы, режим и цвет свечения которых не соответствуют установленным допускам к эксплуатации транспортного средства. Также поводом к профилактике является перечень неисправностей внешних осветительных приборов, при которых дальнейшая эксплуатация транспортного средства запрещена. Запрет вступает в силу в следующих случаях:
Чтобы снизить риск лишения Ву, необходимо соблюдать следующие условия:
Продумайте, как установить газоразрядные лампы, чтобы не создавать помех встречному транспорту и рассчитывать на лояльность сотрудников ГАИ.Для легализации нужно получить разрешение на переоборудование, а затем узаконить внесенные в конструкцию изменения.
Возможность установки ксеноновых ламп определяет производитель осветительных приборов. Вы можете узнать о допусках с помощью маркировки.
Маркировка наносится непосредственно на стекло или корпус фары.
Многие модели авто комплектуются ксеноном только в дорогой комплектации. Поэтому для установки достаточно купить фары, лампы и устройство автоматической регулировки светового пучка.Поскольку стоимость этих деталей немаленькая, систему омывателя фар можно построить своими руками.
После установки комплект фар необходимо отрегулировать в сертифицированном центре (можно на дилерском СТО). Копию наряда-наряда лучше постоянно хранить в машине.
В некоторых авто штатный ксенон не оборудован омывателями и автокоррекцией. Продажа и эксплуатация таких ТК разрешена положениями правил ОПР № 48. Суть решения заключается в том, что омыватель и автокорректор должны быть оснащены фарами ближнего света с источником света или светодиодом. модуль, создающий номинальный световой поток более 2000 люмен.Поэтому на средний свет можно установить ксенон, используя обычные лампочки и заменив только необходимые элементы.
Если стоимость стандартного набора Вам кажется слишком необоснованной, можно собирать ксенон из отдельных комплектующих. На автомобиле, в котором такая же лампочка отвечает за соседку, такой же свет, ксеноновые лампы D2S можно использовать в противоположных и устанавливать D2R. В это время в продаже можно найти газоразрядные лампы даже под обычную серию H, доступно множество переходников.Так что с установкой самих ламп проблем возникнуть не должно.
Даже если в фарах установлены галогенные фары, перед установкой ксеноновых ламп на автомобиль необходимо заменить линзы комплектом, специально разработанным для газоразрядного источника света. Объясняется это различием конструкции «Жалюзи», переключением режимов освещения. Итак, что нужно для перехода на галоген на газоразрядных лампах:
Автокорректор
Лучшее решение в этом случае — покупка готового сертифицированного комплекта (копию документа желательно хранить в автомобиле). Автокорректор светового луча придется приехать отдельно. Если в вашем автомобиле уже установлена регулировка электропривода, вы можете купить универсальный автокорректор без сервоприводов. Моторы при необходимости также можно приобрести отдельно.
Если вы установили, убедитесь, что логика понятна.электрические приборы Авто, в которые будут внесены изменения. Чтобы сделать установку надежной, а также исключить риск возгорания, все соединения должны быть хорошо соединены друг с другом.
Стандартная установка ксенона не более получаса. Как выглядит неправильный подход к установке:
Что такое «соль», спросите вы? Ксенон, установленный в не предназначенной для этой фары, будет ослеплять встречных водителей. Все дело в природе источника, генерирующего световой поток.Меньшая длина волны излучения газоразрядных ламп, а также большие размеры искрового заряда вызывают рассеивание светового потока при использовании с отражателями для галогенных лам. Этим объясняется необходимость установки коллективной линзы или специального отражателя.
Еще больше усугубляет положение ксенон в фарах с обычным отражателем и гофрированное стекло в фарах. К сожалению, многие водители игнорируют не только законодательный статус, но и нормы здравого смысла.Установка ксенона своими руками в обычные фары должна сопровождаться действием гофр. Для этого используйте специальную полировальную насадку и абразивы градации от P60 до P2000. Окончательная обработка происходит в полировальной пасте с крупными оттенками серого и мелкозернистой. Также можно использовать фторопол или на основе оксида церия.
Схема подключения ксенона Gm — Привет, приятно познакомиться, у меня проблема с радио r300 bt, мне нужна схема подключения r300 bt для opel astra k 2017 sport tourer, чтобы отремонтировать его, можете ли вы отправить схему или информацию о контактах с схемы подключения r300 bt opel thnx ikramidis hotmail 159 ghaly суббота 12 сентября 2020 г. 16 36.Привет, приятно познакомиться, у меня проблема с радио r300 bt, и мне нужна электрическая схема r300 bt для opel astra k 2017 sport tourer, чтобы отремонтировать его 12 сентября 2020 г. 16 36. Cк, чтобы увидеть наш лучший видеоконтент, взгляните на фильмы, которые вышли на этой неделе 8 12 saoirse ronan — голливудская женщина, которую мы любим смотреть. Xe ксенон xj глубина перехода xll выход loadlock xls эксимерная лазерная система расширенный рассеиватель ght xml расширяемый язык разметки xps рентгеновская фотоэлектронная спектроскопия xrd дифракция рентгеновских лучей xrf x ray.
Gm Схема подключения ксенона — флуоресцентная спектрометрия xrr рентгеновская отражательная способность xsem поперечное сечение сканирующая электронная микроскопия y иттрий y общий общий выход. . . .
Gm Схема подключения ксенона —
Схема подключения — это метод описания конфигурации установки электрического оборудования, например, электроустановочного оборудования на подстанции на CB, от панели к блоку CB, который охватывает аспекты телеуправления и телесигнализации, телеметрию, все аспекты которые требуют схемы подключения, используемой для обнаружения помех, нового вспомогательного оборудования и т. д.Схема подключения ксенона gm Эта принципиальная схема служит для обеспечения понимания функций и работы установки в деталях, с описанием оборудования / частей установки (в виде символов) и соединений. Схема подключения ксенона gm Эта принципиальная схема показывает общее функционирование цепи. Все его основные компоненты и соединения проиллюстрированы графическими символами, расположенными для максимально ясного описания операций, но без учета физической формы различных элементов, компонентов или соединений.Toyota hid схема проводки схема подключения страница микросхема месяц чип месяц faishoppingconsvitol it h5 bi xenon hid схема подключения mx 6 rockford fosgate схема подключения сабвуфера bege электрическая схема bmw xenon light схема подключения инструменты тонкая позиция ctpellicoleantisolari it схема] spyder hid head схема подключения полная версия hd схема подключения tvdiagram veritaperaldro it Vw hid электрическая схема и схема подключения журнал friend magazine friend ristorantebotticella it h5 схема подключения би ксенона 91 схема подключения блейзера электрическая схема подключения схема bege, электрическая схема Bn_1118] жгут проводов ксенонового реле, бесплатная загрузка, электрическая схема, схема подключения
Что входит в комплект
Что вам нужно
Инструкции по подключению
Тестирование
Теперь, когда вы подключили контроллеры к соленоидам проектора, рекомендуется проверить Ваша новая система, чтобы убедиться, что контроллеры подключены правильно и соленоиды работают правильно.Для этого включите дальний свет, чтобы активировать соленоиды. Ставни должны открыться быстро и сильно, с громким стуком. После этого, оставив включенным дальний свет, следует иметь возможность закрывать ставни вручную, и они не должны открываться заново сами по себе, либо только открываются очень слабо. Если вы не можете закрыть ставни вручную, не открывая их с такой силой, сила как изначально, то что-то не так, и соленоид «тяги» постоянно запитан, что плохо, так как со временем он перегреется.
Проводка фар
На этой схеме показана электрическая схема фар для Интегры в стандартной комплектации. Другой автомобили должны быть похожи.
| Фары Integra |
Как видите, в этом автомобиле фары расположены по схеме с положительным переключением, где положительные контакты к фарам включаются и выключаются, а масса фар соединения всегда подключены. Это, наверное, наиболее распространенная схема.В некоторых машинах есть По какой-то причине расположение с отрицательным переключением, так что следите за этим на своей машине.
Как и многие другие автомобили, этот автомобиль не использует реле на фарах и включает их. непосредственно переключателем фар. Это нормально для обычных галогенных ламп, но не для HID. системы из-за их очень высокого потребления тока во время прогрева. Кроме того, вы можете увидеть несколько уровни плавления; некоторые главные предохранители (100A, 50A) в блоке предохранителей под капотом, а некоторые меньшие (10A) предохранители для каждой лампы в блоке предохранителей под панелью приборов.
На следующей диаграмме показано, как эту систему следует модифицировать для ламп HID и моего биксенона. соленоидные контроллеры.
| Фары Integra, модифицированные для HID |
В этой схеме были добавлены реле для переключения питания на балласты HID, а также соответствующий предохранитель и подключение прямо к аккумулятору. Кроме того, биксеноновый соленоид контроллеры были добавлены, и показаны их помеченные соединения. Подключения B, R и G подключены к соответствующим цветным проводам от биксенонового соленоида Bosch, соединение «-» подключен к заземляющему проводу, а контакт «+» подключен к плюсу дальнего света провод.Таким образом, соленоид будет активирован при включении дальнего света.
Схема подключения ксенонаСхема подключения ксенона Gm — 3157 3156 прозрачное основание клина t25 7443 7440 прозрачное основание клина t20 оловянное медное контактное соединение для оснований клиновых ламп 921 белый клин t15. Взгляните на фильмы, которые выйдут на этой неделе.Электросхема Head ght, 2014 г. увеличить требуемый старт в формате pdf, схема подключения сидений 2014 2015 pdf wk2 head ght a gnment guide wk2 2011 2017 колеса шины wk2 технические характеристики trailhawk quadra ft замена передней пружины pdf. Эта книга действительно великолепна и предназначена для тех, кто не разбирается в электронике. Эта книга поможет вам достичь технического уровня в аналоговой и цифровой электронике, если вы инженер и не разбираетесь в электронике. Взгляните на фильмы, которые вышли на этой неделе. 8 12 46 мыслей, которые у меня возникли, когда я смотрел финал холостяка в качестве суперфана. 46 мыслей.
Gm схема подключения ксенона — имел пока холостяцкий финал смотрел как не фанат. Дешевая услуга по написанию эссе, если вам нужна профессиональная помощь с выполнением любого вида домашнего задания, эссе об успехе — подходящее место для ее получения, независимо от того, ищете ли вы курсовую работу для эссе, помощь по курсовой работе или с любыми другими заданиями, это не проблема для нас.