ΠΠ»Ρ ΡΠ½ΡΡΠΈΡ Π±Π°ΡΠ°Π±Π°Π½Π° Π² ΠΏΠ΅ΡΠ²ΡΡ ΠΎΡΠ΅ΡΠ΅Π΄Ρ Π½Π°Π΄ΠΎ ΡΠ½ΡΡΡ Π·Π°ΡΠΈΡΠ½ΡΠΉ ΠΊΠΎΠ»ΠΏΠ°ΡΠΎΠΊ, ΠΈ ΡΠ΄Π΅Π»Π°ΡΡ ΡΡΠΎ Π½Π°Π΄ΠΎ Π°ΠΊΠΊΡΡΠ°ΡΠ½ΠΎ ( ΡΠΎΠ»ΡΠΊΠΎ Π΅ΡΠ»ΠΈ Π²Ρ Π½Π΅ ΠΏΠ»Π°Π½ΠΈΡΡΠ΅ΡΠ΅ ΠΌΠ΅Π½ΡΡΡ ΠΏΠΎΠ΄ΡΠΈΠΏΠ½ΠΈΠΊΠΈ, ΠΈ Π² ΠΊΠΎΠΌΠΏΠ»Π΅ΠΊΡΠ΅ Ρ Π½ΠΎΠ²ΡΠΌΠΈ ΠΎΠ½ Π΅ΡΡΡ).
ΠΠ»Ρ ΡΡΠΎΠΉ ΡΠ΅Π»ΠΈ ΠΌΡ ΠΏΡΠΈΡΠΏΠΎΡΠΎΠ±ΠΈΠ»ΠΈ ΡΡΠ°ΡΡΠ΅ Β«ΠΊΡΠΎΠΊΠΎΠ΄ΠΈΠ»ΡΒ», ΡΠΆΠ΅ Π½Π΅ ΡΠΏΠΎΡΠΎΠ±Π½ΡΠ΅ ΡΠΈΠΊΡΠΈΡΠΎΠ²Π°ΡΡ Π»ΡΠ±ΠΎΠΉ ΡΠ°Π·ΠΌΠ΅Ρ, ΠΊΡΠΎΠΌΠ΅ ΠΌΠ°ΠΊΡΠΈΠΌΠ°Π»ΡΠ½ΠΎΠ³ΠΎ.
ΠΠ° ΠΊΡΠ°ΡΡ Β«Π³ΡΠ±ΠΎΠΊΒ» ΡΠ΄Π΅Π»Π°Π»ΠΈ ΠΏΡΠΎΠΏΠΈΠ»Ρ, Π±Π»Π°Π³ΠΎΠ΄Π°ΡΡ ΡΠ΅ΠΌΡ ΠΊΠΎΠ»ΠΏΠ°ΡΠΎΠΊ ΡΠ½ΠΈΠΌΠ°Π΅ΡΡΡ Π»Π΅Π³ΠΊΠΎ, ΠΈ Π±Π΅Π· Π΄Π΅ΡΠΎΡΠΌΠ°ΡΠΈΠΈ.
Π ΠΊΡΠ°ΠΉΠ½Π΅ΠΌ ΡΠ»ΡΡΠ°Π΅ ΠΌΠΎΠΆΠ½ΠΎ ΠΈΡΠΏΠΎΠ»ΡΠ·ΠΎΠ²Π°ΡΡ ΡΠΎΠ»ΡΡΠΎΠ΅ ΡΡΠΏΠΎΠ΅ Π·ΡΠ±ΠΈΠ»ΠΎ, Π°ΠΊΠΊΡΡΠ°ΡΠ½ΠΎ, ΠΏΠΎ Π½Π΅ΠΌΠ½ΠΎΠ³ΠΎ, ΠΏΠΎΡΡΡΠΊΠΈΠ²Π°ΡΡ ΠΏΠΎ ΠΏΠ΅ΡΠΈΠΌΠ΅ΡΡΡ Π·Π°Ρ ΠΎΠ΄Π° ΠΊΠΎΠ»ΠΏΠ°ΡΠΊΠ° Π² ΡΡΡΠΏΠΈΡΡ. Π‘Π½ΡΠ»ΠΈ.
Π Π°Π·ΠΎΠ³Π½ΡΡΡ ΠΈ Π²ΡΠ½ΡΡΡ ΡΠΏΠ»ΠΈΠ½Ρ(ΡΡΠ°ΡΡΠΉ Π»ΡΡΡΠ΅ Π²ΡΠΊΠΈΠ½ΡΡΡ ΠΈ ΠΏΠΎΡΡΠ°Π²ΠΈΡΡ Π½ΠΎΠ²ΡΠΉ). Π‘Π½ΡΡΡ ΡΠΈΠΊΡΠΈΡΡΡΡΡΡ ΡΠ°ΠΉΠ±Ρ. ΠΡΠΊΡΡΡΠΈΡΡ Π³Π°ΠΉΠΊΡ ΠΊΠ»ΡΡΠΎΠΌ Π½Π° 24.
ΠΠ΅ΡΠ΅Π΄ ΡΠ½ΡΡΠΈΠ΅ΠΌ Π±Π°ΡΠ°Π±Π°Π½Π° Π½Π°Π΄ΠΎ ΡΠ²Π΅ΡΡΠΈ ΠΊΠΎΠ»ΠΎΠ΄ΠΊΠΈ. ΠΠ»Ρ ΡΡΠΎΠ³ΠΎ Π½ΡΠΆΠ½ΠΎ ΡΠ΅Π½ΡΠ³Π΅Π½ΠΎΠ²ΡΠΊΠΎΠ΅ Π·ΡΠ΅Π½ΠΈΠ΅.
<o>></o>>
Π¨ΡΡΠΊΠ°. ΠΠ»Ρ ΡΡΠΎΠ³ΠΎ Π½ΡΠΆΠ½ΠΎ Π²ΡΡΡΠ°Π²ΠΈΡΡ Π±Π°ΡΠ°Π±Π°Π½ ΡΠ°ΠΊ, ΡΡΠΎ Π±Ρ ΠΎΡΠ²Π΅ΡΡΡΠΈΡ ΠΏΠΎΠ΄ ΠΊΠΎΠ»ΡΡΠ½ΡΠ΅ Π±ΠΎΠ»ΡΡ ΡΠΎΡΡΠ°Π²Π»ΡΠ»ΠΈ ΠΊΠ²Π°Π΄ΡΠ°Ρ, ΠΏΠ°ΡΠ°Π»Π»Π΅Π»ΡΠ½ΡΠΉ Π·Π΅ΠΌΠ»Π΅. Π Π²Π΅ΡΡ Π½Π΅Π΅ ΠΏΠ΅ΡΠ΅Π΄Π½Π΅Π΅ (ΠΏΠΎ Ρ ΠΎΠ΄Ρ Π΄Π²ΠΈΠΆΠ΅Π½ΠΈΡ) ΠΎΡΠ²Π΅ΡΡΡΠΈΠ΅ Π²ΡΡΠ°Π²ΠΈΡΡ ΠΏΠ»ΠΎΡΠΊΡΡ ΠΎΡΠ²ΡΡΡΠΊΡ, Π½Π°ΡΡΠΏΠ°ΡΡ Π½ΠΈΠΆΠ½ΡΡ ΡΠ°ΡΡΡ ΠΊΠ»ΠΈΠ½ΡΡΠΊΠ° ΠΌΠ΅Ρ Π°Π½ΠΈΠ·ΠΌΠ° ΡΠ°ΠΌΠΎΡΠ°Π·Π²Π΅Π΄Π΅Π½ΠΈΡ, ΠΈ, ΠΈΡΠΏΠΎΠ»ΡΠ·ΡΡ ΠΎΡΠ²ΡΡΡΠΊΡ ΠΊΠ°ΠΊ ΡΡΡΠ°Π³, ΠΏΠΎΠ΄Π½ΡΡΡ Π΅Π³ΠΎ Π²Π²Π΅ΡΡ .
ΠΡΡΠ°ΡΠΈ, ΠΊΠΎΡΠΎΡΠΊΠΎ ΠΎΠ± ΡΡΡΡΠΎΠΉΡΡΠ²Π΅ ΠΈ ΡΠ°Π±ΠΎΡΠ΅ ΠΌΠ΅Ρ
Π°Π½ΠΈΠ·ΠΌΠ° ΡΠ°ΠΌΠΎΡΠ°Π·Π²Π΅Π΄Π΅Π½ΠΈΡ.
ΠΠ½ ΠΏΡΠΎΡΡ, ΠΊΠ°ΠΊ ΠΈ Π²ΡΡ Π³Π΅Π½ΠΈΠ°Π»ΡΠ½ΠΎΠ΅. ΠΡΠΈ ΡΠ°Π·Π΄Π²ΠΈΠΆΠ΅Π½ΠΈΠΈ ΠΊΠΎΠ»ΠΎΠ΄ΠΎΠΊ ΡΡΠΈΠ»ΠΈΠ΅ΠΌ ΡΠ°Π±ΠΎΡΠ΅Π³ΠΎ ΡΠΎΡΠΌΠΎΠ·Π½ΠΎΠ³ΠΎ ΡΠΈΠ»ΠΈΠ½Π΄ΡΠ°, Π² ΠΏΠ»Π°Π½ΠΊΠ΅ ΠΎΡΠΊΡΡΠ²Π°Π΅ΡΡΡ Π΄ΠΎΠΏΠΎΠ»Π½ΠΈΡΠ΅Π»ΡΠ½Π°Ρ ΡΠ΅Π»Ρ, ΠΊΡΠ΄Π° ΠΈ ΡΡΡΠ΅ΠΌΠΈΡΡΡ ΠΏΡΠΎΠ²Π°Π»ΠΈΡΡΡΡ ΠΊΠ»ΠΈΠ½ΡΡΠ΅ΠΊ, ΠΏΠΎΠ΄ Π²ΠΎΠ·Π΄Π΅ΠΉΡΡΠ²ΠΈΠ΅ΠΌ ΠΏΡΡΠΆΠΈΠ½ΠΊΠΈ.
Π’Π΅ΠΏΠ΅ΡΡ, Π²Π·ΡΠ² Π·Π° ΠΊΡΠ°Ρ Π±Π°ΡΠ°Π±Π°Π½Π°, ΠΌΠΎΠΆΠ½ΠΎ Π΅Π³ΠΎ ΠΏΠΎΡΡΠ½ΡΡΡ Π½Π° ΡΠ΅Π±Ρ, ΠΏΡΠΈ ΡΡΠΎΠΌ ΠΏΠΎΡΡΠ°ΡΠ°ΡΡΡΡ ΠΏΡΠ΅Π΄ΠΎΡ ΡΠ°Π½ΠΈΡΡ ΠΎΡ Π²ΡΠΏΠ°Π΄Π΅Π½ΠΈΡ Π½Π°ΡΡΠΆΠ½ΡΠΉ ΠΏΠΎΠ΄ΡΠΈΠΏΠ½ΠΈΠΊ.
ΠΡΠ΅ΠΆΠ΄Π΅ ΡΠ΅ΠΌ ΠΎΡΠ»ΠΎΠΆΠΈΡΡ Π±Π°ΡΠ°Π±Π°Π½ Π² ΡΡΠΎΡΠΎΠ½Ρ, ΠΎΡΠΌΠΎΡΡΠΈΡΠ΅ Π΅Π³ΠΎ Π²Π½ΡΡΡΠ΅Π½Π½ΡΡ ΡΠ°Π±ΠΎΡΡΡ ΠΏΠΎΠ²Π΅ΡΡ
Π½ΠΎΡΡΡ. Π ΠΈΠ΄Π΅Π°Π»Π΅ ΠΎΠ½Π° Π΄ΠΎΠ»ΠΆΠ½Π° Π±ΡΡΡ Π·Π΅ΡΠΊΠ°Π»ΡΠ½ΠΎΠΉ, Π±Π΅Π· ΠΊΠ°Π½Π°Π²ΠΎΠΊ ΠΈ ΠΏΠΎΠ²ΡΠ΅ΠΆΠ΄Π΅Π½ΠΈΠΉ. ΠΡΡΡΠΈΠΊ ΠΎΠ±ΡΠ°Π·ΡΠ΅ΡΡΡ ΠΏΡΠ°ΠΊΡΠΈΡΠ΅ΡΠΊΠΈ Π²ΡΠ΅Π³Π΄Π°, Π½Π΅ ΡΡΠΎΠΈΡ ΠΎΠ±ΡΠ°ΡΠ°ΡΡ Π½Π° Π½Π΅Π³ΠΎ Π²Π½ΠΈΠΌΠ°Π½ΠΈΡ. ΠΠ΄Π½Π°ΠΊΠΎ Π½Π°Π΄ΠΎ ΠΏΠΎΠΌΠ½ΠΈΡΡ, ΡΡΠΎ Π΄ΠΎΠΏΡΡΡΠΈΠΌΡΠΉ ΠΈΠ·Π½ΠΎΡ Π»ΡΠ±ΠΎΠ³ΠΎ Π±Π°ΡΠ°Π±Π°Π½Π° β Π²ΡΠ΅Π³ΠΎ 1 ΠΌΠΌ Π½Π° Π΄ΠΈΠ°ΠΌΠ΅ΡΡ. Π’ΠΎ Π΅ΡΡΡ Π΅ΡΠ»ΠΈ Π½Π° ΠΠΎΠ»ΡΡ-2 Π΄ΠΈΠ°ΠΌΠ΅ΡΡ Π½ΠΎΠ²ΠΎΠ³ΠΎ Π±Π°ΡΠ°Π±Π°Π½Π° β 180 ΠΌΠΌ, ΡΠΎ ΠΏΡΠΈ 181,5 ΠΌΠΎΠΆΠ½ΠΎ ΡΠΌΠ΅Π»ΠΎ Π²ΡΠ±ΡΠ°ΡΡΠ²Π°ΡΡ.
Π’Π°ΠΊ ΠΆΠ΅ Π²ΠΎ Π²Π½ΡΡΡΠ΅Π½Π½Π΅ΠΉ ΡΠ°ΡΡΠΈ Π±Π°ΡΠ°Π±Π°Π½Π° Π΄ΠΎΠ»ΠΆΠ½ΠΎ Π±ΡΡΡ ΡΡΡ
ΠΎ, Π½Π°Π»ΠΈΡΠΈΠ΅ ΠΆΠΈΡΠ½ΡΡ
ΠΏΡΡΠ΅Π½ ΡΠ²ΠΈΠ΄Π΅ΡΠ΅Π»ΡΡΡΠ²ΡΠ΅Ρ ΠΎ ΡΠ΅ΡΠΈ ΡΠΎΡΠΌΠΎΠ·Π½ΠΎΠ³ΠΎ ΡΠΈΠ»ΠΈΠ½Π΄ΡΠ°, ΠΈΠ»ΠΈ ΠΎ Π²ΡΠ΄Π°Π²Π»ΠΈΠ²Π°Π½ΠΈΠΈ ΡΠΌΠ°Π·ΠΊΠΈ ΠΈΠ· ΠΏΠΎΠ΄ ΡΠ°Π»ΡΠ½ΠΈΠΊΠ° Π²Π½ΡΡΡΠ΅Π½Π½Π΅Π³ΠΎ ΠΏΠΎΠ΄ΡΠΈΠΏΠ½ΠΈΠΊΠ°.
Π’Π΅ΠΏΠ΅ΡΡ ΡΠΌΠΎΡΡΠΈΠΌ Π½Π° ΠΎΡΠΊΡΡΠ²Π°ΡΡΠΈΠ΅ΡΡ Π²Π·ΠΎΡΡ Π²Π½ΡΡΡΠ΅Π½Π½ΠΎΡΡΠΈ. Π§ΠΈΡΡΠΎΡΠ° ΠΈ ΡΡΡ ΠΎΡΡΡ Π΄ΠΎΠ»ΠΆΠ½Π° ΡΠ°Π΄ΠΎΠ²Π°ΡΡ Π³Π»Π°Π·.
<o>></o>>
ΠΡΠ»ΠΈ ΠΆΠ΅ Π΅ΡΡΡ ΡΠ»Π΅Π΄Ρ ΠΏΠΎΠ΄ΡΠ΅ΠΊΠ°Π½ΠΈΡ ΡΠΎΡΠΌΠΎΠ·Π½ΠΎΠΉ ΠΆΠΈΠ΄ΠΊΠΎΡΡΠΈ, Π½Π΅ΠΎΠ±Ρ ΠΎΠ΄ΠΈΠΌΠΎ ΠΏΠΎΠΌΠ΅Π½ΡΡΡ ΡΠ°Π±ΠΎΡΠΈΠΉ ΡΠΎΡΠΌΠΎΠ·Π½ΠΎΠΉ ΡΠΈΠ»ΠΈΠ½Π΄Ρ. ΠΠ΄Π½Π°ΠΊΠΎ ΠΈ Π½Π° Π²ΠΈΠ΄ΠΈΠΌΠΎΠ΅ Π±Π»Π°Π³ΠΎΠΏΠΎΠ»ΡΡΠΈΠ΅ Π½Π΅ Π½Π°Π΄ΠΎ ΡΡΠ°Π·Ρ ΠΏΠΎΠΊΡΠΏΠ°ΡΡΡΡ. ΠΠΊΠΊΡΡΠ°ΡΠ½ΠΎ Π½Π°Π΄Π°Π²ΠΈΡΠ΅ Π½Π° ΠΎΠ΄ΠΈΠ½ ΠΏΠΎΡΡΠ΅Π½ΡΠΊ β ΠΎΠ½ Π΄ΠΎΠ»ΠΆΠ΅Π½ Π»Π΅Π³ΠΊΠΎ ΡΡΠ°ΠΏΠ»ΠΈΠ²Π°ΡΡΡΡ, Π° ΠΏΡΠΎΡΠΈΠ²ΠΎΠΏΠΎΠ»ΠΎΠΆΠ½ΡΠΉ ΠΏΡΠΈ ΡΡΠΎΠΌ Π½Π°ΠΎΠ±ΠΎΡΠΎΡ, Π²ΡΠ»Π΅Π·Π°ΡΡ. ΠΠΎΠ΄Π΄Π΅Π²Π°Π΅ΠΌ ΠΊΡΠ°Π΅ΡΠ΅ΠΊ ΠΏΡΠ»ΡΠ½ΠΈΠΊΠ° Π½Π° ΡΠΈΠ»ΠΈΠ½Π΄ΡΠ΅, ΠΈ Π·Π°Π³Π»ΡΠ΄ΡΠ²Π°Π΅ΠΌ: Π° ΡΠ°ΠΊ Π»ΠΈ ΡΠ°ΠΌ ΠΊΡΠ°ΡΠΈΠ²ΠΎ, ΠΊΠ°ΠΊ ΡΠ½Π°ΡΡΠΆΠΈ?
<o>></o>>
ΠΠΎΠΏΡΡΡΠΈΠΌ, Π½Π°ΡΡΠ°Π» ΠΌΠΎΠΌΠ΅Π½Ρ ΠΏΡΠΎΡΠ°ΡΡΡΡ Ρ ΡΡΠΎΠΉ Π΄Π΅ΡΠ°Π»ΡΡ. ΠΠ΅ Π½Π°Π΄ΠΎ Π³ΡΡΡΡΠΈΡΡ, Π½ΠΎΠ²Π°Ρ Π²Π°Ρ Π±ΡΠ΄Π΅Ρ Π»ΡΡΡΠ΅ ΠΎΡΡΠ°Π½Π°Π²Π»ΠΈΠ²Π°ΡΡ. ΠΠ»Ρ Π·Π°ΠΌΠ΅Π½Ρ ΡΠΈΠ»ΠΈΠ½Π΄ΡΠ° Π½ΡΠΆΠ΅Π½ ΠΊΠ»ΡΡ Π½Π° 11, ΠΈ ΡΠ΅ΡΡΠΈΠ³ΡΠ°Π½Π½ΠΈΠΊ Π½Π° 5. ΠΠ»Π°Π²Π½ΠΎΠ΅ βΠΊΠ°ΡΠ΅ΡΡΠ²Π΅Π½Π½ΠΎ ΠΎΡΠΈΡΡΠΈΡΡ Π²Π½ΡΡΡΠ΅Π½Π½ΠΎΡΡΡ Π±ΠΎΠ»ΡΠΈΠΊΠΎΠ², ΡΠΈΠΊΡΠΈΡΡΡΡΠΈΡ ΡΠΈΠ»ΠΈΠ½Π΄Ρ, ΡΡΠΎ Π±Ρ ΠΊΠ°ΠΊ ΠΌΠΎΠΆΠ½ΠΎ Π³Π»ΡΠ±ΠΆΠ΅ Π²ΡΡΠ°Π²ΠΈΡΡ ΡΠ΅ΡΡΠΈΠ³ΡΠ°Π½Π½ΠΈΠΊ. ΠΠ΅ Π»ΠΈΡΠ½ΠΈΠΌ Π±ΡΠ΄Π΅Ρ ΡΠ»Π΅Π³ΠΊΠ° ΠΎΠ±ΡΡΡΡΠ°ΡΡ ΠΊΠΎΡΠΏΡΡ ΡΠΈΠ»ΠΈΠ½Π΄ΡΠ° Π² ΡΠ°ΠΉΠΎΠ½Π΅ ΡΠ΅Π·ΡΠ±Ρ. ΠΡΠΊΡΡΡΠΈΠ»ΠΈ. Π’Π΅ΠΏΠ΅ΡΡ ΡΡΡΠ°Π³ΠΈΠ²Π°Π΅ΠΌ ΡΠΎΡΠΌΠΎΠ·Π½ΡΡ ΡΡΡΠ±ΠΊΡ Π½Π° Π²Ρ ΠΎΠ΄Π΅ Π² ΡΠΈΠ»ΠΈΠ½Π΄Ρ. ΠΡΠ»ΠΈ ΡΡΡΡΠ΅Ρ ΡΡΡΠΎΠ½ΡΠ»ΡΡ, Π½ΠΎ ΠΏΡΡΠ°Π΅ΡΡΡ ΠΊΡΡΡΠΈΡΡΡΡ Π²ΠΌΠ΅ΡΡΠ΅ Ρ ΡΠ°ΠΌΠΎΠΉ ΡΡΡΠ±ΠΊΠΎΠΉ, Π΅ΡΡΡ Π΄Π²Π° Π²ΡΡ ΠΎΠ΄Π°: Π»ΠΎΠΌΠ°ΡΡ ΠΈ ΠΌΠ΅Π½ΡΡΡ ΡΡΡΠ±ΠΊΡ, ΠΈΠ»ΠΈ ΡΠΊΡΡΡΠΈΡΡ ΡΠΎ ΡΡΡΡΠ΅ΡΠ° ΡΠ°ΠΌ ΡΠΈΠ»ΠΈΠ½Π΄Ρ, Π²ΡΡΠΎΠ»ΠΊΠ½ΡΠ² Π΅Π³ΠΎ ΠΈΠ· ΠΏΠΎΡΠ°Π΄ΠΎΡΠ½ΠΎΠ³ΠΎ Π³Π½Π΅Π·Π΄Π°, ΠΈ ΠΏΠΎΡΠΎΠΌ Π½Π°Π²ΠΈΠ½ΡΠΈΡΡ Π½ΠΎΠ²ΡΠΉ. ΠΠΎ Π»ΡΡΡΠ΅ Π²ΡΡ-ΡΠ°ΠΊΠΈ ΠΏΠΎΠΌΠ΅Π½ΡΡΡ ΡΡΡΠ±ΠΊΡ. ΠΠΎΡΠ»Π΅ ΡΡΡΠ°Π½ΠΎΠ²ΠΊΠΈ Π½ΠΎΠ²ΠΎΠ³ΠΎ ΡΠΈΠ»ΠΈΠ½Π΄ΡΠ° Π½Π΅ ΡΡΠ΅Π±ΡΠ΅ΡΡΡ Π½ΠΈΠΊΠ°ΠΊΠΈΡ ΡΠ²ΡΡΠ΅Π½Π½ΠΎΠ΄Π΅ΠΉΡΡΠ²ΠΈΠΉ Ρ ΠΏΠ΅Π΄Π°Π»ΡΡ ΡΠΎΡΠΌΠΎΠ·Π° Π΄Π»Ρ ΡΠ΄Π°Π»Π΅Π½ΠΈΡ Π²ΠΎΠ·Π΄ΡΡ Π°, Π΄ΠΎΡΡΠ°ΡΠΎΡΠ½ΠΎ ΠΎΡΠΊΡΡΡΡ ΡΡΡΡΠ΅Ρ ΠΏΡΠΎΠΊΠ°ΡΠΊΠΈ, ΠΈ Π΄Π°ΡΡ Π’Π Π½Π΅ΠΌΠ½ΠΎΠ³ΠΎ ΠΏΡΠΎΡΠ΅ΡΡ. ΠΠΎΠ·Π΄ΡΡ Π²ΡΠΉΠ΄Π΅Ρ ΡΠ°ΠΌ.
Π’Π΅ΠΏΠ΅ΡΡ Π²Π½ΠΈΠΌΠ°ΡΠ΅Π»ΡΠ½ΠΎ ΡΠΌΠΎΡΡΠΈΠΌ Π½Π° ΠΊΠΎΠ»ΠΎΠ΄ΠΊΠΈ. Π‘ΡΠ΅ΠΏΠ΅Π½Ρ ΠΈΠ·Π½ΠΎΡΠ° ΠΌΠΎΠΆΠ½ΠΎ ΠΎΡΠ΅Π½ΠΈΡΡ ΠΈ Π²ΠΈΠ·ΡΠ°Π»ΡΠ½ΠΎ, Π½ΠΎ Π³Π»Π°Π²Π½ΠΎΠ΅, Π½Π° ΡΡΠΎ Π½Π°Π΄ΠΎ ΠΎΠ±ΡΠ°ΡΠΈΡΡ Π²Π½ΠΈΠΌΠ°Π½ΠΈΠ΅ β Π½Π° ΡΠ°Π²Π½ΠΎΠΌΠ΅ΡΠ½ΠΎΡΡΡ ΠΈΠ·Π½ΠΎΡΠ°. Π Π°Π·Π½Π°Ρ ΡΠΎΠ»ΡΠΈΠ½Π° Π½Π°ΠΊΠ»Π°Π΄ΠΊΠΈ Π² Π²Π΅ΡΡ Π½Π΅ΠΉ ΠΈ Π½ΠΈΠΆΠ½Π΅ΠΉ ΡΠ°ΡΡΡΡ ΠΊΠΎΠ»ΠΎΠ΄ΠΊΠΈ Π³ΠΎΠ²ΠΎΡΠΈΡ ΠΎ ΡΡΠ΅Π·ΠΌΠ΅ΡΠ½ΠΎΠΌ ΠΈΠ·Π½ΠΎΡΠ΅ ΡΠ°ΠΌΠΎΠ³ΠΎ Π±Π°ΡΠ°Π±Π°Π½Π°, ΠΈ ΠΎΠ±Ρ ΠΎΠ΄ΠΈΡΡΡΡ ΠΏΡΠΎΡΡΠΎ Π·Π°ΠΌΠ΅Π½ΠΎΠΉ ΠΊΠΎΠ»ΠΎΠ΄ΠΎΠΊ ΡΠΆΠ΅ Π½Π΅ ΡΠΎΠ²Π΅ΡΡΡ, Π²ΡΠΊΠΈΠ½ΡΡΡΠ΅ Π½Π° Π²Π΅ΡΠ΅Ρ Π΄Π΅Π½ΡΠ³ΠΈ.<o>></o>>
ΠΠ»Ρ ΡΠ½ΡΡΠΈΡ ΠΊΠΎΠ»ΠΎΠ΄ΠΎΠΊ ΠΌΠΎΠΆΠ½ΠΎ ΠΈΡΠΏΠΎΠ»ΡΠ·ΠΎΠ²Π°ΡΡ ΠΏΡΠΎΡΡΡΠ΅ ΠΏΠ°ΡΡΠ°ΡΠΈΠΆΠΈ, ΠΌΡ Π² ΡΠ²ΠΎΠΈΡ ΡΠ΄Π΅Π»Π°Π»ΠΈ Π΄Π²Π° ΠΏΡΠΎΠΏΠΈΠ»Π° Π΄Π»Ρ Π»ΡΡΡΠ΅Π³ΠΎ Π·Π°Ρ Π²Π°ΡΠ°. Π£Π΄Π΅ΡΠΆΠΈΠ²Π°Ρ ΡΠΎΠ»Π΄Π°ΡΠΈΠΊ Ρ ΠΎΠ±ΡΠ°ΡΠ½ΠΎΠΉ ΡΡΠΎΡΠΎΠ½Ρ ΠΏΠ°Π»ΡΡΠ΅ΠΌ, Π²Π΅ΡΡ Π½ΡΡ ΡΠ°ΡΠ΅Π»ΠΊΡ Π½Π΅ΠΎΠ±Ρ ΠΎΠ΄ΠΈΠΌΠΎ ΡΠ»Π΅Π³ΠΊΠ° ΡΡΠΎΠΏΠΈΡΡ ΠΈ ΠΏΡΠΎΠ²Π΅ΡΠ½ΡΡΡ Π½Π° 90 Π³ΡΠ°Π΄ΡΡΠΎΠ².
<o>></o>>
ΠΠ°ΡΠ΅ΠΌ ΡΠ΅ΠΌΠΈ ΠΆΠ΅ ΠΏΠ°ΡΡΠ°ΡΠΈΠΆΠ°ΠΌΠΈ Π²ΡΠ²Π΅ΡΡΠΈ Π½ΠΈΠΆΠ½ΠΈΠ΅ ΡΠ°ΡΡΠΈ ΠΊΠΎΠ»ΠΎΠ΄ΠΎΠΊ ΠΈΠ· ΠΏΠΎΠ΄ ΡΠΈΠΊΡΠ°ΡΠΎΡΠ°, ΠΈ ΠΏΠΎΡΡΠ½ΡΠ² Π²Π½ΠΈΠ·, ΡΠ½ΡΡΡ Ρ ΡΠ°Π±ΠΎΡΠ΅Π³ΠΎ ΡΠΈΠ»ΠΈΠ½Π΄ΡΠ°. Π ΠΈΠ΄Π΅Π°Π»Π΅ ΠΏΠΎΡΡΠ΅Π½ΡΠΊΠΈ ΡΠ°ΠΌΠΈ Π²ΡΠ²Π°Π»ΠΈΠ²Π°ΡΡΡΡ Π½Π΅ Π΄ΠΎΠ»ΠΆΠ½Ρ, Π½ΠΎ Π»ΡΡΡΠ΅ ΠΏΠΎΠ΄ΡΡΡΠ°Ρ
ΠΎΠ²Π°ΡΡΡΡ, ΠΈ ΡΡΡΠ½ΡΡΡ ΠΈΡ
Ρ
ΠΎΠΌΡΡΠΈΠΊΠΎΠΌ (ΠΌΡ ΠΈΡΠΏΠΎΠ»ΡΠ·ΡΠ΅ΠΌ ΡΡΠ°ΡΠΎΠ΅ ΡΡΠΎΠΏΠΎΡΠ½ΠΎΠ΅ ΠΊΠΎΠ»ΡΡΠΎ ΠΎΡ ΠΏΠ΅ΡΠ΅Π΄Π½Π΅Π³ΠΎ ΡΡΡΠΏΠΈΡΠ½ΠΎΠ³ΠΎ ΠΏΠΎΠ΄ΡΠΈΠΏΠ½ΠΈΠΊΠ°).
ΠΠΎΠ³Π΄Π° ΠΎΡΠ²ΠΎΠ±ΠΎΠ΄ΠΈΡΠ΅ ΡΡΠΎΡΠΈΠΊ ΡΡΡΠ½ΠΈΠΊΠ° ΠΎΡ Π·Π°ΠΆΠΈΠΌΠ° Π² ΠΊΠΎΠ»ΠΎΠ΄ΠΊΠ΅, ΠΎΠ±ΡΠ·Π°ΡΠ΅Π»ΡΠ½ΠΎ ΠΏΡΠΎΠ²Π΅ΡΡΡΠ΅ Π»ΡΠ³ΠΊΠΎΡΡΡ Π΅Π³ΠΎ Ρ
ΠΎΠ΄Π°, ΡΡΠΎΠΏΠΈΠ² ΠΈ ΠΏΠΎΡΡΠ½ΡΠ² Π½Π° ΡΠ΅Π±Ρ ΠΏΠ°ΡΡ ΡΠ°Π·. ΠΡΠ»ΠΈ Ρ
ΠΎΠ΄ ΡΡΠΆΠ΅Π»ΡΠΉ, Π»ΡΡΡΠ΅ ΡΡΠΎΡ Π·Π°ΠΌΠ΅Π½ΠΈΡΡ, ΡΠ°ΠΊ ΠΊΠ°ΠΊ Π²ΠΎΠ·Π²ΡΠ°ΡΠ½Π°Ρ ΠΏΡΡΠΆΠΈΠ½ΠΊΠ° Π½Π° Π½ΡΠΌ ΡΠ»Π°Π±Π°Ρ, ΠΈ ΠΏΡΠΈ ΠΈΠ½ΡΠ΅Π½ΡΠΈΠ²Π½ΠΎΠΌ ΠΏΠΎΠ»ΡΠ·ΠΎΠ²Π°Π½ΠΈΠΈ ΡΡΠΎΡΠ½ΠΎΡΠ½ΡΠΌ ΡΠΎΡΠΌΠΎΠ·ΠΎΠΌ ΠΊΠ»ΠΈΠ½ΡΡΠΈΡ
ΠΊΠΎΠ»ΡΡ ΠΌΡ Π½Π΅ ΠΏΠΎΠ»ΡΡΠΈΠΌ, Π½ΠΎ ΡΠ±ΡΡΡΡΠ΅Π½Π½ΡΠΉ ΠΈΠ·Π½ΠΎΡ ΠΊΠΎΠ»ΠΎΠ΄ΠΎΠΊ Π³Π°ΡΠ°Π½ΡΠΈΡΠΎΠ²Π°Π½.
ΠΡΡ ΠΎΠ΄Π½Π° ΠΌΠ΅Π»ΠΎΡΡ, ΠΎ ΠΊΠΎΡΠΎΡΠΎΠΉ Π»ΡΡΡΠ΅ Π½Π΅ Π·Π°Π±ΡΠ²Π°ΡΡ β ΡΠΏΠΎΡΠ½ΡΠ΅ ΠΏΡΡΠ°ΡΠΊΠΈ ΠΊΠΎΠ»ΠΎΠ΄ΠΎΠΊ. ΠΠ½ΠΎΠ³ΠΈΠ΅ ΠΆΠ°Π»ΡΡΡΡΡ Π½Π° ΠΏΠΎΠ²ΡΡΠ΅Π½Π½ΡΠΉ ΡΡΠΌ ΠΈ ΡΠΊΡΠΈΠΏ ΠΏΡΠΈ ΡΠ°Π±ΠΎΡΠ΅ ΡΠΎΡΠΌΠΎΠ·ΠΎΠ². Π’Π°ΠΊ Π²ΠΎΡ Π·Π°ΡΠ°ΡΡΡΡ Π²ΠΈΠ½ΠΎΠΉ ΡΡΠΈ ΡΠ°ΠΌΡΠ΅ ΠΏΡΡΠ°ΡΠΊΠΈ. ΠΡ Π½Π°Π΄ΠΎ ΠΏΠΎΡΠΈΡΡΠΈΡΡ ΠΈ Π½Π°Π½Π΅ΡΡΠΈ ΡΠΎΠ½ΠΊΠΈΠΉ ΡΠ»ΠΎΠΉ ΡΠΌΠ°Π·ΠΊΠΈ, ΡΠΈΠΏΠ° ΠΠΈΡΠΎΠ».
<o>></o>>
ΠΡΠΈ Π·Π°ΠΌΠ΅Π½Π΅ ΠΊΠΎΠ»ΠΎΠ΄ΠΎΠΊ ΠΏΠΎΡΡΠ°ΡΠ°ΠΉΡΠ΅ΡΡ Π½Π΅ Π·Π°Π±ΡΡΡ, ΠΊΠ°ΠΊΠ°Ρ ΠΏΡΡΠΆΠΈΠ½ΠΊΠ° ΠΊΡΠ΄Π° ΠΊΡΠ΅ΠΏΠΈΡΡΡ. ΠΠ½Π°ΡΠ΅ ΠΌΠΎΠΆΠ½ΠΎ ΠΏΠΎΠ»ΡΡΠΈΡΡ Π½Π΅ΡΠ°Π±ΠΎΡΠ°ΡΡΡΡ ΠΊΠΎΠ½ΡΡΡΡΠΊΡΠΈΡ. ΠΡΡΠ°ΡΠΈ, ΠΈΠΌΠ΅ΠΉΡΠ΅ Π²Π²ΠΈΠ΄Ρ, ΡΡΠΎ ΡΠ΅ΠΊΠΎΠΌΠ΅Π½Π΄ΡΠ΅ΡΡΡ Π·Π°ΠΌΠ΅Π½Π° Π²ΡΠ΅Π³ΠΎ ΠΊΠΎΠΌΠΏΠ»Π΅ΠΊΡΠ° ΠΏΡΡΠΆΠΈΠ½ΠΎΠΊ ΡΠ°Π· Π² Π΄Π²Π° Π³ΠΎΠ΄Π°! ΠΠ±ΡΠ°ΡΠ½Π°Ρ ΡΠ±ΠΎΡΠΊΠ° Π½Π°ΡΠΈΠ½Π°Π΅ΡΡΡ Ρ ΡΠΈΠΊΡΠ°ΡΠΈΠΈ ΡΡΠΎΡΠΈΠΊΠ° ΡΡΡΠ½ΠΈΠΊΠ°. ΠΡ Π΄Π΅Π»Π°Π΅ΠΌ ΡΡΠΎ ΡΠ°ΠΊ: ΠΏΠ°ΡΡΠ°ΡΠΈΠΆΠ°ΠΌΠΈ Ρ Π²Π°ΡΠ°Π΅ΠΌΡΡ Π·Π° ΠΊΠΎΠ½ΡΠΈΠΊ ΡΡΠΎΡΠ°, Π° ΠΊΡΡΠ°ΡΠΊΠ°ΠΌΠΈ ΠΎΡΠΎΠ΄Π²ΠΈΠ³Π°Π΅ΠΌ ΠΏΡΡΠΆΠΈΠ½ΠΊΡ Π½Π° ΠΏΠ°ΡΡ ΡΠ°Π½ΡΠΈΠΌΠ΅ΡΡΠΎΠ², ΠΈ ΡΠΈΠΊΡΠΈΡΡΠ΅ΠΌ, Π°ΠΊΠΊΡΡΠ°ΡΠ½ΠΎ ΠΏΡΠΈΠΊΡΡΠΈΠ² (Π³Π»Π°Π²Π½ΠΎΠ΅ β Π½Π΅ ΠΏΠ΅ΡΠ΅ΡΡΠ°ΡΠ°ΡΡΡΡJ)
ΠΠ°ΡΠ΅ΠΌ Π·Π°Π²ΠΎΠ΄ΠΈΠΌ ΡΡΠΎΡΠΈΠΊ Π² ΠΏΡΠΎΡΠ΅Π·Ρ ΠΈ ΠΎΡΠΏΡΡΠΊΠ°Π΅ΠΌ ΠΏΡΡΠΆΠΈΠ½ΠΊΡ.
ΠΠΎΡΠ»Π΅ ΡΠ½ΠΈΠΌΠ°Π΅ΠΌ ΡΠΈΠΊΡΠ°ΡΠΎΡ Ρ ΠΏΠΎΡΡΠ΅Π½ΡΠΊΠΎΠ² ΡΠΎΡΠΌΠΎΠ·Π½ΠΎΠ³ΠΎ ΡΠΈΠ»ΠΈΠ½Π΄ΡΠ°, Π°ΠΊΠΊΡΡΠ°ΡΠ½ΠΎ (!) Π·Π°Π²ΠΎΠ΄ΠΈΠΌ Π½Π° Π½Π΅Π³ΠΎ Π²Π΅ΡΡ Π½ΡΡ ΡΠ°ΡΡΡ ΠΊΠΎΠ»ΠΎΠ΄ΠΎΠΊ, Π·Π°Π²ΠΎΠ΄ΠΈΠΌ Π½ΠΈΠΆΠ½ΠΈΠ΅ ΡΠ°ΡΡΠΈ Π·Π° ΡΠΈΠΊΡΠ°ΡΠΎΡ, Π²ΡΡΠ°Π²Π»ΡΠ΅ΠΌ Β«ΡΠΎΠ»Π΄Π°ΡΠΈΠΊΠΈΒ».
ΠΠΎΠΏΡΡΡΠΈΠΌ, Π΅ΡΡΡ Π½Π΅ΠΎΠ±Ρ ΠΎΠ΄ΠΈΠΌΠΎΡΡΡ Π² Π·Π°ΠΌΠ΅Π½Π΅ ΡΡΡΠΏΠΈΡΠ½ΡΡ ΠΏΠΎΠ΄ΡΠΈΠΏΠ½ΠΈΠΊΠΎΠ². ΠΠ΅Π»Π°Π΅ΠΌ ΡΡΠΎ ΡΠ°ΠΊ: ΠΏΠΎΠ΄Π΄Π΅Π²Π°Π΅ΠΌ ΡΠ°Π»ΡΠ½ΠΈΠΊ, ΠΏΡΠΈΠΊΡΡΠ²Π°ΡΡΠΈΠΉ Π²Π½ΡΡΡΠ΅Π½Π½ΠΈΠΉ ΠΏΠΎΠ΄ΡΠΈΠΏΠ½ΠΈΠΊ, Π²ΡΡΠ°ΡΠΊΠΈΠ²Π°Π΅ΠΌ Π΅Π³ΠΎ ΠΎΡΡΡΠ΄Π° (Π½Π°ΡΡΠΆΠ½ΡΠΉ ΡΠ°ΠΌ Π²ΡΠ²Π°Π»ΠΈΠ²Π°Π΅ΡΡΡ). ΠΠ»Π°Π΄ΡΠΌ Π±Π°ΡΠ°Π±Π°Π½, Π½Π°ΠΏΡΠΈΠΌΠ΅Ρ, Π½Π° ΡΠΈΡΠΊΠΈ Ρ ΡΠ°Π·Π²Π΅Π΄ΡΠ½Π½ΡΠΌΠΈ Π³ΡΠ±ΠΊΠ°ΠΌΠΈ. ΠΠ°ΠΊΡΠΈΠΌΠ°Π»ΡΠ½ΠΎ ΡΠ΄Π°Π»ΡΠ΅ΠΌ ΡΡΠ°ΡΡΡ ΡΠΌΠ°Π·ΠΊΡ, ΡΡΠΎ Π±Ρ Π±ΡΠ»ΠΈ Ρ ΠΎΡΠΎΡΠΎ Π²ΠΈΠ΄Π½Ρ Π·Π°ΠΏΡΠ΅ΡΡΠΎΠ²Π°Π½Π½ΡΠ΅ Π²Π½ΡΡΡΠ΅Π½Π½ΠΈΠ΅ ΠΎΠ±ΠΎΠΉΠΌΡ. Π ΡΠ΅Π»Π΅ Π±Π°ΡΠ°Π±Π°Π½Π° ΡΠ΄Π΅Π»Π°Π½Ρ ΡΡΠΈ ΠΏΡΠΎΡΠ΅Π·ΠΈ Π΄Π»Ρ ΡΠ΄ΠΎΠ±ΡΡΠ²Π° Π²ΡΠ½ΠΈΠΌΠ°Π½ΠΈΡ ΡΡΠ°ΡΡΡ ΠΎΠ±ΠΎΠΉΠΌ. ΠΡΠ±ΠΈΠ²Π°Π΅ΠΌ ΠΈΡ ΡΡΠΏΡΠΌ Π·ΡΠ±ΠΈΠ»ΠΎΠΌ, ΠΈΠ»ΠΈ ΡΡ ΠΎΠΆΠΈΠΌ ΠΈΠ½ΡΡΡΡΠΌΠ΅Π½ΡΠΎΠΌ, ΡΠ°Π²Π½ΠΎΠΌΠ΅ΡΠ½ΠΎ, ΠΏΠΎ ΠΎΡΠ΅ΡΠ΅Π΄ΠΈ.
ΠΠ°ΡΠ΅ΠΌ ΡΡΠ°ΡΠ΅Π»ΡΠ½ΠΎ Π²ΡΠΌΡΠ²Π°Π΅ΠΌ Π²Π½ΡΡΡΠ΅Π½Π½ΠΎΡΡΠΈ Π±Π°ΡΠ°Π±Π°Π½Π° ΠΎΡ ΠΎΡΡΠ°ΡΠΊΠΎΠ² ΡΠΌΠ°Π·ΠΊΠΈ.
ΠΡΠ½ΠΈΠΌΠ°Π΅ΠΌ ΠΈΠ· ΡΠΏΠ°ΠΊΠΎΠ²ΠΊΠΈ Π½ΠΎΠ²ΡΠ΅ ΠΏΠΎΠ΄ΡΠΈΠΏΠ½ΠΈΠΊΠΈ, Π°ΠΊΠΊΡΡΠ°ΡΠ½ΠΎ ΡΠ°ΡΠΊΠ»Π°Π΄ΡΠ²Π°Π΅ΠΌ Π½Π° ΡΡΠ΅ΡΠΈΠ»ΡΠ½ΠΎΠΉ ΠΏΠΎΠ²Π΅ΡΡ
Π½ΠΎΡΡΠΈ (ΠΈ Π²ΠΎΠΎΠ±ΡΠ΅, Π² Π΄Π°Π½Π½ΠΎΠΌ ΡΠ°Π·Π΄Π΅Π»Π΅ ΠΎΡΠ΅Π½Ρ Π²Π°ΠΆΠ½ΠΎ ΡΠ»Π΅Π΄ΠΈΡΡ Π·Π° ΡΠΈΡΡΠΎΡΠΎΠΉ). ΠΠ΅ΡΡΠΌ Π½ΠΎΠ²ΡΠ΅ ΠΎΠ±ΠΎΠΉΠΌΡ. ΠΠ»Ρ ΠΈΡ
Π·Π°ΠΏΡΠ΅ΡΡΠΎΠ²ΠΊΠΈ Π² ΠΈΠ΄Π΅Π°Π»Π΅ ΠΈΠΌΠ΅ΡΡ ΠΏΡΠ΅ΡΡ ΠΈ ΡΠΏΠ΅ΡΠΈΠ°Π»ΡΠ½ΡΠ΅ ΠΎΠΏΡΠ°Π²ΠΊΠΈ.
<o>></o>>
Π§ΡΠΎ Π΄Π΅Π»Π°ΡΡ, Π΅ΡΠ»ΠΈ ΠΈΡ Π½Π΅Ρ? ΠΠ° ΠΊΡΠ°ΠΉΠ½ΠΈΠΉ ΡΠ»ΡΡΠ°ΠΉ ΡΠ³ΠΎΠ΄ΡΡΡΡ ΡΡΠ°ΡΡΠ΅ ΠΎΠ±ΠΎΠΉΠΌΡ, ΠΈ ΠΌΠΎΠ»ΠΎΡΠΎΠΊ. ΠΡΠ°ΠΊ, ΠΊΠ»Π°Π΄ΡΡΠ΅ Π½ΠΎΠ²ΡΡ ΠΎΠ±ΠΎΠΉΠΌΡ Π² ΡΠ²ΠΎΡ ΠΏΠΎΡΠ°Π΄ΠΎΡΠ½ΠΎΠ΅ ΠΌΠ΅ΡΡΠΎ, ΡΠ²Π΅ΡΡ Ρ ΠΎΠΏΡΠ°Π²ΠΊΡ (ΠΈΠ»ΠΈ ΡΡΠ°ΡΡΡ ΠΎΠ±ΠΎΠΉΠΌΡ, ΠΏΡΠ΅Π΄Π²Π°ΡΠΈΡΠ΅Π»ΡΠ½ΠΎ Ρ ΠΊΠΎΡΠΎΡΠΎΠΉ Π½Π΅ΠΎΠ±Ρ ΠΎΠ΄ΠΈΠΌΠΎ ΡΠ½ΡΡΡ Π½Π°ΠΆΠ΄Π°ΠΊΠΎΠΌ Π½Π΅ΠΌΠ½ΠΎΠ³ΠΎ ΠΌΡΡΠ° ΠΏΠΎ ΠΊΡΡΠ³Ρ), ΠΈ Π°ΠΊΠΊΡΡΠ°ΡΠ½ΠΎ Π·Π°ΠΏΡΠ΅ΡΡΠΎΠ²ΡΠ²Π°Π΅ΡΠ΅ (Π·Π°Π±ΠΈΠ²Π°Π΅ΡΠ΅), ΠΈΠ·Π±Π΅Π³Π°Ρ ΠΏΠ΅ΡΠ΅ΠΊΠΎΡΠΎΠ². ΠΠ±ΡΡΠ½ΠΎ ΠΎΠ±ΠΎΠΉΠΌΡ Π·Π°Ρ ΠΎΠ΄ΡΡ Π»Π΅Π³ΠΊΠΎ ΠΈ ΡΡΡΠΊΠΎ ΡΠΈΠΊΡΠΈΡΡΡΡΡΡ. ΠΡΡ ΡΠ°Π· ΠΏΡΠΎΡΠΈΡΠ°Π΅ΡΠ΅ ΡΠΈΡΡΠΎΠΉ ΡΡΡΠΏΠΊΠΎΠΉ ΠΈΠΌΠ΅ΡΡΡΡΡΡ ΠΊΠΎΠ½ΡΡΡΡΠΊΡΠΈΡ. ΠΠ»Π°Π΄ΡΡΠ΅ Π±Π°ΡΠ°Π±Π°Π½ Π½Π° ΡΡΠΎΠ», ΡΠ°Π·Π²ΠΎΡΠ°ΡΠΈΠ²Π°Ρ ΠΊ ΡΠ΅Π±Π΅ Π²Π½ΡΡΡΠ΅Π½Π½Π΅ΠΉ ΡΠ°ΡΡΡΡ. ΠΠ΅ΡΡΡΠ΅ ΡΠΌΠ°Π·ΠΊΡ, ΡΠΎΠ½ΠΊΠΈΠΌ ΡΠ»ΠΎΠ΅ΠΌ Π½Π°Π½ΠΎΡΠΈΡΠ΅ Π΅Ρ Π½Π° Π²Π½ΡΡΡΠ΅Π½Π½ΡΡ ΠΎΠ±ΠΎΠΉΠΌΡ.
ΠΠ΅ΡΡΡΠ΅ ΡΠ°ΠΌ ΠΏΠΎΠ΄ΡΠΈΠΏΠ½ΠΈΠΊ, Π³ΡΡΡΠΎ ΡΠΌΠ°Π·ΡΠ²Π°Π΅ΡΠ΅ Π΅Π³ΠΎ, Π΄Π΅ΡΠΆΠ° Π΄Π²ΡΠΌΡ ΠΏΠ°Π»ΡΡΠ°ΠΌΠΈ Π½Π° Π²Π½ΡΡΡΠ΅Π½Π½ΡΡ ΡΠ°ΡΡΡ, ΠΈ ΠΏΡΠΎΠΊΡΡΡΠΈΠ²Π°Ρ Π½Π°ΡΡΠΆΠ½ΡΡ.
ΠΠ»Π°Π΄ΡΡΠ΅ Π² Π±Π°ΡΠ°Π±Π°Π½. Π’ΠΎ, ΡΡΠΎ Π²ΡΠ΄Π°Π²ΠΈΡΡΡ Π½Π°ΡΡΠΆΡ, ΠΏΠ°Π»ΡΡΠ΅ΠΌ ΡΠ°Π·ΠΌΠ°Π·ΡΠ²Π°Π΅ΡΠ΅ ΠΏΠΎ ΡΠΎΡΡΠ΅Π²ΠΎΠΉ ΡΠ°ΡΡΠΈ ΠΏΠΎΠ΄ΡΠΈΠΏΠ½ΠΈΠΊΠ°
Π° ΠΎΡΡΠ°ΡΠΊΠΈ ΡΡΠ°ΡΠ΅Π»ΡΠ½ΠΎ ΡΠ½ΠΈΠΌΠ°Π΅ΡΠ΅ Ρ ΡΠ°ΠΌΠΎΠΉ ΡΡΡΠΏΠΈΡΡ, ΡΡΠΎ Π±Ρ ΡΠ°Π»ΡΠ½ΠΈΠΊ ΠΏΠ»ΠΎΡΠ½ΠΎ Π΄Π΅ΡΠΆΠ°Π»ΡΡ.
ΠΡΠ΅ΡΡΡΠ΅ΡΠ΅ ΡΠ°Π»ΡΠ½ΠΈΠΊ. ΠΠ±ΡΡΠ½ΠΎ ΡΡΠΎ Π»Π΅Π³ΠΊΠΎ ΡΠ΄Π΅Π»Π°ΡΡ ΡΡΠΈΠ»ΠΈΠ΅ΠΌ ΠΏΠ°Π»ΡΡΠ΅Π².
ΠΠ΅ΡΠ΅Π²ΠΎΡΠ°ΡΠΈΠ²Π°Π΅ΡΠ΅ Π±Π°ΡΠ°Π±Π°Π½. Π’Π΅ΠΌ ΠΆΠ΅ ΡΠ½ΠΈΠ²Π΅ΡΡΠ°Π»ΡΠ½ΡΠΌ ΠΈΠ½ΡΡΡΡΠΌΠ΅Π½ΡΠΎΠΌ (ΠΏΠ°Π»ΡΡΠ΅ΠΌ) Π²ΠΊΠ»Π°Π΄ΡΠ²Π°Π΅ΡΠ΅ Π²ΠΎ Π²Π½ΡΡΡΠ΅Π½Π½ΠΎΡΡΡ ΡΡΡΠΏΠΈΡΡ, ΠΌΠ΅ΠΆΠ΄Ρ Π΄Π²ΡΠΌΡ ΠΎΠ±ΠΎΠΉΠΌΠ°ΠΌΠΈ, ΡΠΌΠ°Π·ΠΊΡ. ΠΠ΅ ΠΆΠ°Π»Π΅ΠΉΡΠ΅, Π½ΠΎ ΠΈ ΠΌΠ½ΠΎΠ³ΠΎ Π½Π°ΠΏΠΈΡ ΠΈΠ²Π°ΡΡ ΡΠΌΡΡΠ»Π° Π½Π΅Ρ.
ΠΠ°ΡΠ΅ΠΌ ΡΠΆΠ΅ Π·Π½Π°ΠΊΠΎΠΌΡΠΌ ΠΌΠ΅ΡΠΎΠ΄ΠΎΠΌ ΡΠΌΠ°Π·ΡΠ²Π°Π΅ΡΠ΅ ΠΎΠ±ΠΎΠΉΠΌΡ ΠΈ ΡΠ°ΠΌ Π½Π°ΡΡΠΆΠ½ΡΠΉ ΠΏΠΎΠ΄ΡΠΈΠΏΠ½ΠΈΠΊ, ΡΠΊΠ»Π°Π΄ΡΠ²Π°Π΅ΡΠ΅ Π΅Π³ΠΎ.
ΠΠ΅ΡΠ΅Π΄ ΡΡΡΠ°Π½ΠΎΠ²ΠΊΠΎΠΉ Π±Π°ΡΠ°Π±Π°Π½Π° ΠΊΠ»ΠΈΠ½ΡΡΠ΅ΠΊ ΠΌΠ΅Ρ Π°Π½ΠΈΠ·ΠΌΠ° ΡΠ°ΠΌΠΎ ΡΠ°Π·Π²Π΅Π΄Π΅Π½ΠΈΡ Π½Π΅ΠΎΠ±Ρ ΠΎΠ΄ΠΈΠΌΠΎ ΠΏΠΎΠ»Π½ΠΎΡΡΡΡ ΠΏΠΎΠ΄Π½ΡΡΡ Π²Π²Π΅ΡΡ . Π Π΅ΡΡ ΡΠ°Π· ΡΠ±Π΅Π΄ΠΈΡΠ΅ΡΡ Π² ΡΠΈΡΡΠΎΡΠ΅ ΠΏΠΎΠ²Π΅ΡΡ Π½ΠΎΡΡΠΈ ΠΎΡΠΈ ΡΡΡΠΏΠΈΡΡ.
ΠΠ°Π΄Π΅Π»ΠΈ Π±Π°ΡΠ°Π±Π°Π½, ΠΎΡΡΠ΅Π³ΡΠ»ΠΈΡΠΎΠ²Π°Π»ΠΈ ΠΏΠΎΠ΄ΡΠΈΠΏΠ½ΠΈΠΊ (ΡΡΠΎ ΠΎΡΠ΄Π΅Π»ΡΠ½Π°Ρ ΡΠ΅ΠΌΠ°). ΠΠ°ΡΠΏΠ»ΠΈΠ½ΡΠΎΠ²Π°Π»ΠΈ, Π½Π°Π΄Π΅Π»ΠΈ Π·Π°ΡΠΈΡΠ½ΡΠΉ ΠΊΠΎΠ»ΠΏΠ°ΡΠΎΠΊ. ΠΡΡΠ°ΡΠΈ, Π΄Π΅Π»Π°ΡΡ ΡΡΠΎ Π½Π°Π΄ΠΎ ΠΏΠΎΡΡΡΠΊΠΈΠ²Π°Ρ Π½Π΅ ΠΏΠΎ ΡΠ΅Π½ΡΡΡ, Π° ΠΏΠΎ ΠΎΠ±ΠΎΠ΄Ρ, ΠΆΠ΅Π»Π°ΡΠ΅Π»ΡΠ½ΠΎ ΡΠ΅ΡΠ΅Π· ΡΠΏΠ΅ΡΠΈΠ°Π»ΡΠ½ΡΡ ΠΎΠΏΡΠ°Π²ΠΊΡ (Π² ΠΏΡΠΎΡΠΈΠ²Π½ΠΎΠΌ ΡΠ»ΡΡΠ°Π΅ Π΅ΡΡΡ ΡΠΈΡΠΊ, ΡΡΠΎ ΠΎΠ½ ΠΎΡΠ²Π°Π»ΠΈΡΡΡ).
ΠΡΠΈ Π½Π°Π»ΠΈΡΠΈΠΈ ΡΠ΅Π³ΡΠ»ΡΡΠΎΡΠ° ΡΠΎΡΠΌΠΎΠ·Π½ΡΡ ΡΡΠΈΠ»ΠΈΠΉ Π½Π° Π·Π°Π΄Π½ΠΈΠΉ ΠΊΠΎΠ½ΡΡΡ Π»ΠΎΠΆΠΈΡΡΡ Π»ΠΈΡΡ ΡΠΎΠ»ΡΠΊΠΎ ΡΠ°ΡΡΡ Π½Π°Π³ΡΡΠ·ΠΊΠΈ, ΡΠ°ΠΊ ΡΡΠΎ ΠΎΡΠΎΠ±ΡΡ ΠΏΡΠ΅Π΄ΠΎΡΡΠΎΡΠΎΠΆΠ½ΠΎΡΡΠ΅ΠΉ Π΄Π»Ρ ΠΏΡΠΈΠΊΠ°ΡΠΊΠΈ ΠΊΠΎΠ»ΠΎΠ΄ΠΎΠΊ Π½Π΅ ΡΡΠ΅Π±ΡΠ΅ΡΡΡ.
Β
www.audi-club.ru
ΠΠ°ΡΠ΄ΠΈΠ½Π°Π»ΡΠ½ΠΎ Π±Π°ΡΠ°Π±Π°Π½Π½ΡΠ΅ ΡΠΎΡΠΌΠΎΠ·Π½ΡΠ΅ ΠΌΠ΅Ρ Π°Π½ΠΈΠ·ΠΌΡ Π½Π΅ ΠΈΠ·ΠΌΠ΅Π½ΠΈΠ»ΠΈΡΡ Ρ ΠΌΠΎΠΌΠ΅Π½ΡΠ° ΠΈΡ ΠΌΠ°ΡΡΠΎΠ²ΠΎΠ³ΠΎ ΠΏΠΎΡΠ²Π»Π΅Π½ΠΈΡ Π² 1902 Π³ΠΎΠ΄Ρ Π±Π»Π°Π³ΠΎΠ΄Π°ΡΡ ΠΡΠΈ Π Π΅Π½ΠΎ. ΠΡΠ°Π²Π΄Π°, ΠΏΡΠΈΠ²ΠΎΠ΄ Ρ ΡΠ΅Ρ ΡΠΎΡΠΌΠΎΠ·ΠΎΠ² Π±ΡΠ» ΡΡΠΎΡΠΎΠ²ΡΠΉ, Π° ΠΏΠΎΡΠΎΠΌΡ ΠΎΠ½ΠΈ Π±ΡΠ»ΠΈ ΠΈΡΠΊΠ»ΡΡΠΈΡΠ΅Π»ΡΠ½ΠΎ ΠΌΠ΅Ρ Π°Π½ΠΈΡΠ΅ΡΠΊΠΈΠΌΠΈ. ΠΠ»ΡΡ Ρ Π½ΠΈΡ Π½Π΅ Π±ΡΠ»ΠΎ Π°Π²ΡΠΎΠΌΠ°ΡΠΈΡΠ΅ΡΠΊΠΎΠΉ ΡΠ΅Π³ΡΠ»ΠΈΡΠΎΠ²ΠΊΠΈ, ΡΠ°ΠΊ ΡΡΠΎ ΡΠΎΡΠ΅Ρ Π΄ΠΎΠ»ΠΆΠ΅Π½ Π±ΡΠ» ΡΠ΅Π³ΡΠ»ΡΡΠ½ΠΎ ΠΏΡΠΎΠ²Π΅ΡΡΡΡ Π·Π°Π·ΠΎΡ ΠΌΠ΅ΠΆΠ΄Ρ ΠΊΠΎΠ»ΠΎΠ΄ΠΊΠ°ΠΌΠΈ ΠΈ Π±Π°ΡΠ°Π±Π°Π½ΠΎΠΌ. ΠΠΎ ΠΏΡΠΈΠ½ΡΠΈΠΏΠΈΠ°Π»ΡΠ½Π°Ρ ΠΊΠΎΠ½ΡΡΡΡΠΊΡΠΈΡ, ΠΏΠΎΠ²ΡΠΎΡΡΡΡ, ΠΈΠ·ΠΌΠ΅Π½ΠΈΠ»Π°ΡΡ ΠΌΠΈΠ½ΠΈΠΌΠ°Π»ΡΠ½ΠΎ.
ΠΠΏΠΈΡΠ΅ΠΌ Π·Π΄Π΅ΡΡ ΡΠ°ΠΌΡΡ ΡΠ°ΡΠΏΡΠΎΡΡΡΠ°Π½Π΅Π½Π½ΡΡ, ΠΊΠ»Π°ΡΡΠΈΡΠ΅ΡΠΊΡΡ ΠΊΠΎΠ½ΡΡΡΡΠΊΡΠΈΡ Π±Π°ΡΠ°Π±Π°Π½Π½ΠΎΠ³ΠΎ ΡΠΎΡΠΌΠΎΠ·Π½ΠΎΠ³ΠΎ ΠΌΠ΅Ρ Π°Π½ΠΈΠ·ΠΌΠ°. ΠΡΡΡ ΡΠΎΡΠΌΠΎΠ·Π½ΠΎΠΉ ΡΠΈΡΠΎΠΊ, ΠΊΠΎΡΠΎΡΡΠΉ ΠΆΠ΅ΡΡΠΊΠΎ Π·Π°ΠΊΡΠ΅ΠΏΠ»Π΅Π½ Π½Π° ΠΊΠΎΠΆΡΡ Π΅ Π·Π°Π΄Π½Π΅Π³ΠΎ ΠΌΠΎΡΡΠ° ΠΈΠ»ΠΈ ΡΠ°ΠΏΡΠ΅ ΠΊΠΎΠ»Π΅ΡΠ°, ΠΈ ΠΎΠ½ Π½Π΅ Π²ΡΠ°ΡΠ°Π΅ΡΡΡ. Π’Π°ΠΊΠΆΠ΅ Π΅ΡΡΡ Π±Π°ΡΠ°Π±Π°Π½, ΠΊΠΎΡΠΎΡΡΠΉ Π·Π°ΠΊΡΠ΅ΠΏΠ»Π΅Π½ Π½Π° ΡΡΡΠΏΠΈΡΠ΅ ΠΊΠΎΠ»Π΅ΡΠ° ΠΈ Π²ΡΠ°ΡΠ°Π΅ΡΡΡ Π²ΠΌΠ΅ΡΡΠ΅ Ρ Π½Π΅ΠΉ ΠΈ ΠΊΠΎΠ»Π΅ΡΠΎΠΌ.

Π’ΠΎΡΠΌΠΎΠ·Π½ΡΠ΅ ΠΊΠΎΠ»ΠΎΠ΄ΠΊΠΈ ΡΡΡΠ°Π½ΠΎΠ²Π»Π΅Π½Ρ Π½Π° ΡΠΎΡΠΌΠΎΠ·Π½ΠΎΠΌ ΡΠΈΡΠΊΠ΅. Π‘ ΠΎΠ΄Π½ΠΎΠΉ ΡΡΠΎΡΠΎΠ½Ρ ΠΊΠΎΠ»ΠΎΠ΄ΠΊΠΈ ΠΎΠΏΠΈΡΠ°ΡΡΡΡ Π½Π° ΠΎΡΠΈ, Ρ Π΄ΡΡΠ³ΠΎΠΉ β Π½Π° ΠΏΠΎΡΡΠ½ΠΈ ΡΠ°Π±ΠΎΡΠ΅Π³ΠΎ ΡΠΎΡΠΌΠΎΠ·Π½ΠΎΠ³ΠΎ ΡΠΈΠ»ΠΈΠ½Π΄ΡΠ° (ΡΡΠΎ Ρ ΠΎΡΠΎΡΠΎ Π²ΠΈΠ΄Π½ΠΎ Π½Π° ΡΠΎΡΠΎΠ³ΡΠ°ΡΠΈΡΡ ). ΠΠΎΠ³Π΄Π° Π½Π°ΠΆΠΈΠΌΠ°ΡΡ Π½Π° ΠΏΠ΅Π΄Π°Π»Ρ ΡΠΎΡΠΌΠΎΠ·Π°, ΡΠΎΡΠΌΠΎΠ·Π½Π°Ρ ΠΆΠΈΠ΄ΠΊΠΎΡΡΡ ΡΠ°Π·Π΄Π²ΠΈΠ³Π°Π΅Ρ ΠΏΠΎΡΡΠ½ΠΈ Π² ΡΠ°Π±ΠΎΡΠ΅ΠΌ ΡΠΈΠ»ΠΈΠ½Π΄ΡΠ΅, Π° ΡΠ΅ Π² ΡΠ²ΠΎΡ ΠΎΡΠ΅ΡΠ΅Π΄Ρ ΡΠ°Π·Π΄Π²ΠΈΠ³Π°ΡΡ ΡΠΎΡΠΌΠΎΠ·Π½ΡΠ΅ ΠΊΠΎΠ»ΠΎΠ΄ΠΊΠΈ. ΠΠΎΠ»ΠΎΠ΄ΠΊΠΈ ΠΏΡΠΈΠΆΠΈΠΌΠ°ΡΡΡΡ ΠΊ ΠΏΠΎΠ²Π΅ΡΡ Π½ΠΎΡΡΠΈ Π±Π°ΡΠ°Π±Π°Π½Π° ΠΈ Π°Π²ΡΠΎΠΌΠΎΠ±ΠΈΠ»Ρ Π·Π°ΠΌΠ΅Π΄Π»ΡΠ΅ΡΡΡ. ΠΠ° ΠΊΠΎΠ»ΠΎΠ΄ΠΊΠΈ ΠΏΡΠΈΠΊΠ»Π΅Π΅Π½Ρ ΠΈΠ»ΠΈ ΠΏΡΠΈΠΊΠ»Π΅ΠΏΠ°Π½Ρ ΡΡΠΈΠΊΡΠΈΠΎΠ½Π½ΡΠ΅ Π½Π°ΠΊΠ»Π°Π΄ΠΊΠΈ. Π§ΡΠΎΠ±Ρ ΠΊΠΎΠ»ΠΎΠ΄ΠΊΠΈ Π½Π΅ Π²ΡΠΏΠ°Π»ΠΈ, ΡΡΡΠ°Π½ΠΎΠ²Π»Π΅Π½Ρ ΠΏΡΠΈΠΆΠΈΠΌΠ½ΡΠ΅ ΠΏΡΡΠΆΠΈΠ½Ρ.
ΠΡΠΈΡΡΠ½ΡΠΌ ΠΌΠΎΠΌΠ΅Π½ΡΠΎΠΌ Π΄Π°Π½Π½ΠΎΠΉ ΠΊΠΎΠ½ΡΡΡΡΠΊΡΠΈΠΈ ΡΠ²Π»ΡΠ΅ΡΡΡΒ ΡΠΎ, ΡΡΠΎ ΠΎΠ΄Π½Π° ΠΈΠ· ΠΊΠΎΠ»ΠΎΠ΄ΠΎΠΊ ΠΈΠΌΠ΅Π΅Ρ ΡΠ²ΠΎΠΉΡΡΠ²ΠΎ ΠΏΠΎΠ΄ΠΊΠ»ΠΈΠ½ΠΈΠ²Π°Π½ΠΈΡ (Π΅Π΅ Π½Π°Π·ΡΠ²Π°ΡΡ Π°ΠΊΡΠΈΠ²Π½ΠΎΠΉ). ΠΡΠ»ΠΈ ΠΏΡΠΈΠ²Π΅ΡΡΠΈ ΠΏΡΠΈΠΌΠ΅Ρ, ΡΠΎ ΠΏΡΠ΅Π΄ΡΡΠ°Π²ΡΡΠ΅ ΡΠ΅Π±Π΅ ΠΊΠΎΠ»Π΅ΡΠΎ Π°Π²ΡΠΎΠΌΠΎΠ±ΠΈΠ»Ρ, Ρ ΠΎΡΠΎΡΠ΅Π½ΡΠΊΠΎ ΡΠ°ΡΠΊΡΡΡΠΈΡΠ΅ Π΅Π³ΠΎ ΠΈ ΠΏΠΎΠΏΡΠΎΠ±ΡΠΉΡΠ΅ Π²ΡΡΠ°Π²ΠΈΡΡ ΡΡΠΊΠΎΠΉ ΠΊΠ°ΠΊΠΎΠΉ-Π½ΠΈΠ±ΡΠ΄Ρ ΠΏΡΠ΅Π΄ΠΌΠ΅Ρ ΠΌΠ΅ΠΆΠ΄Ρ ΠΊΠΎΠ»Π΅ΡΠΎΠΌ ΠΈ Π°ΡΠΊΠΎΠΉ: Ρ ΠΎΠ΄Π½ΠΎΠΉ ΡΡΠΎΡΠΎΠ½Ρ ΠΏΡΠ΅Π΄ΠΌΠ΅Ρ Π±ΡΠ΄Π΅Ρ Π²ΡΡΠ°Π»ΠΊΠΈΠ²Π°ΡΡΡΡ, Π° Ρ Π΄ΡΡΠ³ΠΎΠΉ β Π΅ΡΠ΅ Π±ΠΎΠ»ΡΡΠ΅ Π·Π°ΡΡΠ³ΠΈΠ²Π°ΡΡΡΡ Π² ΠΏΡΠΎΡΡΡΠ°Π½ΡΡΠ²ΠΎ ΠΌΠ΅ΠΆΠ΄Ρ ΠΊΠΎΠ»Π΅ΡΠΎΠΌ ΠΈ Π°ΡΠΊΠΎΠΉ, ΡΠ΅ΠΌ ΡΠ°ΠΌΡΠΌ ΠΏΠΎΠ΄ΠΊΠ»ΠΈΠ½ΠΈΠ²Π°Ρ ΠΊΠΎΠ»Π΅ΡΠΎ. Π’Π° ΠΆΠ΅ ΡΠΈΡΡΠ°ΡΠΈΡ ΠΈ Ρ ΠΊΠΎΠ»ΠΎΠ΄ΠΊΠ°ΠΌΠΈ.
ΠΡΠΎΡΡΡ ΠΊΠΎΠ»ΠΎΠ΄ΠΊΡ (ΠΏΠ°ΡΡΠΈΠ²Π½ΡΡ) Π±Π°ΡΠ°Π±Π°Π½ ΠΎΡΡΠ°Π»ΠΊΠΈΠ²Π°Π΅Ρ, ΠΈ Π΅Π΅ ΡΡΡΠ΅ΠΊΡΠΈΠ²Π½ΠΎΡΡΡ Π½ΠΈΠΆΠ΅ ΠΏΠ΅ΡΠ²ΠΎΠΉ β ΡΡΠΎ, Π½Π°ΠΏΡΠΎΡΠΈΠ², Π½Π΅ΠΏΡΠΈΡΡΠ½ΡΠΉ ΠΌΠΎΠΌΠ΅Π½Ρ. Π§ΡΠΎΠ±Ρ ΡΠΊΠΎΠΌΠΏΠ΅Π½ΡΠΈΡΠΎΠ²Π°ΡΡ ΡΠ°Π·Π½ΠΈΡΡ, ΡΡΠΈΠΊΡΠΈΠΎΠ½Π½Π°Ρ Π½Π°ΠΊΠ»Π°Π΄ΠΊΠ° ΠΏΠ°ΡΡΠΈΠ²Π½ΠΎΠΉ ΠΊΠΎΠ»ΠΎΠ΄ΠΊΠΈ Π±ΠΎΠ»ΡΡΠ΅ ΠΏΠΎ ΡΠ°Π·ΠΌΠ΅ΡΠ°ΠΌ Π°ΠΊΡΠΈΠ²Π½ΠΎΠΉ ΠΊΠΎΠ»ΠΎΠ΄ΠΊΠΈ.
ΠΠ±ΠΎΡΠΎΡΠ½Π°Ρ ΡΡΠΎΡΠΎΠ½Π° ΠΏΠΎΠ΄ΠΊΠ»ΠΈΠ½ΠΈΠ²Π°Π½ΠΈΡ ΠΊΠΎΠ»ΠΎΠ΄ΠΊΠΈ Π² ΡΠΎΠΌ, ΡΡΠΎ ΡΠΎΡΠΌΠΎΠ·Π½ΠΎΠ΅ ΡΡΠΈΠ»ΠΈΠ΅ Π²ΠΎΠ·ΡΠ°ΡΡΠ°Π΅Ρ Π½Π΅ ΠΏΡΠΎΠΏΠΎΡΡΠΈΠΎΠ½Π°Π»ΡΠ½ΠΎ ΡΡΠΈΠ»ΠΈΡ Π½Π° ΠΏΠ΅Π΄Π°Π»ΠΈ. ΠΡΠΎΡΠ΅ Π³ΠΎΠ²ΠΎΡΡ, ΠΡ Π΄Π°Π²ΠΈΡΠ΅ Π½Π° ΠΏΠ΅Π΄Π°Π»Ρ ΡΠΎΡΠΌΠΎΠ·Π° ΠΈ ΠΏΠΎΠ»ΡΡΠ°Π΅ΡΠ΅ ΡΠΎΠ²ΡΠ΅ΠΌ ΠΈΠ½ΠΎΠ΅, Π½Π°ΠΌΠ½ΠΎΠ³ΠΎ Π±ΠΎΠ»ΡΡΠ΅Π΅ Π·Π°ΠΌΠ΅Π΄Π»Π΅Π½ΠΈΠ΅, ΡΠ΅ΠΌ ΠΎΠΆΠΈΠ΄Π°Π»ΠΎΡΡ. Π‘ Π΄ΠΈΡΠΊΠΎΠ²ΡΠΌΠΈ ΡΠΎΡΠΌΠΎΠ·Π°ΠΌΠΈ ΡΠ°ΠΊΠΎΠ³ΠΎ Π½Π΅Ρ.
Π§ΡΠΎΠ±Ρ ΠΊΠΎΠ»ΠΎΠ΄ΠΊΠΈ Π²Π΅ΡΠ½ΡΠ»ΠΈΡΡ Π½Π° ΠΈΡΡ ΠΎΠ΄Π½ΡΡ ΠΏΠΎΡΠ»Π΅ ΡΠΎΡΠΌΠΎΠΆΠ΅Π½ΠΈΡ, Π½Π° Π½ΠΈΡ ΡΡΡΠ°Π½ΠΎΠ²Π»Π΅Π½Ρ Π²ΠΎΠ·Π²ΡΠ°ΡΠ½ΡΠ΅ ΠΏΡΡΠΆΠΈΠ½Ρ. ΠΠ°ΡΠ°ΡΡΡΡ, Π΅ΡΠ»ΠΈ Π·Π°Π΄Π½ΠΈΠΉ ΡΠΎΡΠΌΠΎΠ·Π½ΠΎΠΉ ΠΌΠ΅Ρ Π°Π½ΠΈΠ·ΠΌ Π±Π°ΡΠ°Π±Π°Π½Π½ΡΠΉ, ΡΠΎ ΡΠ΅ ΠΆΠ΅ ΠΊΠΎΠ»ΠΎΠ΄ΠΊΠΈ Π·Π°Π΄Π΅ΠΉΡΡΠ²ΡΡΡΡΡ ΠΏΡΠΈ Π·Π°ΡΡΠ³ΠΈΠ²Π°Π½ΠΈΠΈ ΡΡΠΎΡΠ½ΠΎΡΠ½ΠΎΠ³ΠΎ ΡΠΎΡΠΌΠΎΠ·Π° (Β«ΡΡΡΠ½ΠΈΠΊΠ°Β»). ΠΠ° ΠΎΠ΄Π½ΠΎΠΉ ΠΈΠ· ΠΊΠΎΠ»ΠΎΠ΄ΠΎΠΊ ΠΈΠΌΠ΅Π΅ΡΡΡ Π΄ΠΎΠΏΠΎΠ»Π½ΠΈΡΠ΅Π»ΡΠ½ΡΠΉ ΡΡΡΠ°Π³, ΠΊ ΠΊΠΎΡΠΎΡΠΎΠΌΡ ΠΊΡΠ΅ΠΏΠΈΡΡΡ ΡΡΠΎΡ, ΠΏΡΠΈ ΠΏΠ΅ΡΠ΅ΠΌΠ΅ΡΠ΅Π½ΠΈΠΈ ΠΊΠΎΡΠΎΡΠΎΠ³ΠΎ ΠΊΠΎΠ»ΠΎΠ΄ΠΊΠΈ ΡΠ°Π·Π²ΠΎΠ΄ΡΡΡΡ.
ΠΠ° ΡΠΎΠ²ΡΠ΅ΠΌΠ΅Π½Π½ΡΡ Π°Π²ΡΠΎΠΌΠΎΠ±ΠΈΠ»ΡΡ Π±Π°ΡΠ°Π±Π°Π½Π½ΡΠΉ ΡΠΎΡΠΌΠΎΠ·Π½ΠΎΠΉ ΠΌΠ΅Ρ Π°Π½ΠΈΠ·ΠΌ ΡΠ°ΠΌΠΎΡΠ΅Π³ΡΠ»ΠΈΡΡΠ΅ΠΌΡΠΉ. Π’ΠΎ Π΅ΡΡΡ Π½Π΅ Π½ΡΠΆΠ½ΠΎ ΡΠ°Π· Π²ΠΎ ΡΠΊΠΎΠ»ΡΠΊΠΎ-ΡΠΎ ΡΡΡΡΡ ΠΊΠΌ ΠΈΠ»ΠΈ ΠΏΠΎΡΠ»Π΅ ΡΠ΅ΠΌΠΎΠ½ΡΠ° Π»Π΅Π·ΡΡ, ΠΊΠ°ΠΊ Π½Π° ΠΠΠ 130, ΠΏΠΎΠ΄ Π°Π²ΡΠΎΠΌΠΎΠ±ΠΈΠ»Ρ, ΡΡΠΎΠ±Ρ ΠΈΠ·ΠΌΠ΅ΡΠΈΡΡ Π·Π°Π·ΠΎΡ ΠΌΠ΅ΠΆΠ΄Ρ ΡΡΠΈΠΊΡΠΈΠΎΠ½Π½ΡΠΌΠΈ Π½Π°ΠΊΠ»Π°Π΄ΠΊΠ°ΠΌΠΈ ΠΈ Π±Π°ΡΠ°Π±Π°Π½ΠΎΠΌ.
ΠΠ° ΡΠΎΡΠΎ: ΠΠΈΠ-130 ‘1966β74ΠΠ΄Π½Π°ΠΊΠΎ Π΄Π°ΠΆΠ΅ Π½Π° ΡΠΎΠ²ΡΠ΅ΠΌΠ΅Π½Π½ΡΡ Π°Π²ΡΠΎ ΡΡΠΎΡΠ½ΠΎΡΠ½ΡΠΉ ΡΠΎΡΠΌΠΎΠ· Π²ΡΠ΅ ΠΆΠ΅ ΡΠ΅Π³ΡΠ»ΠΈΡΠΎΠ²Π°ΡΡ Π½Π΅ΠΎΠ±Ρ ΠΎΠ΄ΠΈΠΌΠΎ. ΠΠΎΡΠΎΠΌΡ ΡΠ°ΡΠΏΠΎΡΠ½Π°Ρ ΡΡΠΎΠΉΠΊΠ°, Π±Π»Π°Π³ΠΎΠ΄Π°ΡΡ ΠΊΠΎΡΠΎΡΠΎΠΉ ΡΠ°Π·Π²ΠΎΠ΄ΡΡΡΡ ΠΊΠΎΠ»ΠΎΠ΄ΠΊΠΈ ΠΏΡΠΈ Π·Π°ΡΡΠ³ΠΈΠ²Π°Π½ΠΈΠΈ ΡΡΡΠ½ΠΈΠΊΠ°, ΠΈΠΌΠ΅Π΅Ρ ΡΠ²ΠΎΠΉΡΡΠ²ΠΎ ΡΠ΄Π»ΠΈΠ½ΡΡΡΡΡ ΠΈΠ»ΠΈ ΡΠΊΠΎΡΠ°ΡΠΈΠ²Π°ΡΡΡΡ Π·Π° ΡΡΠ΅Ρ Π²ΡΠ°ΡΠ΅Π½ΠΈΡ Π³Π°ΠΉΠΊΠΈ (Π΅Π΅ ΡΠΎΠΆΠ΅ Ρ ΠΎΡΠΎΡΠΎ Π²ΠΈΠ΄Π½ΠΎ Π½Π° ΡΠΎΡΠΎ). ΠΡΠ΅ ΠΎΠ΄Π½ΠΈΠΌ ΠΈΠ· ΠΏΠΎΠ»ΠΎΠΆΠΈΡΠ΅Π»ΡΠ½ΡΡ Π°ΡΠΏΠ΅ΠΊΡΠΎΠ² Π±Π°ΡΠ°Π±Π°Π½Π½ΡΡ ΡΠΎΡΠΌΠΎΠ·ΠΎΠ² ΡΠ²Π»ΡΠ΅ΡΡΡ ΠΏΠ»ΠΎΡΠ°Π΄Ρ ΡΠ°Π±ΠΎΡΠ΅ΠΉ ΠΏΠΎΠ²Π΅ΡΡ Π½ΠΎΡΡΠΈ ΡΡΠΈΠΊΡΠΈΠΎΠ½Π½ΡΡ Π½Π°ΠΊΠ»Π°Π΄ΠΎΠΊ β ΠΎΠ½Π° Π² Π»ΡΠ±ΠΎΠΌ ΡΠ»ΡΡΠ°Π΅ Π±ΠΎΠ»ΡΡΠ΅ ΠΏΠΎ ΡΡΠ°Π²Π½Π΅Π½ΠΈΡ Ρ Π΄ΠΈΡΠΊΠΎΠ²ΡΠΌΠΈ ΡΠΎΡΠΌΠΎΠ·Π°ΠΌΠΈ.
ΠΠΎ ΠΈΠ·-Π·Π° ΠΎΡΠΎΠ±Π΅Π½Π½ΠΎΡΡΠ΅ΠΉ ΡΡΠ»ΠΎΠ²ΠΈΠΉ ΡΠ°Π±ΠΎΡΡ (ΡΠΌ. Π²ΡΡΠ΅) ΠΈΠ·Π½ΠΎΡ Π½Π°ΠΊΠ»Π°Π΄ΠΎΠΊ Π½Π΅ΡΠ°Π²Π½ΠΎΠΌΠ΅ΡΠ΅Π½, Π° Π·Π½Π°ΡΠΈΡ, ΠΈ ΡΡΠΈΠ»ΠΈΠ΅ ΡΠ°ΠΊΠΆΠ΅ Π±ΡΠ΄Π΅Ρ ΠΈΠ·ΠΌΠ΅Π½ΡΡΡΡΡ Ρ ΠΈΠ·Π½ΠΎΡΠΎΠΌ. Π ΡΠ²ΠΎΡ ΠΎΡΠ΅ΡΠ΅Π΄Ρ Π½ΠΈΠΊΡΠΎ Π½Π΅ ΠΌΠ΅ΡΠ°Π΅Ρ ΡΠ²Π΅Π»ΠΈΡΠΈΡΡ ΡΠ°Π±ΠΎΡΡΡ ΠΏΠ»ΠΎΡΠ°Π΄Ρ Π½Π°ΠΊΠ»Π°Π΄ΠΎΠΊ Π·Π° ΡΡΠ΅Ρ ΡΠ²Π΅Π»ΠΈΡΠ΅Π½ΠΈΡ Π½Π΅ ΡΠΎΠ»ΡΠΊΠΎ Π΄ΠΈΠ°ΠΌΠ΅ΡΡΠ° Π±Π°ΡΠ°Π±Π°Π½Π°, Π½ΠΎ ΠΈ Π΅Π³ΠΎ ΡΠΈΡΠΈΠ½Ρ, Π° ΡΡΠΎ Π±Π΅ΡΡΠΏΠΎΡΠ½ΡΠΉ ΠΏΠ»ΡΡ. ΠΡΠΈΠΌ Ρ ΡΠΌΠ΅Π½ΠΈΠ΅ΠΌ ΠΏΠΎΠ»ΡΠ·ΡΡΡΡΡ ΠΊΠΎΠ½ΡΡΡΡΠΊΡΠΎΡΡ Π³ΡΡΠ·ΠΎΠ²ΠΈΠΊΠΎΠ², Π΄Π»Ρ ΠΊΠΎΡΠΎΡΡΡ Π²Π°ΠΆΠ½Π΅ΠΉ Π·Π°ΡΠΎΡΠΌΠΎΠ·ΠΈΡΡ 20 ΡΠΎΠ½Π½ Π² ΠΏΡΠ΅Π΄Π΅Π»Π°Ρ ΠΏΡΠΈΠ»ΠΈΡΠΈΡ, Π½Π΅ΠΆΠ΅Π»ΠΈ ΡΠΎΠ½ΠΊΠ°Ρ ΡΠ²ΡΠ·Ρ ΠΌΠ΅ΠΆΠ΄Ρ Π½ΠΎΠ³ΠΎΠΉ Π²ΠΎΠ΄ΠΈΡΠ΅Π»Ρ ΠΈ ΡΡΠΊΠΎΡΠ΅Π½ΠΈΠ΅ΠΌ Π·Π°ΠΌΠ΅Π΄Π»Π΅Π½ΠΈΡ Π°Π²ΡΠΎΠΌΠΎΠ±ΠΈΠ»Ρ.
ΠΠΎΠ»Π΅Π΅ ΡΠΎΠ³ΠΎ, Π΄Π°ΠΆΠ΅ Π΅ΡΠ»ΠΈ Π½Π° Π»Π΅Π³ΠΊΠΎΠ²ΡΡΠΊΠ΅ ΠΏΠΎ ΠΊΡΡΠ³Ρ ΡΡΡΠ°Π½ΠΎΠ²Π»Π΅Π½Ρ Π΄ΠΈΡΠΊΠΎΠ²ΡΠ΅ ΡΠΎΡΠΌΠΎΠ·Π°, ΡΠΎ Ρ Π²ΡΡΠΎΠΊΠΎΠΉ Π΄ΠΎΠ»Π΅ΠΉ Π²Π΅ΡΠΎΡΡΠ½ΠΎΡΡΠΈ ΡΠΎΡΠΌΠΎΠ·Π½ΠΎΠΉ ΠΌΠ΅Ρ Π°Π½ΠΈΠ·ΠΌ ΡΡΡΠ½ΠΈΠΊΠ° ΡΠ΅Π°Π»ΠΈΠ·ΠΎΠ²Π°Π½ ΠΏΠΎ Π±Π°ΡΠ°Π±Π°Π½Π½ΠΎΠΉ ΡΡ Π΅ΠΌΠ΅. ΠΡΠΎΡΡΠΎ Π² Π΄ΠΈΡΠΊΠ΅ Π΄Π΅Π»Π°ΡΡ ΠΏΡΠΎΡΠΎΡΠΊΡ ΠΈ ΡΠΎΠ·Π΄Π°ΡΡ ΡΠ²ΠΎΠΉ Π½Π΅Π±ΠΎΠ»ΡΡΠΎΠΉ Π±Π°ΡΠ°Π±Π°Π½ ΠΈ ΠΏΠΎΠΌΠ΅ΡΠ°ΡΡ Π²Π½ΡΡΡΡ ΠΊΠΎΠ»ΠΎΠ΄ΠΊΠΈ.
ΠΠ°ΡΡ ΡΠ»ΠΎΠ² ΠΎΠ± ΡΠΆΠ΅ ΠΎΡΠΆΠΈΠ²ΡΠΈΡ ΡΠ²ΠΎΠ΅ ΠΊΠΎΠ½ΡΡΡΡΠΊΡΠΈΡΡ Π±Π°ΡΠ°Π±Π°Π½Π½ΡΡ ΡΠΎΡΠΌΠΎΠ·Π°Ρ . ΠΒ ΠΏΠΎΠΈΡΠΊΠ°Ρ Π±ΠΎΠ»Π΅Π΅ ΠΏΡΠΎΡΡΡΡ ΠΈ ΡΡΡΠ΅ΠΊΡΠΈΠ²Π½ΡΡ Π²Π°ΡΠΈΠ°Π½ΡΠΎΠ² ΠΈΡΠΏΠΎΠ»Π½Π΅Π½ΠΈΡ ΠΈΠ½ΠΆΠ΅Π½Π΅ΡΡ, ΡΡΠΎΠ±Ρ ΡΠ΅ΡΠΈΡΡ ΠΏΡΠΎΠ±Π»Π΅ΠΌΡΒ ΡΒ ΠΊΠΎΠ»ΠΎΠ΄ΠΊΠΎΠΉ, ΠΊΠΎΡΠΎΡΠ°Ρ Π½Π΅ ΠΏΠΎΠ΄ΠΊΠ»ΠΈΠ½ΠΈΠ²Π°Π΅ΡΡΡ, ΠΏΡΠΈΡΠ»ΠΈ ΠΊ Π²ΡΠ²ΠΎΠ΄Ρ, ΡΡΠΎ ΠΌΠΎΠΆΠ½ΠΎ ΠΏΠΎΡΡΠ°Π²ΠΈΡΡ Π΄Π²Π° ΡΠ°Π±ΠΎΡΠΈΡ ΡΠΈΠ»ΠΈΠ½Π΄ΡΠ° Ρ Π΄Π²ΡΡ ΠΏΡΠΎΡΠΈΠ²ΠΎΠΏΠΎΠ»ΠΎΠΆΠ½ΡΡ ΡΡΠΎΡΠΎΠ½ ΡΠΎΡΠΌΠΎΠ·Π½ΠΎΠ³ΠΎ ΡΠΈΡΠΊΠ° (ΠΊΠ°ΠΊ Π½Π° ΠΠΠ 24Β ΠΈ ΠΌΠ½ΠΎΠΆΠ΅ΡΡΠ²Π΅ Π΄ΡΡΠ³ΠΈΡ ΠΌΠ°ΡΠΈΠ½ Ρ Π±Π°ΡΠ°Π±Π°Π½Π½ΡΠΌΠΈ ΡΠΎΡΠΌΠΎΠ·Π°ΠΌΠΈ ΡΠΏΠ΅ΡΠ΅Π΄ΠΈ ΠΈ ΡΠ·Π°Π΄ΠΈ). Π ΡΠ°ΠΊΠΎΠΌ ΡΠ»ΡΡΠ°Π΅ ΠΎΠ±Π΅ ΠΊΠΎΠ»ΠΎΠ΄ΠΊΠΈ ΡΡΠ°Π½ΠΎΠ²ΠΈΠ»ΠΈΡΡ ΠΏΠΎΠ΄ΠΊΠ»ΠΈΠ½ΠΈΠ²Π°ΡΡΠΈΠΌΠΈ, Π½ΠΎ ΡΠΎΠ»ΡΠΊΠΎ ΠΏΡΠΈ Π΄Π²ΠΈΠΆΠ΅Π½ΠΈΠΈ Π²ΠΏΠ΅ΡΠ΅Π΄.
ΠΠΎΠ½ΡΡΡΡΠΊΡΠΎΡΡ ΠΠΠΠ ΠΏΡΠΈΠΌΠ΅Π½ΠΈΠ»ΠΈ Π±Π°ΡΠ°Π±Π°Π½Π½ΡΠ΅ ΠΌΠ΅Ρ Π°Π½ΠΈΠ·ΠΌΡ Ρ ΠΏΠ»Π°Π²Π°ΡΡΠΈΠΌΠΈ ΠΊΠΎΠ»ΠΎΠ΄ΠΊΠ°ΠΌΠΈ. ΠΠ»Π°Π²Π°ΡΡΠΈΠΌΠΈ ΠΏΠΎΡΠΎΠΌΡ, ΡΡΠΎ ΠΎΠΏΠΈΡΠ°ΡΡΡΡ ΠΎΠ½ΠΈ Π½Π΅ Π½Π° ΠΎΡΠΈ, ΠΊΠ°ΠΆΠ΄Π°Ρ Π½Π° ΡΠ²ΠΎΡ, Π° Π½Π° ΡΠ°ΡΠ½ΠΈΡ, ΡΠ²ΡΠ·ΡΠ²Π°ΡΡΠΈΠΉ ΠΎΠ±Π΅ ΠΊΠΎΠ»ΠΎΠ΄ΠΊΠΈ. ΠΠΎΡΡΠΎΠΌΡ ΠΊΠΎΠ³Π΄Π° ΠΏΠΎΡΡΠ½ΠΈ ΡΠ°Π·Π΄Π²ΠΈΠ³Π°ΡΡ ΠΈΡ , ΠΎΠ½ΠΈ Π·Π° ΡΡΠ΅Ρ ΡΡΠΈΠ»ΠΈΠΉ ΡΡΠ°Π±ΠΈΠ»ΠΈΠ·ΠΈΡΡΡΡΡΡ ΠΎΡΠ½ΠΎΡΠΈΡΠ΅Π»ΡΠ½ΠΎ Π±Π°ΡΠ°Π±Π°Π½Π°. Π ΡΡΡΠ΅ΠΊΡ ΠΏΠΎΠ΄ΠΊΠ»ΠΈΠ½ΠΈΠ²Π°Π½ΠΈΡ Π°ΠΊΡΠΈΠ²Π½ΠΎΠΉ ΠΊΠΎΠ»ΠΎΠ΄ΠΊΠΈ ΡΠ½ΠΈΠΆΠ°Π΅ΡΡΡ Π·Π° ΡΡΠ΅Ρ ΠΏΠ΅ΡΠ΅Π΄Π°ΡΠΈ ΡΠΈΠ»Ρ ΡΠ΅ΡΠ΅Π· ΡΠ°ΡΠ½ΠΈΡ Π½Π° ΠΏΠ°ΡΡΠΈΠ²Π½ΡΡ ΠΊΠΎΠ»ΠΎΠ΄ΠΊΡ.
ΠΠ΄Π½ΠΈΠΌ ΠΈΠ· Π³Π»Π°Π²Π½ΡΡ Π΄ΠΎΡΡΠΎΠΈΠ½ΡΡΠ² Π±Π°ΡΠ°Π±Π°Π½Π½ΡΡ ΠΌΠ΅Ρ Π°Π½ΠΈΠ·ΠΌΠΎΠ² Π½Π°Π·ΡΠ²Π°ΡΡ Π΅Π³ΠΎ Π·Π°ΠΊΡΡΡΠΎΡΡΡ ΠΎΡ ΠΎΠΊΡΡΠΆΠ°ΡΡΠ΅ΠΉ ΡΡΠ΅Π΄Ρ βΒ Π½ΠΈ Π³ΡΡΠ·Ρ, Π½ΠΈ ΠΏΡΠ»Ρ Π²Π½ΡΡΡΡ Π½Π΅ ΠΏΠΎΠΏΠ°Π΄Π°ΡΡ. Π‘ ΡΡΠΈΠΌ ΡΡΡΠ΄Π½ΠΎ Π½Π΅ ΡΠΎΠ³Π»Π°ΡΠΈΡΡΡΡ, Π½ΠΎ Ρ ΠΎΠ³ΠΎΠ²ΠΎΡΠΊΠΎΠΉ β Π΅ΡΠ»ΠΈ ΡΠ΅ΡΡ ΠΈΠ΄Π΅Ρ ΠΎ Π³ΡΡΠ·ΠΈ ΡΠ½Π°ΡΡΠΆΠΈ. ΠΡΠ΅ ΠΏΡΠΎΠ΄ΡΠΊΡΡ ΠΈΠ·Π½ΠΎΡΠ° ΠΊΠΎΠ»ΠΎΠ΄ΠΎΠΊ, ΡΡΠΎ ΠΏΠΎΡΠ²Π»ΡΡΡΡΡ Π² Π±Π°ΡΠ°Π±Π°Π½Π΅ Π²Π½ΡΡΡΠΈ, ΠΏΡΠΎΡΡΠΎ ΡΠ°ΠΊ ΠΎΡΡΡΠ΄Π° Β«Π²ΡΠ±ΡΠ°ΡΡΡΡΒ» Π½Π΅ ΠΌΠΎΠ³ΡΡ. ΠΡΡ ΠΏΡΠ΅Π»Π΅ΡΡΡ Π·Π°ΠΊΡΡΡΠΎΡΡΠΈ Π±Π°ΡΠ°Π±Π°Π½ΠΎΠΌ Π²ΠΈΠ΄Π½Π° Π½Π° ΡΠΎΡΠΎΠ³ΡΠ°ΡΠΈΡΡ ΠΏΠΎΠ΄ΠΎΠΏΡΡΠ½ΠΎΠ³ΠΎ.
ΠΡΠ»ΠΈ Π² Π΄ΠΈΡΠΊΠΎΠ²ΡΡ ΡΠΎΡΠΌΠΎΠ·Π°Ρ ΠΎΡΡΠ°ΡΠΊΠΈ ΡΡΠΈΠΊΡΠΈΠΎΠ½Π½ΡΡ Π½Π°ΠΊΠ»Π°Π΄ΠΎΠΊ ΠΏΡΠΎΡΡΠΎ Π²ΡΠ΄ΡΠ²Π°ΡΡΡΡ ΠΈΠ· ΠΌΠ΅Ρ Π°Π½ΠΈΠ·ΠΌΠ°, ΡΠΎ Π² Π±Π°ΡΠ°Π±Π°Π½Π½ΡΡ ΠΏΠΎΡΡΠΈ Π²ΡΠ΅ ΠΎΡΡΠ°Π΅ΡΡΡ Π½Π° ΠΌΠ΅ΡΡΠ΅. Π Π΅ΡΠ΅. ΠΡΠΎ Π² ΡΠ²ΠΎΠ΅ΠΉ ΠΆΠΈΠ·Π½ΠΈ ΡΠΊΡΠΏΠ»ΡΠ°ΡΠΈΡΠΎΠ²Π°Π» Π³ΡΡΠ·ΠΎΠ²ΠΈΠΊΠΈ ΠΈΠ»ΠΈ Π΄ΡΠ΅Π²Π½ΠΈΠ΅ Π°Π²ΡΠΎΠΌΠΎΠ±ΠΈΠ»ΠΈ Ρ Β«Π±Π°ΡΠ°Π±Π°Π½Π°ΠΌΠΈΒ» ΠΏΠΎ ΠΊΡΡΠ³Ρ, Π΄ΠΎΠ»ΠΆΠ΅Π½ ΠΏΠΎΠΌΠ½ΠΈΡΡ: Π΅ΡΠ»ΠΈ ΠΏΡΠΎΠ΅Ρ Π°Π» Π³Π»ΡΠ±ΠΎΠΊΡΡ Π»ΡΠΆΡ ΠΈΠ»ΠΈ Π±ΡΠΎΠ΄, ΡΠΎ ΠΏΠΎΡΠ»Π΅ Π½Π΅ΠΎΠ±Ρ ΠΎΠ΄ΠΈΠΌΠΎ Π½Π΅ΡΠΊΠΎΠ»ΡΠΊΠΎ ΡΠ°Π· Π½Π°ΠΆΠ°ΡΡ Π½Π° ΡΠΎΡΠΌΠΎΠ·Π°, ΡΡΠΎΠ±Ρ ΠΏΡΠΎΡΡΡΠΈΡΡ ΠΈΡ , ΠΈΠ½Π°ΡΠ΅ ΠΈΡ Β ΠΏΠΎΠΏΡΠΎΡΡΡ Π½Π΅ Π±ΡΠ΄Π΅Ρ. Π‘ Π΄ΠΈΡΠΊΠ°ΠΌΠΈ ΡΠ°ΠΊΠΎΠ³ΠΎ ΡΠΈΡΠΊΠ° Π½Π΅Ρ.
ΠΡΠ΅ Π±Π°ΡΠ°Π±Π°Π½Ρ ΠΎΡΠ»ΠΈΡΠ½ΠΎ ΠΏΠ΅ΡΠ΅Π³ΡΠ΅Π²Π°ΡΡΡΡ ΠΈ ΠΈΡ , Π² ΠΎΡΠ»ΠΈΡΠΈΠ΅ ΠΎΡ Π΄ΠΈΡΠΊΠΎΠ², Π½Π΅Π»ΡΠ·Ρ Π±ΡΡΡΡΠΎ ΠΎΡ Π»Π°Π΄ΠΈΡΡ Π½Π°Π±Π΅Π³Π°ΡΡΠΈΠΌ Π²ΠΎΠ·Π΄ΡΡ ΠΎΠΌ. Π‘Π°ΠΌ Π±Π°ΡΠ°Π±Π°Π½ ΠΏΡΠΈ ΡΡΠΎΠΌ ΠΏΠΎΠΊΠΎΡΠΎΠ±ΠΈΡΡ ΡΠ»ΠΎΠΆΠ½ΠΎ (ΡΠ΅Π³ΠΎ Π½Π΅ ΡΠΊΠ°ΠΆΠ΅ΡΡ ΠΎ Π΄ΠΈΡΠΊΠ°Ρ ), Π½ΠΎ ΡΡΡΠ΅ΠΊΡΠΈΠ²Π½ΠΎΡΡΡ ΡΠΎΡΠΌΠΎΠΆΠ΅Π½ΠΈΡ Π³ΠΎΡΡΡΠΈΡ Π±Π°ΡΠ°Π±Π°Π½ΠΎΠ² ΡΠ½ΠΈΠΆΠ°Π΅ΡΡΡ ΠΎΡΠ΅Π½Ρ ΡΡΡΠ΅ΡΡΠ²Π΅Π½Π½ΠΎ.
Π‘ ΡΠΎΡΠΊΠΈ Π·ΡΠ΅Π½ΠΈΡ Π΄ΠΈΠ½Π°ΠΌΠΈΠΊΠΈ Π±Π°ΡΠ°Π±Π°Π½Ρ ΡΠΎΠΆΠ΅ ΠΏΡΠΎΠΈΠ³ΡΡΠ²Π°ΡΡ Π΄ΠΈΡΠΊΠ°ΠΌ, ΡΠ°ΠΊ ΠΊΠ°ΠΊ ΠΏΠΎΡΠ»Π΅Π΄Π½ΠΈΠ΅ Π»Π΅Π³ΡΠ΅. ΠΠ»ΡΡ ΠΌΠ°ΠΊΡΠΈΠΌΠ°Π»ΡΠ½ΠΎΠ΅ ΡΠΎΡΠΌΠΎΠ·Π½ΠΎΠ΅ ΡΡΠΈΠ»ΠΈΠ΅ Ρ Π±Π°ΡΠ°Π±Π°Π½ΠΎΠ² ΡΠΈΠ»ΡΠ½ΠΎ ΠΎΠ³ΡΠ°Π½ΠΈΡΠ΅Π½ΠΎ β ΡΡΠ΅Π·ΠΌΠ΅ΡΠ½ΡΠΌ Π΄Π°Π²Π»Π΅Π½ΠΈΠ΅ΠΌ Π½Π° ΠΊΠΎΠ»ΠΎΠ΄ΠΊΠΈ ΠΌΠΎΠΆΠ½ΠΎ ΠΏΡΠΎΡΡΠΎ Β«ΠΏΠΎΡΠ²Π°ΡΡΒ» Π±Π°ΡΠ°Π±Π°Π½. ΠΠΈΡΠΊΠΈ ΠΆΠ΅ ΠΌΠΎΠΆΠ½ΠΎ ΡΠΆΠΈΠΌΠ°ΡΡ Π½Π°ΠΌΠ½ΠΎΠ³ΠΎ ΡΠΈΠ»ΡΠ½Π΅Π΅.
Π’ΡΡ Π²ΡΠ΅, Π² ΠΎΠ±ΡΠ΅ΠΌ-ΡΠΎ, Π΄ΠΎΠ²ΠΎΠ»ΡΠ½ΠΎ ΠΏΡΠ΅Π΄ΡΠΊΠ°Π·ΡΠ΅ΠΌΠΎ. ΠΠ°ΡΠ°Π±Π°Π½Ρ ΡΠ°Π·Π±ΠΈΡΠ°ΡΡ, ΠΊΠ°ΠΊ ΠΏΡΠ°Π²ΠΈΠ»ΠΎ, Π΄Π»Ρ Π΄Π²ΡΡ ΠΌΠ°Π½ΠΈΠΏΡΠ»ΡΡΠΈΠΉ: Π·Π°ΠΌΠ΅Π½Ρ ΠΊΠΎΠ»ΠΎΠ΄ΠΎΠΊ ΠΈΠ»ΠΈ ΡΠ΅ΠΌΠΎΠ½ΡΠ° ΡΠ°ΠΌΠΎΠ³ΠΎ Π·Π°ΠΊΠ»ΠΈΠ½ΠΈΠ²ΡΠ΅Π³ΠΎ ΠΌΠ΅Ρ Π°Π½ΠΈΠ·ΠΌΠ°.
ΠΠ° ΡΡΠΎΡ ΡΠ°Π· ΠΊ Π½Π°ΠΌ ΠΏΠΎΠΏΠ°Π» Π°Π²ΡΠΎΠΌΠΎΠ±ΠΈΠ»Ρ Ρ Π½Π΅ΡΠ°Π±ΠΎΡΠ°ΡΡΠΈΠΌ Π·Π°Π΄Π½ΠΈΠΌ ΠΏΡΠ°Π²ΡΠΌ ΡΠΎΡΠΌΠΎΠ·Π½ΡΠΌ ΠΌΠ΅Ρ Π°Π½ΠΈΠ·ΠΌΠΎΠΌ ΠΈ ΠΎΡΡΡΡΡΡΠ²ΠΈΠ΅ΠΌ ΡΡΠΎΡΠ½ΠΎΡΠ½ΠΎΠ³ΠΎ ΡΠΎΡΠΌΠΎΠ·Π°. ΠΠΏΡΡΠ½ΡΠΌ Π²Π·ΠΎΡΠΎΠΌ ΠΌΠ°ΡΡΠ΅ΡΠ° ΡΡΠ΅ΡΠ΅ΠΊ ΡΠΎΡΠΌΠΎΠ·Π½ΠΎΠΉ ΠΆΠΈΠ΄ΠΊΠΎΡΡΠΈ Π½Π°ΠΉΠ΄Π΅Π½ΠΎ Π½Π΅ Π±ΡΠ»ΠΎ. ΠΠΎΡΠΎΠΌΡ Π²Π΅ΡΠΎΡΡΠ½ΠΎΡΡΡ Π·Π°ΠΊΠ»ΠΈΠ½ΠΈΠ²ΡΠ΅Π³ΠΎ ΡΠ°Π±ΠΎΡΠ΅Π³ΠΎ ΡΠΎΡΠΌΠΎΠ·Π½ΠΎΠ³ΠΎ ΡΠΈΠ»ΠΈΠ½Π΄ΡΠ° Π²ΠΎΠ·ΡΠΎΡΠ»Π° Π΄ΠΎ 99%. Π Π΅ΡΠ΅Π½ΠΈΠ΅ Π±ΡΠ»ΠΎ ΠΏΡΠΈΠ½ΡΡΠΎ Π½Π΅Π·Π°ΠΌΠ΅Π΄Π»ΠΈΡΠ΅Π»ΡΠ½ΠΎ β ΡΠ°Π·Π±ΠΎΡΠΊΠ° ΠΈ Π±ΠΎΠ»Π΅Π΅ Π΄Π΅ΡΠ°Π»ΡΠ½Π°Ρ Π΄ΠΈΠ°Π³Π½ΠΎΡΡΠΈΠΊΠ°.

ΠΡΠ²Π΅ΡΠ½ΡΠ»ΠΈ Π³Π°ΠΉΠΊΠΈ ΠΈ ΡΠ½ΡΠ»ΠΈ ΠΊΠΎΠ»Π΅ΡΠΎ. Π ΡΡΠ°ΡΡΡΡ, Π±Π°ΡΠ°Π±Π°Π½ Π½Π΅ ΠΏΡΠΈΠΊΠΈΠΏΠ΅Π» ΠΈ ΡΠ½ΡΠ»ΡΡ Π΄ΠΎΠ²ΠΎΠ»ΡΠ½ΠΎ Π»Π΅Π³ΠΊΠΎ. Π₯ΠΎΠ·ΡΠΈΠ½Ρ Π°Π²ΡΠΎΠΌΠΎΠ±ΠΈΠ»Ρ ΡΡΠ°Π»ΠΎ Π»Π΅Π³ΡΠ΅, ΠΊΠΎΠ³Π΄Π° ΠΎΠ½ ΡΠ·Π½Π°Π», ΡΡΠΎ ΠΊΠΎΠ»ΠΎΠ΄ΠΊΠΈ ΠΌΠ΅Π½ΡΡΡ Π΅ΡΠ΅ ΡΠ°Π½ΠΎ. ΠΠΎ ΠΏΠΎΡΠΎΠΌ ΠΏΠΎΡΠ»ΠΈ ΠΏΠ»ΠΎΡ ΠΈΠ΅ Π½ΠΎΠ²ΠΎΡΡΠΈ. ΠΠ°ΠΊΠΈΡΠ»Π° ΡΠ°ΡΠΏΠΎΡΠΊΠ° ΡΡΠΎΡΠ½ΠΎΡΠ½ΠΎΠ³ΠΎ ΡΠΎΡΠΌΠΎΠ·Π°, ΡΠ»Π΅Π΄ΠΎΠ²Π°ΡΠ΅Π»ΡΠ½ΠΎ, ΠΎΡΡΠ΅Π³ΡΠ»ΠΈΡΠΎΠ²Π°ΡΡ ΡΠ°ΡΠΏΠΎΠ»ΠΎΠΆΠ΅Π½ΠΈΠ΅ ΠΊΠΎΠ»ΠΎΠ΄ΠΎΠΊ Π½Π΅Π²ΠΎΠ·ΠΌΠΎΠΆΠ½ΠΎ, Π° ΡΡΠΎ ΠΏΡΠΈΡΠΈΠ½Π° ΠΎΡΡΡΡΡΡΠ²ΡΡΡΠ΅Π³ΠΎ ΡΡΡΠ½ΠΈΠΊΠ°. ΠΠ°Π»Π΅Π΅. ΠΠΎΡΡΠ½ΠΈ Π² ΡΠ°Π±ΠΎΡΠ΅ΠΌ ΡΠΈΠ»ΠΈΠ½Π΄ΡΠ΅ Π·Π°ΠΊΠ»ΠΈΠ½ΠΈΠ»ΠΎ, ΠΏΠΎΡΠΎΠΌΡ ΠΌΠ°ΡΠΈΠ½Π° ΠΈ Π½Π΅ ΡΠΎΡΠΌΠΎΠ·ΠΈΠ»Π°. ΠΠ΅ΡΠ΄ΠΈΠΊΡ β Π·Π°ΠΌΠ΅Π½Π° ΡΠ°Π±ΠΎΡΠ΅Π³ΠΎ ΡΠΈΠ»ΠΈΠ½Π΄ΡΠ°. Π₯ΠΎΠ·ΡΠΈΠ½ Π²ΡΡΡΠ΅ΡΠΈΠ» ΡΡΡΠ΄Π½ΠΎΡΡΠΈ ΠΌΡΠΆΠ΅ΡΡΠ²Π΅Π½Π½ΠΎ ΠΈ Π±Π»Π°Π³ΠΎΡΠ»ΠΎΠ²ΠΈΠ» Π½Π°ΡΠΈΠ½Π°ΡΡ Π½Π΅Π·Π°ΠΌΠ΅Π΄Π»ΠΈΡΠ΅Π»ΡΠ½ΠΎ.

Π’Π°ΠΊ ΠΊΠ°ΠΊ Π½Π΅ΠΎΠ±Ρ ΠΎΠ΄ΠΈΠΌΠΎ Π·Π°ΠΌΠ΅Π½ΡΡΡ ΡΠ°Π±ΠΎΡΠΈΠΉ ΡΠΈΠ»ΠΈΠ½Π΄Ρ, ΠΏΠ΅ΡΠ΅ΠΆΠΈΠΌΠ°Π΅ΠΌ ΡΠΎΡΠΌΠΎΠ·Π½ΠΎΠΉ ΡΠ»Π°Π½Π³, ΡΡΠΎΠ±Ρ ΠΈΡΠΊΠ»ΡΡΠΈΡΡ Π²ΡΡΠ΅ΠΊΠ°Π½ΠΈΠ΅ Π²ΡΠ΅ΠΉ ΡΠΎΡΠΌΠΎΠ·Π½ΠΎΠΉ ΠΆΠΈΠ΄ΠΊΠΎΡΡΠΈ ΠΈΠ· ΠΊΠΎΠ½ΡΡΡΠ°. ΠΡΠ²Π΅ΡΠ½ΡΠ»ΠΈ ΡΠΎΠ΅Π΄ΠΈΠ½ΠΈΡΠ΅Π»ΡΠ½ΡΡ Π³Π°ΠΉΠΊΡ ΠΈ ΠΎΡΡΠΎΠ΅Π΄ΠΈΠ½ΠΈΠ»ΠΈ ΡΠΎΡΠΌΠΎΠ·Π½ΡΡ ΡΡΡΠ±ΠΊΡ ΠΎΡ ΡΠ°Π±ΠΎΡΠ΅Π³ΠΎ ΡΠΈΠ»ΠΈΠ½Π΄ΡΠ°. ΠΡΠΈ ΠΏΠΎΠΌΠΎΡΠΈ ΡΠ·ΠΊΠΎΠ³ΡΠ±ΡΠ΅Π² ΡΠ½ΡΠ»ΠΈ Π½ΠΈΠΆΠ½ΡΡ ΠΏΡΡΠΆΠΈΠ½Ρ Ρ ΡΠΎΡΠΌΠΎΠ·Π½ΡΡ ΠΊΠΎΠ»ΠΎΠ΄ΠΎΠΊ. ΠΠ°ΡΠ΅ΠΌ ΠΎΡΡΠΎΠ΅Π΄ΠΈΠ½ΠΈΠ»ΠΈ ΡΡΠΎΡ ΡΡΠΎΡΠ½ΠΎΡΠ½ΠΎΠ³ΠΎ ΡΠΎΡΠΌΠΎΠ·Π° ΠΎΡ ΡΡΡΠ°Π³Π° ΡΠΎΡΠΌΠΎΠ·Π½ΠΎΠΉ ΠΊΠΎΠ»ΠΎΠ΄ΠΊΠΈ.
ΠΡΠ΅ ΡΠ΅ΠΌΠΈ ΠΆΠ΅ ΡΠ·ΠΊΠΎΠ³ΡΠ±ΡΠ°ΠΌΠΈ ΠΏΡΠΈΠΆΠ°Π»ΠΈ, ΠΏΡΠΎΠ²Π΅ΡΠ½ΡΠ»ΠΈ ΠΈ ΡΠ½ΡΠ»ΠΈ ΠΏΡΠΈΠΆΠΈΠΌΠ½ΡΠ΅ ΠΏΡΡΠΆΠΈΠ½Ρ ΠΎΠ±Π΅ΠΈΡ ΠΊΠΎΠ»ΠΎΠ΄ΠΎΠΊ. ΠΡΡΠΆΠΈΠ½Ρ ΡΠΈΠΊΡΠΈΡΡΡΡΡΡ Π½Π° ΠΏΠ°Π»ΡΡΠ΅: Π½Π° ΠΊΠ°ΠΆΠ΄ΠΎΠΉ ΠΈΠΌΠ΅Π΅ΡΡΡ Π½Π΅Π±ΠΎΠ»ΡΡΠ°Ρ ΠΎΠΏΠΎΡΠ½Π°Ρ ΠΊΡΡΡΠΊΠ° Ρ ΠΏΡΠΎΡΠ΅Π·ΡΡ, Π° Ρ ΠΏΠ°Π»ΡΡΠ° Π½Π°ΡΡΠΆΠ½ΡΠΉ ΠΊΠΎΠ½Π΅Ρ ΡΠ°ΡΠΏΠ»ΡΡΠ΅Π½. Π‘ΠΎΠΎΡΠ²Π΅ΡΡΡΠ²Π΅Π½Π½ΠΎ, ΠΏΡΠΈ ΡΡΡΠ°Π½ΠΎΠ²ΠΊΠ΅ ΠΏΡΡΠΆΠΈΠ½Ρ ΡΠΆΠΈΠΌΠ°ΡΡ, ΠΊΠΎΠ½Π΅Ρ ΠΏΠ°Π»ΡΡΠ° ΠΏΡΠΎΡ ΠΎΠ΄ΠΈΡ ΡΠ΅ΡΠ΅Π· ΠΏΡΠΎΡΠ΅Π·Ρ, Π° ΡΡΠΎΠ±Ρ Π·Π°ΡΠΈΠΊΡΠΈΡΠΎΠ²Π°ΡΡ ΠΏΡΡΠΆΠΈΠ½Ρ, Π΅Π΅ ΠΏΡΠΎΠ²ΠΎΡΠ°ΡΠΈΠ²Π°ΡΡ. ΠΠΎ ΡΡΠΎ Π±ΡΠ΄Π΅Ρ ΠΏΠΎΡΠΎΠΌ, ΡΠ΅ΠΉΡΠ°Ρ ΡΠ°Π·Π±ΠΎΡΠΊΠ°.

ΠΠΎΡΠ»Π΅ Π΄Π΅ΠΌΠΎΠ½ΡΠ°ΠΆΠ° ΠΏΡΠΈΠΆΠΈΠΌΠ½ΡΡ ΠΏΡΡΠΆΠΈΠ½ ΠΎΠ±Π΅ ΠΊΠΎΠ»ΠΎΠ΄ΠΊΠΈ ΠΌΠΎΠΆΠ½ΠΎ ΡΠ½ΡΡΡ Ρ ΡΠΎΡΠΌΠΎΠ·Π½ΠΎΠ³ΠΎ ΡΠΈΡΠΊΠ° ΠΈ ΡΠ°Π±ΠΎΡΠ΅Π³ΠΎ ΡΠΈΠ»ΠΈΠ½Π΄ΡΠ°. Π§ΡΠΎ ΠΌΡ ΠΈ Π΄Π΅Π»Π°Π΅ΠΌ, Π½Π΅ΠΌΠ½ΠΎΠ³ΠΎ ΡΠ°Π·Π΄Π²ΠΈΠ½ΡΠ² ΠΈΡ Π΄Π»Ρ ΠΏΡΠ΅ΠΎΠ΄ΠΎΠ»Π΅Π½ΠΈΡ ΡΡΠΈΠ»ΠΈΡ Π²Π΅ΡΡ Π½Π΅ΠΉ Π²ΠΎΠ·Π²ΡΠ°ΡΠ½ΠΎΠΉ ΠΏΡΡΠΆΠΈΠ½Ρ. ΠΠΎΡΠ»Π΅ Π²ΡΠΊΡΡΡΠΈΠ»ΠΈ Π±ΠΎΠ»ΡΡ ΠΊΡΠ΅ΠΏΠ»Π΅Π½ΠΈΡ ΠΈ ΡΠ½ΡΠ»ΠΈ ΡΠ°Π±ΠΎΡΠΈΠΉ ΡΠΎΡΠΌΠΎΠ·Π½ΠΎΠΉ ΡΠΈΠ»ΠΈΠ½Π΄Ρ. Π‘Π½ΡΠ»ΠΈ Ρ ΠΊΠΎΠ»ΠΎΠ΄ΠΎΠΊ ΡΠ°ΡΠΏΠΎΡΠΊΡ, ΡΡΠ°ΡΠ΅Π»ΡΠ½ΠΎ Π΅Π΅ ΠΎΡΠΈΡΡΠΈΠ»ΠΈ ΠΈ ΡΠ°Π·ΡΠ°Π±ΠΎΡΠ°Π»ΠΈ, ΡΡΠΎΠ±Ρ ΠΌΠΎΠΆΠ½ΠΎ Π±ΡΠ»ΠΎ ΠΎΡΡΠ΅Π³ΡΠ»ΠΈΡΠΎΠ²Π°ΡΡ ΡΡΠΎΡΠ½ΠΎΡΠ½ΡΠΉ ΡΠΎΡΠΌΠΎΠ·. Π‘Π½ΡΠ»ΠΈ Π·Π°ΡΠ΅ΠΌ ΠΈ Π²Π΅ΡΡ Π½ΡΡ Π²ΠΎΠ·Π²ΡΠ°ΡΠ½ΡΡ ΠΏΡΡΠΆΠΈΠ½Ρ.
Π ΠΏΡΠΎΡΠ΅ΡΡΠ΅ Π²Π½ΠΈΠΌΠ°Π½ΠΈΠ΅ Π½Π° ΡΠ΅Π±Ρ ΠΎΠ±ΡΠ°ΡΠΈΠ»ΠΈ Π±ΠΎΡΠΎΠ·Π΄ΠΊΠΈ Π½Π° ΡΡΠΈΠΊΡΠΈΠΎΠ½Π½ΡΡ Π½Π°ΠΊΠ»Π°Π΄ΠΊΠ°Ρ . Π’ΠΎΡΠ½ΠΎ ΡΠ°ΠΊΠΈΠ΅ ΠΆΠ΅ Π±ΡΠ»ΠΈ ΠΈ Π½Π° ΡΠ°Π±ΠΎΡΠ΅ΠΉ ΠΏΠΎΠ²Π΅ΡΡ Π½ΠΎΡΡΠΈ ΡΠΎΡΠΌΠΎΠ·Π½ΠΎΠ³ΠΎ Π±Π°ΡΠ°Π±Π°Π½Π°, Π° ΡΠ°ΠΊΠΎΠΉ ΠΈΠ·Π½ΠΎΡ Π½Π΅ΠΌΠΈΠ½ΡΠ΅ΠΌΠΎ ΡΠ½ΠΈΠΆΠ°Π΅Ρ ΡΡΡΠ΅ΠΊΡΠΈΠ²Π½ΠΎΡΡΡ ΡΠΎΡΠΌΠΎΠΆΠ΅Π½ΠΈΡ. Π§ΡΠΎΠ±Ρ Π½Π΅ ΡΠΈΡΠΊΠΎΠ²Π°ΡΡ Π·Π΄ΠΎΡΠΎΠ²ΡΠ΅ΠΌ ΠΈ Π±Π»Π°Π³ΠΎΠΏΠΎΠ»ΡΡΠΈΠ΅ΠΌ Ρ ΠΎΠ·ΡΠΈΠ½Π° Π°Π²ΡΠΎ, Π±Π°ΡΠ°Π±Π°Π½Ρ ΠΎΡΠΏΡΠ°Π²ΠΈΠ»ΠΈ Π½Π° ΠΏΡΠΎΡΠΎΡΠΊΡ. ΠΠΎΠ»ΠΎΠ΄ΠΊΠΈ ΠΆΠ΅ ΠΌΠ΅Π½ΡΡΡ ΠΏΠΎΠΊΠ° ΡΠ°Π½ΠΎ β ΠΎΠ½ΠΈ Π²ΡΡΠΎΠ²Π½ΡΡΡΡΡ.

ΠΠ° ΡΠΎΡΠΎΠ³ΡΠ°ΡΠΈΡΡ Ρ ΠΎΡΠΎΡΠΎ Π²ΠΈΠ΄Π΅Π½ Π·ΡΠ±ΡΠ°ΡΡΠΉ Π²Π΅Π½Π΅Ρ Π΄Π°ΡΡΠΈΠΊΠ° ΡΠ°ΡΡΠΎΡΡ Π²ΡΠ°ΡΠ΅Π½ΠΈΡ Π·Π°Π΄Π½Π΅Π³ΠΎ ΠΊΠΎΠ»Π΅ΡΠ°. Π ΠΏΠΎΡΠ»Π΅Π΄Π½Π΅Π΅ Π²ΡΠ΅ΠΌΡ Π°Π²ΡΠΎΠΏΡΠΎΠΈΠ·Π²ΠΎΠ΄ΠΈΡΠ΅Π»ΠΈ Π·Π°ΡΠ°ΡΡΠΈΠ»ΠΈ Π²ΠΌΠ΅ΡΡΠΎ Π·ΡΠ±ΡΠ°ΡΠΎΠ³ΠΎ Π²Π΅Π½ΡΠ° ΡΡΡΠ°Π½Π°Π²Π»ΠΈΠ²Π°ΡΡ ΠΎΠ±ΡΡΠ½ΠΎΠ΅ ΠΊΠΎΠ»ΡΡΠΎ Ρ Π½Π°ΠΌΠ°Π³Π½ΠΈΡΠ΅Π½Π½ΡΠΌΠΈ ΡΠ΅ΠΊΡΠΎΡΠ°ΠΌΠΈ. ΠΡΠ΅ Ρ ΠΎΡΠΎΡΠΎ, Π½ΠΎ ΠΏΠΎΡΠΎΠΉ Π³ΡΡΠ·Ρ, ΠΏΡΠ»Ρ, ΠΏΡΠΎΠ΄ΡΠΊΡΡ ΠΈΠ·Π½ΠΎΡΠ° Π½Π°ΡΡΠΎΠ»ΡΠΊΠΎ Π½Π°Π±ΠΈΠ²Π°ΡΡΡΡ Π½Π° ΠΊΠΎΠ»ΡΡΠΎ, ΡΡΠΎ Π΅Π³ΠΎ ΠΌΠ°Π³Π½Π΅ΡΠΈΠ·ΠΌΠ° Π½Π°ΡΠΈΠ½Π°Π΅Ρ Π½Π΅ Ρ Π²Π°ΡΠ°ΡΡ, ΠΈ ΡΠΈΡΡΠ΅ΠΌΠ° ΠΠΠ‘ Π²ΡΠ±ΠΈΠ²Π°Π΅Ρ ΠΎΡΠΈΠ±ΠΊΡ Β«Π½Π΅ Π²ΠΈΠΆΡ Π΄Π°ΡΡΠΈΠΊΒ». ΠΠ΅ΡΠΈΡΡΡ ΡΡΠΎ ΡΡΠ°ΡΠ΅Π»ΡΠ½ΠΎΠΉ ΠΎΡΠΈΡΡΠΊΠΎΠΉ ΡΠ°ΠΊΠΎΠ³ΠΎ ΠΊΠΎΠ»ΡΡΠ° ΠΈ ΡΠ±ΡΠΎΡΠΎΠΌ ΠΎΡΠΈΠ±ΠΊΠΈ. ΠΠΎ ΠΌΡ ΠΎΡΠ²Π»Π΅ΠΊΠ»ΠΈΡΡ.

Π£ΡΡΠ°Π½Π°Π²Π»ΠΈΠ²Π°Π΅ΠΌ Π½Π° ΠΊΠΎΠ»ΠΎΠ΄ΠΊΠΈ ΡΠ°ΡΠΏΠΎΡΠ½ΡΡ ΡΡΠΎΠΉΠΊΡ β ΡΠΈΡΡΡΡ, ΡΠ°Π·ΡΠ°Π±ΠΎΡΠ°Π½Π½ΡΡ ΠΈ ΡΠΌΠ°Π·Π°Π½Π½ΡΡ. ΠΠΎΠ΄ΡΠΎΠ΅Π΄ΠΈΠ½ΡΠ΅ΠΌ ΠΊ ΠΎΠ±Π΅ΠΈΠΌ ΠΊΠΎΠ»ΠΎΠ΄ΠΊΠ°ΠΌ Π²Π΅ΡΡ Π½ΡΡ Π²ΠΎΠ·Π²ΡΠ°ΡΠ½ΡΡ ΠΏΡΡΠΆΠΈΠ½Ρ. Π ΠΏΠ΅ΡΠ²ΡΡ ΠΎΡΠ΅ΡΠ΅Π΄Ρ ΠΏΠΎΠ΄ΡΠΎΠ΅Π΄ΠΈΠ½ΡΠ΅ΠΌ ΠΊ ΡΡΡΠ°Π³Ρ Π½Π° ΠΊΠΎΠ»ΠΎΠ΄ΠΊΠ΅ ΡΡΠΎΡ ΡΡΠΎΡΠ½ΠΎΡΠ½ΠΎΠ³ΠΎ ΡΠΎΡΠΌΠΎΠ·Π°, Π·Π°ΡΠ΅ΠΌ Π²Π΅ΡΠ°Π΅ΠΌ ΠΊΠΎΠ»ΠΎΠ΄ΠΊΠΈ Π½Π° ΡΠΎΡΠΌΠΎΠ·Π½ΠΎΠΉ ΡΠΈΡΠΎΠΊ. Π£ΡΡΠ°Π½Π°Π²Π»ΠΈΠ²Π°Π΅ΠΌ Π½ΠΎΠ²ΡΠΉ ΡΠ°Π±ΠΎΡΠΈΠΉ ΡΠΎΡΠΌΠΎΠ·Π½ΠΎΠΉ ΡΠΈΠ»ΠΈΠ½Π΄Ρ. ΠΠΊΡΡΡΠΈΠ²Π°Π΅ΠΌ, Π½ΠΎ Π½Π΅ Π·Π°ΡΡΠ³ΠΈΠ²Π°Π΅ΠΌ Π±ΠΎΠ»ΡΡ Π΅Π³ΠΎ ΠΊΡΠ΅ΠΏΠ»Π΅Π½ΠΈΡ ΠΈ Π½Π΅ Π·Π°Π±ΡΠ²Π°Π΅ΠΌ ΠΏΡΠΎ ΡΡΡΡΠ΅Ρ Π΄Π»Ρ ΠΏΡΠΎΠΊΠ°ΡΠΊΠΈ.
Π’Π΅ΠΏΠ΅ΡΡ ΠΌΠΎΠ½ΡΠΈΡΡΠ΅ΠΌ ΠΊΠΎΠ»ΠΎΠ΄ΠΊΠΈ Π² ΠΏΡΠΎΡΠ΅Π·ΠΈ Π½Π° ΠΏΠΎΡΡΠ½ΡΡ ΡΠΎΡΠΌΠΎΠ·Π½ΠΎΠ³ΠΎ ΡΠΈΠ»ΠΈΠ½Π΄ΡΠ°. ΠΠ΅ΠΌΠ½ΠΎΠ³ΠΎ ΠΎΡΡΠ΅Π½ΡΡΠΈΡΡΠ΅ΠΌ ΠΊΠΎΠ»ΠΎΠ΄ΠΊΠΈ ΠΎΡΠ½ΠΎΡΠΈΡΠ΅Π»ΡΠ½ΠΎ ΡΠΎΡΠΌΠΎΠ·Π½ΠΎΠ³ΠΎ ΡΠΈΡΠΊΠ° ΠΈ Π·Π°ΡΡΠ³ΠΈΠ²Π°Π΅ΠΌ ΠΎΠΊΠΎΠ½ΡΠ°ΡΠ΅Π»ΡΠ½ΠΎ Π±ΠΎΠ»ΡΡ ΠΊΡΠ΅ΠΏΠ»Π΅Π½ΠΈΡ ΡΠ°Π±ΠΎΡΠ΅Π³ΠΎ ΡΠΈΠ»ΠΈΠ½Π΄ΡΠ°.
ΠΠΎΡΠ»Π΅ ΡΠ΅Π³ΠΎ Π²ΡΠΏΠΎΠ»Π½ΡΠ΅ΠΌ Π²ΡΠΎΠ΄Π΅ Π±Ρ Π½Π΅ΡΠ»ΠΎΠΆΠ½ΡΡ, Π½ΠΎ ΠΏΠΎΡΠΎΠΉ ΠΎΡΠ΅Π½Ρ Ρ Π»ΠΎΠΏΠΎΡΠ½ΡΡ ΠΎΠΏΠ΅ΡΠ°ΡΠΈΡ ΠΏΠΎ ΡΡΡΠ°Π½ΠΎΠ²ΠΊΠ΅ ΠΏΡΠΈΠΆΠΈΠΌΠ½ΡΡ ΠΏΡΡΠΆΠΈΠ½ ΠΊΠΎΠ»ΠΎΠ΄ΠΎΠΊ. Π‘ Π²Π½ΡΡΡΠ΅Π½Π½Π΅ΠΉ ΡΡΠΎΡΠΎΠ½Ρ ΡΡΠ°Π²ΠΈΠΌ ΠΏΠ°Π»Π΅Ρ. ΠΠ°ΡΠ΅ΠΌ, Π²Π·ΡΠ²ΡΠΈΡΡ ΡΠ·ΠΊΠΎΠ³ΡΠ±ΡΠ°ΠΌΠΈ Π·Π° ΠΊΡΡΡΠΊΡ ΠΏΡΡΠΆΠΈΠ½Ρ, ΡΡΡΠ°Π½Π°Π²Π»ΠΈΠ²Π°Π΅ΠΌ ΠΏΠΎΡΠ»Π΅Π΄Π½ΡΡ Π½Π° ΠΊΠΎΠ»ΠΎΠ΄ΠΊΡ, ΡΠΆΠΈΠΌΠ°Π΅ΠΌ ΠΈ ΠΏΡΠΎΠ²ΠΎΡΠ°ΡΠΈΠ²Π°Π΅ΠΌ Π΄Π»Ρ ΠΎΠΊΠΎΠ½ΡΠ°ΡΠ΅Π»ΡΠ½ΠΎΠΉ ΡΠΈΠΊΡΠ°ΡΠΈΠΈ. ΠΠ° ΡΠ»ΠΎΠ²Π°Ρ Π²ΡΠ΅ Π²ΡΡ ΠΎΠ΄ΠΈΡ ΠΏΡΠΎΡΡΠΎ, Π½Π° Π΄Π΅Π»Π΅ ΠΆΠ΅ ΡΡΠ΅Π±ΡΠ΅ΡΡΡ ΡΠ½ΠΎΡΠΎΠ²ΠΊΠ°β¦Π§ΡΠΎΠ±Ρ ΠΏΠ°Π»Π΅Ρ Π½Π΅ Π²ΡΠΏΠ°Π», Π΅Π³ΠΎ Π½Π΅ΠΎΠ±Ρ ΠΎΠ΄ΠΈΠΌΠΎ ΠΏΡΠΈΠ΄Π΅ΡΠΆΠΈΠ²Π°ΡΡ, ΠΎΠ΄Π½ΠΎΠ²ΡΠ΅ΠΌΠ΅Π½Π½ΠΎ Ρ ΡΡΠΈΠΌ Π½ΡΠΆΠ½ΠΎ Π΄Π΅ΡΠΆΠ°ΡΡ ΠΊΠΎΠ»ΠΎΠ΄ΠΊΡ ΠΈ ΠΏΡΠΈΡΠ΅Π»ΡΠ½ΠΎ ΡΡΡΠ°Π½Π°Π²Π»ΠΈΠ²Π°ΡΡ ΠΏΡΡΠΆΠΈΠ½Ρ. Π§Π°ΡΡΠΎ ΠΈΠ»ΠΈ ΠΏΠ°Π»Π΅Ρ Π²ΡΠΏΠ°Π΄Π°Π΅Ρ, ΠΈΠ»ΠΈ ΠΏΡΡΠΆΠΈΠ½Π°, ΠΈΠ»ΠΈ Π²ΡΠ΅ Π²ΠΌΠ΅ΡΡΠ΅.
Π‘ΠΏΡΠ°Π²ΠΈΠ²ΡΠΈΡΡ Ρ ΠΏΡΠΈΠΆΠΈΠΌΠ½ΡΠΌΠΈ ΠΏΡΡΠΆΠΈΠ½Π°ΠΌΠΈ, ΠΏΡΠΎΠ²Π΅ΡΡΠ΅ΠΌ Π²ΡΡ ΡΠ±ΠΎΡΠΊΡ Π½Π° Π½Π°Π΄Π΅ΠΆΠ½ΠΎΡΡΡ ΠΊΡΠ΅ΠΏΠ»Π΅Π½ΠΈΡ ΠΈ ΡΡΠ°Π²ΠΈΠΌ Π½ΠΈΠΆΠ½ΡΡ ΠΏΡΡΠΆΠΈΠ½Ρ ΡΠΎΡΠΌΠΎΠ·Π½ΡΡ ΠΊΠΎΠ»ΠΎΠ΄ΠΎΠΊ. Π ΡΡΠΎΠΌΡ ΠΌΠΎΠΌΠ΅Π½ΡΡ Π½Π°ΠΌ ΠΊΠ°ΠΊ ΡΠ°Π· ΠΏΡΠΈΠ½Π΅ΡΠ»ΠΈ ΠΎΡΠ»ΠΈΡΠ½ΠΎ ΠΏΡΠΎΡΠΎΡΠ΅Π½Π½ΡΠ΅ ΡΠΎΡΠΌΠΎΠ·Π½ΡΠ΅ Π±Π°ΡΠ°Π±Π°Π½Ρ β ΡΡΠ°Π²ΠΈΠΌ ΠΈΡ Π½Π° ΠΌΠ΅ΡΡΠΎ. ΠΡΡΠ°Π΅ΡΡΡ ΠΎΡΡΠ΅Π³ΡΠ»ΠΈΡΠΎΠ²Π°ΡΡ.

Π Π΅Π³ΡΠ»ΠΈΡΠΎΠ²ΠΊΠ° ΡΡΠΎΡΠ½ΠΎΡΠ½ΠΎΠ³ΠΎ ΡΠΎΡΠΌΠΎΠ·Π° β ΠΏΡΠ΅Π΄Π΅Π»ΡΠ½ΠΎ ΠΏΡΠΎΡΡΠ°Ρ ΠΎΠΏΠ΅ΡΠ°ΡΠΈΡ. ΠΡΠΈ Π½Π΅Π·Π°ΡΡΠ½ΡΡΠΎΠΌ ΡΡΡΠ½ΠΈΠΊΠ΅ Π½ΡΠΆΠ½ΠΎ ΠΏΡΠΎΠ²Π΅ΡΠ½ΡΡΡ ΠΊΠΎΠ»Π΅ΡΠΎ ΠΈ, ΠΏΠΎΠΊΠ° ΠΎΠ½ΠΎ Π²ΡΠ°ΡΠ°Π΅ΡΡΡ, ΡΠ΅ΡΠ΅Π· ΡΠ΅ΡΠ²ΠΈΡΠ½ΠΎΠ΅ ΠΎΡΠ²Π΅ΡΡΡΠΈΠ΅ ΠΏΡΠΎΠΊΡΡΡΠΈΡΡ ΡΠ΅Π³ΡΠ»ΠΈΡΠΎΠ²ΠΎΡΠ½ΡΡ Π³Π°ΠΉΠΊΡ Π½Π° ΡΠ°ΡΠΏΠΎΡΠΊΠ΅ Π΄ΠΎ ΠΌΠΎΠΌΠ΅Π½ΡΠ°, ΠΊΠΎΠ³Π΄Π° ΠΊΠΎΠ»Π΅ΡΠΎ Π·Π°ΡΠΎΡΠΌΠΎΠ·ΠΈΡΡΡ, ΠΏΠΎΡΠΎΠΌ ΠΎΡΠ²Π΅ΡΠ½ΡΡΡ Π΄Π°Π½Π½ΡΡ Π³Π°ΠΉΠΊΡ Π½Π° ΡΡΠΈβΠΏΡΡΡ ΡΠ΅Π»ΡΠΊΠΎΠ² Π² ΠΎΠ±ΡΠ°ΡΠ½ΡΡ ΡΡΠΎΡΠΎΠ½Ρ. ΠΠ°ΠΆΠ΄ΡΠΉ ΠΏΡΠΎΠΈΠ·Π²ΠΎΠ΄ΠΈΡΠ΅Π»Ρ Π΄Π°Π΅Ρ ΡΠ²ΠΎΠΈ Π½Π°Π·ΠΈΠ΄Π°Π½ΠΈΡ ΠΈ ΡΠΈΡΡΡ, ΠΏΠΎΡΠΎΠΌΡ ΠΏΠ΅ΡΠ΅Π΄ ΡΠ΅Π³ΡΠ»ΠΈΡΠΎΠ²ΠΊΠΎΠΉ Π½Π΅ΠΏΠ»ΠΎΡ ΠΎ Π±Ρ ΠΎΠ·Π½Π°ΠΊΠΎΠΌΠΈΡΡΡΡ Ρ ΡΠ΅Ρ Π½ΠΈΡΠ΅ΡΠΊΠΈΠΌΠΈ Π΄Π°Π½Π½ΡΠΌΠΈ.
ΠΠΎΡΠ»Π΅ ΡΠ΅Π³ΡΠ»ΠΈΡΠΎΠ²ΠΊΠΈ Π½Π΅ Π·Π°Π±ΡΠ²Π°Π΅ΠΌ ΠΏΠΎΡΡΠ°Π²ΠΈΡΡ ΡΠ΅Π·ΠΈΠ½ΠΎΠ²ΡΡ Π·Π°Π³Π»ΡΡΠΊΡ ΡΠ΅ΡΠ²ΠΈΡΠ½ΠΎΠ³ΠΎ ΠΎΡΠ²Π΅ΡΡΡΠΈΡ Π½Π° ΡΠΎΡΠΌΠΎΠ·Π½ΠΎΠΉ ΡΠΈΡΠΎΠΊ ΠΈ ΠΏΡΠΎΠΊΠ°ΡΠ°ΡΡ Π·Π°Π΄Π½ΠΈΠΉ ΠΏΡΠ°Π²ΡΠΉ ΡΠΎΡΠΌΠΎΠ·Π½ΠΎΠΉ ΠΌΠ΅Ρ Π°Π½ΠΈΠ·ΠΌ.
ΠΠ½ΠΈΠΌΠ°ΡΠ΅Π»ΡΠ½ΡΠΉ ΡΠΈΡΠ°ΡΠ΅Π»Ρ, Π²ΠΎΠ·ΠΌΠΎΠΆΠ½ΠΎ, Π·Π°ΠΌΠ΅ΡΠΈΠ», Π½Π°ΡΠΊΠΎΠ»ΡΠΊΠΎ ΠΎΡΠ»ΠΈΡΠ°Π»ΠΈΡΡ ΠΏΡΠ°Π²ΡΠΉ ΠΈ Π»Π΅Π²ΡΠΉ ΡΠΎΡΠΌΠΎΠ·Π½ΡΠ΅ ΠΌΠ΅Ρ Π°Π½ΠΈΠ·ΠΌΡ. ΠΡΠ°Π²ΡΠΉ Π±ΡΠ» Π² Π³ΠΎΡΠ°Π·Π΄ΠΎ Π±ΠΎΠ»Π΅Π΅ ΠΏΠ»Π°ΡΠ΅Π²Π½ΠΎΠΌ ΡΠΎΡΡΠΎΡΠ½ΠΈΠΈ. ΠΠΎΠΆΠ½ΠΎ Π²ΡΠ΅ ΡΠΏΠΈΡΠ°ΡΡ Π½Π° ΠΊΠΈΡΠ°ΠΉΡΠΊΠΈΠΉ ΠΌΠ΅ΡΠ°Π»Π», Π½ΠΎ ΠΏΠ΅ΡΠ²ΠΎΠΏΡΠΈΡΠΈΠ½Π° Π² ΡΠΎΠΌ, ΡΡΠΎ ΠΏΡΠ°Π²Π°Ρ ΡΡΠΎΡΠΎΠ½Π° β ΡΡΠΎΡΠΎΠ½Π° ΠΎΠ±ΠΎΡΠΈΠ½Ρ, ΡΠ°ΠΌ Π²ΡΠ΅Π³Π΄Π° Π±ΠΎΠ»ΡΡΠ΅ Π»ΡΠΆ ΠΈ Π²ΡΠ±ΠΎΠΈΠ½, ΠΈ ΠΎΠ½Π° Π² ΠΊΠΎΡΡΠΎΠ·ΠΈΠΎΠ½Π½ΠΎΠΌ ΠΏΠ»Π°Π½Π΅ Π½Π°Π³ΡΡΠΆΠ΅Π½Π° Π±ΠΎΠ»ΡΡΠ΅. ΠΠΎΡΠΎΠΌΡ Π·Π°ΠΊΠΎΠ½ΡΠΈΠΌ Π±Π°Π½Π°Π»ΡΠ½ΡΠΌ, Π½ΠΎ Π½Π΅ΡΡΡΠ°ΡΠ΅Π²Π°ΡΡΠΈΠΌ ΡΠΎΠ²Π΅ΡΠΎΠΌ: ΡΠ»Π΅Π΄ΠΈΡΠ΅ Π·Π° ΡΠ΅Ρ Π½ΠΈΡΠ΅ΡΠΊΠΈΠΌ ΡΠΎΡΡΠΎΡΠ½ΠΈΠ΅ΠΌ ΡΠ²ΠΎΠ΅Π³ΠΎ Π°Π²ΡΠΎΠΌΠΎΠ±ΠΈΠ»Ρ ΠΈ ΡΠ²ΠΎΠ΅Π²ΡΠ΅ΠΌΠ΅Π½Π½ΠΎ ΠΏΡΠΎΠ²ΠΎΠ΄ΠΈΡΠ΅ Π’Π.
ΠΠΏΡΠΎΡ
Π Π²Ρ ΡΠ΅ΠΌΠΎΠ½ΡΠΈΡΠΎΠ²Π°Π»ΠΈ ΠΊΠΎΠ³Π΄Π°-Π½ΠΈΠ±ΡΠ΄Ρ Π±Π°ΡΠ°Π±Π°Π½Π½ΡΠ΅ ΡΠΎΡΠΌΠΎΠ·Π°?
ΠΡΠ΅Π³ΠΎ Π³ΠΎΠ»ΠΎΡΠΎΠ²:
www.kolesa.ru
ΠΠ½ΠΎΠ³ΠΈΠ΅ ΡΠΎΠ²ΡΠ΅ΠΌΠ΅Π½Π½ΡΠ΅ Π°Π²ΡΠΎΠΌΠΎΠ±ΠΈΠ»ΠΈ ΠΊΠΎΠΌΠΏΠ»Π΅ΠΊΡΡΡΡΡΡ Π΄ΠΈΡΠΊΠΎΠ²ΡΠΌΠΈ ΡΠΎΡΠΌΠΎΠ·Π°ΠΌΠΈ ΠΈ ΡΠΏΠ΅ΡΠ΅Π΄ΠΈ, ΠΈ ΡΠ·Π°Π΄ΠΈ. ΠΠΎ ΡΠ°ΠΊΠΆΠ΅ Π΅ΡΠ΅ ΠΏΡΠΎΠΈΠ·Π²ΠΎΠ΄ΡΡ ΠΌΠ°ΡΠΈΠ½Ρ, Π³Π΄Π΅ ΠΈΡΠΏΠΎΠ»ΡΠ·ΡΡΡ Π·Π°Π΄Π½ΠΈΠ΅ ΡΠΎΡΠΌΠΎΠ·Π½ΡΠ΅ Π±Π°ΡΠ°Π±Π°Π½Ρ. ΠΡΠΎΡ ΠΌΠ΅Ρ Π°Π½ΠΈΠ·ΠΌ ΠΏΡΠΈΠΌΠ΅Π½ΡΠ΅ΡΡΡ Π² Π°Π²ΡΠΎΠΌΠΎΠ±ΠΈΠ»Π΅ΡΡΡΠΎΠ΅Π½ΠΈΠΈ Π±ΠΎΠ»Π΅Π΅ ΡΡΠ° Π»Π΅Ρ. ΠΠ°ΠΊ ΠΈ ΠΌΠ½ΠΎΠ³ΠΈΠ΅ Π΄ΡΡΠ³ΠΈΠ΅ ΡΠ»Π΅ΠΌΠ΅Π½ΡΡ, ΡΠ°ΠΊΠ°Ρ ΡΠΎΡΠΌΠΎΠ·Π½Π°Ρ ΡΠΈΡΡΠ΅ΠΌΠ° ΠΌΠΎΠΆΠ΅Ρ ΠΈΠ·Π½Π°ΡΠΈΠ²Π°ΡΡΡΡ, ΠΈ ΡΠΎΠ³Π΄Π° Π½Π΅ΠΎΠ±Ρ ΠΎΠ΄ΠΈΠΌΠΎ Π΄Π΅ΠΌΠΎΠ½ΡΠΈΡΠΎΠ²Π°ΡΡ ΠΈ Π·Π°ΠΌΠ΅Π½ΠΈΡΡ ΡΡΠΈ Π΄Π΅ΡΠ°Π»ΠΈ.
ΠΠ°ΡΠ°Π±Π°Π½ ΡΠΎΡΠΌΠΎΠ·Π½ΠΎΠΉ Π·Π°Π΄Π½ΠΈΠΉ ΠΏΡΠ΅Π΄ΡΡΠ°Π²Π»ΡΠ΅Ρ ΡΠΎΠ±ΠΎΠΉ Π½Π΅ΡΠΊΠΎΠ»ΡΠΊΠΎ Π΄Π΅ΡΠ°Π»Π΅ΠΉ. ΠΡΠΎ Π²ΡΠ°ΡΠ°ΡΡΠΈΠΉΡΡ Π±Π°ΡΠ°Π±Π°Π½ ΠΈ ΡΠΎΡΠΌΠΎΠ·Π½ΡΠ΅ ΠΊΠΎΠ»ΠΎΠ΄ΠΊΠΈ. Π ΠΏΡΠΎΡΠ΅ΡΡΠ΅ ΡΠΎΡΠΌΠΎΠΆΠ΅Π½ΠΈΡ ΠΏΠΎΡΠ»Π΅Π΄Π½ΠΈΠ΅ ΡΡΡΡΡΡ ΠΎΠ± ΠΏΠΎΠ²Π΅ΡΡ Π½ΠΎΡΡΡ ΠΏΠΎΠ»ΠΎΠ³ΠΎ Π²Π½ΡΡΡΠΈ Π±Π°ΡΠ°Π±Π°Π½Π°. ΠΠ»Ρ ΡΠΎΠ³ΠΎ ΡΡΠΎΠ±Ρ ΠΊΠΎΠ»ΠΎΠ΄ΠΊΠΈ ΠΌΠΎΠ³Π»ΠΈ Π΄Π²ΠΈΠ³Π°ΡΡΡΡ, Π² ΠΊΠΎΠ½ΡΡΡΡΠΊΡΠΈΠΈ ΠΈΠΌΠ΅ΡΡΡΡ ΡΠΏΠ΅ΡΠΈΠ°Π»ΡΠ½ΡΠ΅ ΠΏΡΡΠΆΠΈΠ½Ρ. ΠΠ½ΠΈ ΡΠΆΠΈΠΌΠ°ΡΡΡΡ ΠΈΠ»ΠΈ ΡΠ°Π·ΠΆΠΈΠΌΠ°ΡΡΡΡ Π² Π·Π°Π²ΠΈΡΠΈΠΌΠΎΡΡΠΈ ΠΎΡ ΡΠΎΠ³ΠΎ, Π½Π°ΠΆΠΈΠΌΠ°Π΅Ρ Π²ΠΎΠ΄ΠΈΡΠ΅Π»Ρ Π½Π° ΠΏΠ΅Π΄Π°Π»Ρ ΡΠΎΡΠΌΠΎΠ·Π° ΠΈΠ»ΠΈ ΠΎΡΠΏΡΡΠΊΠ°Π΅Ρ Π΅Π΅.
ΠΠ° ΡΡΠ°Π±Π°ΡΡΠ²Π°Π½ΠΈΠ΅ ΠΊΠΎΠ»ΠΎΠ΄ΠΎΠΊ ΠΎΡΠ²Π΅ΡΠ°Π΅Ρ ΡΠΎΡΠΌΠΎΠ·Π½ΠΎΠΉ ΡΠΈΠ»ΠΈΠ½Π΄Ρ β ΠΎΠ½ ΠΏΠΎΠ΄ Π΄Π°Π²Π»Π΅Π½ΠΈΠ΅ΠΌ ΡΠ°Π±ΠΎΡΠ΅ΠΉ ΠΆΠΈΠ΄ΠΊΠΎΡΡΠΈ ΠΏΡΠΈΠΆΠΈΠΌΠ°Π΅Ρ ΠΊΠΎΠ»ΠΎΠ΄ΠΊΡ ΠΊ ΠΏΠΎΠ²Π΅ΡΡ
Π½ΠΎΡΡΠΈ Π±Π°ΡΠ°Π±Π°Π½Π°. ΠΡΠΈΡ
ΡΠΈΠ»ΠΈΠ½Π΄ΡΠΎΠ² ΠΌΠΎΠΆΠ΅Ρ Π±ΡΡΡ Π½Π΅ΡΠΊΠΎΠ»ΡΠΊΠΎ. ΠΠ΅ΡΡ ΠΌΠ΅Ρ
Π°Π½ΠΈΠ·ΠΌ ΡΠΌΠΎΠ½ΡΠΈΡΠΎΠ²Π°Π½ Π½Π° ΡΡΠ°ΠΌΠΏΠΎΠ²Π°Π½Π½ΠΎΠΌ ΡΠΎΡΠΌΠΎΠ·Π½ΠΎΠΌ ΡΠΈΡΠ΅.ΠΠ°ΡΠ°Π±Π°Π½ ΡΠΎΡΠΌΠΎΠ·Π½ΠΎΠΉ Π·Π°Π΄Π½ΠΈΠΉ ΠΌΠΎΠΆΠ΅Ρ ΠΈΠΌΠ΅ΡΡ ΠΈ Π΄ΡΡΠ³ΡΡ ΠΊΠΎΠ½ΡΡΡΡΠΊΡΠΈΡ β Π»Π΅Π½ΡΠΎΡΠ½ΡΡ. ΠΠ΄Π΅ΡΡ ΡΠΎΡΠΌΠΎΠΆΠ΅Π½ΠΈΠ΅ ΠΎΡΡΡΠ΅ΡΡΠ²Π»ΡΠ΅ΡΡΡ Π·Π° ΡΡΠ΅Ρ Π³ΠΈΠ±ΠΊΠΎΠΉ ΠΌΠ΅ΡΠ°Π»Π»ΠΈΡΠ΅ΡΠΊΠΎΠΉ Π»Π΅Π½ΡΡ, ΠΊΠΎΡΠΎΡΠ°Ρ Π½Π°ΡΡΠ³ΠΈΠ²Π°Π΅ΡΡΡ ΠΈ ΠΎΠ±ΠΆΠΈΠΌΠ°Π΅Ρ Π±Π°ΡΠ°Π±Π°Π½. ΠΡ ΡΡΠΎΠΉ ΡΠΈΡΡΠ΅ΠΌΡ Π² Π°Π²ΡΠΎΠΌΠΎΠ±ΠΈΠ»Π΅ΡΡΡΠΎΠ΅Π½ΠΈΠΈ Π΄Π°Π²Π½ΠΎ ΠΎΡΠΊΠ°Π·Π°Π»ΠΈΡΡ.
ΠΠ΄ΠΈΠ½ ΠΈΠ· Π³Π»Π°Π²Π½ΡΡ ΠΏΠ»ΡΡΠΎΠ² Π΄Π°Π½Π½ΡΡ ΠΌΠ΅Ρ Π°Π½ΠΈΠ·ΠΌΠΎΠ² Π² ΡΠΎΠΌ, ΡΡΠΎ ΠΎΠ½ΠΈ Π½Π°Π΄Π΅ΠΆΠ½ΠΎ Π·Π°ΠΊΡΡΡΡ ΠΎΡ Π»ΡΠ±ΡΡ Π²ΠΎΠ·Π΄Π΅ΠΉΡΡΠ²ΠΈΠΉ ΠΎΠΊΡΡΠΆΠ°ΡΡΠ΅ΠΉ ΡΡΠ΅Π΄Ρ. Π’Π°ΠΊΠ°Ρ ΡΠΎΡΠΌΠΎΠ·Π½Π°Ρ ΡΠΈΡΡΠ΅ΠΌΠ° ΠΈΠ΄Π΅Π°Π»ΡΠ½ΠΎ ΠΏΠΎΠ΄Ρ ΠΎΠ΄ΠΈΡ Π΄Π»Ρ ΡΠΊΡΠΏΠ»ΡΠ°ΡΠ°ΡΠΈΠΈ Π² ΡΡΠΆΠ΅Π»ΡΡ ΠΈΠ»ΠΈ Π΄Π°ΠΆΠ΅ ΡΠΊΡΡΡΠ΅ΠΌΠ°Π»ΡΠ½ΡΡ ΡΡΠ»ΠΎΠ²ΠΈΡΡ .
Π ΠΊΠΎΠ»ΠΎΠ΄ΠΊΠΈ ΠΏΡΠ°ΠΊΡΠΈΡΠ΅ΡΠΊΠΈ Π½Π΅ ΠΏΠΎΠΏΠ°Π΄Π°Π΅Ρ ΠΏΡΠ»Ρ ΠΈ Π²Π»Π°Π³Π°, ΡΡΠΎ Π·Π½Π°ΡΠΈΡΠ΅Π»ΡΠ½ΠΎ ΠΏΠΎΠ²ΡΡΠ°Π΅Ρ ΡΠ΅ΡΡΡΡ Π΄Π΅ΡΠ°Π»Π΅ΠΉ. Π’Π°ΠΊΠΆΠ΅ Π² ΠΏΡΠΎΡΠ΅ΡΡΠ΅ ΡΠΎΡΠΌΠΎΠΆΠ΅Π½ΠΈΡ ΡΠ°ΠΊΠ°Ρ ΡΠΈΡΡΠ΅ΠΌΠ° Π²ΡΠ΄Π΅Π»ΡΠ΅Ρ ΠΌΠ΅Π½ΡΡΠ΅ ΡΠ΅ΠΏΠ»Π°, ΡΡΠΎ Π΄Π°Π΅Ρ Π²ΠΎΠ·ΠΌΠΎΠΆΠ½ΠΎΡΡΡ ΠΈΡΠΏΠΎΠ»ΡΠ·ΠΎΠ²Π°ΡΡ Π±ΠΎΠ»Π΅Π΅ Π΄Π΅ΡΠ΅Π²ΡΠ΅ ΠΆΠΈΠ΄ΠΊΠΎΡΡΠΈ Π½Π°ΡΠ°Π»ΡΠ½ΠΎΠ³ΠΎ ΡΡΠΎΠ²Π½Ρ Ρ Π½ΠΈΠ·ΠΊΠΎΠΉ ΡΠ΅ΠΌΠΏΠ΅ΡΠ°ΡΡΡΠΎΠΉ ΠΊΠΈΠΏΠ΅Π½ΠΈΡ.
ΠΡΠ΅ ΠΎΠ΄Π½ΠΎ ΠΏΡΠ΅ΠΈΠΌΡΡΠ΅ΡΡΠ²ΠΎ Π² ΡΠΎΠΌ, ΡΡΠΎ ΡΠΈΠ»Π° ΡΠΎΡΠΌΠΎΠΆΠ΅Π½ΠΈΡ ΠΌΠΎΠΆΠ΅Ρ Π±ΡΡΡ ΠΏΠΎΠ²ΡΡΠ΅Π½Π° Π½Π΅ ΡΠΎΠ»ΡΠΊΠΎ Π·Π° ΡΡΠ΅Ρ Π±ΠΎΠ»ΡΡΠ΅Π³ΠΎ Π΄ΠΈΠ°ΠΌΠ΅ΡΡΠ° ΡΠΎΡΠΌΠΎΠ·Π½ΠΎΠ³ΠΎ Π±Π°ΡΠ°Π±Π°Π½Π°, Π½ΠΎ ΠΈ Π·Π° ΡΡΠ΅Ρ Π΅Π³ΠΎ ΡΠΈΡΠΈΠ½Ρ. Π’Π°ΠΊ, ΠΏΡΡΠ½ΠΎ ΠΊΠΎΠ½ΡΠ°ΠΊΡΠ° ΠΊΠΎΠ»ΠΎΠ΄ΠΊΠΈ Ρ ΠΏΠΎΠ²Π΅ΡΡ
Π½ΠΎΡΡΡΡ ΡΠ»Π΅ΠΌΠ΅Π½ΡΠ° ΡΡΠ°Π½ΠΎΠ²ΠΈΡΡΡ Π±ΠΎΠ»ΡΡΠ΅, ΡΡΠΎ ΠΏΠΎΠ·Π²ΠΎΠ»ΡΠ΅Ρ Π·Π½Π°ΡΠΈΡΠ΅Π»ΡΠ½ΠΎ ΡΠ»ΡΡΡΠΈΡΡ ΡΠΎΡΠΌΠΎΠ·ΡΡΠΈΠ΅ ΡΠ²ΠΎΠΉΡΡΠ²Π°.ΠΠ°Π΄Π½ΠΈΠ΅ ΡΠΎΡΠΌΠΎΠ·Π½ΡΠ΅ Π±Π°ΡΠ°Π±Π°Π½Ρ Π·Π° ΡΡΠ΅Ρ ΡΠ²ΠΎΠ΅ΠΉ ΠΊΠΎΠ½ΡΡΡΡΠΊΡΠΈΠΈ ΠΌΠΎΠ³ΡΡ ΠΏΠΎΠ²ΡΡΠ°ΡΡ ΡΡΡΠ΅ΠΊΡΠΈΠ²Π½ΠΎΡΡΡ ΡΠ°Π±ΠΎΡΡ. ΠΠ°ΡΠ°Π±Π°Π½ Π²ΡΠ°ΡΠ°Π΅ΡΡΡ ΠΈ Π² ΠΏΡΠΎΡΠ΅ΡΡΠ΅ ΡΠΎΡΠΌΠΎΠΆΠ΅Π½ΠΈΡ ΠΏΠΎΡΡΠΎΡΠ½Π½ΠΎ Ρ ΠΎΡΠ΅Ρ ΡΠ²Π΅ΡΡΠΈ ΠΊΠΎΠ»ΠΎΠ΄ΠΊΠΈ Π·Π° ΡΠΎΠ±ΠΎΠΉ, ΠΊΠ°ΠΊ Π±Ρ ΠΏΡΠΎΠ²ΠΎΡΠ°ΡΠΈΠ²Π°Ρ ΠΈΡ . Π ΠΈΡΠΎΠ³Π΅ ΡΠΌΠ΅Π½ΡΡΠ°Π΅ΡΡΡ ΡΡΠΈΠ»ΠΈΠ΅ Π½Π° ΠΏΠ΅Π΄Π°Π»ΠΈ.
ΠΡΠΈ Π²ΡΠ΅Ρ ΡΠ²ΠΎΠΈΡ Π΄ΠΎΡΡΠΎΠΈΠ½ΡΡΠ²Π°Ρ , ΡΠ°ΠΊΠ°Ρ ΡΠΎΡΠΌΠΎΠ·Π½Π°Ρ ΡΠΈΡΡΠ΅ΠΌΠ° ΠΈΠΌΠ΅Π΅Ρ Π½ΠΈΠ·ΠΊΡΡ ΡΠΊΠΎΡΠΎΡΡΡ ΡΡΠ°Π±Π°ΡΡΠ²Π°Π½ΠΈΡ, Π² ΠΎΡΠ»ΠΈΡΠΈΠ΅ ΠΎΡ Π΄ΠΈΡΠΊΠΎΠ²ΡΡ Π°Π½Π°Π»ΠΎΠ³ΠΎΠ². Π’Π°ΠΊΠΆΠ΅ Π΅ΡΡΡ ΠΎΠΏΡΠ΅Π΄Π΅Π»Π΅Π½Π½ΡΠ΅ ΡΠ»ΠΎΠΆΠ½ΠΎΡΡΠΈ Π² Π½Π°ΡΡΡΠΎΠΉΠΊΠ΅, ΠΊΠΎΠ½ΡΡΡΡΠΊΡΠΈΡ ΠΈΠΌΠ΅Π΅Ρ Π½ΠΈΠ·ΠΊΡΡ ΡΡΠ°Π±ΠΈΠ»ΡΠ½ΠΎΡΡΡ. ΠΠΎΠ³Π΄Π° Π³ΡΠ΅Π΅ΡΡΡ Π·Π°Π΄Π½ΠΈΠΉ ΡΠΎΡΠΌΠΎΠ·Π½ΠΎΠΉ Π±Π°ΡΠ°Π±Π°Π½, ΡΠ»ΡΡΠ°Π΅ΡΡΡ, ΡΡΠΎ ΠΊΠΎΠ»ΠΎΠ΄ΠΊΠΈ Β«Π·Π°Π»ΠΈΠΏΠ°ΡΡΒ», Π° ΡΠΎΡΠΌΠΎΠ·Π½ΡΠ΅ Ρ Π°ΡΠ°ΠΊΡΠ΅ΡΠΈΡΡΠΈΠΊΠΈ Π·Π½Π°ΡΠΈΡΠ΅Π»ΡΠ½ΠΎ ΡΡ ΡΠ΄ΡΠ°ΡΡΡΡ.
ΠΡΠΈ ΡΠ»ΠΈΡΠΊΠΎΠΌ Π½ΠΈΠ·ΠΊΠΎΠΉ ΡΠ΅ΠΌΠΏΠ΅ΡΠ°ΡΡΡΠ΅ Π²ΠΎΠ·Π΄ΡΡ Π° Π½Π΅ ΡΠ΅ΠΊΠΎΠΌΠ΅Π½Π΄ΡΠ΅ΡΡΡ ΠΈΡΠΏΠΎΠ»ΡΠ·ΠΎΠ²Π°ΡΡ ΡΡΡΠ½ΠΎΠΉ ΡΠΎΡΠΌΠΎΠ·. Π‘Π»ΡΡΠ°Π΅ΡΡΡ Π½Π΅ΠΌΠ°Π»ΠΎ ΡΠΈΡΡΠ°ΡΠΈΠΉ, ΠΊΠΎΠ³Π΄Π° ΠΊΠΎΠ»ΠΎΠ΄ΠΊΠΈ ΠΏΡΠΎΡΡΠΎ ΠΏΡΠΈΠΌΠ΅ΡΠ·Π°ΡΡ ΠΊ Π±Π°ΡΠ°Π±Π°Π½Ρ. ΠΠ·-Π·Π° ΡΡΠΈΡ Π½Π΅ΠΏΡΠΈΡΡΠ½ΠΎΡΡΠ΅ΠΉ Π² Π±ΠΎΠ»ΡΡΠΈΠ½ΡΡΠ²Π΅ ΡΠΎΠ²ΡΠ΅ΠΌΠ΅Π½Π½ΡΡ Π΄ΠΎΡΠΎΠ³ΠΈΡ Π°Π²ΡΠΎ ΠΎΡ ΡΡΠΎΠ³ΠΎ ΠΌΠ΅Ρ Π°Π½ΠΈΠ·ΠΌΠ° ΠΏΡΠ΅Π΄ΠΏΠΎΡΠΈΡΠ°ΡΡ ΡΠΉΡΠΈ.
ΠΠ°Π΄Π½ΠΈΠ΅ ΡΠΎΡΠΌΠΎΠ·Π½ΡΠ΅ Π±Π°ΡΠ°Π±Π°Π½Ρ ΡΠ°ΡΠ΅ ΠΌΠΎΠΆΠ½ΠΎ ΡΠ²ΠΈΠ΄Π΅ΡΡ Π½Π° Π±ΡΠ΄ΠΆΠ΅ΡΠ½ΡΡ ΠΌΠΎΠ΄Π΅Π»ΡΡ , Π½Π° Π³ΠΎΡΠΎΠ΄ΡΠΊΠΈΡ ΠΌΠ°Π»ΠΎΠ»ΠΈΡΡΠ°ΠΆΠΊΠ°Ρ , Π³Π΄Π΅ ΠΎΠ½ΠΈ ΡΡΡΠ°Π½ΠΎΠ²Π»Π΅Π½Ρ ΡΠ·Π°Π΄ΠΈ. Π’Π°ΠΊΠΆΠ΅ Π΄Π°Π½Π½Π°Ρ ΡΠΈΡΡΠ΅ΠΌΠ° ΡΡΡΠ°Π½Π°Π²Π»ΠΈΠ²Π°Π΅ΡΡΡ Π½Π° Π³ΡΡΠ·ΠΎΠ²ΠΎΠΉ Π°Π²ΡΠΎΡΡΠ°Π½ΡΠΏΠΎΡΡ.
Π’Π°ΠΊ ΠΊΠ°ΠΊ Π·Π°Π΄Π½ΠΈΠ΅ ΠΊΠΎΠ»Π΅ΡΠ° ΡΡΠ°ΡΡΠ²ΡΡΡ Π² ΠΏΡΠΎΡΠ΅ΡΡΠ΅ ΡΠΎΡΠΌΠΎΠΆΠ΅Π½ΠΈΡ Π·Π½Π°ΡΠΈΡΠ΅Π»ΡΠ½ΠΎ ΠΌΠ΅Π½ΡΡΠ΅, ΡΠ΅ΠΌ ΠΏΠ΅ΡΠ΅Π΄Π½ΠΈΠ΅, ΡΠΎ Π°Π²ΡΠΎΠ²Π»Π°Π΄Π΅Π»Π΅Ρ Π½Π΅ ΡΡΠ°Π·Ρ ΡΠΌΠΎΠΆΠ΅Ρ ΠΏΠΎΠ½ΡΡΡ, ΡΡΠΎ ΡΡΡΠ΅ΠΊΡΠΈΠ²Π½ΠΎΡΡΡ ΠΈΡ ΡΠ°Π±ΠΎΡΡ ΡΠ½ΠΈΠ·ΠΈΠ»Π°ΡΡ. ΠΡΠΎΠΌΠ΅ ΡΠΎΠ³ΠΎ, ΡΠ½ΠΈΠΆΠ΅Π½ΠΈΠ΅ ΡΡΠΎΠΉ ΡΠ°ΠΌΠΎΠΉ ΡΡΡΠ΅ΠΊΡΠΈΠ²Π½ΠΎΡΡΠΈ ΠΏΡΠΎΠΈΡΡ ΠΎΠ΄ΠΈΡ ΠΏΠΎΡΡΠ΅ΠΏΠ΅Π½Π½ΠΎ ΠΈ ΠΌΠ΅Π΄Π»Π΅Π½Π½ΠΎ.
ΠΡΠΎΠ±Π»Π΅ΠΌΡ Ρ Π±Π°ΡΠ°Π±Π°Π½Π½ΡΠΌ ΡΠΎΡΠΌΠΎΠ·ΠΎΠΌ ΠΌΠΎΠΆΠ½ΠΎ ΠΎΡΡΡΠΈΡΡ ΠΏΡΠΈ ΡΠ½Π΅ΡΠ³ΠΈΡΠ½ΡΡ ΡΠΎΡΠΌΠΎΠΆΠ΅Π½ΠΈΡΡ β Π°Π²ΡΠΎΠΌΠΎΠ±ΠΈΠ»Ρ ΠΎΡΡΠ°Π½Π°Π²Π»ΠΈΠ²Π°Π΅ΡΡΡ Π·Π½Π°ΡΠΈΡΠ΅Π»ΡΠ½ΠΎ ΠΌΠ΅Π΄Π»Π΅Π½Π½Π΅Π΅, ΡΠ΅ΠΌ ΠΎΠ±ΡΡΠ½ΠΎ. ΠΠ° Π±ΠΎΠ»ΡΡΠΈΠ½ΡΡΠ²Π΅ ΠΌΠ°ΡΠΈΠ½ ΠΏΠΎΠ»ΠΎΠΌΠΊΠ° Π΄Π°Π½Π½ΠΎΠΉ ΡΠΈΡΡΠ΅ΠΌΡ ΠΎΡΠΎΠ±Π΅Π½Π½ΠΎ Π·Π°ΠΌΠ΅ΡΠ½Π° ΠΏΡΠΈ Π½Π΅ΠΎΠ±Ρ ΠΎΠ΄ΠΈΠΌΠΎΡΡΠΈ Π΄Π²ΠΈΠ³Π°ΡΡΡΡ Π·Π°Π΄Π½ΠΈΠΌ Ρ ΠΎΠ΄ΠΎΠΌ. ΠΠ΅ΡΠ΅Π΄Π½ΡΡ ΡΠΎΡΠΌΠΎΠ·Π½Π°Ρ ΡΠΈΡΡΠ΅ΠΌΠ°, ΠΊΠΎΡΠΎΡΠ°Ρ ΡΡΠ°Π»Π° Π·Π°Π΄Π½Π΅ΠΉ, Π½Π΅ Ρ ΠΎΡΠ΅Ρ ΡΠ°Π±ΠΎΡΠ°ΡΡ ΠΎΠ΄Π½Π° ΠΈ ΠΎΡΡΠ°Π½Π°Π²Π»ΠΈΠ²Π°Π΅Ρ Π°Π²ΡΠΎΠΌΠΎΠ±ΠΈΠ»Ρ Π½Π΅ΡΡΡΠ΅ΠΊΡΠΈΠ²Π½ΠΎ.
Π£ΡΠ΅ΡΠΊΠΈ ΡΠΎΡΠΌΠΎΠ·Π½ΠΎΠΉ ΠΆΠΈΠ΄ΠΊΠΎΡΡΠΈ ΠΌΠΎΠ³ΡΡ ΠΏΡΠΈΠ²ΠΎΠ΄ΠΈΡΡ ΠΊ ΠΎΡΠΊΠ»ΡΡΠ΅Π½ΠΈΡΠΌ ΠΎΠ΄Π½ΠΎΠ³ΠΎ ΠΈΠ»ΠΈ Π΄Π²ΡΡ
ΠΊΠΎΠ½ΡΡΡΠΎΠ² ΡΠΎΡΠΌΠΎΠ·Π½ΠΎΠΉ ΡΠΈΡΡΠ΅ΠΌΡ β ΡΡΠΎ ΡΡΠ°Π½ΠΎΠ²ΠΈΡΡΡ ΠΏΡΠΈΡΠΈΠ½ΠΎΠΉ ΡΠ½ΠΈΠΆΠ΅Π½ΠΈΡ ΡΡΡΠ΅ΠΊΡΠΈΠ²Π½ΠΎΡΡΠΈ ΡΠΎΡΠΌΠΎΠΆΠ΅Π½ΠΈΡ Π½Π° 30-60%. ΠΠΎΠ·Π΄ΡΡ
Π² Π³ΠΈΠ΄ΡΠ°Π²Π»ΠΈΡΠ΅ΡΠΊΠΎΠΌ ΠΏΡΠΈΠ²ΠΎΠ΄Π΅ Π²Π΅Π΄Π΅Ρ ΠΊ ΠΎΡΡΡΠ΅Π½ΠΈΡ ΠΌΡΠ³ΠΊΠΎΡΡΠΈ ΠΏΡΠΈ Π½Π°ΠΆΠ°ΡΠΈΠΈ Π½Π° ΠΏΠ΅Π΄Π°Π»Ρ. Π ΡΠΎΡΠΌΠΎΠ· ΡΡΠ°Π±Π°ΡΡΠ²Π°Π΅Ρ ΡΠΎΠ»ΡΠΊΠΎ Π² ΠΊΠΎΠ½ΡΠ΅ Ρ
ΠΎΠ΄Π°.ΠΡΠ»ΠΈ Π² Π±Π°ΡΠ°Π±Π°Π½Π΅ ΠΏΠ΅ΡΠ΅ΠΊΠΎΡΠΈΠ»ΠΈΡΡ ΠΊΠΎΠ»ΠΎΠ΄ΠΊΠΈ, ΡΠ»ΠΎΠΌΠ°Π»ΠΈΡΡ ΠΏΡΡΠΆΠΈΠ½Ρ ΠΈΠ»ΠΈ ΡΡΠΎΠΉΠΊΠΈ, Π²ΠΎΠ΄ΠΈΡΠ΅Π»Ρ ΠΌΠΎΠΆΠ΅Ρ ΡΡΠ»ΡΡΠ°ΡΡ ΡΠΊΡΠ΅Π±ΡΡΠΈΠ΅ Π·Π²ΡΠΊΠΈ. ΠΡΠΎ ΠΌΠΎΠΆΠ΅Ρ ΡΡΠ°ΡΡ ΠΏΡΠΈΡΠΈΠ½ΠΎΠΉ Π·Π°ΠΊΠ»ΠΈΠ½ΠΈΠ²Π°Π½ΠΈΡ ΠΈ ΠΏΠ΅ΡΠ΅Π³ΡΠ΅Π²Π° Π±Π°ΡΠ°Π±Π°Π½Π°. Π’Π°ΠΊΠΆΠ΅ ΡΡΠΎ ΠΌΠΎΠΆΠ΅Ρ ΠΏΡΠΈΠ²Π΅ΡΡΠΈ ΠΊ ΡΠΌΠ΅Π½ΡΡΠ΅Π½ΠΈΡ Π½Π°ΠΊΠ°ΡΠ° ΠΌΠ°ΡΠΈΠ½Ρ ΠΈΠ»ΠΈ Π²ΡΡΠΎΠΊΠΎΠΌΡ ΡΠ°ΡΡ ΠΎΠ΄Ρ ΡΠΎΠΏΠ»ΠΈΠ²Π°. Π‘ΡΠ΅Π΄ΠΈ Π½Π΅ΠΏΠΎΠ»Π°Π΄ΠΎΠΊ ΡΠ°ΠΊΠΆΠ΅ Π²ΡΡΡΠ΅ΡΠ°Π΅ΡΡΡ ΠΎΠ²Π°Π»ΡΠ½ΠΎΡΡΡ Π±Π°ΡΠ°Π±Π°Π½Π°.
Π‘ΡΠ΅Π΄ΠΈ ΡΠ°ΠΌΡΡ ΡΠ°ΡΠΏΡΠΎΡΡΡΠ°Π½Π΅Π½Π½ΡΡ ΠΏΡΠΈΡΠΈΠ½, ΠΏΠΎ ΠΊΠΎΡΠΎΡΡΠΌ Π·Π°Π΄Π½ΠΈΠ΅ ΡΠΎΡΠΌΠΎΠ·Π½ΡΠ΅ Π±Π°ΡΠ°Π±Π°Π½Ρ ΡΠ΅ΡΡΡΡ ΡΡΡΠ΅ΠΊΡΠΈΠ²Π½ΠΎΡΡΡ, Π½Π΅ ΡΠ½ΠΈΠΆΠ΅Π½ΠΈΠ΅ ΡΠ΅ΡΡΡΡΠ° ΠΊΠΎΠ»ΠΎΠ΄ΠΎΠΊ, Π° ΠΏΠΎΠ²ΡΡΠ΅Π½Π½ΡΠΉ ΠΈΠ·Π½ΠΎΡ ΡΠ°ΠΌΠΎΠ³ΠΎ Π±Π°ΡΠ°Π±Π°Π½Π°. ΠΠ½ΡΡΡΠΈ, Π½Π° Π΅Π³ΠΎ ΡΠ°Π±ΠΎΡΠ΅ΠΉ ΠΏΠΎΠ²Π΅ΡΡ Π½ΠΎΡΡΠΈ ΡΠ²Π΅Π»ΠΈΡΠΈΠ²Π°Π΅ΡΡΡ ΠΎΠΊΡΡΠΆΠ½ΠΎΡΡΡ ΡΡΠΎΠΉ ΡΠ°ΠΌΠΎΠΉ ΠΏΠΎΠ²Π΅ΡΡ Π½ΠΎΡΡΠΈ. ΠΠΎΠ³Π΄Π° ΠΎΠ΄Π½ΠΎΠ²ΡΠ΅ΠΌΠ΅Π½Π½ΠΎ Π²ΡΡΠ°Π±Π°ΡΡΠ²Π°ΡΡΡΡ ΠΊΠΎΠ»ΠΎΠ΄ΠΊΠΈ ΠΈ ΡΠ°Π±ΠΎΡΠ°Ρ ΠΏΠΎΠ²Π΅ΡΡ Π½ΠΎΡΡΡ, ΡΠΎ Π΅ΡΡΡ ΡΠΈΡΠΊ, ΡΡΠΎ ΠΏΠΎΡΡΠ½ΠΈ Π²ΡΠ΄Π°Π²ΠΈΡ ΠΈΠ· ΡΠ°Π±ΠΎΡΠ΅Π³ΠΎ ΡΠΈΠ»ΠΈΠ½Π΄ΡΠ°, ΠΊΠΎΠ»Π΅ΡΠ° Π·Π°ΠΊΠ»ΠΈΠ½ΠΈΡ ΠΈΠ»ΠΈ Π½Π°ΡΠ½Π΅ΡΡΡ ΡΡΠ΅ΡΠΊΠ° ΡΠΎΡΠΌΠΎΠ·Π½ΠΎΠΉ ΠΆΠΈΠ΄ΠΊΠΎΡΡΠΈ ΠΈΠ· ΠΊΠΎΠ½ΡΡΡΠ°.
ΠΠ° Π°Π²ΡΠΎΠΌΠΎΠ±ΠΈΠ»ΡΡ Ρ Π±ΠΎΠ»ΡΡΠΈΠΌΠΈ ΠΏΡΠΎΠ±Π΅Π³Π°ΠΌΠΈ Π²ΡΠ»Π΅Π΄ΡΡΠ²ΠΈΠ΅ ΠΊΠΎΡΡΠΎΠ·ΠΈΠΈ ΠΌΠΎΠΆΠ΅Ρ ΡΠ»ΡΡΠΈΡΡΡΡ ΠΎΡΠ»Π°Π±Π»Π΅Π½ΠΈΠ΅, βΠ·Π°Π»ΠΈΠΏΠ°Π½ΠΈΠ΅β ΠΈΠ»ΠΈ ΡΠ°Π·ΡΡΡΠ΅Π½ΠΈΠ΅ ΠΏΡΡΠΆΠΈΠ½. Π£ΡΠΈΠ»ΠΈΠ΅ Π½Π°ΠΆΠΈΠΌΠ° ΠΌΠΎΠΆΠ΅Ρ Π·Π°ΠΌΠ΅ΡΠ½ΠΎ ΡΠ½ΠΈΠ·ΠΈΡΡΡΡ ΠΈΠ·-Π·Π° ΠΎΡΠ»Π°Π±Π»Π΅Π½ΠΈΡ ΡΡΠΎΡΠ° ΡΡΡΠ½ΠΎΠ³ΠΎ ΡΠΎΡΠΌΠΎΠ·Π°. Π Π΅Π΄ΠΊΠΎ, Π½ΠΎ ΡΠ»ΡΡΠ°Π΅ΡΡΡ ΠΎΡΡΠ»ΠΎΠ΅Π½ΠΈΠ΅ ΡΡΠΈΠΊΡΠΈΠΎΠ½Π½ΠΎΠΉ Π½Π°ΠΊΠ»Π°Π΄ΠΊΠΈ ΠΎΡ ΠΊΠΎΠ»ΠΎΠ΄ΠΊΠΈ. Π ΡΡΠΎΠΌ ΡΠ»ΡΡΠ°Π΅ ΡΠ΅ΠΊΠΎΠΌΠ΅Π½Π΄ΡΠ΅ΡΡΡ Π·Π°ΠΌΠ΅Π½Π° ΡΠΎΡΠΌΠΎΠ·Π½ΡΡ ΠΊΠΎΠ»ΠΎΠ΄ΠΎΠΊ Π·Π°Π΄Π½ΠΈΡ Π±Π°ΡΠ°Π±Π°Π½ΠΎΠ².
ΠΡΠ»ΠΈ Π½Π° ΠΏΠΎΠ²Π΅ΡΡ Π½ΠΎΡΡΠΈ ΡΠ°Π±ΠΎΡΠ΅Π³ΠΎ ΡΠΈΠ»ΠΈΠ½Π΄ΡΠ° ΠΈΠΌΠ΅ΡΡΡΡ ΡΠ»Π΅Π΄Ρ ΠΆΠΈΠ΄ΠΊΠΎΡΡΠΈ, ΡΠΎ ΡΡΠΎ ΡΠ²ΠΈΠ΄Π΅ΡΠ΅Π»ΡΡΡΠ²ΡΠ΅Ρ ΠΎ ΠΏΠΎΠΏΠ°Π΄Π°Π½ΠΈΠΈ Π² ΡΠΈΡΡΠ΅ΠΌΡ Π²ΠΎΠ·Π΄ΡΡ Π°. ΠΠ»Ρ ΡΠΎΡΠ½ΠΎΠΉ Π΄ΠΈΠ°Π³Π½ΠΎΡΡΠΈΠΊΠΈ Π½Π΅ΠΎΠ±Ρ ΠΎΠ΄ΠΈΠΌΠΎ ΠΎΡΠΏΡΠ°Π²ΠΈΡΡΡΡ Π½Π° Π‘Π’Π, Π³Π΄Π΅ ΠΈΠΌΠ΅Π΅ΡΡΡ ΡΠΏΠ΅ΡΠΈΠ°Π»ΡΠ½ΡΠΉ ΡΡΠ΅Π½Π΄, ΠΏΠΎΠ·Π²ΠΎΠ»ΡΡΡΠΈΠΉ Π²ΡΡΠΈΡΠ»ΠΈΡΡ ΡΡΡΠ΅ΠΊΡΠΈΠ²Π½ΠΎΡΡΡ ΠΊΠ°ΠΆΠ΄ΠΎΠ³ΠΎ ΠΌΠ΅Ρ Π°Π½ΠΈΠ·ΠΌΠ°.
Π§ΡΠΎΠ±Ρ Π±Π°ΡΠ°Π±Π°Π½Π½ΡΠ΅ ΡΠΎΡΠΌΠΎΠ·Π° ΡΠ°Π±ΠΎΡΠ°Π»ΠΈ ΠΈΡΠΏΡΠ°Π²Π½ΠΎ, Π½Π΅ΠΎΠ±Ρ
ΠΎΠ΄ΠΈΠΌΠΎ ΠΈΡ
Π²ΠΎΠ²ΡΠ΅ΠΌΡ ΠΎΠ±ΡΠ»ΡΠΆΠΈΠ²Π°ΡΡ, ΠΏΡΠΎΠ²Π΅ΡΡΡΡ ΠΈΡ
ΡΠ°Π±ΠΎΡΡ. ΠΠ»Ρ ΡΡΠΎΠ³ΠΎ Π΄ΠΎΡΡΠ°ΡΠΎΡΠ½ΠΎ ΡΠ΅Π·ΠΊΠΎ ΠΎΡΡΠ°Π½ΠΎΠ²ΠΈΡΡΡΡ ΡΠΎ ΡΠΊΠΎΡΠΎΡΡΠΈ 60-80 ΠΊΠΌ/Ρ. ΠΡΠΈ ΡΠ΅ΡΡΡ Π½ΡΠΆΠ½ΠΎ ΠΏΡΠΎΠ²ΠΎΠ΄ΠΈΡΡ Π½Π°ΡΠΊΠΎΠ»ΡΠΊΠΎ ΡΠ°Π·.ΠΠ°ΠΌΠ΅Π½Π΅ Π±Π°ΡΠ°Π±Π°Π½ ΠΏΠΎΠ΄Π»Π΅ΠΆΠΈΡ, Π΅ΡΠ»ΠΈ ΠΎΠ½ Π΄Π΅ΡΠΎΡΠΌΠΈΡΠΎΠ²Π°Π½ ΠΈΠ»ΠΈ ΠΆΠ΅ Π΅Π³ΠΎ ΠΏΠΎΠ²Π΅ΡΡ Π½ΠΎΡΡΡ ΠΈΠΌΠ΅Π΅Ρ ΡΠΊΠ²ΠΎΠ·Π½ΡΠ΅ ΡΡΠ΅ΡΠΈΠ½Ρ ΠΈ Π²ΠΌΡΡΠΈΠ½Ρ. ΠΠΎΠΌΠΈΠΌΠΎ Π΄Π΅ΡΠΎΡΠΌΠ°ΡΠΈΠΈ Π΄Π°Π½Π½ΠΎΠ³ΠΎ ΠΌΠ΅Ρ Π°Π½ΠΈΠ·ΠΌΠ°, Π½Π° Π΅Π³ΠΎ ΡΠ°Π±ΠΎΡΠ΅ΠΉ ΠΏΠΎΠ²Π΅ΡΡ Π½ΠΎΡΡΠΈ ΠΌΠΎΠΆΠ΅Ρ Π±ΡΡΡ Π²ΡΡΠ°Π±ΠΎΡΠΊΠ° (ΡΠ²Π΅Π»ΠΈΡΠΈΠ²Π°Π΅ΡΡΡ Π²Π½ΡΡΡΠ΅Π½Π½ΠΈΠΉ Π΄ΠΈΠ°ΠΌΠ΅ΡΡ ΡΠ»Π΅ΠΌΠ΅Π½ΡΠ°). ΠΠ°Π΄Π½ΠΈΠΉ ΡΠΎΡΠΌΠΎΠ·Π½ΠΎΠΉ Π±Π°ΡΠ°Π±Π°Π½ (ΠΠΠ 2101-2107) ΠΈΠΌΠ΅Π΅Ρ Π΄ΠΈΠ°ΠΌΠ΅ΡΡ 200 ΠΌΠΌ. ΠΡΠ»ΠΈ ΡΠ°Π·ΠΌΠ΅Ρ ΠΏΡΠ΅Π²ΡΡΠ°Π΅Ρ 201,5 ΠΌΠΌ, ΡΠΎ Π΄Π΅ΡΠ°Π»Ρ ΠΏΠΎΠ΄Π»Π΅ΠΆΠΈΡ Π·Π°ΠΌΠ΅Π½Π΅.
ΠΡΠΎΡΠ΅ΡΡ Π·Π°ΠΌΠ΅Π½Ρ Π΄ΠΎΠ»ΠΆΠ΅Π½ ΠΏΡΠΎΠ²ΠΎΠ΄ΠΈΡΡΡ Π½Π° Π²ΡΠ²Π΅ΡΠ΅Π½Π½ΠΎΠΉ ΠΌΠ°ΡΠΈΠ½Π΅, ΠΏΡΠΈ ΡΡΠΎΠΌ ΡΡΡΠ½ΠΎΠΉ ΡΠΎΡΠΌΠΎΠ· Π΄ΠΎΠ»ΠΆΠ΅Π½ Π±ΡΡΡ ΠΎΡΠΏΡΡΠ΅Π½. ΠΠ΅ΡΠ²ΡΠΌ Π΄Π΅Π»ΠΎΠΌ Π½Π΅ΠΎΠ±Ρ ΠΎΠ΄ΠΈΠΌΠΎ ΡΠ½ΡΡΡ ΠΊΠΎΠ»Π΅ΡΠΎ ΡΠΎ ΡΡΠΎΡΠΎΠ½Ρ, Π³Π΄Π΅ Π±ΡΠ΄Π΅Ρ Π΄Π΅ΠΌΠΎΠ½ΡΠΈΡΠΎΠ²Π°ΡΡΡΡ Π±Π°ΡΠ°Π±Π°Π½.
ΠΠ°Π»Π΅Π΅ ΠΏΡΠΈ ΠΏΠΎΠΌΠΎΡΠΈ Π³Π°Π΅ΡΠ½ΠΎΠ³ΠΎ ΠΈΠ»ΠΈ Π½Π°ΠΊΠΈΠ΄Π½ΠΎΠ³ΠΎ ΠΊΠ»ΡΡΠ° ΡΠ»Π΅Π΄ΡΠ΅Ρ ΠΎΡΠ²Π΅ΡΠ½ΡΡΡ Π½Π°ΠΏΡΠ°Π²Π»ΡΡΡΠΈΠ΅ ΡΡΠΈΡΡΡ, ΡΡΠΎ ΡΠ΄Π΅ΡΠΆΠΈΠ²Π°ΡΡ Π±Π°ΡΠ°Π±Π°Π½ ΠΈ ΠΊΡΠ΅ΠΏΡΡ ΠΊ ΡΡΡΠΏΠΈΡΠ΅ ΠΊΠΎΠ»Π΅ΡΠ°. ΠΠΎΠ³Π΄Π° ΠΎΠ½ΠΈ Π±ΡΠ΄ΡΡ ΠΎΡΠ²Π΅ΡΠ½ΡΡΡ, ΡΠ»Π΅Π΄ΡΠ΅Ρ ΠΏΠΎΡΡΠ½ΡΡΡ Π·Π° ΠΊΠΎΡΠΏΡΡ Π±Π°ΡΠ°Π±Π°Π½Π° β ΠΎΠ½ Π΄ΠΎΠ»ΠΆΠ΅Π½ ΡΠ½ΡΡΡΡΡ.
ΠΡΠ»ΠΈ Π·Π°Π΄Π½ΠΈΠΉ ΡΠΎΡΠΌΠΎΠ·Π½ΠΎΠΉ Π±Π°ΡΠ°Π±Π°Π½ (ΠΠΠ-2107 Π² ΡΠΎΠΌ ΡΠΈΡΠ»Π΅) Π½Π΅ ΡΠ½ΠΈΠΌΠ°Π΅ΡΡΡ, ΡΡΠΎ ΠΎΡΠ΅Π½Ρ ΡΠ°ΡΡΠΎ Π±ΡΠ²Π°Π΅Ρ, ΡΠΎΠ³Π΄Π° Π½Π΅ΠΎΠ±Ρ
ΠΎΠ΄ΠΈΠΌΠΎ Π·Π°Π²Π΅ΡΠ½ΡΡΡ Π΄Π²Π° Π±ΠΎΠ»ΡΠ° Π8 Π² ΠΎΡΠ²Π΅ΡΡΡΠΈΡ, ΠΊΠΎΡΠΎΡΡΠ΅ ΠΎΠ½ΠΈ Π²ΠΊΡΡΡΡΡΡΡ. ΠΠ°Π²ΠΎΡΠ°ΡΠΈΠ²Π°ΡΡ ΠΈΡ
Π½ΡΠΆΠ½ΠΎ ΡΠ°Π²Π½ΠΎΠΌΠ΅ΡΠ½ΠΎ. Π ΠΈΡΠΎΠ³Π΅ Π΄Π΅ΡΠ°Π»Ρ ΠΏΠΎΠ΄Π΄Π°ΡΡΡΡ ΡΠ½ΡΡΠΈΡ.Π§ΡΠΎΠ±Ρ ΡΠ½ΡΡΡ Π·Π°Π΄Π½ΠΈΠ΅ ΡΠΎΡΠΌΠΎΠ·Π½ΡΠ΅ Π±Π°ΡΠ°Π±Π°Π½Ρ ΠΠΠ ΠΌΠΎΠ΄Π΅Π»Π΅ΠΉ 2108-099, Π½ΡΠΆΠ½ΠΎ Π²ΠΊΠ»ΡΡΠΈΡΡ ΠΏΠ΅ΡΠ²ΡΡ ΠΏΠ΅ΡΠ΅Π΄Π°ΡΡ, Π° ΡΠ°ΠΊΠΆΠ΅ ΡΡΡΠ°Π½ΠΎΠ²ΠΈΡΡ ΡΠΏΠΎΡΠ½ΡΠ΅ Π±ΡΡΡΠΊΠΈ ΠΏΠΎΠ΄ Π΄Π²Π° ΠΏΠ΅ΡΠ΅Π΄Π½ΠΈΡ ΠΊΠΎΠ»Π΅ΡΠ° ΠΌΠ°ΡΠΈΠ½Ρ. ΠΠ°ΠΆΠ½ΠΎ, ΡΡΠΎΠ±Ρ Π±ΡΠ» ΠΎΡΠΏΡΡΠ΅Π½ ΡΡΡΠ°Π³ ΡΡΡΠ½ΠΎΠ³ΠΎ ΡΠΎΡΠΌΠΎΠ·Π°. ΠΠ°ΡΠ΅ΠΌ ΡΠ½ΠΈΠΌΠ°ΡΡ ΠΊΠΎΠ»Π΅ΡΠ° Π°Π²ΡΠΎΠΌΠΎΠ±ΠΈΠ»Ρ, Π° ΡΠΎΡΠΌΠΎΠ·Π½ΠΎΠΉ ΠΌΠ΅Ρ Π°Π½ΠΈΠ·ΠΌ ΠΎΡΠΈΡΠ°ΡΡ ΠΎΡ Π³ΡΡΠ·ΠΈ.
ΠΠΎΡΠ»Π΅ ΠΎΡΠΈΡΡΠΊΠΈ Π½ΡΠΆΠ½ΠΎ Π²ΡΠ²Π΅ΡΠ½ΡΡΡ Π΄Π²Π° ΠΌΠΎΠ½ΡΠ°ΠΆΠ½ΡΡ ΡΡΠΈΡΡΠ°, Π½Π°Π½Π΅ΡΡΠΈ Π½Π° ΡΡΡΠΏΠΈΡΡ ΠΊΠΎΠ»Π΅ΡΠ° Π½Π΅ΠΌΠ½ΠΎΠ³ΠΎ WD-40 ΠΈ ΠΎΡΠΈΡΡΠΈΡΡ Π³ΡΡΠ·Ρ ΠΈ ΡΠ»Π΅Π΄Ρ ΠΊΠΎΡΡΠΎΠ·ΠΈΠΈ. ΠΡΠΈ ΠΏΠΎΠΌΠΎΡΠΈ ΡΠ΅Π·ΠΈΠ½ΠΎΠ²ΠΎΠ³ΠΎ Π»ΠΈΠ±ΠΎ ΠΏΠΎΠ»ΠΈΠΌΠ΅ΡΠ½ΠΎΠ³ΠΎ ΠΌΠΎΠ»ΠΎΡΠΊΠ° Π»Π΅Π³ΠΊΠΈΠΌΠΈ ΡΠ΄Π°ΡΠ°ΠΌΠΈ ΡΡΡΠ³ΠΈΠ²Π°ΡΡ Π±Π°ΡΠ°Π±Π°Π½ ΡΠΎ ΡΡΡΠΏΠΈΡΡ. ΠΡΠ»ΠΈ Π΄Π΅ΡΠ°Π»Ρ Π½Π΅ Ρ ΠΎΡΠ΅Ρ ΠΏΠΎΠ΄Π΄Π°Π²Π°ΡΡΡΡ, ΡΠΎΠ³Π΄Π° ΠΏΡΠΈ ΠΏΠΎΠΌΠΎΡΠΈ ΡΡΠΈΡΡΠΎΠ² ΠΈΠ»ΠΈ Π±ΠΎΠ»ΡΠΎΠ² Π8 ΠΌΠΎΠΆΠ½ΠΎ ΡΠΏΡΠ΅ΡΡΠΎΠ²Π°ΡΡ Π±Π°ΡΠ°Π±Π°Π½.
ΠΠ°Π΄Π½ΠΈΠΉ ΡΠΎΡΠΌΠΎΠ·Π½ΠΎΠΉ Π±Π°ΡΠ°Π±Π°Π½ ΠΠΠ-2110 ΠΌΠΎΠΆΠ΅Ρ Π΄ΠΎΡΡΠ°Π²ΠΈΡΡ Π²Π»Π°Π΄Π΅Π»ΡΡΡ ΠΏΡΠΎΠ±Π»Π΅ΠΌΡ Π² ΠΏΡΠΎΡΠ΅ΡΡΠ΅ Π·Π°ΠΌΠ΅Π½Ρ ΠΈΠ»ΠΈ ΡΠ½ΡΡΠΈΡ. ΠΠ΅ΡΠ°Π»Ρ Π΄Π΅ΠΌΠΎΠ½ΡΠΈΡΡΠ΅ΡΡΡ Π΄ΠΎΡΡΠ°ΡΠΎΡΠ½ΠΎ ΠΏΡΠΎΡΡΠΎ ΠΏΡΠΈ ΡΡΠ»ΠΎΠ²ΠΈΠΈ, ΡΡΠΎ Π°Π²ΡΠΎΠΌΠΎΠ±ΠΈΠ»Ρ Π½ΠΎΠ²ΡΠΉ. ΠΠ° ΡΡΠ°ΡΡΡ Π°Π²ΡΠΎ ΠΏΡΠΎΡΠ΅ΡΡ ΡΠ½ΡΡΠΈΡ Π²Π»Π΅ΡΠ΅Ρ Π·Π° ΡΠΎΠ±ΠΎΠΉ ΠΏΡΠΎΠ±Π»Π΅ΠΌΡ. ΠΠ»Ρ ΡΠ°Π±ΠΎΡΡ ΠΏΠΎΠ½Π°Π΄ΠΎΠ±ΠΈΡΡΡ ΠΌΠΎΡΠ½ΡΠΉ ΠΌΠΎΠ»ΠΎΡΠΎΠΊ, Π³Π»ΡΠ±ΠΎΠΊΠ°Ρ Π³ΠΎΠ»ΠΎΠ²ΠΊΠ° Π½Π° 7 ΠΌΠΌ, Π° ΡΠ°ΠΊΠΆΠ΅ ΡΡΠ΅ΡΠΎΡΠΊΠ°. ΠΠ΅ΡΠ²ΡΠΌ Π΄Π΅Π»ΠΎΠΌ ΡΡΡΠ²Π°ΡΡΡΡ Π±ΠΎΠ»ΡΡ, ΡΠ΄Π΅ΡΠΆΠΈΠ²Π°ΡΡΠΈΠ΅ Π·Π°Π΄Π½Π΅Π΅ ΠΊΠΎΠ»Π΅ΡΠΎ. ΠΠΎΡΠ»Π΅ ΡΠΎΠ³ΠΎ, ΠΊΠ°ΠΊ Π°Π²ΡΠΎΠΌΠΎΠ±ΠΈΠ»Ρ Π±ΡΠ΄Π΅Ρ ΠΏΠΎΠ΄Π½ΡΡ Π΄ΠΎΠΌΠΊΡΠ°ΡΠΎΠΌ, ΠΈΡ ΠΎΠΊΠΎΠ½ΡΠ°ΡΠ΅Π»ΡΠ½ΠΎ ΠΎΡΠ²ΠΎΡΠ°ΡΠΈΠ²Π°ΡΡ ΠΈ ΠΏΠΎΠ»Π½ΠΎΡΡΡΡ ΡΠ½ΠΈΠΌΠ°ΡΡ ΠΊΠΎΠ»Π΅ΡΠΎ.
Π’Π΅ΠΏΠ΅ΡΡ ΠΎΡΠΊΡΡΡΠΈΠ²Π°ΡΡ ΡΠΏΠΈΠ»ΡΠΊΠΈ Π½Π° Π±Π°ΡΠ°Π±Π°Π½Π΅. ΠΡΡΡΠ΅ Π²ΡΠ΅Π³ΠΎ ΡΡΠΎ Π΄Π΅Π»Π°ΡΡ Π² ΠΌΠΎΠΌΠ΅Π½Ρ, ΠΊΠΎΠ³Π΄Π° ΠΌΠ°ΡΠΈΠ½Π° Π΅ΡΠ΅ ΡΡΠΎΠΈΡ Π½Π° ΡΠ²ΠΎΠΈΡ
ΠΊΠΎΠ»Π΅ΡΠ°Ρ
. Π’Π°ΠΊΠΆΠ΅ ΠΌΠΎΠΆΠ½ΠΎ Π·Π°ΡΡΠ½ΡΡΡ ΡΡΡΠ½ΠΎΠΉ ΡΠΎΡΠΌΠΎΠ·. ΠΠ°ΡΠ΅ΠΌ Ρ ΠΎΠ±ΡΠ°ΡΠ½ΠΎΠΉ ΡΡΠΎΡΠΎΠ½Ρ ΠΌΠΎΠ»ΠΎΡΠΊΠΎΠΌ ΡΠ±ΠΈΠ²Π°ΡΡ Π±Π°ΡΠ°Π±Π°Π½ ΡΠΎ ΡΡΡΠΏΠΈΡΡ ΠΊΠΎΠ»Π΅ΡΠ°. ΠΡΠ»ΠΈ Π½Π΅ Π²ΡΡ
ΠΎΠ΄ΠΈΡ, ΡΠΎΠ³Π΄Π° ΡΠΏΠΈΠ»ΡΠΊΠΈ Π² ΠΏΠΎΠΌΠΎΡΡ β ΠΎΠ½ΠΈ Π²ΠΊΡΡΡΠΈΠ²Π°ΡΡΡΡ ΠΎΡ ΡΠΎΠΎΡΠ²Π΅ΡΡΡΠ²ΡΡΡΠΈΠ΅ ΠΎΡΠ²Π΅ΡΡΡΠΈΡ ΠΈ ΠΏΡΠΈ ΠΈΡ
ΡΠ°Π²Π½ΠΎΠΌΠ΅ΡΠ½ΠΎΠΌ Π·Π°ΠΊΡΡΡΠΈΠ²Π°Π½ΠΈΠΈ Π±Π°ΡΠ°Π±Π°Π½ Π΄Π΅ΠΌΠΎΠ½ΡΠΈΡΡΠ΅ΡΡΡ.Π’Π°ΠΊΠΈΠΌ ΠΆΠ΅ ΠΎΠ±ΡΠ°Π·ΠΎΠΌ ΡΠ½ΠΈΠΌΠ°Π΅ΡΡΡ Π½Π° ΠΊΠΎΡΠ΅ΠΉΡΠΊΠΈΡ Π°Π²ΡΠΎΠΌΠΎΠ±ΠΈΠ»ΡΡ Π±Π°ΡΠ°Π±Π°Π½ ΡΠΎΡΠΌΠΎΠ·Π½ΠΎΠΉ Π·Π°Π΄Π½ΠΈΠΉ (Β«ΠΠ΅ΠΊΡΠΈΡΒ» Π½Π΅ ΠΈΡΠΊΠ»ΡΡΠ΅Π½ΠΈΠ΅). Π Π½Π΅ΠΊΠΎΡΠΎΡΡΡ ΡΠ»ΡΡΠ°ΡΡ Π½Π΅ΠΎΠ±Ρ ΠΎΠ΄ΠΈΠΌΠΎ ΠΏΡΠΈΠΌΠ΅Π½ΠΈΡΡ ΡΠΈΠ»Ρ, Π½ΠΎ ΡΠ°ΡΠ΅ Π²ΡΠ΅Π³ΠΎ ΠΏΠΎΡΠ»Π΅ ΠΎΠ±ΡΠ°Π±ΠΎΡΠΊΠΈ WD-40 ΠΌΠ΅ΡΡΠΎ ΠΊΠΎΠ½ΡΠ°ΠΊΡΠ° Π±Π°ΡΠ°Π±Π°Π½ ΠΎΡΠ»ΠΈΡΠ½ΠΎ ΡΠ½ΠΈΠΌΠ°Π΅ΡΡΡ.
ΠΡΠ»ΠΈ Ρ Π°Π²ΡΠΎΠΌΠΎΠ±ΠΈΠ»ΡΠΌΠΈ ΠΠΠ Π΄Π»Ρ Π΄Π΅ΠΌΠΎΠ½ΡΠ°ΠΆΠ° ΡΠΎΡΠΌΠΎΠ·Π½ΡΡ ΡΠ»Π΅ΠΌΠ΅Π½ΡΠΎΠ² ΠΏΡΠΈΠΌΠ΅Π½ΡΠ»Π°ΡΡ Π³ΡΡΠ±Π°Ρ ΡΠΈΠ»Π°, ΡΠΎ Π² ΡΠ»ΡΡΠ°Π΅ Ρ Β«ΠΠΎΠ³Π°Π½ΠΎΠΌΒ» ΠΈΡΠΏΠΎΠ»ΡΠ·ΡΡΡ Π΄ΡΡΠ³ΠΎΠΉ ΠΌΠ΅ΡΠΎΠ΄. ΠΠ΅ΡΠ²ΡΠΌ Π΄Π΅Π»ΠΎΠΌ Π½Π° ΠΠΠ Π²ΠΊΠ»ΡΡΠ°Π΅ΡΡΡ ΠΏΠ΅ΡΠ²Π°Ρ ΠΏΠ΅ΡΠ΅Π΄Π°ΡΠ°. ΠΠ°ΡΠ΅ΠΌ ΡΠΊΠ»Π°Π΄ΡΠ²Π°ΡΡΡΡ ΠΏΡΠΎΡΠΈΠ²ΠΎΠΎΡΠΊΠ°ΡΠ½ΡΠ΅ ΡΠΏΠΎΡΡ ΠΏΠΎΠ΄ Π΄Π²Π° ΠΏΠ΅ΡΠ΅Π΄Π½ΠΈΡ ΠΊΠΎΠ»Π΅ΡΠ°. ΠΠ°Π»Π΅Π΅ Π²ΡΠΏΠΎΠ»Π½ΡΠ΅ΡΡΡ Π΄Π΅ΠΌΠΎΠ½ΡΠ°ΠΆ Π΄Π΅ΠΊΠΎΡΠ°ΡΠΈΠ²Π½ΡΡ ΠΊΠΎΠ»ΠΏΠ°ΠΊΠΎΠ², Π΅ΡΠ»ΠΈ ΠΎΠ½ΠΈ Π΅ΡΡΡ Π½Π° ΠΊΠΎΠ»Π΅ΡΠ°Ρ . ΠΠΎΠ³Π΄Π° ΠΊΠΎΠ»ΠΏΠ°ΠΊΠΈ ΡΠ½ΡΡΡ, Π°ΠΊΠΊΡΡΠ°ΡΠ½ΠΎ Π²ΡΠ±ΠΈΠ²Π°ΡΡ ΠΈΠ· ΡΡΡΠΏΠΈΡΡ Π·Π°ΡΠΈΡΠ½ΡΠΉ ΠΊΠΎΠ»ΠΏΠ°ΡΠΎΠΊ ΠΈ ΡΠ½ΠΈΠΌΠ°ΡΡ Π΅Π³ΠΎ.
ΠΠΎΡΠ»Π΅ ΠΎΡΠ»Π°Π±Π»ΡΡΡ Π±ΠΎΠ»ΡΡ ΠΊΡΠ΅ΠΏΠ»Π΅Π½ΠΈΡ ΠΊΠΎΠ»Π΅Ρ ΠΈ ΡΡΡΠΏΠΈΡΠ½ΡΡ Π³Π°ΠΉΠΊΡ. ΠΡΠΈ ΡΡΠΎΠΌ ΠΌΠ°ΡΠΈΠ½Π° Π΄ΠΎΠ»ΠΆΠ½Π° ΡΡΠΎΡΡΡ Π½Π° Π·Π΅ΠΌΠ»Π΅. ΠΠ°Π»ΡΡΠ΅ ΠΏΠΎΠ΄Π½ΠΈΠΌΠ°ΡΡ Π·Π°Π΄Π½ΡΡ ΡΠ°ΡΡΡ ΠΌΠ°ΡΠΈΠ½Ρ ΠΈ ΡΠ½ΠΈΠΌΠ°ΡΡ ΠΊΠΎΠ»Π΅ΡΠΎ. Π’Π΅ΠΏΠ΅ΡΡ ΠΌΠΎΠΆΠ½ΠΎ ΠΎΡΠΊΡΡΡΠΈΡΡ ΡΡΡΠΏΠΈΡΠ½ΡΡ Π³Π°ΠΉΠΊΡ Π΄ΠΎ ΠΊΠΎΠ½ΡΠ° β ΠΏΡΠΈ ΡΡΡΠ°Π½ΠΎΠ²ΠΊΠ΅ Π½ΠΎΠ²ΠΎΠ³ΠΎ Π±Π°ΡΠ°Π±Π°Π½Π° ΡΠ°ΠΊΠΆΠ΅ ΡΠ»Π΅Π΄ΡΠ΅Ρ ΠΏΡΠΈΠΎΠ±ΡΠ΅ΡΡΠΈ ΠΈ Π½ΠΎΠ²ΡΡ Π³Π°ΠΉΠΊΡ.
Π‘ ΠΌΡΡΡΠΎΠ²ΠΎΠΉ ΡΠ°ΠΏΡΡ ΡΠ½ΠΈΠΌΠ°ΡΡ Π·Π°Π΄Π½ΠΈΠΉ ΡΠΎΡΠΌΠΎΠ·Π½ΠΎΠΉ Π±Π°ΡΠ°Π±Π°Π½ (Β«ΠΠΎΠ³Π°Π½ ΠΠ°ΡΠΈΡΒ» Π½Π΅ ΠΈΡΠΊΠ»ΡΡΠ΅Π½ΠΈΠ΅), Π° Π²ΠΌΠ΅ΡΡΠ΅ Ρ Π½ΠΈΠΌ ΠΈ ΠΏΠΎΠ΄ΡΠΈΠΏΠ½ΠΈΠΊ. Π ΡΡΠΈΡ Π°Π²ΡΠΎΠΌΠΎΠ±ΠΈΠ»ΡΡ ΠΌΠ΅Ρ Π°Π½ΠΈΠ·ΠΌ ΠΏΡΠ΅Π΄ΡΡΠ°Π²Π»ΡΠ΅Ρ ΡΠΎΠ±ΠΎΠΉ Π΅Π΄ΠΈΠ½ΠΎΠ΅ ΡΠ΅Π»ΠΎΠ΅ ΡΠΎ ΡΡΡΠΏΠΈΡΠ΅ΠΉ.
Π’Π°ΠΊΠΈΠΌ ΠΆΠ΅ ΠΎΠ±ΡΠ°Π·ΠΎΠΌ ΡΠ½ΠΈΠΌΠ°Π΅ΡΡΡ ΠΈ Π²ΡΠΎΡΠ°Ρ Π΄Π΅ΡΠ°Π»Ρ. ΠΡΠ»ΠΈ Π±ΡΠ΄Π΅Ρ ΡΡΡΠ°Π½Π°Π²Π»ΠΈΠ²Π°ΡΡΡΡ ΡΡΠ°ΡΡΠΉ Π±Π°ΡΠ°Π±Π°Π½, Π½Π΅ΠΎΠ±Ρ
ΠΎΠ΄ΠΈΠΌΠΎ ΡΡΠΎΡΠΈΡΡ Π±ΡΡΡΠΈΠΊ Π½Π° Π΅Π³ΠΎ ΡΠ°Π±ΠΎΡΠ΅ΠΉ ΠΏΠΎΠ²Π΅ΡΡ
Π½ΠΎΡΡΠΈ. Π’Π°ΠΊΠΆΠ΅ Π½Π΅ΠΎΠ±Ρ
ΠΎΠ΄ΠΈΠΌΠΎ ΠΏΡΠΈΠ²Π΅ΡΡΠΈ Π² ΡΠ°Π±ΠΎΡΠ΅Π΅ ΠΏΠΎΠ»ΠΎΠΆΠ΅Π½ΠΈΠ΅ ΠΌΠ΅Ρ
Π°Π½ΠΈΠ·ΠΌ ΡΠ΅Π³ΡΠ»ΡΡΠΎΡΠ° Π·Π°Π·ΠΎΡΠΎΠ² ΠΈ ΡΠ²Π΅ΡΡΠΈ ΡΠΎΡΠΌΠΎΠ·Π½ΡΠ΅ ΠΊΠΎΠ»ΠΎΠ΄ΠΊΠΈ ΠΌΠΎΠ½ΡΠ°ΠΆΠ½ΡΠΌΠΈ Π»ΠΎΠΏΠ°ΡΠΊΠ°ΠΌΠΈ.ΠΡΠΈ ΡΡΡΠ°Π½ΠΎΠ²ΠΊΠ΅ Π·Π°Π΄Π½ΠΈΠ΅ ΡΠΎΡΠΌΠΎΠ·Π½ΡΠ΅ Π±Π°ΡΠ°Π±Π°Π½Ρ Β«Π Π΅Π½ΠΎ ΠΠΎΠ³Π°Π½Π°Β» Π΄ΠΎΠ»ΠΆΠ½Ρ Π·Π°ΠΊΡΡΡΠΈΠ²Π°ΡΡΡΡ ΡΡΡΠΏΠΈΡΠ½ΠΎΠΉ Π³Π°ΠΉΠΊΠΎΠΉ Ρ ΡΡΠΈΠ»ΠΈΠ΅ΠΌ Π² 175 ΠΠΌ. ΠΠΎΡΠ»Π΅ ΡΡΡΠ°Π½ΠΎΠ²ΠΊΠΈ Π½Π΅ΠΎΠ±Ρ ΠΎΠ΄ΠΈΠΌΠΎ Π²ΡΠΏΠΎΠ»Π½ΠΈΡΡ ΡΠ΅Π³ΡΠ»ΠΈΡΠΎΠ²ΠΊΡ Π·Π°Π·ΠΎΡΠΎΠ², Π΄Π»Ρ ΡΡΠΎΠ³ΠΎ Π½Π΅ΡΠΊΠΎΠ»ΡΠΊΠΎ ΡΠ°Π· Π²ΡΠΆΠΈΠΌΠ°ΡΡ ΠΏΠ΅Π΄Π°Π»Ρ ΡΠΎΡΠΌΠΎΠ·Π°. Π ΠΏΡΠΎΡΠ΅ΡΡΠ΅ Π±ΡΠ΄ΡΡ ΡΠ»ΡΡΠ½Ρ ΡΠ΅Π»ΡΠΊΠΈ β ΠΊΠΎΠ³Π΄Π° Π·Π°Π·ΠΎΡ Π±ΡΠ΄Π΅Ρ ΠΎΡΡΠ΅Π³ΡΠ»ΠΈΡΠΎΠ²Π°Π½, ΠΎΠ½ΠΈ ΠΏΡΠ΅ΠΊΡΠ°ΡΡΡΡΡ.
Π’Π°ΠΊΠΈΠΌ ΠΎΠ±ΡΠ°Π·ΠΎΠΌ Π²ΡΠΏΠΎΠ»Π½ΡΠ΅ΡΡΡ Π΄Π΅ΠΌΠΎΠ½ΡΠ°ΠΆ Π±Π°ΡΠ°Π±Π°Π½Π½ΠΎΠ³ΠΎ ΡΠΎΡΠΌΠΎΠ·Π½ΠΎΠ³ΠΎ ΠΌΠ΅Ρ Π°Π½ΠΈΠ·ΠΌΠ° Π΄Π»Ρ ΠΎΠ±ΡΠ»ΡΠΆΠΈΠ²Π°Π½ΠΈΡ ΠΈΠ»ΠΈ Π·Π°ΠΌΠ΅Π½Ρ. ΠΠ°ΠΊ Π²ΠΈΠ΄ΠΈΡΠ΅, Π²ΡΠΏΠΎΠ»Π½ΠΈΡΡ Π΄Π°Π½Π½ΡΠΉ ΠΏΡΠΎΡΠ΅ΡΡ ΠΌΠΎΠΆΠ½ΠΎ ΠΈ ΡΠ²ΠΎΠΈΠΌΠΈ ΡΡΠΊΠ°ΠΌΠΈ, ΡΡΠΊΠΎΠ½ΠΎΠΌΠΈΠ² Π΄Π΅Π½ΡΠ³ΠΈ Π½Π° ΡΡΠ»ΡΠ³Π°Ρ Π‘Π’Π.
fb.ru
ΠΠ΅ΡΠΌΠΎΡΡΡ Π½Π° ΠΏΡΠΎΠ΄ΠΎΠ»ΠΆΠΈΡΠ΅Π»ΡΠ½ΡΠΉ ΡΡΠΎΠΊ ΡΠ»ΡΠΆΠ±Ρ, Π½Π΅Π΄ΠΎΡΠΎΠ³ΠΈΠ΅ ΡΠ΅ΠΌΠΊΠΎΠΌΠΏΠ»Π΅ΠΊΡΡ ΠΈ Π·Π½Π°ΡΠΈΡΠ΅Π»ΡΠ½ΠΎΠ΅ ΡΡΠΈΠ»ΠΈΠ΅ ΠΏΡΠΈ ΡΠΎΡΠΌΠΎΠΆΠ΅Π½ΠΈΠΈ, Π±Π°ΡΠ°Π±Π°Π½Π½ΡΠ΅ ΡΠΎΡΠΌΠΎΠ·Π° ΠΏΠΎΡΡΠ΅ΠΏΠ΅Π½Π½ΠΎ ΡΡΡΡΠΏΠ°ΡΡ ΠΌΠ΅ΡΡΠΎ Π±ΠΎΠ»Π΅Π΅ ΡΠΎΠ²Π΅ΡΡΠ΅Π½Π½ΡΠΌ Π΄ΠΈΡΠΊΠΎΠ²ΡΠΌ ΠΈ ΡΠΆΠ΅ ΠΏΠΎΠ»Π½ΠΎΡΡΡΡ ΠΎΡΠ΄Π°Π»ΠΈ ΠΈΠΌ ΠΏΠ°Π»ΡΠΌΡ ΠΏΠ΅ΡΠ²Π΅Π½ΡΡΠ²Π° Π½Π° ΠΏΠ΅ΡΠ΅Π΄Π½ΠΈΡ ΠΊΠΎΠ»Π΅ΡΠ°Ρ Π°Π²ΡΠΎΠΌΠΎΠ±ΠΈΠ»Π΅ΠΉ. ΠΠΎ-ΠΏΡΠ΅ΠΆΠ½Π΅ΠΌΡ ΡΠΈΡΠΎΠΊΠΎ ΠΈΡΠΏΠΎΠ»ΡΠ·ΡΡΡΡΡ ΠΎΠ½ΠΈ Π² Π³ΡΡΠ·ΠΎΠ²ΠΎΠΌ ΡΡΠ°Π½ΡΠΏΠΎΡΡΠ΅ ΠΈ Π°Π²ΡΠΎΠ±ΡΡΠ°Ρ , Π° ΡΠ°ΠΊΠΆΠ΅ Π½Π° Π·Π°Π΄Π½ΠΈΡ ΠΊΠΎΠ»Π΅ΡΠ°Ρ Π±ΡΠ΄ΠΆΠ΅ΡΠ½ΡΡ ΠΌΠΎΠ΄Π΅Π»Π΅ΠΉ Π»Π΅Π³ΠΊΠΎΠ²ΡΡ Π°Π²ΡΠΎ, ΠΏΠΎΡΡΠΎΠΌΡ ΠΏΡΠΎΠ±Π»Π΅ΠΌΠ° ΡΠ΅ΠΌΠΎΠ½ΡΠ° ΡΠ·Π»Π° Π°ΠΊΡΡΠ°Π»ΡΠ½Π° Π΄Π»Ρ ΠΌΠ½ΠΎΠ³ΠΈΡ Π²ΠΎΠ΄ΠΈΡΠ΅Π»Π΅ΠΉ. ΠΠ°ΠΊ ΠΏΡΠ°Π²ΠΈΠ»ΡΠ½ΠΎ Π²Π΅ΡΡΠΈ ΡΠ΅Π±Ρ Π² ΡΠ»ΡΡΠ°Π΅ Π½Π΅ΠΈΡΠΏΡΠ°Π²Π½ΠΎΡΡΠΈ ΠΌΠ΅Ρ Π°Π½ΠΈΠ·ΠΌΠ°?
ΠΠ΅ΡΠΌΠΎΡΡΡ Π½Π° ΠΏΡΠΎΠ΄ΠΎΠ»ΠΆΠΈΡΠ΅Π»ΡΠ½ΡΠΉ ΡΡΠΎΠΊ ΡΠ»ΡΠΆΠ±Ρ, Π½Π΅Π΄ΠΎΡΠΎΠ³ΠΈΠ΅ ΡΠ΅ΠΌΠΊΠΎΠΌΠΏΠ»Π΅ΠΊΡΡ ΠΈ Π·Π½Π°ΡΠΈΡΠ΅Π»ΡΠ½ΠΎΠ΅ ΡΡΠΈΠ»ΠΈΠ΅ ΠΏΡΠΈ ΡΠΎΡΠΌΠΎΠΆΠ΅Π½ΠΈΠΈ, Π±Π°ΡΠ°Π±Π°Π½Π½ΡΠ΅ ΡΠΎΡΠΌΠΎΠ·Π° ΠΏΠΎΡΡΠ΅ΠΏΠ΅Π½Π½ΠΎ ΡΡΡΡΠΏΠ°ΡΡ ΠΌΠ΅ΡΡΠΎ Π±ΠΎΠ»Π΅Π΅ ΡΠΎΠ²Π΅ΡΡΠ΅Π½Π½ΡΠΌ Π΄ΠΈΡΠΊΠΎΠ²ΡΠΌ ΠΈ ΡΠΆΠ΅ ΠΏΠΎΠ»Π½ΠΎΡΡΡΡ ΠΎΡΠ΄Π°Π»ΠΈ ΠΈΠΌ ΠΏΠ°Π»ΡΠΌΡ ΠΏΠ΅ΡΠ²Π΅Π½ΡΡΠ²Π° Π½Π° ΠΏΠ΅ΡΠ΅Π΄Π½ΠΈΡ ΠΊΠΎΠ»Π΅ΡΠ°Ρ Π°Π²ΡΠΎΠΌΠΎΠ±ΠΈΠ»Π΅ΠΉ. ΠΠΎ-ΠΏΡΠ΅ΠΆΠ½Π΅ΠΌΡ ΡΠΈΡΠΎΠΊΠΎ ΠΈΡΠΏΠΎΠ»ΡΠ·ΡΡΡΡΡ ΠΎΠ½ΠΈ Π² Π³ΡΡΠ·ΠΎΠ²ΠΎΠΌ ΡΡΠ°Π½ΡΠΏΠΎΡΡΠ΅ ΠΈ Π°Π²ΡΠΎΠ±ΡΡΠ°Ρ , Π° ΡΠ°ΠΊΠΆΠ΅ Π½Π° Π·Π°Π΄Π½ΠΈΡ ΠΊΠΎΠ»Π΅ΡΠ°Ρ Π±ΡΠ΄ΠΆΠ΅ΡΠ½ΡΡ ΠΌΠΎΠ΄Π΅Π»Π΅ΠΉ Π»Π΅Π³ΠΊΠΎΠ²ΡΡ Π°Π²ΡΠΎ, ΠΏΠΎΡΡΠΎΠΌΡ ΠΏΡΠΎΠ±Π»Π΅ΠΌΠ° ΡΠ΅ΠΌΠΎΠ½ΡΠ° ΡΠ·Π»Π° Π°ΠΊΡΡΠ°Π»ΡΠ½Π° Π΄Π»Ρ ΠΌΠ½ΠΎΠ³ΠΈΡ Π²ΠΎΠ΄ΠΈΡΠ΅Π»Π΅ΠΉ. ΠΠ°ΠΊ ΠΏΡΠ°Π²ΠΈΠ»ΡΠ½ΠΎ Π²Π΅ΡΡΠΈ ΡΠ΅Π±Ρ Π² ΡΠ»ΡΡΠ°Π΅ Π½Π΅ΠΈΡΠΏΡΠ°Π²Π½ΠΎΡΡΠΈ ΠΌΠ΅Ρ Π°Π½ΠΈΠ·ΠΌΠ°?
ΠΠ°ΠΌΠ΅ΡΠΈΠ»ΠΈ Π½Π΅ΠΏΠΎΠ»Π°Π΄ΠΊΠΈ Π² ΡΠ°Π±ΠΎΡΠ΅ Β«ΡΡΡΠ½ΠΈΠΊΠ°Β»? ΠΡΠΏΡΠ°Π²ΡΡΠ΅ Π°Π²ΡΠΎΠΌΠΎΠ±ΠΈΠ»Ρ Π½Π° Π΄ΠΈΠ°Π³Π½ΠΎΡΡΠΈΠΊΡ Π±Π°ΡΠ°Π±Π°Π½Π½ΠΎΠ³ΠΎ ΡΠΎΡΠΌΠΎΠ·Π°
ΠΠΎΡΠΊΠΎΠ»ΡΠΊΡ Π³Π»Π°Π²Π½Π°Ρ ΡΠΎΠ»Ρ Π² ΡΠΎΡΠΌΠΎΠΆΠ΅Π½ΠΈΠΈ ΠΎΡΠ²Π΅Π΄Π΅Π½Π° ΠΏΠ΅ΡΠ΅Π΄Π½ΠΈΠΌ ΠΊΠΎΠ»Π΅ΡΠ°ΠΌ, Π·Π°ΠΌΠ΅ΡΠΈΡΡ ΠΏΡΠΎΠ±Π»Π΅ΠΌΡ ΡΡΠΎΠ³ΠΎ ΡΠ·Π»Π° ΡΠ΄Π°Π΅ΡΡΡ Π½Π΅ ΡΡΠ°Π·Ρ, ΡΠ°Π·Π²Π΅ ΡΡΠΎ ΠΏΡΠΈ ΡΠ½Π΅ΡΠ³ΠΈΡΠ½ΠΎΠΌ Π·Π°ΠΌΠ΅Π΄Π»Π΅Π½ΠΈΠΈ ΠΈΠ»ΠΈ Π΄Π²ΠΈΠΆΠ΅Π½ΠΈΠΈ Π·Π°Π΄Π½ΠΈΠΌ Ρ ΠΎΠ΄ΠΎΠΌ. ΠΠ΅Π΄Π°Π»Ρ ΡΡΠ°Π½ΠΎΠ²ΠΈΡΡΡ ΠΌΡΠ³ΠΊΠΎΠΉ, ΡΡΠ°Π±Π°ΡΡΠ²Π°Π΅Ρ Π½Π΅ ΡΡΠ°Π·Ρ, Π° ΠΈΠ½ΠΎΠ³Π΄Π° ΡΠΎΠ»ΡΠΊΠΎ ΠΏΠΎΡΠ»Π΅ ΠΏΠΎΠ²ΡΠΎΡΠ½ΡΡ Π½Π°ΠΆΠ°ΡΠΈΠΉ, ΡΠΎΡΠΌΠΎΠ·Π½ΠΎΠΉ ΠΏΡΡΡ ΡΠ΄Π»ΠΈΠ½ΡΠ΅ΡΡΡ, ΡΠ½ΠΈΠΆΠ°Π΅ΡΡΡ Π½Π°ΠΊΠ°Ρ. ΠΠ΅Ρ Π°ΡΠ°ΠΊΡΠ΅ΡΠ½ΡΠΉ Π΄Π»Ρ ΠΌΠ°ΡΠΈΠ½Ρ ΡΠΊΡΠ΅ΠΆΠ΅Ρ ΠΌΠΎΠΆΠ΅Ρ Π±ΡΡΡ Π²ΡΠ·Π²Π°Π½ ΠΏΠ΅ΡΠ΅ΠΊΠΎΡΠΈΠ²ΡΠΈΠΌΠΈΡΡ ΠΊΠΎΠ»ΠΎΠ΄ΠΊΠ°ΠΌΠΈ, Π·Π°Π΄Π΅Π²Π°ΡΡΠΈΠΌΠΈ Π±Π°ΡΠ°Π±Π°Π½. ΠΡΠ»ΠΈ ΠΏΡΠΈ ΠΏΠΎΠΏΡΡΠΊΠ΅ ΠΎΡΡΠ°Π½ΠΎΠ²ΠΈΡΡΡΡ ΠΏΠΎΡΠ²Π»ΡΡΡΡΡ ΡΡΠ²ΠΊΠΈ, ΠΏΠ΅Π΄Π°Π»Ρ Π²ΠΈΠ±ΡΠΈΡΡΠ΅Ρ, ΡΡΠΎΠΈΡ Π·Π°Π±ΠΈΡΡ ΡΡΠ΅Π²ΠΎΠ³Ρ.
Π‘ΡΠ΅Π΄Π½ΠΈΠΉ ΡΠΊΡΠΏΠ»ΡΠ°ΡΠ°ΡΠΈΠΎΠ½Π½ΡΠΉ ΡΡΠΎΠΊ Π±Π°ΡΠ°Π±Π°Π½Π½ΡΡ ΡΠΎΡΠΌΠΎΠ·ΠΎΠ² ΠΏΡΠΈ Π±Π»Π°Π³ΠΎΠΏΡΠΈΡΡΠ½ΡΡ ΡΡΠ»ΠΎΠ²ΠΈΡΡ Π΄ΠΎΡΡΠΈΠ³Π°Π΅Ρ 60 ΡΡΡ. ΠΊΠΌ ΠΏΡΠΎΠ±Π΅Π³Π°. ΠΠ»Ρ ΡΡΠ°Π²Π½Π΅Π½ΠΈΡ: Π΄ΠΈΡΠΊΠΎΠ²ΡΠ΅ Π°Π½Π°Π»ΠΎΠ³ΠΈ Π·Π°ΠΌΠ΅Π½ΡΡΡ ΠΏΡΠΈΡ ΠΎΠ΄ΠΈΡΡΡ ΡΠΆΠ΅ ΠΏΠΎΡΠ»Π΅ 25 ΡΡΡ. ΠΊΠΌ.
Π‘ΠΎΡΡΠΎΡΠ½ΠΈΠ΅ Π·Π°Π΄Π½ΠΈΡ ΡΠΎΡΠΌΠΎΠ·Π½ΡΡ ΠΊΠΎΠ»ΠΎΠ΄ΠΎΠΊ ΡΠ΅ΠΊΠΎΠΌΠ΅Π½Π΄ΡΡΡ ΠΏΡΠΎΠ²Π΅ΡΡΡΡ ΠΊΠ°ΠΆΠ΄ΡΠ΅ 20 ΡΡΡ. ΠΊΠΌ
ΠΠ΄ΠΈΠ½ ΠΈΠ· Π½Π΅Π΄ΠΎΡΡΠ°ΡΠΊΠΎΠ² Π±Π°ΡΠ°Π±Π°Π½Π½ΠΎΠ³ΠΎ ΡΠΎΡΠΌΠΎΠ·Π° β ΡΠΊΠ»ΠΎΠ½Π½ΠΎΡΡΡ ΠΊ ΠΏΠ΅ΡΠ΅Π³ΡΠ΅Π²Ρ ΠΈΠ·-Π·Π° ΠΏΠ»ΠΎΡ ΠΎΠΉ ΡΠΈΡΠΊΡΠ»ΡΡΠΈΠΈ Π²ΠΎΠ·Π΄ΡΡ Π°. ΠΠΎΠ²ΡΡΠ΅Π½ΠΈΠ΅ ΡΠ΅ΠΌΠΏΠ΅ΡΠ°ΡΡΡΡ ΠΌΠΎΠΆΠ΅Ρ Π΄ΠΎΡΡΠΈΠ³Π½ΡΡΡ ΠΊΡΠΈΡΠΈΡΠ΅ΡΠΊΠΎΠΉ ΠΎΡΠΌΠ΅ΡΠΊΠΈ ΠΈ ΠΏΡΠΈΠ²Π΅ΡΡΠΈ ΠΊ ΡΠ°ΡΠΏΠ»Π°Π²Π»Π΅Π½ΠΈΡ ΡΡΠΈΠΊΡΠΈΠΎΠ½Π½ΠΎΠ³ΠΎ ΡΠ»ΠΎΡ. Β«ΠΠ΅ΠΊΠ°ΡΡΡΠ²ΠΎΒ» ΠΎΡ ΡΡΠΎΠ³ΠΎ β ΡΠΏΠΎΠΊΠΎΠΉΠ½ΠΎΠ΅ ΠΈ Π±Π»Π°Π³ΠΎΡΠ°Π·ΡΠΌΠ½ΠΎΠ΅ Π²ΠΎΠΆΠ΄Π΅Π½ΠΈΠ΅.
ΠΡΠ»ΠΈ Π΄ΠΈΠ°Π³Π½ΠΎΡΡΠΈΠΊΠ° ΠΏΠΎΠ΄ΡΠ²Π΅ΡΠ΄ΠΈΠ»Π° ΠΈΠ·ΠΌΠ΅Π½Π΅Π½ΠΈΠ΅ Π³Π΅ΠΎΠΌΠ΅ΡΡΠΈΠΈ Π±Π°ΡΠ°Π±Π°Π½Π°, Π½Π°ΠΏΡΠΈΠΌΠ΅Ρ Π΅Π³ΠΎ ΠΎΠ²Π°Π»ΡΠ½ΡΡ ΡΠΎΡΠΌΡ, ΠΈΠ»ΠΈ Π½Π° ΠΏΠΎΠ²Π΅ΡΡ Π½ΠΎΡΡΠΈ ΠΎΠ±Π½Π°ΡΡΠΆΠ΅Π½ΠΎ ΡΠ»ΠΈΡΠΊΠΎΠΌ ΠΌΠ½ΠΎΠ³ΠΎ ΡΠ»Π΅Π΄ΠΎΠ² ΠΈΠ·Π½ΠΎΡΠ°, ΡΠ·Π΅Π» Π½Π΅ ΠΏΠΎΠ΄Π»Π΅ΠΆΠΈΡ ΡΠ΅ΠΌΠΎΠ½ΡΡ. ΠΡΠΎΡΠ΅Π΄ΡΡΠ° Π΅Π³ΠΎ Π·Π°ΠΌΠ΅Π½Ρ Π΄ΠΎΡΡΠ°ΡΠΎΡΠ½ΠΎ ΡΠ»ΠΎΠΆΠ½Π°Ρ ΠΈ ΠΌΠ½ΠΎΠ³ΠΎΡΡΠ°ΠΏΠ½Π°Ρ, ΡΡΠ΅Π±ΡΠ΅Ρ Π°ΠΊΠΊΡΡΠ°ΡΠ½ΡΡ Π΄Π΅ΠΉΡΡΠ²ΠΈΠΉ Π±Π΅Π· ΠΏΡΠΈΠΌΠ΅Π½Π΅Π½ΠΈΡ Π³ΡΡΠ±ΠΎΠΉ ΡΠΈΠ»Ρ.
ΠΡΠΎΠ±ΡΡ ΡΡΡΠ΄Π½ΠΎΡΡΡ Π²ΡΠ·ΡΠ²Π°Π΅Ρ ΡΠ½ΡΡΠΈΠ΅ ΡΡΠ°ΡΠΎΠ³ΠΎ Π±Π°ΡΠ°Π±Π°Π½Π°, Π²ΠΎ Π²ΡΠ΅ΠΌΡ ΠΊΠΎΡΠΎΡΠΎΠ³ΠΎ ΠΌΠΎΠΆΠ½ΠΎ ΡΠ»ΡΡΠ°ΠΉΠ½ΠΎ ΡΠΎΡΠ²Π°ΡΡ ΡΠ΅Π·ΡΠ±Ρ. ΠΠ½ΠΎΠ³Π΄Π° Π²Π½ΡΡΡΠ΅Π½Π½ΠΈΠΉ Π΄ΠΈΠ°ΠΌΠ΅ΡΡ ΠΌΠ΅Ρ Π°Π½ΠΈΠ·ΠΌΠ° ΠΏΡΠ΅Π²ΡΡΠ°Π΅Ρ Π΄ΠΎΠΏΡΡΡΠΈΠΌΠΎΠ΅ Π·Π½Π°ΡΠ΅Π½ΠΈΠ΅ β ΠΎΠ΄Π΅ΡΡ Π΅Π³ΠΎ ΠΎΠ±ΡΠ°ΡΠ½ΠΎ Π½Π΅ ΠΏΡΠ΅Π΄ΡΡΠ°Π²Π»ΡΠ΅ΡΡΡ Π²ΠΎΠ·ΠΌΠΎΠΆΠ½ΡΠΌ Π±Π΅Π· ΠΏΡΠΈΠ½ΡΠ΄ΠΈΡΠ΅Π»ΡΠ½ΠΎΠ³ΠΎ ΡΠ΄Π°Π»Π΅Π½ΠΈΡ Π»ΠΈΡΠ½Π΅Π³ΠΎ Π²ΡΡΡΡΠΏΠ° Π½Π° ΠΊΡΠΎΠΌΠΊΠ΅ ΠΏΡΠΈ ΠΏΠΎΠΌΠΎΡΠΈ Π±ΠΎΠ»Π³Π°ΡΠΊΠΈ ΠΈΠ»ΠΈ Π½Π°ΠΏΠΈΠ»ΡΠ½ΠΈΠΊΠ°.
Π§ΡΠΎΠ±Ρ Π·Π°ΠΌΠ΅Π½ΠΈΡΡ Π±Π°ΡΠ°Π±Π°Π½, ΠΏΠΎΠ½Π°Π΄ΠΎΠ±ΡΡΡΡ ΠΎΠΏΠΎΡΠ½Π°Ρ ΡΡΠΎΠΉΠΊΠ°, Π΄ΠΎΠΌΠΊΡΠ°Ρ, Π½Π΅ΡΠΊΠΎΠ»ΡΠΊΠΎ ΠΊΠ»ΡΡΠ΅ΠΉ, ΠΏΠ»ΠΎΡΠΊΠΎΠ³ΡΠ±ΡΡ, ΠΎΡΠ²Π΅ΡΡΠΊΠ° ΠΈ ΡΠ΅ΡΠΊΠ° ΠΏΠΎ ΠΌΠ΅ΡΠ°Π»Π»Ρ
ΠΠ°ΠΌΠ΅Π½ΠΈΡΡ Π²ΡΡΠ΅Π΄ΡΠΈΠΉ ΠΈΠ· ΡΡΡΠΎΡ ΡΠ·Π΅Π» ΠΈΠ»ΠΈ Π΅Π³ΠΎ ΡΠ°ΡΡΠΈ β ΡΡΠΎ ΠΏΠΎΠ»Π΄Π΅Π»Π°: ΠΏΠΎΡΠ»Π΅ ΡΡΠΎΠ³ΠΎ ΡΠΈΡΡΠ΅ΠΌΡ Π½ΡΠΆΠ½ΠΎ ΠΏΡΠ°Π²ΠΈΠ»ΡΠ½ΠΎ ΡΠΎΠ±ΡΠ°ΡΡ, ΠΎΡΡΠ΅Π³ΡΠ»ΠΈΡΠΎΠ²Π°ΡΡ ΠΈ ΠΏΡΠΎΡΠ΅ΡΡΠΈΡΠΎΠ²Π°ΡΡ ΠΏΡΠΈ ΠΏΠΎΠΌΠΎΡΠΈ ΡΠΏΠ΅ΡΠΈΠ°Π»ΡΠ½ΠΎΠ³ΠΎ ΠΎΠ±ΠΎΡΡΠ΄ΠΎΠ²Π°Π½ΠΈΡ. ΠΡΠ»ΠΈ Π²Π΅ΡΠ΄ΠΈΠΊΡ ΡΠΏΠ΅ΡΠΈΠ°Π»ΠΈΡΡΠΎΠ² Π±ΡΠ΄Π΅Ρ ΠΏΠΎΠ»ΠΎΠΆΠΈΡΠ΅Π»ΡΠ½ΡΠΌ, ΠΌΠΎΠΆΠ½ΠΎ ΡΠΌΠ΅Π»ΠΎ ΠΎΡΠΏΡΠ°Π²Π»ΡΡΡΡΡ Π² ΠΏΡΡΡ, Π½Π΅ Π·Π°Π±ΡΠ²Π°Ρ Π±Π΅ΡΠ΅ΡΡ ΡΠΎΡΠΌΠΎΠ·Π° ΠΎΡ ΡΡΠ΅Π·ΠΌΠ΅ΡΠ½ΠΎΠ³ΠΎ ΠΏΠ΅ΡΠ΅Π³ΡΠ΅Π²Π° ΠΈ ΠΏΠΎΠ²ΡΡΠ΅Π½Π½ΡΡ Π½Π°Π³ΡΡΠ·ΠΎΠΊ. Π’ΠΈΡΠ΅ Π΅Π΄Π΅ΡΡ β Π΄Π°Π»ΡΡΠ΅ Π±ΡΠ΄Π΅ΡΡ!
japzap.ru
ΠΠ°ΡΠ°Π±Π°Π½Π½ΡΠ΅ ΡΠΎΡΠΌΠΎΠ·Π° ΠΎΡΠ½ΠΎΡΡΡΡΡ ΠΊ ΡΠΈΠΏΡ ΡΠΎΡΠΌΠΎΠ·Π½ΠΎΠΉ ΡΠΈΡΡΠ΅ΠΌΡ, ΠΊΠΎΡΠΎΡΠ°Ρ ΡΠΎΡΡΠΎΠΈΡ ΠΈ ΠΊΡΡΡΡΡΠ΅Π³ΠΎΡΡ Π±Π°ΡΠ°Π±Π°Π½Π°.

ΠΠ°ΡΠ°Π±Π°Π½Π½ΡΠ΅ ΡΠΎΡΠΌΠΎΠ·Π°
Π ΡΠ΅Π³ΠΎΠ΄Π½ΡΡΠ½Π΅ΠΉ ΡΡΠ°ΡΡΠ΅ ΠΌΡ Π±ΠΎΠ»Π΅Π΅ ΠΏΠΎΠ΄ΡΠΎΠ±Π½ΠΎ ΠΎΠ±ΡΡΠ΄ΠΈΠΌ Π·Π°Π΄Π½ΠΈΠ΅ Π±Π°ΡΠ°Π±Π°Π½Π½ΡΠ΅ ΡΠΎΡΠΌΠΎΠ·Π°, Π° ΠΈΠΌΠ΅Π½Π½ΠΎ ΠΎΡΠ²Π΅ΡΠΈΠΌ Π½Π° ΡΠ°ΠΊΠΈΠ΅ Π²ΠΎΠΏΡΠΎΡΡ:
ΠΡΠ±ΡΠ΅ Π°Π²ΡΠΎΠΌΠΎΠ±ΠΈΠ»ΠΈ, ΠΊΠ°ΠΊ ΠΌΠ°Π»Π΅Π½ΡΠΊΠΈΠ΅, ΡΠ°ΠΊ ΠΈ Π±ΠΎΠ»ΡΡΠΈΠ΅ Π² ΠΎΠ±ΡΠ·Π°ΡΠ΅Π»ΡΠ½ΠΎΠΌ ΠΏΠΎΡΡΠ΄ΠΊΠ΅ ΠΎΡΠ½Π°ΡΠ°ΡΡΡΡ ΡΠΎΡΠΌΠΎΠ·Π½ΠΎΠΉ ΡΠΈΡΡΠ΅ΠΌΠΎΠΉ. ΠΡΠ½ΠΎΠ²Π½Π°Ρ Π·Π°Π΄Π°ΡΠ° ΡΠΎΡΠΌΠΎΠ·Π½ΠΎΠΉ ΡΠΈΡΡΠ΅ΠΌΡ Π·Π°ΠΊΠ»ΡΡΠ°Π΅ΡΡΡ Π² ΠΈΠ·ΠΌΠ΅Π½Π΅Π½ΠΈΠΈ ΡΠΊΠΎΡΠΎΡΡΠΈ ΠΏΠ΅ΡΠ΅Π΄Π²ΠΈΠΆΠ΅Π½ΠΈΡ ΡΡΠ°Π½ΡΠΏΠΎΡΡΠ½ΡΡ ΡΡΠ΅Π΄ΡΡΠ², ΠΏΠΎ ΠΊΠΎΠΌΠ°Π½Π΄Π΅ Π²Π»Π°Π΄Π΅Π»ΡΡΠ° Π°Π²ΡΠΎ ΠΈΠ»ΠΈ ΠΆΠ΅ ΡΠ»Π΅ΠΊΡΡΠΎΠ½Π½ΠΎΠΉ ΡΠΈΡΡΠ΅ΠΌΡ ΡΡΠΊΠΎΠ²ΠΎΠ΄ΡΡΠ²Π°. ΠΡΠΎΡΡΠΌ Π½Π°Π·Π½Π°ΡΠ΅Π½ΠΈΠ΅ΠΌ ΡΠΎΡΠΌΠΎΠ·Π½ΠΎΠΉ ΡΠΈΡΡΠ΅ΠΌΡ ΡΠ²Π»ΡΠ΅ΡΡΡ ΡΠ΄Π΅ΡΠΆΠ°Π½ΠΈΠ΅ ΠΌΠ°ΡΠΈΠ½Ρ Π² Π½Π΅ΠΏΠΎΠ΄Π²ΠΈΠΆΠ½ΠΎΠΌ ΡΠΎΡΡΠΎΡΠ½ΠΈΠΈ ΠΏΠΎ ΠΎΡΠ½ΠΎΡΠ΅Π½ΠΈΡ ΠΊ Π΄ΠΎΡΠΎΠ³Π΅, Π½Π° Π²ΡΠ΅ΠΌΡ ΡΡΠΎΡΠ½ΠΊΠΈ.
ΠΠ°Π²ΠΈΡΠΈΠΌΠΎ ΠΎΡ ΡΡΡΡΠΎΠΉΡΡΠ²Π° ΡΡΠΈΠΊΡΠΈΠΎΠ½Π½ΠΎΠΉ ΡΠ°ΡΡΠΈ ΡΠ°Π·Π»ΠΈΡΠ°ΡΡ ΠΌΠ΅Ρ Π°Π½ΠΈΠ·ΠΌΡ Π΄ΠΈΡΠΊΠ° ΠΈ Π±Π°ΡΠ°Π±Π°Π½Π° ΡΠΎΡΠΌΠΎΠΆΠ΅Π½ΠΈΡ. ΠΠ΅Ρ Π°Π½ΠΈΠ·ΠΌ ΡΠΎΡΠΌΠΎΠΆΠ΅Π½ΠΈΡ ΠΈΠΌΠ΅Π΅Ρ Π½Π΅ΠΏΠΎΠ΄Π²ΠΈΠΆΠ½ΡΡ ΠΈ Π²ΡΠ°ΡΠ°ΡΡΡΡΡΡ ΡΠ°ΡΡΠΈ. Π ΠΎΠ»Ρ ΠΏΠΎΠ΄Π²ΠΈΠΆΠ½ΠΎΠΉ ΡΠ°ΡΡΠΈ Π±Π°ΡΠ°Π±Π°Π½Π½ΠΎΠΉ ΠΊΠΎΠ½ΡΡΡΡΠΊΡΠΈΠΈ ΡΠΎΡΠΌΠΎΠΆΠ΅Π½ΠΈΡ ΠΈΠ³ΡΠ°Π΅Ρ Π±Π°ΡΠ°Π±Π°Π½ ΠΎΡΡΠ°Π½ΠΎΠ²ΠΊΠΈ, Π° Π½Π΅ Π²ΡΠ°ΡΠ°ΡΡΠ΅ΠΉΡΡ Π»Π΅Π½ΡΡ ΠΈΠ»ΠΈ ΠΊΠΎΠ»ΠΎΠ΄ΠΊΠΈ ΡΠΎΡΠΌΠΎΠΆΠ΅Π½ΠΈΡ. ΠΠΎΠ΄Π²ΠΈΠΆΠ½Π°Ρ ΡΠ°ΡΡΡ ΠΊΠΎΠ½ΡΡΡΡΠΊΡΠΈΠΈ Π΄ΠΈΡΠΊΠ° ΡΠΎΡΠΌΠΎΠΆΠ΅Π½ΠΈΡ ΠΈΠΌΠ΅Π΅Ρ Π²ΠΈΠ΄ Π΄ΠΈΡΠΊΠ°, Π° Π½Π΅ Π²ΡΠ°ΡΠ°ΡΡΠ°ΡΡΡ ΠΊΠΎΠ»ΠΎΠ΄ΠΊΠ°ΠΌΠΈ ΡΠΎΡΠΌΠΎΠΆΠ΅Π½ΠΈΡ. ΠΠ° ΠΎΡΡΡ ΡΠΎΠ²ΡΠ΅ΠΌΠ΅Π½Π½ΡΡ Π»Π΅Π³ΠΊΠΎΠ²ΡΡ Π°Π²ΡΠΎ ΠΎΠ±ΡΡΠ½ΠΎ ΡΠ°ΡΠΏΠΎΠ»Π°Π³Π°Π΅ΡΡΡ Π΄ΠΈΡΠΊΠΎΠ²Π°Ρ ΠΊΠΎΠ½ΡΡΡΡΠΊΡΠΈΡ ΡΠΎΡΠΌΠΎΠΆΠ΅Π½ΠΈΡ.

Π‘Ρ Π΅ΠΌΠ° Π±Π°ΡΠ°Π±Π°Π½Π½ΡΡ ΡΠΎΡΠΌΠΎΠ·ΠΎΠ²
ΠΠΈΡΠΊΠΎΠ²ΠΎΠΉ ΠΌΠ΅Ρ Π°Π½ΠΈΠ·ΠΌ ΡΠΎΡΠΌΠΎΠΆΠ΅Π½ΠΈΡ ΡΠΎΡΡΠΎΠΈΡ ΠΈΠ· ΡΠ°ΠΊΠΈΡ ΡΠ»Π΅ΠΌΠ΅Π½ΡΠΎΠ²:
ΠΠ°Π²Π°ΠΉΡΠ΅ ΡΠ°ΡΡΠΌΠΎΡΡΠΈΠΌ ΠΎΡΠ½ΠΎΠ²Π½ΡΠ΅ Π΄ΠΎΡΡΠΎΠΈΠ½ΡΡΠ²Π° ΠΈ Π½Π΅Π΄ΠΎΡΡΠ°ΡΠΊΠΈ Π±Π°ΡΠ°Π±Π°Π½Π½ΡΡ ΠΈ Π΄ΠΈΡΠΊΠΎΠ²ΡΡ ΡΠΎΡΠΌΠΎΠ·ΠΎΠ². ΠΡΠ°ΠΊ, Π΄ΠΎΡΡΠΎΠΈΠ½ΡΡΠ²Π° Π±Π°ΡΠ°Π±Π°Π½Π½ΡΡ ΡΠΎΡΠΌΠΎΠ·ΠΎΠ²:
Π Π½Π΅Π΄ΠΎΡΡΠ°ΡΠΊΠ°ΠΌ ΠΎΡΠ½ΠΎΡΡΡΡΡ:
ΠΡΠ΅ΠΈΠΌΡΡΠ΅ΡΡΠ²Π° Π΄ΠΈΡΠΊΠΎΠ²ΡΡ ΡΠΎΡΠΌΠΎΠ·ΠΎΠ²:
ΠΠ΄ΠΈΠ½ΡΡΠ²Π΅Π½Π½ΡΠΌ Π½Π΅Π΄ΠΎΡΡΠ°ΡΠΊΠΎΠΌ ΡΠ²Π»ΡΠ΅ΡΡΡ ΠΏΠ»ΠΎΡ Π°Ρ Π·Π°ΡΠΈΡΠ° ΠΎΡ Π³ΡΡΠ·ΠΈ ΠΈ ΠΏΡΠ»ΠΈ.
ΠΠ°Π²Π°ΠΉΡΠ΅ ΡΠ°ΡΡΠΌΠΎΡΡΠΈΠΌ ΠΏΡΠΈΠ½ΡΠΈΠΏ Π΄Π΅ΠΉΡΡΠ²ΠΈΡ ΡΠΈΡΡΠ΅ΠΌΡ ΡΠΎΡΠΌΠΎΠΆΠ΅Π½ΠΈΡ Π½Π° ΠΏΡΠΈΠΌΠ΅ΡΠ΅ Π³ΠΈΠ΄ΡΠ°Π²Π»ΠΈΡΠ΅ΡΠΊΠΎΠ³ΠΎ ΡΠ°Π±ΠΎΡΠ΅Π³ΠΎ Π±Π»ΠΎΠΊΠ°. Π ΠΌΠΎΠΌΠ΅Π½Ρ Π½Π°ΠΆΠ°ΡΠΈΡ Π½Π° ΡΠΎΡΠΌΠΎΠ· Π½Π°Π³ΡΡΠ·ΠΊΠ° ΠΏΠ΅ΡΠ΅Ρ ΠΎΠ΄ΠΈΡ Π½Π° ΡΡΠΈΠ»ΠΈΡΠ΅Π»Ρ, ΡΠΎΠ·Π΄Π°ΡΡΠΈΠΉ Π΄ΠΎΠ±Π°Π²ΠΎΡΠ½ΠΎΠ΅ ΡΡΠΈΠ»Π΅Π½ΠΈΠ΅ Π½Π° ΠΎΡΠ½ΠΎΠ²Π½ΠΎΠΌ ΡΠΈΠ»ΠΈΠ½Π΄ΡΠ΅. ΠΠΎΡΡΠ΅Π½Ρ ΠΎΡΠ½ΠΎΠ²Π½ΠΎΠ³ΠΎ ΡΠΈΠ»ΠΈΠ½Π΄ΡΠ° ΡΠΎΡΠΌΠΎΠΆΠ΅Π½ΠΈΡ ΡΠΎΠ±ΠΈΡΠ°Π΅Ρ Π²ΡΡ ΠΆΠΈΠ΄ΠΊΠΎΡΡΡ Π² ΡΠΈΠ»ΠΈΠ½Π΄ΡΠ°Ρ Π°Π²ΡΠΎΠΌΠΎΠ±ΠΈΠ»ΡΠ½ΡΡ ΠΊΠΎΠ»Π΅Ρ Ρ ΠΏΠΎΠΌΠΎΡΡΡ ΡΡΡΠ±ΠΎΠΏΡΠΎΠ²ΠΎΠ΄ΠΎΠ². ΠΡΠΈΡΠ΅ΠΌ Π² ΡΡΠΎΡ ΠΆΠ΅ ΠΌΠΎΠΌΠ΅Π½Ρ ΠΏΡΠΎΠΈΡΡ ΠΎΠ΄ΠΈΡ ΡΠ²Π΅Π»ΠΈΡΠ΅Π½ΠΈΠ΅ Π΄Π°Π²Π»Π΅Π½ΠΈΡ ΠΆΠΈΠ΄ΠΊΠΎΡΡΠΈ Π² ΠΏΡΠΈΠ²ΠΎΠ΄Π΅ ΡΠΎΡΠΌΠΎΠ·Π°. ΠΠ»Π°Π³ΠΎΠ΄Π°ΡΡ ΠΏΠΎΡΡΠ½ΡΠΌ ΡΠΈΠ»ΠΈΠ½Π΄ΡΠΎΠ² Π°Π²ΡΠΎΠΌΠΎΠ±ΠΈΠ»ΡΠ½ΡΡ ΠΊΠΎΠ»Π΅Ρ ΠΏΡΠΎΠΈΡΡ ΠΎΠ΄ΠΈΡ ΠΏΠ΅ΡΠ΅ΠΌΠ΅ΡΠ΅Π½ΠΈΠ΅ ΡΠΎΡΠΌΠΎΠ·ΡΡΠΈΡ ΠΊΠΎΠ»ΠΎΠ΄ΠΎΠΊ ΠΊ Π΄ΠΈΡΠΊΠ°ΠΌ, ΠΈΠ»ΠΈ ΠΊΠ°ΠΊ ΠΈΡ Π΅ΡΠ΅ Π½Π°Π·ΡΠ²Π°ΡΡ Π±Π°ΡΠ°Π±Π°Π½Π°ΠΌ.
ΠΠΎΡΠ»Π΅ Π½Π°ΠΆΠ°ΡΠΈΡ Π½Π° ΡΠΎΡΠΌΠΎΠ· ΠΏΡΠΎΡ ΠΎΠ΄ΠΈΡ ΡΠ²Π΅Π»ΠΈΡΠ΅Π½ΠΈΠ΅ Π΄Π°Π²Π»Π΅Π½ΠΈΡ ΠΆΠΈΠ΄ΠΊΠΎΡΡΠΈ, Π²ΡΠ»Π΅Π΄ΡΡΠ²ΠΈΠ΅ ΡΠ΅Π³ΠΎ ΠΏΡΠΎΡ ΠΎΠ΄ΠΈΡ Π°ΠΊΡΠΈΠ²Π°ΡΠΈΡ ΠΌΠ΅Ρ Π°Π½ΠΈΠ·ΠΌΠΎΠ² ΡΠΎΡΠΌΠΎΠΆΠ΅Π½ΠΈΡ, ΠΏΡΠΈΠ²ΠΎΠ΄ΡΡΠΈΡ Π²ΡΠ°ΡΠ΅Π½ΠΈΠ΅ Π°Π²ΡΠΎΠΌΠΎΠ±ΠΈΠ»ΡΠ½ΡΡ ΠΊΠΎΠ»Π΅Ρ Π² Π·Π°ΠΌΠ΅Π΄Π»Π΅Π½ΠΈΠ΅ ΠΈ ΠΎΠ±ΡΠ°Π·ΠΎΠ²Π°Π½ΠΈΠ΅ ΡΠΈΠ»Ρ ΡΠΎΡΠΌΠΎΠΆΠ΅Π½ΠΈΡ Π² ΠΌΠ΅ΡΡΠ΅ ΠΊΠΎΠ½ΡΠ°ΠΊΡΠ° ΡΠΈΠ½ Π°Π²ΡΠΎ Ρ ΠΏΠΎΠΊΡΡΡΠΈΠ΅ΠΌ Π΄ΠΎΡΠΎΠ³ΠΈ.
ΠΡΠΈΡΠ΅ΠΌ ΡΠ΅ΠΌ Π±ΠΎΠ»ΡΡΠ΅ Π±ΡΠ΄Π΅Ρ ΠΏΡΠΈΠΊΠ»Π°Π΄ΡΠ²Π°ΡΡΡΡ ΡΠΈΠ»Π° ΠΊ ΠΏΠ΅Π΄Π°Π»ΠΈ ΡΠΎΡΠΌΠΎΠ·Π°, ΡΠ΅ΠΌ ΡΡΡΠ΅ΠΊΡΠΈΠ²Π½Π΅Π΅ ΠΈ Π±ΡΡΡΡΠ΅Π΅ ΠΏΡΠΎΠΈΠ·ΠΎΠΉΠ΄Π΅Ρ ΠΎΡΡΠ°Π½ΠΎΠ²ΠΊΠ° Π°Π²ΡΠΎΠΌΠΎΠ±ΠΈΠ»ΡΠ½ΡΡ ΠΊΠΎΠ»Π΅Ρ. ΠΠ°Π²Π»Π΅Π½ΠΈΠ΅ ΠΆΠΈΠ΄ΠΊΠΎΡΡΠΈ Π² ΠΌΠΎΠΌΠ΅Π½Ρ ΠΎΡΡΠ°Π½ΠΎΠ²ΠΊΠΈ ΠΌΠΎΠΆΠ΅Ρ Π΄ΠΎΡΡΠΈΠ³Π°ΡΡ ΠΎΡ Π΄Π΅ΡΡΡΠΈ Π΄ΠΎ ΠΏΡΡΠ½Π°Π΄ΡΠ°ΡΠΈ ΠΌΠ΅Π³Π°ΠΏΠ°ΡΠΊΠ°Π»Π΅ΠΉ.
Π ΠΌΠΎΠΌΠ΅Π½Ρ ΠΎΠΊΠΎΠ½ΡΠ°Π½ΠΈΡ ΡΠΎΡΠΌΠΎΠΆΠ΅Π½ΠΈΡ ΠΏΠ΅Π΄Π°Π»Ρ ΠΏΡΠΈ Π²ΠΎΠ·Π΄Π΅ΠΉΡΡΠ²ΠΈΠΈ ΠΏΡΡΠΆΠΈΠ½Ρ Π²ΠΎΠ·Π²ΡΠ°ΡΠ° ΠΏΠ΅ΡΠ΅Ρ ΠΎΠ΄ΠΈΡ Π² ΠΎΠ±ΡΠ°ΡΠ½ΠΎΠ΅ ΠΏΠΎΠ»ΠΎΠΆΠ΅Π½ΠΈΠ΅. Π’Π°ΠΊΠΆΠ΅ Π² ΠΎΠ±ΡΠ°ΡΠ½ΠΎΠ΅ ΡΠ°ΡΠΏΠΎΠ»ΠΎΠΆΠ΅Π½ΠΈΠ΅ ΠΏΠ΅ΡΠ΅Ρ ΠΎΠ΄ΠΈΡ ΠΏΠΎΡΡΠ΅Π½Ρ ΠΎΡΠ½ΠΎΠ²Π½ΠΎΠ³ΠΎ ΡΠΈΠ»ΠΈΠ½Π΄ΡΠ° ΡΠΎΡΠΌΠΎΠΆΠ΅Π½ΠΈΡ. Π§Π°ΡΡΠΈ ΠΏΡΡΠΆΠΈΠ½ ΠΎΡΠ²ΠΎΠ΄ΡΡΡΡ ΠΎΡ Π±Π°ΡΠ°Π±Π°Π½ΠΎΠ² ΠΏΡΠΈ ΠΏΠΎΠΌΠΎΡΠΈ ΠΊΠΎΠ»ΠΎΠ΄ΠΎΠΊ. Π’ΠΎΡΠΌΠΎΠ·Π½Π°Ρ ΠΆΠΈΠ΄ΠΊΠΎΡΡΡ ΠΏΠ΅ΡΠ΅Ρ ΠΎΠ΄ΠΈΡ Π² ΠΎΡΠ½ΠΎΠ²Π½ΠΎΠΉ ΡΠΈΠ»ΠΈΠ½Π΄Ρ ΡΠΎΡΠΌΠΎΠΆΠ΅Π½ΠΈΡ ΠΈΠ· ΡΠΈΠ»ΠΈΠ½Π΄ΡΠΎΠ² Π°Π²ΡΠΎΠΌΠΎΠ±ΠΈΠ»ΡΠ½ΡΡ ΠΊΠΎΠ»Π΅Ρ Π±Π»Π°Π³ΠΎΠ΄Π°ΡΡ ΡΡΡΠ±ΠΎΠΏΡΠΎΠ²ΠΎΠ΄Π°ΠΌ. Π’Π°ΠΊΠΈΠΌ ΠΎΠ±ΡΠ°Π·ΠΎΠΌ, ΠΏΡΠΎΡ ΠΎΠ΄ΠΈΡ ΠΏΠΎΠ½ΠΈΠΆΠ΅Π½ΠΈΠ΅ Π΄Π°Π²Π»Π΅Π½ΠΈΡ ΡΠΈΡΡΠ΅ΠΌΡ ΡΠΎΡΠΌΠΎΠΆΠ΅Π½ΠΈΡ.
ΠΠ»Ρ Π»ΠΈΠΊΠ²ΠΈΠ΄Π°ΡΠΈΠΈ ΡΠΊΡΠΈΠΏΠ° Π·Π°Π΄Π½ΠΈΡ Π±Π°ΡΠ°Π±Π°Π½Π½ΡΡ ΡΠΎΡΠΌΠΎΠ·ΠΎΠ² Π½ΡΠΆΠ½ΠΎ ΠΏΡΠΈΠΎΠ±ΡΠ΅ΡΡΠΈ ΠΏΠΎΠ΄Ρ ΠΎΠ΄ΡΡΠΈΠΉ ΡΠ΅ΠΌΠΊΠΎΠΌΠΏΠ»Π΅ΠΊΡ. ΠΡΠ°ΠΊ, ΠΊΠ°ΠΊΠΎΠΉ ΡΠ΅ΠΌΠΊΠΎΠΌΠΏΠ»Π΅ΠΊΡ Π½ΡΠΆΠ½ΠΎ ΠΏΡΠΈΠΎΠ±ΡΠ΅ΡΡΠΈ, Π΅ΡΠ»ΠΈ ΡΠΊΡΠΈΠΏΡΡ Π±Π°ΡΠ°Π±Π°Π½Π½ΡΠ΅ ΡΠΎΡΠΌΠΎΠ·Π°?
ΠΡΠ°ΠΊ, ΡΡΠΎ Π΄Π΅Π»Π°ΡΡ, Π΅ΡΠ»ΠΈ ΡΠΊΡΠΈΠΏΡΡ Π±Π°ΡΠ°Π±Π°Π½Π½ΡΠ΅ ΡΠΎΡΠΌΠΎΠ·Π°?
ΠΡΠ΅ΠΆΠ΄Π΅ ΡΠ΅ΠΌ ΠΏΠ΅ΡΠ΅Ρ ΠΎΠ΄ΠΈΡΡ ΠΊ ΠΏΡΠΎΠ²Π΅Π΄Π΅Π½ΠΈΡ Π·Π°ΠΌΠ΅Π½Ρ Π·Π°Π΄Π½ΠΈΡ Π±Π°ΡΠ°Π±Π°Π½Π½ΡΡ ΡΠΎΡΠΌΠΎΠ·ΠΎΠ² Π½ΡΠΆΠ½ΠΎ ΠΏΡΠΈΠΎΠ±ΡΠ΅ΡΡΠΈ ΡΠ΅ΠΌΠΊΠΎΠΌΠΏΠ»Π΅ΠΊΡ. ΠΡΠ°ΠΊ, ΠΊΠ°ΠΊ ΠΏΡΠΎΠ²ΠΎΠ΄ΠΈΡΡΡ Π·Π°ΠΌΠ΅Π½Π° ΡΠΎΡΠΌΠΎΠ·ΠΎΠ² Π½Π° Π΄ΠΈΡΠΊΠΎΠ²ΡΠ΅?
autodont.ru
ΠΠ±ΡΠΈΠ΅ ΡΠ²Π΅Π΄Π΅Π½ΠΈΡ
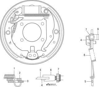
|
Π ΠΈΡ. 12.34. ΠΠ°ΡΠ°Π±Π°Π½Π½ΡΠΉ ΡΠΎΡΠΌΠΎΠ·Π½ΠΎΠΉ ΠΌΠ΅Ρ Π°Π½ΠΈΠ·ΠΌ Π·Π°Π΄Π½Π΅Π³ΠΎ ΠΊΠΎΠ»Π΅ΡΠ°: 1 β Π±ΠΎΠ»Ρ ΠΊΡΠ΅ΠΏΠ»Π΅Π½ΠΈΡ ΡΠ°Π±ΠΎΡΠ΅Π³ΠΎ ΡΠΎΡΠΌΠΎΠ·Π½ΠΎΠ³ΠΎ ΡΠΈΠ»ΠΈΠ½Π΄ΡΠ°; 2 β Π·Π°Π³Π»ΡΡΠΊΠ° ΡΠΌΠΎΡΡΠΎΠ²ΠΎΠ³ΠΎ ΠΎΡΠ²Π΅ΡΡΡΠΈΡ; 3 β ΠΎΡΡ ΡΡΡΠ°Π³Π°; 4 β ΡΠΎΡΠΌΠΎΠ·Π½ΠΎΠΉ ΡΠΈΡ; 5 β ΡΠ·Π΅Π» ΡΠ°Π±ΠΎΡΠ΅Π³ΠΎ ΡΠΎΡΠΌΠΎΠ·Π½ΠΎΠ³ΠΎ ΡΠΈΠ»ΠΈΠ½Π΄ΡΠ°; 6 β ΡΠΎΡΠΌΠΎΠ·Π½Π°Ρ ΠΊΠΎΠ»ΠΎΠ΄ΠΊΠ°; 7 β ΡΠ·Π΅Π» ΡΠ΅Π³ΡΠ»ΠΈΡΠΎΠ²ΠΎΡΠ½ΠΎΠ³ΠΎ ΡΡΡΡΠΎΠΉΡΡΠ²Π° ΡΠΎΡΠΌΠΎΠ·Π°; 8 β Π²Π΅ΡΡ Π½ΡΡ Π²ΠΎΠ·Π²ΡΠ°ΡΠ½Π°Ρ ΠΏΡΡΠΆΠΈΠ½Π°; 9 β ΠΏΡΠΈΠΆΠΈΠΌΠ½Π°Ρ ΠΏΡΡΠΆΠΈΠ½Π°; 10 β ΡΠ°ΠΉΠ±Π°; 11 β ΡΠΎΡΠΌΠΎΠ·Π½ΠΎΠΉ Π±Π°ΡΠ°Π±Π°Π½; 12 β ΡΡΡΠ°Π½ΠΎΠ²ΠΎΡΠ½ΡΠΉ Π²ΠΈΠ½Ρ; 13 β Π½ΠΈΠΆΠ½ΡΡ Π²ΠΎΠ·Π²ΡΠ°ΡΠ½Π°Ρ ΠΏΡΡΠΆΠΈΠ½Π°; 14 β ΡΠΎΠ΅Π΄ΠΈΠ½ΠΈΡΠ΅Π»ΡΠ½ΠΎΠ΅ Π·Π²Π΅Π½ΠΎ; 15 β ΠΏΡΡΠΆΠΈΠ½Π° ΡΠ΅Π³ΡΠ»ΠΈΡΠΎΠ²ΠΎΡΠ½ΠΎΠ³ΠΎ ΡΡΡΡΠΎΠΉΡΡΠ²Π°; 16 β ΡΠΎΡΠΌΠΎΠ·Π½Π°Ρ ΠΊΠΎΠ»ΠΎΠ΄ΠΊΠ°; 17 β ΡΡΡΠ°Π³ ΡΠ΅Π³ΡΠ»ΠΈΡΠΎΠ²ΠΎΡΠ½ΠΎΠ³ΠΎ ΡΡΡΡΠΎΠΉΡΡΠ²Π° |
Π’ΠΎΡΠΌΠΎΠ·Π½ΠΎΠΉ ΠΌΠ΅Ρ Π°Π½ΠΈΠ·ΠΌ Π·Π°Π΄Π½ΠΈΡ ΠΊΠΎΠ»Π΅Ρ Π±Π°ΡΠ°Π±Π°Π½Π½ΠΎΠ³ΠΎ ΡΠΈΠΏΠ° Ρ Π²Π΅Π΄ΡΡΠ΅ΠΉ ΠΈ Π²Π΅Π΄ΠΎΠΌΠΎΠΉ ΡΠΎΡΠΌΠΎΠ·Π½ΡΠΌΠΈ ΠΊΠΎΠ»ΠΎΠ΄ΠΊΠ°ΠΌΠΈ (ΡΠΈΡ. 12.34). ΠΡΠΈ ΡΠ°ΠΊΠΎΠΉ ΠΊΠΎΠ½ΡΡΡΡΠΊΡΠΈΠΈ ΡΠΎΡΠΌΠΎΠ·ΠΎΠ² Π²Π΅ΡΡ Π½ΡΡ ΡΡΡΠΆΠ½Π°Ρ ΠΏΡΡΠΆΠΈΠ½Π° ΠΏΡΠΈΠΆΠΈΠΌΠ°Π΅Ρ ΠΎΠ±Π΅ ΡΠΎΡΠΌΠΎΠ·Π½ΡΠ΅ ΠΊΠΎΠ»ΠΎΠ΄ΠΊΠΈ ΠΊ ΡΠ°Π±ΠΎΡΠ΅ΠΌΡ ΡΠΎΡΠΌΠΎΠ·Π½ΠΎΠΌΡ ΡΠΈΠ»ΠΈΠ½Π΄ΡΡ, Π° Π½ΠΈΠΆΠ½ΡΡ ΡΡΡΠΆΠ½Π°Ρ ΠΏΡΡΠΆΠΈΠ½Π° ΠΏΡΠΈΠΆΠΈΠΌΠ°Π΅Ρ ΠΈΡ ΠΊ Π½Π΅ΠΏΠΎΠ΄Π²ΠΈΠΆΠ½ΠΎΠΌΡ ΡΠΏΠΎΡΡ. ΠΡΠΈ Π½Π°ΠΆΠ°ΡΠΈΠΈ Π½Π° ΠΏΠ΅Π΄Π°Π»Ρ ΡΠΎΡΠΌΠΎΠ·Π° ΠΏΠΎΡΡΠ΅Π½Ρ ΡΠΎΡΠΌΠΎΠ·Π½ΠΎΠ³ΠΎ ΡΠΈΠ»ΠΈΠ½Π΄ΡΠ° ΠΊΠΎΠ»Π΅ΡΠ° ΠΏΡΠΈΠΆΠΈΠΌΠ°Π΅Ρ ΠΎΠ±Π΅ ΡΠΎΡΠΌΠΎΠ·Π½ΡΠ΅ ΠΊΠΎΠ»ΠΎΠ΄ΠΊΠΈ ΠΊ Π²Π½ΡΡΡΠ΅Π½Π½Π΅ΠΉ ΠΏΠΎΠ²Π΅ΡΡ Π½ΠΎΡΡΠΈ ΡΠΎΡΠΌΠΎΠ·Π½ΠΎΠ³ΠΎ Π±Π°ΡΠ°Π±Π°Π½Π°. Π‘ΠΈΠ»Π° ΡΡΠ΅Π½ΠΈΡ ΡΠΎΠ·Π΄Π°Π΅Ρ ΠΊΡΡΡΡΡΠΈΠΉ ΠΌΠΎΠΌΠ΅Π½Ρ, ΠΊΠΎΡΠΎΡΡΠΉ ΠΏΡΠΈ Π΄Π²ΠΈΠΆΠ΅Π½ΠΈΠΈ Π°Π²ΡΠΎΠΌΠΎΠ±ΠΈΠ»Ρ Π²ΠΏΠ΅ΡΠ΅Π΄ Π΅ΡΠ΅ ΡΠΈΠ»ΡΠ½Π΅Π΅ ΠΏΡΠΈΠΆΠΈΠΌΠ°Π΅Ρ Π²Π΅Π΄ΡΡΡΡ ΡΠΎΡΠΌΠΎΠ·Π½ΡΡ ΠΊΠΎΠ»ΠΎΠ΄ΠΊΡ ΠΊ ΡΠΎΡΠΌΠΎΠ·Π½ΠΎΠΌΡ Π±Π°ΡΠ°Π±Π°Π½Ρ. ΠΡΠΈ Π΄Π²ΠΈΠΆΠ΅Π½ΠΈΠΈ Π°Π²ΡΠΎΠΌΠΎΠ±ΠΈΠ»Ρ Π½Π°Π·Π°Π΄ Π°Π½Π°Π»ΠΎΠ³ΠΈΡΠ½ΡΠΉ ΡΡΡΠ΅ΠΊΡ ΠΏΡΠΎΠΈΡΡ ΠΎΠ΄ΠΈΡ Ρ Π²Π΅Π΄ΠΎΠΌΠΎΠΉ ΡΠΎΡΠΌΠΎΠ·Π½ΠΎΠΉ ΠΊΠΎΠ»ΠΎΠ΄ΠΊΠΎΠΉ. Π£ΡΠΈΠ»ΠΈΠ΅ ΠΎΡ ΡΠΎΡΠΌΠΎΠ·Π½ΡΡ ΠΊΠΎΠ»ΠΎΠ΄ΠΎΠΊ ΠΏΠ΅ΡΠ΅Π΄Π°Π΅ΡΡΡ Π½Π° Π½Π΅ΠΏΠΎΠ΄Π²ΠΈΠΆΠ½ΡΠΉ ΡΠΏΠΎΡ, Π° ΡΠ΅ΡΠ΅Π· Π½Π΅Π³ΠΎ β Π½Π° ΠΎΠΏΠΎΡΠ½ΡΡ ΠΏΠ»Π°ΡΡΠΈΠ½Ρ ΠΈ ΡΠ»Π°Π½Π΅Ρ Π·Π°Π΄Π½Π΅ΠΉ ΠΎΡΠΈ.
ΠΡΠΈ ΡΠ°ΠΊΠΎΠΉ ΠΊΠΎΠ½ΡΡΡΡΠΊΡΠΈΠΈ ΡΠΎΡΠΌΠΎΠ·Π° ΠΏΡΠΎΠΈΡΡ ΠΎΠ΄ΠΈΡ Π°Π²ΡΠΎΠΌΠ°ΡΠΈΡΠ΅ΡΠΊΠ°Ρ ΡΠ΅Π³ΡΠ»ΠΈΡΠΎΠ²ΠΊΠ° Π·Π°Π·ΠΎΡΠ° ΠΏΠΎΡΠ»Π΅ ΠΎΡΠΏΡΡΠΊΠ°Π½ΠΈΡ ΠΏΠ΅Π΄Π°Π»ΠΈ ΡΠΎΡΠΌΠΎΠ·Π°. ΠΡΠΎΠΌΠ΅ ΡΠΎΠ³ΠΎ, ΠΏΡΠΈ ΡΠ°ΠΊΠΎΠΉ ΠΊΠΎΠ½ΡΡΡΡΠΊΡΠΈΠΈ ΡΠΎΡΠΌΠΎΠ·Π½ΡΠ΅ Π½Π°ΠΊΠ»Π°Π΄ΠΊΠΈ Π²Π΅Π΄ΡΡΠ΅ΠΉ ΡΠΎΡΠΌΠΎΠ·Π½ΠΎΠΉ ΠΊΠΎΠ»ΠΎΠ΄ΠΊΠΈ ΠΎΠ±ΡΡΠ½ΠΎ ΠΈΠ·Π½Π°ΡΠΈΠ²Π°ΡΡΡΡ Π±ΡΡΡΡΠ΅Π΅, ΡΠ΅ΠΌ Ρ Π²Π΅Π΄ΠΎΠΌΠΎΠΉ ΠΊΠΎΠ»ΠΎΠ΄ΠΊΠΈ. ΠΡΠ»ΠΈ ΡΠΎΡΠΌΠΎΠ·Π° ΡΠΊΡΠΏΠ»ΡΠ°ΡΠΈΡΠΎΠ²Π°Π»ΠΈΡΡ, ΡΠΎ ΠΌΠ΅Π½ΡΡΡ ΠΊΠΎΠ»ΠΎΠ΄ΠΊΠΈ ΠΌΠ΅ΡΡΠ°ΠΌΠΈ Π½Π΅Π΄ΠΎΠΏΡΡΡΠΈΠΌΠΎ, ΡΠ°ΠΊ ΠΊΠ°ΠΊ ΠΏΡΠΈ ΡΡΠΎΠΌ ΡΡΡΠ΅ΠΊΡ Π°Π²ΡΠΎΠΌΠ°ΡΠΈΡΠ΅ΡΠΊΠΎΠ³ΠΎ ΡΠ²Π΅Π»ΠΈΡΠ΅Π½ΠΈΡ ΡΠΎΡΠΌΠΎΠ·Π½ΠΎΠ³ΠΎ ΡΡΠΈΠ»ΠΈΡ ΠΌΠΎΠΆΠ΅Ρ Π½Π°ΡΡΡΠΈΡΡΡΡ, ΡΡΠΎ ΠΏΡΠΈΠ²Π΅Π΄Π΅Ρ ΠΊ ΡΠ²Π΅Π»ΠΈΡΠ΅Π½Π½ΠΎΠΌΡ Ρ ΠΎΠ΄Ρ ΠΏΠ΅Π΄Π°Π»ΠΈ ΡΠΎΡΠΌΠΎΠ·Π°.
Β Β Β Β ΠΠ ΠΠΠ£ΠΠ ΠΠΠΠΠΠΠ
ΠΡΠΈ ΡΠ΅ΠΌΠΎΠ½ΡΠ΅ ΡΠ°Π±ΠΎΡΠ΅Π³ΠΎ ΡΠΎΡΠΌΠΎΠ·Π½ΠΎΠ³ΠΎ ΡΠΈΠ»ΠΈΠ½Π΄ΡΠ° Π½Π΅ΠΎΠ±Ρ ΠΎΠ΄ΠΈΠΌΠΎ Π·Π°ΠΌΠ΅Π½ΡΡΡ Π²ΡΠ΅ Π΄Π΅ΡΠ°Π»ΠΈ, Π²ΠΊΠ»ΡΡΠ΅Π½Π½ΡΠ΅ Π² ΡΠ΅ΠΌΠΎΠ½ΡΠ½ΡΠΉ Π½Π°Π±ΠΎΡ.
ΠΠ΅ ΠΏΡΠΎΠ΄ΡΠ²Π°ΠΉΡΠ΅ Π΄Π΅ΡΠ°Π»ΠΈ ΡΠΎΡΠΌΠΎΠ·Π½ΠΎΠΉ ΡΠΈΡΡΠ΅ΠΌΡ Π²ΠΎΠ·Π΄ΡΡ ΠΎΠΌ ΠΎΡ ΠΊΠΎΠΌΠΏΡΠ΅ΡΡΠΎΡΠ°, ΡΠΎΠ΄Π΅ΡΠΆΠ°ΡΠΈΠΌ ΠΏΠ°ΡΡ ΠΌΠ°ΡΠ΅Π». ΠΡΠΎ ΠΌΠΎΠΆΠ΅Ρ ΠΏΡΠΈΠ²Π΅ΡΡΠΈ ΠΊ ΠΏΠΎΠ²ΡΠ΅ΠΆΠ΄Π΅Π½ΠΈΡ ΡΠ΅Π·ΠΈΠ½ΠΎΠ²ΡΡ Π΄Π΅ΡΠ°Π»Π΅ΠΉ ΡΠ·Π»ΠΎΠ².
ΠΡΠΈ ΡΠ°Π·Π±ΠΎΡΠΊΠ΅ ΡΠ·Π»ΠΎΠ² Π³ΠΈΠ΄ΡΠ°Π²Π»ΠΈΡΠ΅ΡΠΊΠΎΠ³ΠΎ ΠΏΡΠΈΠ²ΠΎΠ΄Π° ΡΠΎΡΠΌΠΎΠ·Π½ΠΎΠΉ ΡΠΈΡΡΠ΅ΠΌΡ ΠΌΠΎΠΆΠ΅Ρ Π²ΠΎΠ·Π½ΠΈΠΊΠ½ΡΡΡ Π½Π΅ΠΎΠ±Ρ ΠΎΠ΄ΠΈΠΌΠΎΡΡΡ ΠΏΡΠΎΠΊΠ°ΡΠΊΠΈ Π²ΡΠ΅ΠΉ ΡΠΎΡΠΌΠΎΠ·Π½ΠΎΠΉ ΡΠΈΡΡΠ΅ΠΌΡ ΠΈΠ»ΠΈ Π΅Π΅ ΡΠ°ΡΡΠΈ.
ΠΠ½Π°ΡΠ΅Π½ΠΈΡ ΠΌΠΎΠΌΠ΅Π½ΡΠΎΠ² Π·Π°ΡΡΠΆΠΊΠΈ ΠΊΡΠ΅ΠΏΠ΅ΠΆΠ½ΡΡ Π΄Π΅ΡΠ°Π»Π΅ΠΉ ΠΏΡΠΈΠ²Π΅Π΄Π΅Π½Ρ Π΄Π»Ρ ΡΡΡ ΠΈΡ , Π½Π΅ ΡΠΌΠ°Π·Π°Π½Π½ΡΡ ΡΠ΅Π·ΡΠ±ΠΎΠ²ΡΡ ΠΏΠΎΠ²Π΅ΡΡ Π½ΠΎΡΡΠ΅ΠΉ.
ΠΠΏΠ΅ΡΠ°ΡΠΈΠΈ ΠΏΠΎ ΠΎΠ±ΡΠ»ΡΠΆΠΈΠ²Π°Π½ΠΈΡ Π΄Π΅ΡΠ°Π»Π΅ΠΉ ΡΠΈΠ»ΠΈΠ½Π΄ΡΠ° Π΄ΠΎΠ»ΠΆΠ½Ρ ΠΏΡΠΎΠ²ΠΎΠ΄ΠΈΡΡΡΡ Π½Π° ΡΠΈΡΡΠΎΠΌ ΡΡΡ ΠΎΠΌ Π²Π΅ΡΡΡΠ°ΠΊΠ΅ Π±Π΅Π· ΠΎΠΏΠ°ΡΠ½ΠΎΡΡΠΈ Π·Π°Π³ΡΡΠ·Π½Π΅Π½ΠΈΡ Π΄Π΅ΡΠ°Π»Π΅ΠΉ ΠΌΠΈΠ½Π΅ΡΠ°Π»ΡΠ½ΡΠΌΠΈ ΠΌΠ°ΡΠ»Π°ΠΌΠΈ.
Β Β Β Β ΠΠ ΠΠΠ£ΠΠ ΠΠΠΠΠΠΠ
ΠΡΠΈ ΠΎΠ±ΡΠ»ΡΠΆΠΈΠ²Π°Π½ΠΈΠΈ Π΄Π΅ΡΠ°Π»Π΅ΠΉ ΡΠΎΡΠΌΠΎΠ·Π½ΠΎΠ³ΠΎ ΠΌΠ΅Ρ Π°Π½ΠΈΠ·ΠΌΠ° Π½Π΅ ΠΏΠΎΠ΄Π½ΠΈΠΌΠ°ΠΉΡΠ΅ ΠΏΡΠ»Ρ ΠΏΡΠΈ ΠΎΠ±ΡΠ°Π±ΠΎΡΠΊΠ΅ ΡΠ»ΠΈΡΠΎΠ²Π°Π»ΡΠ½ΡΠΌ ΠΊΡΡΠ³ΠΎΠΌ, Π·Π°ΡΠΈΡΡΠΊΠ΅ Π½Π°ΠΊΠ»Π°Π΄ΠΎΠΊ ΡΠΎΡΠΌΠΎΠ·Π½ΡΡ ΠΊΠΎΠ»ΠΎΠ΄ΠΎΠΊ ΠΈΠ»ΠΈ ΠΏΡΠΈ ΠΎΡΠΈΡΡΠΊΠ΅ Π΄Π΅ΡΠ°Π»Π΅ΠΉ ΡΠΎΡΠΌΠΎΠ·ΠΎΠ² ΡΡΡ ΠΎΠΉ ΡΠ΅ΡΠΊΠΎΠΉ ΠΈΠ»ΠΈ ΡΠΆΠ°ΡΡΠΌ Π²ΠΎΠ·Π΄ΡΡ ΠΎΠΌ ΠΎΡ ΠΊΠΎΠΌΠΏΡΠ΅ΡΡΠΎΡΠ°. ΠΠ»Ρ ΡΡΠΎΠ³ΠΎ Π½Π΅ΠΎΠ±Ρ ΠΎΠ΄ΠΈΠΌΠΎ Π²ΠΎΡΠΏΠΎΠ»ΡΠ·ΠΎΠ²Π°ΡΡΡΡ Π²Π»Π°ΠΆΠ½ΠΎΠΉ ΡΡΡΠΏΠΊΠΎΠΉ. ΠΠ°ΠΊΠ»Π°Π΄ΠΊΠΈ ΡΠΎΡΠΌΠΎΠ·Π½ΡΡ ΠΊΠΎΠ»ΠΎΠ΄ΠΎΠΊ ΡΠΎΠ΄Π΅ΡΠΆΠ°Ρ Π°ΡΠ±Π΅ΡΡΠΎΠ²ΡΠ΅ Π²ΠΎΠ»ΠΎΠΊΠ½Π°, ΠΏΡΠ»Ρ ΠΎΡ ΠΊΠΎΡΠΎΡΡΡ ΠΌΠΎΠΆΠ΅Ρ ΠΏΠΎΠΏΠ°ΡΡΡ Π² Π²ΠΎΠ·Π΄ΡΡ ΠΏΡΠΈ ΠΎΠ±ΡΠ»ΡΠΆΠΈΠ²Π°Π½ΠΈΠΈ ΡΠΎΡΠΌΠΎΠ·ΠΎΠ². ΠΠ΄ΡΡ Π°Π½ΠΈΠ΅ ΠΏΡΠ»ΠΈ, ΡΠΎΠ΄Π΅ΡΠΆΠ°ΡΠ΅ΠΉ Π°ΡΠ±Π΅ΡΡ, ΠΌΠΎΠΆΠ΅Ρ ΠΏΡΠΈΡΠΈΠ½ΠΈΡΡ ΡΠ΅ΡΡΠ΅Π·Π½ΡΠΉ ΡΡΠ΅ΡΠ± Π·Π΄ΠΎΡΠΎΠ²ΡΡ.
ΠΠ±ΡΠ»ΡΠΆΠΈΠ²Π°Π½ΠΈΠ΅ Β Π½Π° Π°Π²ΡΠΎΠΌΠΎΠ±ΠΈΠ»Π΅
ΠΠ°Π΄Π½ΠΈΠΉ ΡΠΎΡΠΌΠΎΠ·Π½ΠΎΠΉ ΠΌΠ΅Ρ Π°Π½ΠΈΠ·ΠΌ
Π‘Π½ΡΡΠΈΠ΅
1.Β ΠΠΎΠ΄Π½ΠΈΠΌΠΈΡΠ΅ Π°Π²ΡΠΎΠΌΠΎΠ±ΠΈΠ»Ρ Π½Π° ΠΏΠΎΠ΄ΡΠ΅ΠΌΠ½ΠΈΠΊΠ΅.
2.Β ΠΡΠΌΠ΅ΡΡΡΠ΅ ΠΏΠΎΠ»ΠΎΠΆΠ΅Π½ΠΈΡ ΠΊΠΎΠ»Π΅ΡΠ½ΡΡ Π΄ΠΈΡΠΊΠΎΠ² ΠΏΠΎ ΠΎΡΠ½ΠΎΡΠ΅Π½ΠΈΡ ΠΊ ΡΡΡΠΏΠΈΡΠ°ΠΌ ΠΈ ΡΠ½ΠΈΠΌΠΈΡΠ΅ Π·Π°Π΄Π½ΠΈΠ΅ ΠΊΠΎΠ»Π΅ΡΠ°.
3.Β ΠΡΠ²Π΅ΡΠ½ΠΈΡΠ΅ Π³Π°ΠΉΠΊΠΈ ΠΊΡΠ΅ΠΏΠ»Π΅Π½ΠΈΡ ΡΠ΅ΠΏΠ»ΠΎΠ²ΠΎΠ³ΠΎ ΡΠΊΡΠ°Π½Π° ΠΈ ΠΏΠΎΠ»ΠΎΠΆΠΈΡΠ΅ ΡΠ΅ΠΏΠ»ΠΎΠ²ΠΎΠΉ ΡΠΊΡΠ°Π½ ΡΠ²Π΅ΡΡ Ρ Π½Π° Π³Π»ΡΡΠΈΡΠ΅Π»Ρ.
4.Β ΠΡΠ»Π°Π±ΡΡΠ΅ Π½Π°ΡΡΠΆΠ΅Π½ΠΈΠ΅ ΡΡΠΎΡΠ½ΠΎΡΠ½ΠΎΠ³ΠΎ ΡΠΎΡΠΌΠΎΠ·Π°.
5.Β ΠΡΠ²Π΅ΡΠ½ΠΈΡΠ΅ ΡΡΡΠ°Π½ΠΎΠ²ΠΎΡΠ½ΡΠΉ Π²ΠΈΠ½Ρ ΠΊΡΠ΅ΠΏΠ»Π΅Π½ΠΈΡ ΡΠΎΡΠΌΠΎΠ·Π½ΠΎΠ³ΠΎ Π±Π°ΡΠ°Π±Π°Π½Π°.
6.Β Π‘Π½ΠΈΠΌΠΈΡΠ΅ ΡΠΎΡΠΌΠΎΠ·Π½ΠΎΠΉ Π±Π°ΡΠ°Π±Π°Π½.
ΠΡΠ»ΠΈ ΠΏΡΠΈ ΡΠ½ΡΡΠΈΠΈ Π±Π°ΡΠ°Π±Π°Π½Π° Π²ΠΎΠ·Π½ΠΈΠΊΠ½ΡΡ ΡΡΡΠ΄Π½ΠΎΡΡΠΈ, Π²ΡΠΏΠΎΠ»Π½ΠΈΡΠ΅ ΡΠ»Π΅Π΄ΡΡΡΠΈΠ΅ Π΄Π΅ΠΉΡΡΠ²ΠΈΡ:
βΒ ΡΠ±Π΅Π΄ΠΈΡΠ΅ΡΡ, ΡΡΠΎ ΡΡΠΎΡΠ½ΠΎΡΠ½ΡΠΉ ΡΠΎΡΠΌΠΎΠ· ΠΎΡΠ²ΠΎΠ±ΠΎΠΆΠ΄Π΅Π½;
βΒ ΠΎΡΠ»Π°Π±ΡΡΠ΅ Π½Π°ΡΡΠΆΠ΅Π½ΠΈΠ΅ ΡΡΠΎΡΠ½ΠΎΡΠ½ΠΎΠ³ΠΎ ΡΠΎΡΠΌΠΎΠ·Π°;
βΒ Π΄ΠΎΡΡΠ°Π½ΡΡΠ΅ Π·Π°Π³Π»ΡΡΠΊΡ ΠΈΠ· ΡΠΌΠΎΡΡΠΎΠ²ΠΎΠ³ΠΎ ΠΎΡΠ²Π΅ΡΡΡΠΈΡ Π² ΡΠΎΡΠΌΠΎΠ·Π½ΠΎΠΌ ΡΠΈΡΠ΅ ΠΈ, ΠΈΡΠΏΠΎΠ»ΡΠ·ΡΡ ΠΎΡΠ²Π΅ΡΡΠΊΡ, ΠΎΡΠΎΠΆΠΌΠΈΡΠ΅ ΡΡΡΠ°Π³ ΠΏΡΠΈΠ²ΠΎΠ΄Π° ΡΡΠΎΡΠ½ΠΎΡΠ½ΠΎΠ³ΠΎ ΡΠΎΡΠΌΠΎΠ·Π° ΡΠ°ΠΊ, ΡΡΠΎΠ±Ρ ΠΎΠ³ΡΠ°Π½ΠΈΡΠΈΡΠ΅Π»Ρ Ρ ΠΎΠ΄Π° ΡΡΡΠ°Π³Π° ΡΡΠΎΡΠ½ΠΎΡΠ½ΠΎΠ³ΠΎ ΡΠΎΡΠΌΠΎΠ·Π° ΠΎΠΏΠ΅ΡΡΡ Π½Π° ΡΠΎΡΠΌΠΎΠ·Π½ΡΡ ΠΊΠΎΠ»ΠΎΠ΄ΠΊΡ.
7.Β Π‘Π½ΠΈΠΌΠΈΡΠ΅ Π²Π΅ΡΡ Π½ΡΡ ΠΈ Π½ΠΈΠΆΠ½ΡΡ Π²ΠΎΠ·Π²ΡΠ°ΡΠ½ΡΡ ΠΏΡΡΠΆΠΈΠ½Ρ.
8.Β Π‘Π½ΠΈΠΌΠΈΡΠ΅ ΡΡΡΠ°Π³ ΠΈ ΠΏΡΡΠΆΠΈΠ½Ρ ΠΌΠ΅Ρ Π°Π½ΠΈΠ·ΠΌΠ° ΡΠ΅Π³ΡΠ»ΠΈΡΠΎΠ²ΠΊΠΈ.
9.Β Π‘Π½ΠΈΠΌΠΈΡΠ΅ ΡΠ·Π΅Π» ΠΌΠ΅Ρ Π°Π½ΠΈΠ·ΠΌΠ° ΡΠ΅Π³ΡΠ»ΠΈΡΠΎΠ²ΠΊΠΈ.
10.Β Π‘Π½ΠΈΠΌΠΈΡΠ΅ ΡΠΎΡΠΌΠΎΠ·Π½ΡΠ΅ ΠΊΠΎΠ»ΠΎΠ΄ΠΊΠΈ Ρ ΠΎΠΏΠΎΡΠ½ΠΎΠΉ ΠΏΠ»Π°ΡΡΠΈΠ½Ρ.
ΠΡΠΎΠ²Π΅ΡΠΊΠ°
|
Π ΠΈΡ. 12.35. Π£Π·Π΅Π» ΡΠ΅Π³ΡΠ»ΠΈΡΠΎΠ²ΠΎΡΠ½ΠΎΠ³ΠΎ ΠΌΠ΅Ρ Π°Π½ΠΈΠ·ΠΌΠ°: 1 β Π²ΠΈΠ½Ρ ΠΌΠ΅Ρ Π°Π½ΠΈΠ·ΠΌΠ° ΡΠ΅Π³ΡΠ»ΠΈΡΠΎΠ²ΠΊΠΈ; 2 β Π³Π°ΠΉΠΊΠ°; 3 β ΠΏΡΡΠΆΠΈΠ½Π½Π°Ρ ΡΠΊΠΎΠ±Π°; 4 β Π²ΡΡΠ»ΠΊΠ° ΠΌΠ΅Ρ Π°Π½ΠΈΠ·ΠΌΠ° ΡΠ΅Π³ΡΠ»ΠΈΡΠΎΠ²ΠΊΠΈ |
ΠΡΠΈΡΡΠΈΡΠ΅ ΡΠ·Π΅Π» ΡΠ΅Π³ΡΠ»ΠΈΡΠΎΠ²ΠΎΡΠ½ΠΎΠ³ΠΎ ΠΌΠ΅Ρ Π°Π½ΠΈΠ·ΠΌΠ° (ΡΠΈΡ. 12.35).
|
Π ΠΈΡ. 12.36. Π’ΠΎΡΠΊΠΈ Π½Π°Π½Π΅ΡΠ΅Π½ΠΈΡ ΡΠΌΠ°Π·ΠΊΠΈ Π½Π° ΡΠΎΡΠΌΠΎΠ·Π½ΠΎΠΉ ΡΠΈΡ |
ΠΠ°Π½Π΅ΡΠΈΡΠ΅ ΡΠΎΡΠΌΠΎΠ·Π½ΡΡ ΡΠΌΠ°Π·ΠΊΡ Π½Π° ΡΠΎΡΠΌΠΎΠ·Π½ΠΎΠΉ ΡΠΈΡ Π² ΠΌΠ΅ΡΡΠ°Ρ , ΠΏΠΎΠΊΠ°Π·Π°Π½Π½ΡΡ Π½Π° ΡΠΈΡΡΠ½ΠΊΠ΅ 12.36.
ΠΡΠΎΠ²Π΅ΡΡΡΠ΅, ΡΡΠΎ ΡΠ΅Π·ΡΠ±ΠΎΠ²ΠΎΠ΅ ΡΠΎΠ΅Π΄ΠΈΠ½Π΅Π½ΠΈΠ΅ ΡΠ΅Π³ΡΠ»ΠΈΡΠΎΠ²ΠΎΡΠ½ΠΎΠ³ΠΎ ΡΡΡΡΠΎΠΉΡΡΠ²Π° Π²ΡΠ°ΡΠ°Π΅ΡΡΡ ΡΠ²ΠΎΠ±ΠΎΠ΄Π½ΠΎ.
ΠΠ°ΠΌΠ΅Π½ΠΈΡΠ΅ Π²ΡΠ΅ Π΄Π΅ΡΠ°Π»ΠΈ, ΠΊΠ°ΡΠ΅ΡΡΠ²ΠΎ ΠΈΠ»ΠΈ ΠΏΡΠΎΡΠ½ΠΎΡΡΡ ΠΊΠΎΡΠΎΡΡΡ Π²ΡΠ·ΡΠ²Π°ΡΡ ΠΏΠΎΠ΄ΠΎΠ·ΡΠ΅Π½ΠΈΠ΅ ΠΈΠ·-Π·Π° ΠΈΠ·ΠΌΠ΅Π½Π΅Π½ΠΈΡ ΡΠ²Π΅ΡΠ°, Π²ΡΠ·Π²Π°Π½Π½ΠΎΠ³ΠΎ ΠΏΠ΅ΡΠ΅Π³ΡΠ΅Π²ΠΎΠΌ, ΠΈΠ·Π±ΡΡΠΎΡΠ½ΠΎΠΉ Π½Π°Π³ΡΡΠ·ΠΊΠΎΠΉ ΠΈΠ»ΠΈ ΠΈΠ·Π½ΠΎΡΠΎΠΌ.
Β Β Β Β ΠΠ ΠΠΠ£ΠΠ ΠΠΠΠΠΠΠ
ΠΠ΅ΡΠ΅Π΄ ΡΡΡΠ°Π½ΠΎΠ²ΠΊΠΎΠΉ ΡΠΎΡΠΌΠΎΠ·Π½ΠΎΠ³ΠΎ Π±Π°ΡΠ°Π±Π°Π½Π° ΡΠ±Π΅Π΄ΠΈΡΠ΅ΡΡ, ΡΡΠΎ ΠΊΠΎΠ½ΡΡΠ³Π°ΠΉΠΊΠ° 2 (ΡΠΌ. ΡΠΈΡ. 12.35) ΡΠ΅Π³ΡΠ»ΠΈΡΠΎΠ²ΠΎΡΠ½ΠΎΠ³ΠΎ ΡΡΡΡΠΎΠΉΡΡΠ²Π° Π·Π°ΡΡΠ½ΡΡΠ°. ΠΠ° ΡΠ°ΠΌΠΎΠΌ ΠΊΠΎΠ½ΡΠ΅ ΡΠ΅Π³ΡΠ»ΠΈΡΠΎΠ²ΠΎΡΠ½ΠΎΠ³ΠΎ ΡΡΠ΅ΡΠΆΠ½Ρ Π³Π°ΠΉΠΊΡ Π½Π΅ ΡΠ»Π΅Π΄ΡΠ΅Ρ Π·Π°ΡΡΠ³ΠΈΠ²Π°ΡΡ ΡΠ»ΠΈΡΠΊΠΎΠΌ ΡΠΈΠ»ΡΠ½ΠΎ.
Π£ΡΡΠ°Π½ΠΎΠ²ΠΊΠ°
1.Β Π‘ΠΌΠ°ΠΆΡΡΠ΅ ΡΠΎΡΠΌΠΎΠ·Π½ΠΎΠΉ ΡΠΈΡ Π² ΡΠ΅Ρ ΠΌΠ΅ΡΡΠ°Ρ , Π³Π΄Π΅ ΠΎΠ½ ΡΠΎΠΏΡΠΈΠΊΠ°ΡΠ°Π΅ΡΡΡ Ρ ΡΠΎΡΠΌΠΎΠ·Π½ΡΠΌΠΈ ΠΊΠΎΠ»ΠΎΠ΄ΠΊΠ°ΠΌΠΈ.
|
Π ΠΈΡ. 12.37. ΠΠ»Π΅ΠΌΠ΅Π½ΡΡ Π·Π°Π΄Π½Π΅Π³ΠΎ ΡΠΎΡΠΌΠΎΠ·Π½ΠΎΠ³ΠΎ ΠΌΠ΅Ρ Π°Π½ΠΈΠ·ΠΌΠ°: 1 β Π²Π΅ΡΡ Π½ΡΡ Π²ΠΎΠ·Π²ΡΠ°ΡΠ½Π°Ρ ΠΏΡΡΠΆΠΈΠ½Π°; 2 β ΡΡΡΠ°Π³ ΠΏΡΠΈΠ²ΠΎΠ΄Π° ΡΡΠΎΡΠ½ΠΎΡΠ½ΠΎΠ³ΠΎ ΡΠΎΡΠΌΠΎΠ·Π°; 3 β ΡΠΎΡΠΌΠΎΠ·Π½Π°Ρ ΠΊΠΎΠ»ΠΎΠ΄ΠΊΠ°; 4 β ΡΡΡΠ°Π³ ΡΠ΅Π³ΡΠ»ΠΈΡΠΎΠ²ΠΎΡΠ½ΠΎΠ³ΠΎ ΠΌΠ΅Ρ Π°Π½ΠΈΠ·ΠΌΠ°; 5 β ΡΠΎΡΠΌΠΎΠ·Π½Π°Ρ ΠΊΠΎΠ»ΠΎΠ΄ΠΊΠ°; 6 β Π²ΠΈΠ½Ρ ΠΌΠ΅Ρ Π°Π½ΠΈΠ·ΠΌΠ° ΡΠ΅Π³ΡΠ»ΠΈΡΠΎΠ²ΠΊΠΈ; 7 β Π³Π°ΠΉΠΊΠ° ΠΌΠ΅Ρ Π°Π½ΠΈΠ·ΠΌΠ° ΡΠ΅Π³ΡΠ»ΠΈΡΠΎΠ²ΠΊΠΈ; 8 β ΠΏΡΡΠΆΠΈΠ½Π° ΡΠ΅Π³ΡΠ»ΠΈΡΠΎΠ²ΠΎΡΠ½ΠΎΠ³ΠΎ ΠΌΠ΅Ρ Π°Π½ΠΈΠ·ΠΌΠ°; 9 β ΠΏΡΡΠΆΠΈΠ½Π½Π°Ρ ΡΠΊΠΎΠ±Π° |
2.Β ΠΠΎΠ΄ΡΠΎΠ΅Π΄ΠΈΠ½ΠΈΡΠ΅ ΡΡΡΠ°Π³ ΠΏΡΠΈΠ²ΠΎΠ΄Π° ΡΡΠΎΡΠ½ΠΎΡΠ½ΠΎΠ³ΠΎ ΡΠΎΡΠΌΠΎΠ·Π° 2 (ΡΠΈΡ. 12.37) ΠΊ ΡΡΠΎΡΡ ΡΡΠΎΡΠ½ΠΎΡΠ½ΠΎΠ³ΠΎ ΡΠΎΡΠΌΠΎΠ·Π°.
3.Β Π£ΡΡΠ°Π½ΠΎΠ²ΠΈΡΠ΅ ΡΠΎΡΠΌΠΎΠ·Π½ΡΡ ΠΊΠΎΠ»ΠΎΠ΄ΠΊΡ Ρ Π½Π°ΠΊΠ»Π°Π΄ΠΊΠΎΠΉ ΠΊ ΠΎΠΏΠΎΡΠ½ΠΎΠΉ ΠΏΠ»Π°ΡΡΠΈΠ½Π΅ Ρ ΠΏΠΎΠΌΠΎΡΡΡ ΠΏΡΠΈΠΆΠΈΠΌΠ½ΠΎΠΉ ΠΏΡΡΠΆΠΈΠ½Ρ, ΡΠ°ΠΉΠ±Ρ ΠΈ ΠΏΠ°Π»ΡΡΠ°. Π£Π±Π΅Π΄ΠΈΡΠ΅ΡΡ, ΡΡΠΎ ΡΡΠΎΡ ΡΡΠΎΡΠ½ΠΎΡΠ½ΠΎΠ³ΠΎ ΡΠΎΡΠΌΠΎΠ·Π° ΠΏΡΠΎΠ»ΠΎΠΆΠ΅Π½ ΠΏΡΠ°Π²ΠΈΠ»ΡΠ½ΠΎ.
4.Β Π£ΡΡΠ°Π½ΠΎΠ²ΠΈΡΠ΅ ΡΠ΅Π³ΡΠ»ΠΈΡΠΎΠ²ΠΎΡΠ½ΡΠΉ ΠΌΠ΅Ρ Π°Π½ΠΈΠ·ΠΌ, ΡΠΎΡΠΌΠΎΠ·Π½ΡΠ΅ ΠΊΠΎΠ»ΠΎΠ΄ΠΊΠΈ Ρ Π½Π°ΠΊΠ»Π°Π΄ΠΊΠ°ΠΌΠΈ ΠΈ Π½ΠΈΠΆΠ½ΡΡ Π²ΠΎΠ·Π²ΡΠ°ΡΠ½ΡΡ ΠΏΡΡΠΆΠΈΠ½Ρ Π½Π° ΠΎΠΏΠΎΡΠ½ΡΡ ΠΏΠ»Π°ΡΡΠΈΠ½Ρ. ΠΠ°ΡΡΠ½ΠΈΡΠ΅ Π³Π°ΠΉΠΊΠΈ ΠΊΡΠ΅ΠΏΠ»Π΅Π½ΠΈΡ ΠΏΠ»Π°ΡΡΠΈΠ½Ρ.
Β Β Β Β ΠΠ ΠΠΠ£ΠΠ ΠΠΠΠΠΠΠ
ΠΠ΅ ΡΠ°ΡΡΡΠ³ΠΈΠ²Π°ΠΉΡΠ΅ Π½ΠΈΠΆΠ½ΡΡ Π²ΠΎΠ·Π²ΡΠ°ΡΠ½ΡΡ ΠΏΡΡΠΆΠΈΠ½Ρ ΡΡΡΠ°Π³Π° ΠΏΡΠΈΠ²ΠΎΠ΄Π° ΡΠ»ΠΈΡΠΊΠΎΠΌ ΡΠΈΠ»ΡΠ½ΠΎ
ΠΠΈΠΆΠ½ΡΡ Π²ΠΎΠ·Π²ΡΠ°ΡΠ½Π°Ρ ΠΏΡΡΠΆΠΈΠ½Π° Π΄ΠΎΠ»ΠΆΠ½Π° ΡΠ°ΡΠΏΠΎΠ»Π°Π³Π°ΡΡΡΡ Π½ΠΈΠΆΠ΅ ΡΠ³Π»Π° ΠΎΠΏΠΎΡΡ.
5.Β Π£ΡΡΠ°Π½ΠΎΠ²ΠΈΡΠ΅ ΠΏΡΠΈΠΆΠΈΠΌΠ½ΡΡ ΠΏΡΡΠΆΠΈΠ½Ρ, ΡΠ°ΠΉΠ±Ρ ΠΈ ΠΏΠ°Π»Π΅Ρ.
6.Β Π£ΡΡΠ°Π½ΠΎΠ²ΠΈΡΠ΅ ΠΌΠ΅Ρ Π°Π½ΠΈΠ·ΠΌ ΡΠ΅Π³ΡΠ»ΠΈΡΠΎΠ²ΠΊΠΈ. ΠΠΎΠ²ΠΎΡΠ°ΡΠΈΠ²Π°Ρ, ΡΡΠΎΠΏΠΈΡΠ΅ ΠΎΠΏΠΎΡΠ½ΡΠΉ ΡΡΡΠ°Π³ ΠΌΠ΅Ρ Π°Π½ΠΈΠ·ΠΌΠ° Π² ΠΌΡΡΡΠ΅.
Π£ΡΡΠ°Π½ΠΎΠ²ΠΈΡΠ΅ ΡΠ΅Π³ΡΠ»ΠΈΡΠΎΠ²ΠΎΡΠ½ΡΠΉ ΠΌΠ΅Ρ Π°Π½ΠΈΠ·ΠΌ Π½Π° ΠΌΠ΅ΡΡΠΎ, ΠΊΠΎΡΠΎΡΠΎΠ΅ ΠΎΠ½ Π·Π°Π½ΠΈΠΌΠ°Π» Π΄ΠΎ ΡΠ°Π·Π±ΠΎΡΠΊΠΈ (ΡΠΌ. ΡΠΈΡ. 12.37). Π£ΡΡΠ°Π½ΠΎΠ²ΠΈΡΠ΅ ΠΏΡΡΠΆΠΈΠ½Π½ΡΡ ΡΠΊΠΎΠ±Ρ ΡΠ°Π·ΡΠ΅Π·ΠΎΠΌ ΠΊ ΠΎΠΏΠΎΡΠ½ΠΎΠΉ ΠΏΠ»Π°ΡΡΠΈΠ½Π΅.
7.Β Π£ΡΡΠ°Π½ΠΎΠ²ΠΈΡΠ΅ ΡΡΡΠ°Π³ ΡΠ΅Π³ΡΠ»ΠΈΡΠΎΠ²ΠΎΡΠ½ΠΎΠ³ΠΎ ΠΌΠ΅Ρ Π°Π½ΠΈΠ·ΠΌΠ° Π½Π° ΠΏΠ°Π»Π΅Ρ ΠΈ ΠΏΠΎΠ΄ΡΠΎΠ΅Π΄ΠΈΠ½ΠΈΡΠ΅ ΠΊ Π½Π΅ΠΌΡ ΠΏΡΡΠΆΠΈΠ½Ρ.
Β Β Β Β ΠΠ ΠΠΠ£ΠΠ ΠΠΠΠΠΠΠ
|
Π ΠΈΡ. 12.38. Π Π°Π±ΠΎΡΠΈΠΉ ΡΠΎΡΠΌΠΎΠ·Π½ΠΎΠΉ ΡΠΈΠ»ΠΈΠ½Π΄Ρ: 1 β Π·Π°ΡΠΈΡΠ½ΡΠΉ ΠΊΠΎΠ»ΠΏΠ°ΡΠΎΠΊ ΠΏΠΎΡΡΠ½Ρ; 2 β ΠΏΠΎΡΡΠ΅Π½Ρ; 4 β ΡΡΡΡΠ΅Ρ ΠΏΡΠΎΠΊΠ°ΡΠΊΠΈ; 5 β ΠΊΠΎΡΠΏΡΡ ΡΠ°Π±ΠΎΡΠ΅Π³ΠΎ ΡΠΎΡΠΌΠΎΠ·Π½ΠΎΠ³ΠΎ ΡΠΈΠ»ΠΈΠ½Π΄ΡΠ°; 6 β ΡΠΏΠ»ΠΎΡΠ½ΠΈΡΠ΅Π»Ρ ΠΏΠΎΡΡΠ½Ρ; 7 β ΠΏΡΡΠΆΠΈΠ½Π° 3 β Π·Π°ΡΠΈΡΠ½ΡΠΉ ΠΊΠΎΠ»ΠΏΠ°ΡΠΎΠΊ ΡΡΡΡΠ΅ΡΠ° |
ΠΠ΅ ΡΠ°ΡΡΡΠ³ΠΈΠ²Π°ΠΉΡΠ΅ ΠΏΡΡΠΆΠΈΠ½Ρ 7 (ΡΠΌ. ΡΠΈΡ. 12.38) ΡΡΡΠ°Π³Π° ΠΏΡΠΈΠ²ΠΎΠ΄Π° ΡΠ»ΠΈΡΠΊΠΎΠΌ ΡΠΈΠ»ΡΠ½ΠΎ
8.Β Π£ΡΡΠ°Π½ΠΎΠ²ΠΈΡΠ΅ ΡΠΎΠ΅Π΄ΠΈΠ½ΠΈΡΠ΅Π»ΡΠ½ΠΎΠ΅ Π·Π²Π΅Π½ΠΎ 14 (ΡΠΌ. ΡΠΈΡ. 12.34) Π½Π° ΠΏΠ°Π»Π΅Ρ ΠΈ Π² ΠΎΡΠ²Π΅ΡΡΡΠΈΠ΅ ΠΊΠΎΠ»ΠΎΠ΄ΠΊΠΈ
9.Β Π£ΡΡΠ°Π½ΠΎΠ²ΠΈΡΠ΅ Π²Π΅ΡΡ Π½ΡΡ Π²ΠΎΠ·Π²ΡΠ°ΡΠ½ΡΡ ΠΏΡΡΠΆΠΈΠ½Ρ 8 ΠΊ ΡΠΎΠ΅Π΄ΠΈΠ½ΠΈΡΠ΅Π»ΡΠ½ΠΎΠΌΡ Π·Π²Π΅Π½Ρ 14 ΠΈ ΠΊ ΠΊΠΎΠ»ΠΎΠ΄ΠΊΠ΅.
Β Β Β Β ΠΠ ΠΠΠ£ΠΠ ΠΠΠΠΠΠΠ
ΠΠ΅ ΡΠ°ΡΡΡΠ³ΠΈΠ²Π°ΠΉΡΠ΅ Π²Π΅ΡΡ Π½ΡΡ Π²ΠΎΠ·Π²ΡΠ°ΡΠ½ΡΡ ΠΏΡΡΠΆΠΈΠ½Ρ ΡΠ»ΠΈΡΠΊΠΎΠΌ ΡΠΈΠ»ΡΠ½ΠΎ
10.Β Π£ΡΡΠ°Π½ΠΎΠ²ΠΈΡΠ΅ ΡΠΎΡΠΌΠΎΠ·Π½ΠΎΠΉ Π±Π°ΡΠ°Π±Π°Π½ 11 ΠΈ Π·Π°ΠΊΡΠ΅ΠΏΠΈΡΠ΅ Π΅Π³ΠΎ ΡΡΡΠ°Π½ΠΎΠ²ΠΎΡΠ½ΡΠΌ Π²ΠΈΠ½ΡΠΎΠΌ 12.
11.Β Π£ΡΡΠ°Π½ΠΎΠ²ΠΈΡΠ΅ Π·Π°Π΄Π½ΠΈΠ΅ ΠΊΠΎΠ»Π΅ΡΠ° ΠΈ Π·Π°ΠΊΡΠ΅ΠΏΠΈΡΠ΅ ΠΈΡ Π±ΠΎΠ»ΡΠ°ΠΌΠΈ.
ΠΡΡΠ΅Π³ΡΠ»ΠΈΡΡΠΉΡΠ΅ ΡΠΎΡΠΌΠΎΠ·Π° Π·Π°Π΄Π½ΠΈΡ ΠΊΠΎΠ»Π΅Ρ.
ΠΡΡΠ΅Π³ΡΠ»ΠΈΡΡΠΉΡΠ΅ ΡΡΠΎΡΠ½ΠΎΡΠ½ΡΠΉ ΡΠΎΡΠΌΠΎΠ·.
Π Π΅Π³ΡΠ»ΠΈΡΠΎΠ²ΠΊΠ° ΡΠΎΡΠΌΠΎΠ·ΠΎΠ²
Π‘Π½ΡΡΠΈΠ΅
ΠΠ°ΠΆΠΈΠΌΠ°ΠΉΡΠ΅ ΠΈ ΠΎΡΠΏΡΡΠΊΠ°ΠΉΡΠ΅ ΠΏΠ΅Π΄Π°Π»Ρ ΡΠΎΡΠΌΠΎΠ·Π° ΠΊΠ°ΠΊ ΠΌΠΈΠ½ΠΈΠΌΡΠΌ 15 ΡΠ°Π· Π΄ΠΎ ΡΠ΅Ρ ΠΏΠΎΡ, ΠΏΠΎΠΊΠ° Π½Π° ΠΎΠ±ΠΎΠΈΡ Π±Π°ΡΠ°Π±Π°Π½Π°Ρ Π½Π΅ Π±ΡΠ΄ΡΡ ΡΠ»ΡΡΠ½Ρ ΡΠ΅Π»ΡΠΊΠΈ ΠΏΡΡΠΆΠΈΠ½Ρ ΡΠ΅Π³ΡΠ»ΠΈΡΠΎΠ²ΠΎΡΠ½ΠΎΠ³ΠΎ ΠΌΠ΅Ρ Π°Π½ΠΈΠ·ΠΌΠ°, Π·Π°Π΄Π΅Π²Π°ΡΡΠ΅ΠΉ Π·Π° ΡΠ΅Π³ΡΠ»ΠΈΡΠΎΠ²ΠΎΡΠ½ΡΡ Π³Π°ΠΉΠΊΡ.
1.Β ΠΡΠΈΠΏΠΎΠ΄Π½ΠΈΠΌΠΈΡΠ΅ ΠΈ Π·Π°ΠΊΡΠ΅ΠΏΠΈΡΠ΅ Π°Π²ΡΠΎΠΌΠΎΠ±ΠΈΠ»Ρ Π½Π° ΡΠ΄ΠΎΠ±Π½ΠΎΠΉ Π²ΡΡΠΎΡΠ΅.
2.Β ΠΡΠΌΠ΅ΡΡΡΠ΅ ΠΏΠΎΠ»ΠΎΠΆΠ΅Π½ΠΈΠ΅ ΠΊΠΎΠ»Π΅ΡΠ½ΡΡ Π΄ΠΈΡΠΊΠΎΠ² ΠΏΠΎ ΠΎΡΠ½ΠΎΡΠ΅Π½ΠΈΡ ΠΊ ΡΡΡΠΏΠΈΡΠ°ΠΌ ΠΈ ΡΠ½ΠΈΠΌΠΈΡΠ΅ Π·Π°Π΄Π½ΠΈΠ΅ ΠΊΠΎΠ»Π΅ΡΠ°.
3.Β ΠΡΠ²Π΅ΡΠ½ΠΈΡΠ΅ ΡΡΡΠ°Π½ΠΎΠ²ΠΎΡΠ½ΡΠΉ Π²ΠΈΠ½Ρ ΠΊΡΠ΅ΠΏΠ»Π΅Π½ΠΈΡ ΡΠΎΡΠΌΠΎΠ·Π½ΠΎΠ³ΠΎ Π±Π°ΡΠ°Π±Π°Π½Π°.
4.Β Π‘Π½ΠΈΠΌΠΈΡΠ΅ ΡΠΎΡΠΌΠΎΠ·Π½ΠΎΠΉ Π±Π°ΡΠ°Π±Π°Π½.
Π Π΅Π³ΡΠ»ΠΈΡΠΎΠ²ΠΊΠ°
ΠΠΎΠ²ΠΎΡΠ°ΡΠΈΠ²Π°ΠΉΡΠ΅ ΡΠ·Π΅Π» ΡΠ΅Π³ΡΠ»ΠΈΡΠΎΠ²ΠΎΡΠ½ΠΎΠ³ΠΎ ΠΌΠ΅Ρ Π°Π½ΠΈΠ·ΠΌΠ° Π΄ΠΎ ΠΏΠΎΠ»Π½ΠΎΠ³ΠΎ Π²ΡΠ±ΠΎΡΠ° Π·Π°Π·ΠΎΡΠ°.
Π£Π±Π΅Π΄ΠΈΡΠ΅ΡΡ, ΡΡΠΎ ΠΎΠ³ΡΠ°Π½ΠΈΡΠΈΡΠ΅Π»Ρ Ρ ΠΎΠ΄Π° ΡΡΡΠ°Π³Π° ΡΡΠΎΡΠ½ΠΎΡΠ½ΠΎΠ³ΠΎ ΡΠΎΡΠΌΠΎΠ·Π° ΡΠ°ΡΠΏΠΎΠ»ΠΎΠΆΠ΅Π½ Π½Π°ΠΏΡΠΎΡΠΈΠ² ΡΠ΅Π±ΡΠ° ΡΠΎΡΠΌΠΎΠ·Π½ΠΎΠΉ ΠΊΠΎΠ»ΠΎΠ΄ΠΊΠΈ. ΠΡΠ»ΠΈ ΡΡΠΎ Π½Π΅ ΡΠ°ΠΊ, ΠΎΡΠΏΡΡΡΠΈΡΠ΅ Π½Π΅ΠΌΠ½ΠΎΠ³ΠΎ ΠΊΠΎΠΌΠΏΠ΅Π½ΡΠ°ΡΠΎΡ ΡΡΠΎΡΠ° ΡΡΠΎΡΠ½ΠΎΡΠ½ΠΎΠ³ΠΎ ΡΠΎΡΠΌΠΎΠ·Π°.
Π£ΡΡΠ°Π½ΠΎΠ²ΠΊΠ°
1.Β Π£ΡΡΠ°Π½ΠΎΠ²ΠΈΡΠ΅ ΡΠΎΡΠΌΠΎΠ·Π½ΡΠ΅ Π±Π°ΡΠ°Π±Π°Π½Ρ ΠΈ ΠΊΠΎΠ»Π΅ΡΠ°.
2.Β ΠΠΏΡΡΡΠΈΡΠ΅ Π°Π²ΡΠΎΠΌΠΎΠ±ΠΈΠ»Ρ
3.Β ΠΠ°ΠΆΠΌΠΈΡΠ΅ ΠΈ ΠΎΡΠΏΡΡΡΠΈΡΠ΅ ΠΏΠ΅Π΄Π°Π»Ρ ΡΠΎΡΠΌΠΎΠ·Π° Π½Π΅ΡΠΊΠΎΠ»ΡΠΊΠΎ ΡΠ°Π· Π΄ΠΎ ΡΠ΅Ρ ΠΏΠΎΡ, ΠΏΠΎΠΊΠ° Π½Π΅ ΠΏΠ΅ΡΠ΅ΡΡΠ°Π½ΡΡ Π±ΡΡΡ ΡΠ»ΡΡΠ½Ρ ΡΠ΅Π»ΡΠΊΠΈ ΡΡΡΠ°Π³Π° ΡΠ΅Π³ΡΠ»ΠΈΡΠΎΠ²ΠΎΡΠ½ΠΎΠ³ΠΎ ΠΌΠ΅Ρ Π°Π½ΠΈΠ·ΠΌΠ°.
ΠΠ° ΠΏΠ΅Π΄Π°Π»Ρ ΡΠΎΡΠΌΠΎΠ·Π° Π½Π΅ΠΎΠ±Ρ ΠΎΠ΄ΠΈΠΌΠΎ Π½Π°ΠΆΠ°ΡΡ Π±ΠΎΠ»Π΅Π΅ 10 ΡΠ°Π·.
ΠΠΎΡΠ»Π΅ ΡΠΎΠ³ΠΎ ΠΊΠ°ΠΊ ΡΠ΅Π»ΡΠΊΠΈ ΠΏΠ΅ΡΠ΅ΡΡΠ°Π½ΡΡ Π±ΡΡΡ ΡΠ»ΡΡΠ½Ρ, Π·Π°Π·ΠΎΡ ΠΌΠ΅ΠΆΠ΄Ρ ΡΠΎΡΠΌΠΎΠ·Π½ΡΠΌΠΈ ΠΊΠΎΠ»ΠΎΠ΄ΠΊΠ°ΠΌΠΈ ΠΈ ΡΠΎΡΠΌΠΎΠ·Π½ΡΠΌ Π±Π°ΡΠ°Π±Π°Π½ΠΎΠΌ Π±ΡΠ΄Π΅Ρ ΠΎΡΡΠ΅Π³ΡΠ»ΠΈΡΠΎΠ²Π°Π½.
4.Β ΠΡΡΠ΅Π³ΡΠ»ΠΈΡΡΠΉΡΠ΅ ΡΡΠΎΡΠ½ΠΎΡΠ½ΡΠΉ ΡΠΎΡΠΌΠΎΠ·.
Π Π΅Π³ΡΠ»ΠΈΡΠΎΠ²ΠΊΠ° ΡΡΠΎΡΠ½ΠΎΡΠ½ΠΎΠ³ΠΎ ΡΠΎΡΠΌΠΎΠ·Π°
1.Β ΠΡΡΠ΅Π³ΡΠ»ΠΈΡΡΠΉΡΠ΅ Π·Π°Π΄Π½ΠΈΠ΅ ΡΠΎΡΠΌΠΎΠ·Π°.
2.Β ΠΠΏΡΡΡΠΈΡΠ΅ ΡΡΡΠ°Π³ ΡΡΠΎΡΠ½ΠΎΡΠ½ΠΎΠ³ΠΎ ΡΠΎΡΠΌΠΎΠ·Π°.
3.Β ΠΠΎΠ΄Π½ΠΈΠΌΠΈΡΠ΅ Π°Π²ΡΠΎΠΌΠΎΠ±ΠΈΠ»Ρ ΠΈ Π·Π°ΠΊΡΠ΅ΠΏΠΈΡΠ΅ Π½Π° Π½Π΅ΠΎΠ±Ρ ΠΎΠ΄ΠΈΠΌΠΎΠΉ Π²ΡΡΠΎΡΠ΅.
4.Β ΠΡΠΎΠ²Π΅ΡΡΡΠ΅, ΡΡΠΎ ΡΡΠΎΡ ΡΡΠΎΡΠ½ΠΎΡΠ½ΠΎΠ³ΠΎ ΡΠΎΡΠΌΠΎΠ·Π° ΡΠ²ΠΎΠ±ΠΎΠ΄Π½ΠΎ ΠΏΠ΅ΡΠ΅ΠΌΠ΅ΡΠ°Π΅ΡΡΡ.
5.Β ΠΡΠ²Π΅ΡΠ½ΠΈΡΠ΅ Π±ΠΎΠ»ΡΡ ΠΊΡΠ΅ΠΏΠ»Π΅Π½ΠΈΡ ΡΠ΅ΠΏΠ»ΠΎΠ·Π°ΡΠΈΡΠ½ΠΎΠ³ΠΎ ΡΠΊΡΠ°Π½Π° ΠΈ ΡΠ΄Π²ΠΈΠ½ΡΡΠ΅ Π΅Π³ΠΎ Π² ΡΡΠΎΡΠΎΠ½Ρ.
6.Β ΠΠΎΠ²ΠΎΡΠ°ΡΠΈΠ²Π°ΠΉΡΠ΅ ΡΠ°ΠΌΠΎΠΊΠΎΠ½ΡΡΡΡΡΡΡΡ Π³Π°ΠΉΠΊΡ Π½Π° Π½Π°ΠΊΠΎΠ½Π΅ΡΠ½ΠΈΠΊΠ΅ Π½Π°ΡΡΠΆΠ½ΠΎΠ³ΠΎ ΡΡΡΡΠΎΠΉΡΡΠ²Π° ΡΡΠΎΡΠ½ΠΎΡΠ½ΠΎΠ³ΠΎ ΡΠΎΡΠΌΠΎΠ·Π° Π΄ΠΎ ΡΠ΅Ρ ΠΏΠΎΡ, ΠΏΠΎΠΊΠ° Π·Π°Π΄Π½ΠΈΠ΅ ΠΊΠΎΠ»Π΅ΡΠ° ΡΡΠ°Π½Π΅Ρ ΡΡΡΠ΄Π½ΠΎ ΠΏΠΎΠ²ΠΎΡΠ°ΡΠΈΠ²Π°ΡΡ.
7.Β ΠΡΠ²ΠΎΡΠ°ΡΠΈΠ²Π°ΠΉΡΠ΅ ΡΠ°ΠΌΠΎΠΊΠΎΠ½ΡΡΡΡΡΡΡΡ Π³Π°ΠΉΠΊΡ Π΄ΠΎ ΡΠΎΠ³ΠΎ ΠΌΠΎΠΌΠ΅Π½ΡΠ°, ΠΊΠΎΠ³Π΄Π° Π·Π°Π΄Π½ΠΈΠ΅ ΠΊΠΎΠ»Π΅ΡΠ° ΡΠΌΠΎΠ³ΡΡ ΠΏΠΎΠ²ΠΎΡΠ°ΡΠΈΠ²Π°ΡΡΡΡ ΡΠ²ΠΎΠ±ΠΎΠ΄Π½ΠΎ.
8.Β ΠΠΎΡΠ»Π΅ ΡΠ΅Π³ΡΠ»ΠΈΡΠΎΠ²ΠΊΠΈ ΠΏΡΠΎΠ²Π΅ΡΡΡΠ΅ ΠΏΠΎΠ»ΠΎΠΆΠ΅Π½ΠΈΠ΅ ΠΊΡΠ»Π°ΡΠΊΠ° ΡΡΡΠ°Π³Π° ΡΡΠΎΡΠ½ΠΎΡΠ½ΠΎΠ³ΠΎ ΡΠΎΡΠΌΠΎΠ·Π°. ΠΠ½ Π΄ΠΎΠ»ΠΆΠ΅Π½ Π»Π΅ΠΆΠ°ΡΡ ΠΈΠ»ΠΈ Π±ΡΡΡ ΠΏΡΠΈΠΏΠΎΠ΄Π½ΡΡ Π½Π΅ Π±ΠΎΠ»Π΅Π΅ ΡΠ΅ΠΌ Π½Π° 0,2 ΠΌΠΌ.
9.Β Π£ΡΡΠ°Π½ΠΎΠ²ΠΈΡΠ΅ Π½Π° ΠΌΠ΅ΡΡΠΎ ΡΠ΅ΠΏΠ»ΠΎΠ·Π°ΡΠΈΡΠ½ΡΠΉ ΡΠΊΡΠ°Π½ ΠΈ Π·Π°ΠΊΡΠ΅ΠΏΠΈΡΠ΅ Π΅Π³ΠΎ Π±ΠΎΠ»ΡΠ°ΠΌΠΈ. Π Π΅Π³ΡΠ»ΠΈΡΠΎΠ²ΠΊΡ ΡΡΠΎΡΠ½ΠΎΡΠ½ΠΎΠ³ΠΎ ΡΠΎΡΠΌΠΎΠ·Π° ΠΌΠΎΠΆΠ½ΠΎ ΠΏΡΠΎΠ²Π΅ΡΠΈΡΡ ΡΠ°ΠΊΠΆΠ΅ ΠΏΠΎ ΠΏΠΎΠ»ΠΎΠΆΠ΅Π½ΠΈΡ ΠΎΠ³ΡΠ°Π½ΠΈΡΠΈΡΠ΅Π»Ρ Ρ ΠΎΠ΄Π° ΡΡΡΠ°Π³Π° ΠΏΡΠΈΠ²ΠΎΠ΄Π° ΡΡΠΎΡΠ½ΠΎΡΠ½ΠΎΠ³ΠΎ ΡΠΎΡΠΌΠΎΠ·Π°. ΠΠ»Ρ ΡΡΠΎΠ³ΠΎ Π²ΡΠΏΠΎΠ»Π½ΠΈΡΠ΅ ΡΠ»Π΅Π΄ΡΡΡΠΈΠ΅ Π΄Π΅ΠΉΡΡΠ²ΠΈΡ:
βΒ ΡΠ½ΠΈΠΌΠΈΡΠ΅ Π·Π°Π³Π»ΡΡΠΊΡ ΡΠΎ ΡΠΌΠΎΡΡΠΎΠ²ΠΎΠ³ΠΎ ΠΎΡΠ²Π΅ΡΡΡΠΈΡ ΡΠΎΡΠΌΠΎΠ·Π½ΠΎΠ³ΠΎ ΡΠΈΡΠ°;
βΒ ΠΎΠ³ΡΠ°Π½ΠΈΡΠΈΡΠ΅Π»Ρ Ρ ΠΎΠ΄Π° ΡΡΠΎΡΠ½ΠΎΡΠ½ΠΎΠ³ΠΎ ΡΠΎΡΠΌΠΎΠ·Π° Π΄ΠΎΠ»ΠΆΠ΅Π½ ΡΠ°ΡΠΏΠΎΠ»Π°Π³Π°ΡΡΡΡ Π½Π° ΡΠ°ΡΡΡΠΎΡΠ½ΠΈΠΈ 3 ΠΌΠΌ ΠΎΡ ΡΠ΅Π±ΡΠ° ΡΠΎΡΠΌΠΎΠ·Π½ΠΎΠΉ ΠΊΠΎΠ»ΠΎΠ΄ΠΊΠΈ;
βΒ Π²ΡΡΠ°Π²ΡΡΠ΅ Π·Π°Π³Π»ΡΡΠΊΡ Π² ΡΠΌΠΎΡΡΠΎΠ²ΠΎΠ΅ ΠΎΡΠ²Π΅ΡΡΡΠΈΠ΅ ΡΠΎΡΠΌΠΎΠ·Π½ΠΎΠ³ΠΎ ΡΠΈΡΠ°;
βΒ ΠΎΠΏΡΡΡΠΈΡΠ΅ Π°Π²ΡΠΎΠΌΠΎΠ±ΠΈΠ»Ρ.
Π’ΠΎΡΠΌΠΎΠ·Π½ΠΎΠΉ ΡΠΈΡ
Π‘Π½ΡΡΠΈΠ΅
1.Β ΠΠΎΠ΄Π½ΠΈΠΌΠΈΡΠ΅ Π°Π²ΡΠΎΠΌΠΎΠ±ΠΈΠ»Ρ ΠΈ Π·Π°ΠΊΡΠ΅ΠΏΠΈΡΠ΅ Π½Π° ΡΠ΄ΠΎΠ±Π½ΠΎΠΉ Π²ΡΡΠΎΡΠ΅.
2.Β Π‘Π½ΠΈΠΌΠΈΡΠ΅ Π΄Π΅ΡΠ°Π»ΠΈ ΡΠΎΡΠΌΠΎΠ·Π½ΠΎΠ³ΠΎ ΠΌΠ΅Ρ Π°Π½ΠΈΠ·ΠΌΠ°.
3.Β Π‘Π½ΠΈΠΌΠΈΡΠ΅ ΡΠ·Π΅Π» ΡΡΡΠΏΠΈΡΡ.
4.Β Π‘Π½ΠΈΠΌΠΈΡΠ΅ Π΄Π΅ΡΠΆΠ°ΡΠ΅Π»Ρ ΡΡΠΎΡΠ° ΡΡΠΎΡΠ½ΠΎΡΠ½ΠΎΠ³ΠΎ ΡΠΎΡΠΌΠΎΠ·Π°.
5.Β ΠΡΡΠΎΠ΅Π΄ΠΈΠ½ΠΈΡΠ΅ ΡΠΎΡΠΌΠΎΠ·Π½ΠΎΠΉ ΡΡΡΠ±ΠΎΠΏΡΠΎΠ²ΠΎΠ΄ ΠΎΡ ΡΠ°Π±ΠΎΡΠ΅Π³ΠΎ ΡΠΎΡΠΌΠΎΠ·Π½ΠΎΠ³ΠΎ ΡΠΈΠ»ΠΈΠ½Π΄ΡΠ°. ΠΠ»Ρ ΠΏΡΠ΅Π΄ΠΎΡΠ²ΡΠ°ΡΠ΅Π½ΠΈΡ Π²ΡΡΠ΅ΠΊΠ°Π½ΠΈΡ ΠΈ Π·Π°Π³ΡΡΠ·Π½Π΅Π½ΠΈΡ ΡΠΎΡΠΌΠΎΠ·Π½ΠΎΠΉ ΠΆΠΈΠ΄ΠΊΠΎΡΡΠΈ Π·Π°ΠΊΡΠΎΠΉΡΠ΅ ΠΎΡΠ²Π΅ΡΡΡΠΈΠ΅ Π² ΡΡΡΠ±ΠΎΠΏΡΠΎΠ²ΠΎΠ΄Π΅.
6.Β Π‘Π½ΠΈΠΌΠΈΡΠ΅ ΡΠ°Π±ΠΎΡΠΈΠΉ ΡΠΎΡΠΌΠΎΠ·Π½ΠΎΠΉ ΡΠΈΠ»ΠΈΠ½Π΄Ρ Ρ ΡΠΎΡΠΌΠΎΠ·Π½ΠΎΠ³ΠΎ ΡΠΈΡΠ° ΠΈ ΡΠΎΡΠΌΠΎΠ·Π½ΠΎΠΉ ΡΠΈΡ.
Π£ΡΡΠ°Π½ΠΎΠ²ΠΊΠ°
Β Β Β Β ΠΠ ΠΠΠ£ΠΠ ΠΠΠΠΠΠΠ
ΠΠ΅ΡΠ΅Π΄ ΡΡΡΠ°Π½ΠΎΠ²ΠΊΠΎΠΉ ΡΠΎΡΠΌΠΎΠ·Π½ΡΡ ΠΊΠΎΠ»ΠΎΠ΄ΠΎΠΊ Π½Π°Π½Π΅ΡΠΈΡΠ΅ Π½Π° ΠΊΠΎΠ½ΡΠ°ΠΊΡΠ½ΡΠ΅ ΠΏΠΎΠ²Π΅ΡΡ Π½ΠΎΡΡΠΈ ΠΊΠΎΠ»ΠΎΠ΄ΠΎΠΊ ΡΠΎΠ½ΠΊΠΈΠΉ ΡΠ»ΠΎΠΉ ΠΏΠ»Π°ΡΡΠΈΡΠ½ΠΎΠΉ ΡΠΌΠ°Π·ΠΊΠΈ Β«ΠΠΠΠ‘Π’ΠΠΠ£ΠΒ».
ΠΡΠ²Π΅ΡΠ½ΠΈΡΠ΅ ΡΠ΅Π³ΡΠ»ΠΈΡΠΎΠ²ΠΎΡΠ½ΡΡ Π³Π°ΠΉΠΊΡ 7 (ΡΠΌ. ΡΠΈΡ. 12.37) Π΄ΠΎ ΡΠΏΠΎΡΠ°. Π‘ΠΎΠ±Π΅ΡΠΈΡΠ΅ ΡΠ·Π΅Π» ΡΠ΅Π³ΡΠ»ΠΈΡΠΎΠ²ΠΎΡΠ½ΠΎΠ³ΠΎ ΠΌΠ΅Ρ Π°Π½ΠΈΠ·ΠΌΠ° ΠΈ Π²ΡΡΠ°Π²ΡΡΠ΅ ΠΌΠ΅ΠΆΠ΄Ρ ΠΊΠΎΠ»ΠΎΠ΄ΠΊΠ°ΠΌΠΈ, ΠΏΡΠΎΠ²Π΅ΡΠΈΠ² ΠΏΡΠ°Π²ΠΈΠ»ΡΠ½ΠΎΡΡΡ ΡΡΡΠ°Π½ΠΎΠ²ΠΊΠΈ. ΠΠ° ΠΊΠΎΠ½ΡΠ΅ ΡΠ΅Π³ΡΠ»ΠΈΡΠΎΠ²ΠΎΡΠ½ΠΎΠ³ΠΎ ΡΡΠ΅ΡΠΆΠ½Ρ Π³Π°ΠΉΠΊΡ Π½Π΅Π»ΡΠ·Ρ Π·Π°ΡΡΠ³ΠΈΠ²Π°ΡΡ ΡΠ»ΠΈΡΠΊΠΎΠΌ ΡΠΈΠ»ΡΠ½ΠΎ (ΡΠΌ. ΡΠΈΡ. 12.35).
1.Β Π£ΡΡΠ°Π½ΠΎΠ²ΠΈΡΠ΅ ΠΊΠ°ΡΡΠΎΠ½Π½ΡΡ ΠΏΡΠΎΠΊΠ»Π°Π΄ΠΊΡ Π½Π° Π½ΠΎΠ²ΡΠΉ ΡΠΎΡΠΌΠΎΠ·Π½ΠΎΠΉ ΡΠΈΡ.
2.Β Π£ΡΡΠ°Π½ΠΎΠ²ΠΈΡΠ΅ ΡΠΎΡΠΌΠΎΠ·Π½ΠΎΠΉ ΡΠΈΡ 4 (ΡΠΌ. ΡΠΈΡ. 12.34) Π½Π° ΡΡΡΠ°Π³ Π·Π°Π΄Π½Π΅ΠΉ ΠΏΠΎΠ΄Π²Π΅ΡΠΊΠΈ ΠΈ Π·Π°ΠΊΡΠ΅ΠΏΠΈΡΠ΅ Π±ΠΎΠ»ΡΠ°ΠΌΠΈ, Π·Π°ΡΡΠ½ΡΠ² ΠΈΡ ΠΌΠΎΠΌΠ΅Π½ΡΠΎΠΌ 28 Πβ’ΠΌ.
3.Β Π£ΡΡΠ°Π½ΠΎΠ²ΠΈΡΠ΅ ΡΠ°Π±ΠΎΡΠΈΠΉ ΡΠΎΡΠΌΠΎΠ·Π½ΠΎΠΉ ΡΠΈΠ»ΠΈΠ½Π΄Ρ Π½Π° ΡΠΎΡΠΌΠΎΠ·Π½ΠΎΠΉ ΡΠΈΡ ΠΈ Π·Π°ΠΊΡΠ΅ΠΏΠΈΡΠ΅ Π±ΠΎΠ»ΡΠ°ΠΌΠΈ, Π·Π°ΡΡΠ½ΡΠ² ΠΈΡ ΠΌΠΎΠΌΠ΅Π½ΡΠΎΠΌ 9 Πβ’ΠΌ.
4.Β ΠΠΎΠ΄ΡΠΎΠ΅Π΄ΠΈΠ½ΠΈΡΠ΅ ΡΠΎΡΠΌΠΎΠ·Π½ΠΎΠΉ ΡΡΡΠ±ΠΎΠΏΡΠΎΠ²ΠΎΠ΄ ΠΊ ΡΠ°Π±ΠΎΡΠ΅ΠΌΡ ΡΠΎΡΠΌΠΎΠ·Π½ΠΎΠΌΡ ΡΠΈΠ»ΠΈΠ½Π΄ΡΡ ΠΈ Π·Π°ΡΡΠ½ΠΈΡΠ΅ ΡΠΎΠ΅Π΄ΠΈΠ½ΠΈΡΠ΅Π»ΡΠ½ΡΡ Π³Π°ΠΉΠΊΡ ΠΌΠΎΠΌΠ΅Π½ΡΠΎΠΌ 11 Πβ’ΠΌ.
5.Β Π£ΡΡΠ°Π½ΠΎΠ²ΠΈΡΠ΅ ΡΡΠΎΡ ΡΡΠΎΡΠ½ΠΎΡΠ½ΠΎΠ³ΠΎ ΡΠΎΡΠΌΠΎΠ·Π° ΠΈ Π΄Π΅ΡΠΆΠ°ΡΠ΅Π»Ρ ΡΡΠΎΡΠ°.
6.Β Π£ΡΡΠ°Π½ΠΎΠ²ΠΈΡΠ΅ ΡΠ·Π΅Π» ΡΡΡΠΏΠΈΡΡ Π·Π°Π΄Π½Π΅Π³ΠΎ ΠΊΠΎΠ»Π΅ΡΠ°.
7.Β Π£ΡΡΠ°Π½ΠΎΠ²ΠΈΡΠ΅ Π²ΡΠ΅ ΡΠ°Π½Π΅Π΅ ΡΠ½ΡΡΡΠ΅ Π΄Π΅ΡΠ°Π»ΠΈ.
8.Β ΠΡΠΎΠΊΠ°ΡΠ°ΠΉΡΠ΅ ΡΠΎΡΠΌΠΎΠ·Π°.
Π Π°Π±ΠΎΡΠΈΠΉ ΡΠΎΡΠΌΠΎΠ·Π½ΠΎΠΉ ΡΠΈΠ»ΠΈΠ½Π΄Ρ
Π‘Π½ΡΡΠΈΠ΅
1.Β ΠΠΎΠ΄Π½ΠΈΠΌΠΈΡΠ΅ Π°Π²ΡΠΎΠΌΠΎΠ±ΠΈΠ»Ρ ΠΈ Π·Π°ΠΊΡΠ΅ΠΏΠΈΡΠ΅ Π½Π° ΡΠ΄ΠΎΠ±Π½ΠΎΠΉ Π²ΡΡΠΎΡΠ΅.
2.Β ΠΡΠΌΠ΅ΡΡΡΠ΅ ΠΏΠΎΠ»ΠΎΠΆΠ΅Π½ΠΈΠ΅ ΠΊΠΎΠ»Π΅ΡΠ½ΡΡ Π΄ΠΈΡΠΊΠΎΠ² ΠΏΠΎ ΠΎΡΠ½ΠΎΡΠ΅Π½ΠΈΡ ΠΊ ΡΡΡΠΏΠΈΡΠ°ΠΌ ΠΈ ΡΠ½ΠΈΠΌΠΈΡΠ΅ Π·Π°Π΄Π½ΠΈΠ΅ ΠΊΠΎΠ»Π΅ΡΠ°.
3.Β ΠΡΠ²Π΅ΡΠ½ΠΈΡΠ΅ ΡΡΡΠ°Π½ΠΎΠ²ΠΎΡΠ½ΡΠΉ Π²ΠΈΠ½Ρ ΠΊΡΠ΅ΠΏΠ»Π΅Π½ΠΈΡ ΡΠΎΡΠΌΠΎΠ·Π½ΠΎΠ³ΠΎ Π±Π°ΡΠ°Π±Π°Π½Π°.
4.Β Π‘Π½ΠΈΠΌΠΈΡΠ΅ ΡΠΎΡΠΌΠΎΠ·Π½ΠΎΠΉ Π±Π°ΡΠ°Π±Π°Π½.
5.Β Π‘Π½ΠΈΠΌΠΈΡΠ΅ Π²Π΅ΡΡ Π½ΡΡ Π²ΠΎΠ·Π²ΡΠ°ΡΠ½ΡΡ ΠΏΡΡΠΆΠΈΠ½Ρ.
ΠΡΠΌΠ΅ΡΡΡΠ΅ ΠΏΠΎΠ»ΠΎΠΆΠ΅Π½ΠΈΠ΅ ΡΠ΅Π³ΡΠ»ΠΈΡΠΎΠ²ΠΊΠΈ ΡΠΎΡΠΌΠΎΠ·ΠΎΠ² 7 (ΡΠΌ. ΡΠΈΡ. 12.34) ΡΡΡΠ°Π³Π° ΠΌΠ΅Ρ Π°Π½ΠΈΠ·ΠΌΠ° 17 ΠΈ ΠΏΡΡΠΆΠΈΠ½Ρ ΠΌΠ΅Ρ Π°Π½ΠΈΠ·ΠΌΠ° 15.
ΠΠ΅ΠΌΠ½ΠΎΠ³ΠΎ Π½Π°ΠΆΠΌΠΈΡΠ΅ Π½Π° ΡΠΎΡΠΌΠΎΠ·Π½ΡΠ΅ ΠΊΠΎΠ»ΠΎΠ΄ΠΊΠΈ, ΡΡΠΎΠ±Ρ ΠΈΡ ΡΠ°Π·Π΄Π²ΠΈΠ½ΡΡΡ.
ΠΡΠΈΡΡΠΈΡΠ΅ Π³ΡΡΠ·Ρ ΠΈ ΠΏΠΎΡΡΠΎΡΠΎΠ½Π½ΠΈΠ΅ ΠΌΠ°ΡΠ΅ΡΠΈΠ°Π»Ρ Π²ΠΎΠΊΡΡΠ³ ΠΏΠΎΠ΄ΡΠΎΠ΅Π΄ΠΈΠ½Π΅Π½ΠΈΡ ΡΠΎΡΠΌΠΎΠ·Π½ΠΎΠ³ΠΎ ΡΡΡΠ±ΠΎΠΏΡΠΎΠ²ΠΎΠ΄Π° ΠΊ ΡΠ°Π±ΠΎΡΠ΅ΠΌΡ ΡΠΎΡΠΌΠΎΠ·Π½ΠΎΠΌΡ ΡΠΈΠ»ΠΈΠ½Π΄ΡΡ ΠΈ Π±ΠΎΠ»ΡΠΎΠ².
6.Β ΠΡΡΠΎΠ΅Π΄ΠΈΠ½ΠΈΡΠ΅ ΡΠΎΡΠΌΠΎΠ·Π½ΠΎΠΉ ΡΡΡΠ±ΠΎΠΏΡΠΎΠ²ΠΎΠ΄ ΠΎΡ ΡΠ°Π±ΠΎΡΠ΅Π³ΠΎ ΡΠΎΡΠΌΠΎΠ·Π½ΠΎΠ³ΠΎ ΡΠΈΠ»ΠΈΠ½Π΄ΡΠ°.
ΠΠ»Ρ ΠΏΡΠ΅Π΄ΠΎΡΠ²ΡΠ°ΡΠ΅Π½ΠΈΡ Π²ΡΡΠ΅ΠΊΠ°Π½ΠΈΡ ΠΈ Π·Π°Π³ΡΡΠ·Π½Π΅Π½ΠΈΡ ΡΠΎΡΠΌΠΎΠ·Π½ΠΎΠΉ ΠΆΠΈΠ΄ΠΊΠΎΡΡΠΈ ΠΎΡΠΊΡΡΡΡΠ΅ ΠΎΡΠ²Π΅ΡΡΡΠΈΡ Π² ΡΡΡΠ±ΠΎΠΏΡΠΎΠ²ΠΎΠ΄Π΅ Π½Π΅ΠΎΠ±Ρ ΠΎΠ΄ΠΈΠΌΠΎ Π·Π°ΠΊΡΡΡΡ ΠΏΠΎΠ΄Ρ ΠΎΠ΄ΡΡΠΈΠΌΠΈ ΠΏΡΠΎΠ±ΠΊΠ°ΠΌΠΈ.
7.Β ΠΡΠ²Π΅ΡΠ½ΠΈΡΠ΅ Π±ΠΎΠ»ΡΡ ΠΈ ΡΠ½ΠΈΠΌΠΈΡΠ΅ ΡΠ°Π±ΠΎΡΠΈΠΉ ΡΠΎΡΠΌΠΎΠ·Π½ΠΎΠΉ ΡΠΈΠ»ΠΈΠ½Π΄Ρ 5 (ΡΠΈΡ. 12.38).
Π£ΡΡΠ°Π½ΠΎΠ²ΠΊΠ°
1.Β Π£ΡΡΠ°Π½ΠΎΠ²ΠΈΡΠ΅ ΡΠ°Π±ΠΎΡΠΈΠΉ ΡΠΎΡΠΌΠΎΠ·Π½ΠΎΠΉ ΡΠΈΠ»ΠΈΠ½Π΄Ρ Π½Π° ΡΠΎΡΠΌΠΎΠ·Π½ΠΎΠΉ ΡΠΈΡ ΠΈ Π·Π°ΠΊΡΠ΅ΠΏΠΈΡΠ΅ Π±ΠΎΠ»ΡΠ°ΠΌΠΈ, Π·Π°ΡΡΠ½ΡΠ² ΠΈΡ ΠΌΠΎΠΌΠ΅Π½ΡΠΎΠΌ 9 Πβ’ΠΌ.
2.Β ΠΠΎΠ΄ΡΠΎΠ΅Π΄ΠΈΠ½ΠΈΡΠ΅ ΡΠΎΡΠΌΠΎΠ·Π½ΠΎΠΉ ΡΡΡΠ±ΠΎΠΏΡΠΎΠ²ΠΎΠ΄ ΠΊ ΡΠ°Π±ΠΎΡΠ΅ΠΌΡ ΡΠΎΡΠΌΠΎΠ·Π½ΠΎΠΌΡ ΡΠΈΠ»ΠΈΠ½Π΄ΡΡ ΠΈ Π·Π°ΡΡΠ½ΠΈΡΠ΅ ΡΠΎΠ΅Π΄ΠΈΠ½ΠΈΡΠ΅Π»ΡΠ½ΡΡ Π³Π°ΠΉΠΊΡ ΠΌΠΎΠΌΠ΅Π½ΡΠΎΠΌ 11 Πβ’ΠΌ.
3.Β Π£ΡΡΠ°Π½ΠΎΠ²ΠΈΡΠ΅ ΡΠΎΡΠΌΠΎΠ·Π½ΡΠ΅ ΠΊΠΎΠ»ΠΎΠ΄ΠΊΠΈ Π½Π° ΡΠΎΡΠΌΠΎΠ·Π½ΠΎΠΉ ΡΠΈΠ»ΠΈΠ½Π΄Ρ.
4.Β Π£ΡΡΠ°Π½ΠΎΠ²ΠΈΡΠ΅ Π²Π΅ΡΡ Π½ΡΡ Π²ΠΎΠ·Π²ΡΠ°ΡΠ½ΡΡ ΠΏΡΡΠΆΠΈΠ½Ρ.
ΠΠΎΠ»ΠΎΠΆΠ΅Π½ΠΈΠ΅ ΠΌΠ΅Ρ Π°Π½ΠΈΠ·ΠΌΠ° ΡΠ΅Π³ΡΠ»ΠΈΡΠΎΠ²ΠΊΠΈ 7 (ΡΠΌ. ΡΠΈΡ. 12.34) ΠΈ ΡΡΡΠ°Π³Π° ΠΌΠ΅Ρ Π°Π½ΠΈΠ·ΠΌΠ° 17 Ρ ΠΏΡΡΠΆΠΈΠ½ΠΎΠΉ Π΄ΠΎΠ»ΠΆΠ½ΠΎ Π±ΡΡΡ ΡΠ°ΠΊΠΈΠΌ ΠΆΠ΅, ΠΊΠ°ΠΊ ΠΈ Π΄ΠΎ ΡΠ½ΡΡΠΈΡ.
5.Β Π£ΡΡΠ°Π½ΠΎΠ²ΠΈΡΠ΅ ΡΠΎΡΠΌΠΎΠ·Π½ΠΎΠΉ Π±Π°ΡΠ°Π±Π°Π½ 11 ΠΈ Π·Π°ΠΊΡΠ΅ΠΏΠΈΡΠ΅ Π΅Π³ΠΎ ΡΡΡΠ°Π½ΠΎΠ²ΠΎΡΠ½ΡΠΌ Π²ΠΈΠ½ΡΠΎΠΌ 12.
6.Β Π£ΡΡΠ°Π½ΠΎΠ²ΠΈΡΠ΅ Π·Π°Π΄Π½ΠΈΠ΅ ΠΊΠΎΠ»Π΅ΡΠ° ΠΈ Π·Π°ΠΊΡΠ΅ΠΏΠΈΡΠ΅ ΠΈΡ Π±ΠΎΠ»ΡΠ°ΠΌΠΈ.
7.Β ΠΡΠΎΠΊΠ°ΡΠ°ΠΉΡΠ΅ ΡΠΎΡΠΌΠΎΠ·Π½ΡΡ ΡΠΈΡΡΠ΅ΠΌΡ.
ΠΡΡΠ΅Π³ΡΠ»ΠΈΡΡΠΉΡΠ΅ ΡΠΎΡΠΌΠΎΠ·Π° Π·Π°Π΄Π½ΠΈΡ ΠΊΠΎΠ»Π΅Ρ.
ΠΡΡΠ΅Π³ΡΠ»ΠΈΡΡΠΉΡΠ΅ ΡΡΠΎΡΠ½ΠΎΡΠ½ΡΠΉ ΡΠΎΡΠΌΠΎΠ·.
Π Π΅ΠΌΠΎΠ½Ρ ΡΠ·Π»ΠΎΠ² Π·Π°Π΄Π½Π΅Π³ΠΎ Β ΡΠΎΡΠΌΠΎΠ·Π°
Π Π΅ΠΌΠΎΠ½Ρ ΡΠ°Π±ΠΎΡΠ΅Π³ΠΎ ΡΠΎΡΠΌΠΎΠ·Π½ΠΎΠ³ΠΎ Β ΡΠΈΠ»ΠΈΠ½Π΄ΡΠ°
Π Π°Π·Π±ΠΎΡΠΊΠ°
1.Β Π‘Π½ΠΈΠΌΠΈΡΠ΅ ΡΠ°Π±ΠΎΡΠΈΠΉ ΡΠΎΡΠΌΠΎΠ·Π½ΠΎΠΉ ΡΠΈΠ»ΠΈΠ½Π΄Ρ 5 (ΡΠΌ. ΡΠΈΡ. 12.38) Ρ ΡΠΎΡΠΌΠΎΠ·Π½ΠΎΠ³ΠΎ ΡΠΈΡΠ°.
2.Β Π‘Π½ΠΈΠΌΠΈΡΠ΅ Π·Π°ΡΠΈΡΠ½ΡΠ΅ ΠΊΠΎΠ»ΠΏΠ°ΡΠΊΠΈ 1.
3.Β Π‘Π½ΠΈΠΌΠΈΡΠ΅ ΠΏΠΎΡΡΠ½ΠΈ 2 ΠΈ ΡΠΏΠ»ΠΎΡΠ½ΠΈΡΠ΅Π»Ρ 6.
4.Β Π‘Π½ΠΈΠΌΠΈΡΠ΅ ΠΏΡΡΠΆΠΈΠ½Ρ 7.
5.Β Π‘Π½ΠΈΠΌΠΈΡΠ΅ Π·Π°ΡΠΈΡΠ½ΡΠΉ ΠΊΠΎΠ»ΠΏΠ°ΡΠΎΠΊ 3 ΠΈ Π²ΡΠ²Π΅ΡΠ½ΠΈΡΠ΅ ΡΡΡΡΠ΅Ρ ΠΏΡΠΎΠΊΠ°ΡΠΊΠΈ 4.
ΠΡΠΎΠ²Π΅ΡΠΊΠ°
ΠΡΠΎΠ²Π΅ΡΡΡΠ΅ ΡΠΎΡΡΠΎΡΠ½ΠΈΠ΅ Π²Π½ΡΡΡΠ΅Π½Π½Π΅ΠΉ ΠΏΠΎΠ²Π΅ΡΡ Π½ΠΎΡΡΠΈ ΡΠΈΠ»ΠΈΠ½Π΄ΡΠ° ΠΈ ΠΏΠΎΠ²Π΅ΡΡ Π½ΠΎΡΡΡ ΠΏΠΎΡΡΠ½Ρ Π½Π° Π½Π°Π»ΠΈΡΠΈΠ΅:
βΒ ΡΠ°ΡΠ°ΠΏΠΈΠ½;
βΒ Π·Π°Π΄ΠΈΡΠΎΠ²;
βΒ ΠΊΠΎΡΡΠΎΠ·ΠΈΠΈ;
βΒ ΠΈΠ·Π½ΠΎΡΠ°.
ΠΠ»Ρ ΡΠ½ΡΡΠΈΡ ΡΠ»Π΅Π΄ΠΎΠ² ΠΊΠΎΡΡΠΎΠ·ΠΈΠΈ ΠΈΡΠΏΠΎΠ»ΡΠ·ΡΠΉΡΠ΅ ΠΏΠΎΠ»ΠΈΡΠΎΠ²ΠΎΡΠ½ΡΠΉ ΠΌΠ°ΡΠ΅ΡΠΈΠ°Π».
ΠΡΠ»ΠΈ ΠΏΠΎΠ»ΠΈΡΠΎΠ²ΠΊΠΎΠΉ Π½Π΅ ΡΠ΄Π°Π΅ΡΡΡ ΡΠ½ΡΡΡ ΡΠ»Π΅Π΄Ρ ΠΊΠΎΡΡΠΎΠ·ΠΈΠΈ, Π·Π°ΠΌΠ΅Π½ΠΈΡΠ΅ ΡΠ°Π±ΠΎΡΠΈΠΉ ΡΠΎΡΠΌΠΎΠ·Π½ΠΎΠΉ ΡΠΈΠ»ΠΈΠ½Π΄Ρ.
ΠΡΠΎΠΌΠΎΠΉΡΠ΅ Π²ΡΠ΅ Π΄Π΅ΡΠ°Π»ΠΈ ΡΠΈΡΡΠΎΠΉ ΡΠΎΡΠΌΠΎΠ·Π½ΠΎΠΉ ΠΆΠΈΠ΄ΠΊΠΎΡΡΡΡ ΠΈΠ»ΠΈ Π΄Π΅Π½Π°ΡΡΡΠ°ΡΠΎΠΌ.
ΠΡΡΡΡΠΈΡΠ΅ Π΄Π΅ΡΠ°Π»ΠΈ Π²ΠΎΠ·Π΄ΡΡ ΠΎΠΌ ΠΎΡ ΠΊΠΎΠΌΠΏΡΠ΅ΡΡΠΎΡΠ°, Π½Π΅ ΡΠΎΠ΄Π΅ΡΠΆΠ°ΡΠΈΠΌ ΠΌΠ°ΡΠ΅Π».
ΠΠ΅ΡΠ΅Π΄ ΡΠ±ΠΎΡΠΊΠΎΠΉ ΡΠΌΠ°ΠΆΡΡΠ΅ Π½ΠΎΠ²ΡΠ΅ ΡΠΏΠ»ΠΎΡΠ½ΠΈΡΠ΅Π»ΠΈ, ΠΏΠΎΡΡΠ½ΠΈ ΠΈ Π²Π½ΡΡΡΠ΅Π½Π½ΡΡ ΠΏΠΎΠ²Π΅ΡΡ Π½ΠΎΡΡΡ ΠΊΠΎΡΠΏΡΡΠ° ΡΠΈΠ»ΠΈΠ½Π΄ΡΠ° ΡΠΈΡΡΠΎΠΉ ΡΠΎΡΠΌΠΎΠ·Π½ΠΎΠΉ ΠΆΠΈΠ΄ΠΊΠΎΡΡΡΡ.
Β Β Β Β ΠΠ ΠΠΠ£ΠΠ ΠΠΠΠΠΠΠ
ΠΠ΅ΡΠ΅Π΄ ΡΠ±ΠΎΡΠΊΠΎΠΉ ΡΠ°Π±ΠΎΡΠ΅Π³ΠΎ ΡΠΎΡΠΌΠΎΠ·Π½ΠΎΠ³ΠΎ ΡΠΈΠ»ΠΈΠ½Π΄ΡΠ° Π½Π°Π½Π΅ΡΠΈΡΠ΅ ΡΠΎΠ½ΠΊΠΈΠΉ ΡΠ»ΠΎΠΉ ΠΏΠ°ΡΡΡ Π΄Π»Ρ Π±Π°ΡΠ°Π±Π°Π½Π½ΡΡ ΡΠΎΡΠΌΠΎΠ·ΠΎΠ² Π½Π° Π½ΠΎΠ²ΡΠ΅ ΡΠ΅Π·ΠΈΠ½ΠΎΠ²ΡΠ΅ Π΄Π΅ΡΠ°Π»ΠΈ (ΠΊΡΠΎΠΌΠ΅ ΠΏΡΠΎΡΠΈΠ²ΠΎΠΏΡΠ»Π΅Π²ΡΡ ΠΊΠΎΠ»ΠΏΠ°ΡΠΊΠΎΠ²) ΠΈ Π²Π½ΡΡΡΠ΅Π½Π½ΡΡ ΠΏΠΎΠ²Π΅ΡΡ Π½ΠΎΡΡΡ ΡΠ°Π±ΠΎΡΠ΅Π³ΠΎ ΡΠΎΡΠΌΠΎΠ·Π½ΠΎΠ³ΠΎ ΡΠΈΠ»ΠΈΠ½Π΄ΡΠ°.
Π‘Π±ΠΎΡΠΊΠ°
1.Β ΠΠ²Π΅ΡΠ½ΠΈΡΠ΅ ΡΡΡΡΠ΅Ρ 4 ΠΈ ΡΡΡΠ°Π½ΠΎΠ²ΠΈΡΠ΅ ΠΊΠΎΠ»ΠΏΠ°ΡΠΎΠΊ 3.
2.Β Π£ΡΡΠ°Π½ΠΎΠ²ΠΈΡΠ΅ ΠΏΡΡΠΆΠΈΠ½Ρ 7.
3.Β Π£ΡΡΠ°Π½ΠΎΠ²ΠΈΡΠ΅ ΠΏΠΎΡΡΠ½ΠΈ 2 ΠΈ ΡΠΏΠ»ΠΎΡΠ½ΠΈΡΠ΅Π»ΠΈ 6.
4.Β Π£ΡΡΠ°Π½ΠΎΠ²ΠΈΡΠ΅ Π·Π°ΡΠΈΡΠ½ΡΠ΅ ΠΊΠΎΠ»ΠΏΠ°ΡΠΊΠΈ 1. ΠΡΠΎΠ²Π΅ΡΡΡΠ΅ ΠΏΠΎΡΡΠ½ΠΈ 2 Π½Π° ΠΏΡΠ΅Π΄ΠΌΠ΅Ρ ΡΠ²ΠΎΠ±ΠΎΠ΄Π½ΠΎΠ³ΠΎ ΠΏΠ΅ΡΠ΅ΠΌΠ΅ΡΠ΅Π½ΠΈΡ.
5.Β Π£ΡΡΠ°Π½ΠΎΠ²ΠΈΡΠ΅ ΡΠ°Π±ΠΎΡΠΈΠΉ ΡΠΎΡΠΌΠΎΠ·Π½ΠΎΠΉ ΡΠΈΠ»ΠΈΠ½Π΄Ρ Π½Π° ΡΠΎΡΠΌΠΎΠ·Π½ΠΎΠΉ ΡΠΈΡ.
ΠΠΎΠΌΠ΅Π½ΡΡ Π·Π°ΡΡΠΆΠΊΠΈ
Π’ΠΎΡΠΌΠΎΠ·Π½ΠΎΠΉ ΡΠΈΡ Π±Π°ΡΠ°Π±Π°Π½Π½ΠΎΠ³ΠΎ ΡΠΎΡΠΌΠΎΠ·Π°………28 Πβ’ΠΌ
ΠΠΎΠ»Ρ ΠΊΡΠ΅ΠΏΠ»Π΅Π½ΠΈΡ ΡΠΎΡΠΌΠΎΠ·Π½ΠΎΠ³ΠΎ ΡΠΈΠ»ΠΈΠ½Π΄ΡΠ° ΠΊ ΡΠΎΡΠΌΠΎΠ·Π½ΠΎΠΌΡ ΡΠΈΡΡ……..9 Πβ’ΠΌ
Π’ΠΎΡΠΌΠΎΠ·Π½ΠΎΠΉ ΡΡΡΠ±ΠΎΠΏΡΠΎΠ²ΠΎΠ΄……..11 Πβ’ΠΌ
carmanz.com