Изначально на автомобиле Ford Fusion установлена штатная магнитола Ford 6000CD, но практически любого автолюбителя не устраивает качество ее звучания, а также отсутствие USB и чтения формата MP3.
Поэтому многие любители качественного звука решают заменить штатную магнитолу на нечто более приемлемое. Итак, давайте рассмотрим процесс замены, на примере установки нештатной аудиосистемы Sony с наличием оригинальных Bluetooth и USB модуля.
Эстетичность внешнего вида
grandrepairauto.ru
Владельцы Ford Fusion могут столкнуться с проблемой демонтажа штатной магнитолы. Причин для совершения этой операции может быть достаточно много, но трудность состоит в том, что не все знают, где, как и что нужно открутить или отщёлкнуть.
Видео о демонтаже штатной магнитолы:

Для демонтажа потребуются специальные «защелки», чтобы не повредить пластик и отщелкнуть замок. Или аккуратно поддеть.
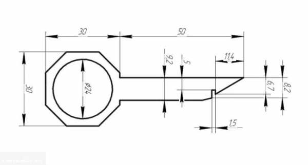
Если у вас нет ключей, можете попробовать изготовить их сами. Вот чертёж.

Чертёж.
Выглядит это потом так.

Демонтаж магнитолы при помощи специальных «самопальных» ключей.
Когда автолюбитель всё имеет в своём арсенале, можно приступить непосредственно к проведению самого процесса. Итак, преступим:

Вставляем ключи для отщёлкивания магнитолы и открываем пазы.

Вытягиваем магнитолу на себя и видим, что сзади подключены провода.

Отсоединяем проводку и вынимаем магнитолу полностью.
На первый взгляд процесс демонтажа штатной магнитолы кажется тяжёлым, но в самом процессе нет ничего страшного. Главное быть предельно аккуратным, чтобы ничего не сломать.
Также, может пригодиться распиновка разъёмов:

Распиновка разъёмов штатной магнитолы.
1 — RIGHT REAR +
9 — MIDDLE CAN+
10 — MIDDLE CAN-
11 — KEY GND
12 — PWR GND
13 — ANTI-THEFT
14 — ILL
15 — +
16 — ACC
1 — PHONE+
2
3 — AUX L+
4 — AUX R+
5 — PHONE MUTE
6 — REMOTE CONTROL+
7 — PHONE-
8 — REMOTE CONTROL-
9 — AUX L-
10 — AUX R-
11
12
1 — RSE L+
2 — RSE R+
3
4
5 — AUX L
6 — AUDIO GND
7 — RSE L-
8 — RSE R-
9
10
11 — AUX R
12

Фото разъёма.

Чаще всего магнитолу достают для замены. Появляется возможность подключения флешки, камеры заднего вида.
Демонтаж штатной магнитолы потребуется, как и для основных операций, так и для вспомогательных. Рассмотрим, почему владелец может снимать магнитолу на Форд Фьюжн:
Демонтировать штатную магнитолу с Форд Фьюжн достаточно просто. Необходимо только иметь ключи для съёма, терпение и аккуратность. Монтаж изделия проводится также очень легко.
carfrance.ru
Многие владельцы Ford Fusion хотели бы самостоятельно снять штатную магнитолу. Причин для совершения этой операции может быть достаточно много, но трудность состоит в том, что не все знают, где, как и что нужно открутить или отщёлкнуть.
Видео
Видеоматериал поможет разобраться с процессом демонтажа штатной магнитолы Форд Фьюжен. Будут рассмотрены основные операции, а также указаны тонкости и нюансы проведения процедуры.
Процесс снятия штатной с Форд Фьюжн достаточно проблематичный, поскольку месторасположение не удобное и . Так, перед началом работы стоит собрать необходимый инструментарий и изучить технические карты.

Преступаем к процессу демонтажа:


Хоть процесс и достаточно сложный, но нет ничего страшного если не получиться всё с первого раза. Главное быть предельно аккуратным, чтобы ничего не сломать.
Также, стоит рассмотреть распиновку разъёмов:
SPEAKERS+POWER+CAN
1 — RIGHT REAR +
2 — RIGHT FRONT +
3 — LEFT FRONT +
4 — LEFT REAR +
5 — RIGTH REAR —
6 — RIGHT FRONT —
7 — LEFT FRONT —
8 — LEFT REAR —
9 — MIDDLE CAN+
10 — MIDDLE CAN-
11 — KEY GND
12 — PWR GND
13 — ANTI-THEFT
14 — ILL
15 — +
16 — ACC
REMOTE+CHANGER+PHONE
1 — PHONE+
2
3 — AUX L+
4 — AUX R+
5 — PHONE MUTE
6 — REMOTE CONTROL+
7 — PHONE-
8 — REMOTE CONTROL-
9 — AUX L-
10 — AUX R-
11
12
AUX + RSE (Rear Seat Entertainment)
1 — RSE L+
2 — RSE R+
3
4
5 — AUX L
6 — AUDIO GND
7 — RSE L-
8 — RSE R-
9
10
11 — AUX R
12
Чтобы демонтировать магнитолу потребуется всего несколько инструментов и практических навыков. А вот, чтобы определить причины, стоит подумать. Рассмотрим, почему владелец может снимать магнитолу на Форд Фьюжн:
Снять штатную магнитолу с Форд Фьюжн можно своими руками. Необходимо только иметь ключи для съёма, терпение и аккуратность. Монтаж изделия проводится также очень легко.
germanautoreview.ru
Всем привет!
Начало у рассказа, думаю, вполне стандартное — задолбала меня штатная магнитола Ford 6000CD, которая работать могла, разве что, как радио — на всех ямках воспроизведение с диска прерывалось, запиналось и т.п. Начал присматривать альтернативу. Причём, с первых дней, как приобрёл машину. Но то денег не было, то времени. В общем, только сейчас всё решилось.
К слову сказать, всё описанное здесь делалось с моей машиной — Ford Fusion рестайл с борт.компьютером. Возможно, есть какие-то нюансы, которые отличаются в других комплектациях.
Приобрёл магнитолу (а точнее сказать — головное устройство) Witson B5629. Варианта с приобретением было два — в одном случае самостоятельно растамаживать посылку, во втором — чуть переплатить и выиграть время. Был выбран второй вариант. Где покупал, если интересно, в личке отвечу, рекламировать не хочу.
Приехала посылка, забрал домой, включил (благо, распиновку всех разъёмов элементарно найти в интернете). И тут первое разочарование — красная подсветка кнопок. У фьюжина в салоне всё зелёненьким светится… Открутил переднюю панель от магнитолы (на удивление, это получается сделать даже не нарушив гарантийные наклейки), посмотрел, какие там светодиоды. С завода стоят красные диоды размера 0603, однако, без проблем на их место паяются 0805. Поехал в местный радиомагазин и взял 30шт зелёных диодов 0805 (реально, вроде как, 25 нужно, но стоят копейки и продаются кратно 10 у нас). В этот же день припаял их на место и вот что получилось:

Полный размер
Магнитола после замены светодиодов
Как потом оказалось, оттенок и яркость (на максимальной настройке) идеально совпали с остальной подсветкой. Поэтому, вот ссылка на светодиоды: voron.ua/catalog/023353
По поводу яркости, один не сильно приятный момент. Если яркость кнопок настраивать меньше максимальной — слышен достаточно противный писк ШИМа (который исходит из самой магнитолы, помехой в динамики не лезет, но всё же…)
Когда снял родную магнитолу, появилось несколько вопросов, связанных с подключением. Техподдержка у магазина, где я брал магнитолу, к сожалению, оказалась на редкость тупой — «а вы подключите все разъёмы и всё заработает», «вам нужно к установщику», «не занимайтесь самодеятельностью». В конечном итоге, пришлось разбираться самому. Благо, я по жизни электроникой занимаюсь)
Первым делом, из разъёмов переходников новой магнитолы были изъяты лишние провода, которые мне лично не нужны были. А это:
— Провода на питание/управление дополнительными усилителями (в т.ч. антенным) — на бирках подписаны были как AMP, ANT и, почему-то, BRAKE. При этом, на наклейке на корпусе магнитолы этот контакт был подписан как питание усилителя…
— Аналоговые звуковые ВЫХОДЫ (по всей видимости, так же, на внешний усилитель).
— Лишние провода, подписанные как ILLUMI. Это цепь, в которой появляется 12 вольт при включении габаритов. Дополнительно его никуда подключать не нужно.
— На БОЛЬШЕМ разъёме провод, подписанный как REVERSE (на наклейке он подписан BACK). Зачем он — я так и не понял.
Не убирайте только провод REVERSE на меньшем разъёме — он ещё пригодится! На него нужно давать 12 вольт при включении задней передачи, если хотите использовать камеру заднего вида. Его я и у себя оставил — буду доделывать камеру.
— На маленьком разъёме провод CAM POWER. В моём случае, он бесполезен — это 12 вольт на камеру заднего вида. Они там появляются при подаче 12В на REVERSE. Причём, 12 вольт там напрямую от борт.сети, не стабилизированные. Однозначно решил, что запитаю камеру прямо от лампочки заднего хода (причём, со стабилизацией — камера дольше проживёт).
Вроде, всё, лишнее убирать не стоит. Ещё есть сомнения на счёт разъёмов аналоговых видео-выходов, не думаю, что буду доп.мониторы ставить, но на всякий случай, оставил.
Оставил один провод ILLUMI и ACC — на всякий случай, вдруг, чего подключать буду. И два оранжевых провода — CAN-шина, как я понимаю. У меня на приборке есть экранчик, на который старая магнитола выводила частоту, номер трека и громкость. В перспективе, хочу эту научить то же самое делать — удобно было бы. А ещё лучше — часы туда выводить.
В уголок приборной панели я приклеил комплектный внешний микрофон (для громкой связи). Для того, чтобы аккуратно вывести провода от него, придётся снять (отодвинуть) пластиковую «полочку». Для этого, необходимо снять нижнюю панель (которая под рулём). Сама полочка держится на одном саморезе и двух защёлках.
Думал, куда поставить комплектную GPS антенну. С одной стороны, не хотелось, чтобы её было видно. С другой — она должна быть НЕ под крышей — чтобы её сверху не накрывали металлические элементы. Решение было найдено после того, как я снял верхний бардачок:

Полный размер
GPS антенна
Антенна приклеена эпоксидным двухкомпонентным клеем.

Полный размер
Вывел все провода, подключил.
Попробовал вставить и защёлкнуть магнитолу на месте — не тут то было. Помешала одна маленькая деталь:

Полный размер
Крышка разъёмов под карты памяти

Полный размер
Пришлось её убрать.
Вокруг нет металлических деталей, можно не боятся, что что-то замкнёт. Но эта деталь не даёт до конца защёлкнуть магнитолу.
Собственно, за сим пока всё. Продолжение следует 🙂
Хочу камеру заднего вида сделать и спрятать в центральное зеркало ещё одну камеру, которая будет видеорегистратором. У этой магнитолы есть такая возможность. Так же, хочу вывести USB разъёмы наружу. Возможно, и в верхний бардачок тоже (по большей части, для зарядки чего-либо).
В целом, звук понравился. Значительно лучше, чем у родной гамнитолы. Однако, начали «рвать» и «хрипеть» динамики на «низах». Буду разбирать двери — посмотрю, что да как. Возможно, поменяю их. Будет отдельная запись на эту тему. Для навигации поставил Navitel. Возможно, ещё чего поставлю, посмотрю-сравню…
Вдогонку пара вопросов:
1 — где можно не далеко от магнитолы найти линию, на которой 12 вольт при включении задней передачи появляется? На предохранителе заднего хода напряжение есть всегда.
2 — где можно найти контакты для такого разъёма?

Полный размер
Разъём Ford. Хочу найти контакты и подключить CAN-шину. Изначально не подключена…
И ответы на предвиденные вопросы 🙂
1 — у меня нет кнопок на руле, не знаю, будут ли работать. Производитель утверждает, что да.
2 — магнитола умеет с CAN-шиной работать. Все настройки в меню «заводские настройки». Пароль для входа в это меню 126. Однако, сам ещё не разобрался…
3 — там же можно выбрать логотип Ford вместо надписи Android при включении.
4 — там же можно выбрать тип камеры видеорегистратора — USB или CVBS. Полагаю, что CVBS камеру нужно к VIDEO IN подключать (этот вход для ТВ-тюнера первоначально задумывался). Отдельного входа для передней камеры не нашёл, буду пробовать.
5 — камеру заднего вида стоит брать БЕЗ встроенной «разметки». Программа умеет сама отрисовывать эти линии.
Окончательные фотографии будут позже, не успел(
Source: www.drive2.ru
remont-avto.uef.ru
Наше время сейчас такое, что, наверное, любому автомобилисту нашей страны кошмарно и скучно представляется ездить на своей машине, в которой нельзя включить музычку, может, радио или какую-нибудь аудиокнигу. Согласны? А пробки на дорогах? Да без музыки вообще невозможно! 😆 Куда же без нашего друга — автомобильной магнитолы? И в магазин лень съездить! 😉
Но, бывает, что штатная, родная магнитола нуждается в замене. Может, вам хочется ее поменять на какую-нибудь покруче? В таком случае многим сразу же в голову крадётся мысль: сделать всё по-быстрому и заехать в автомобильный сервис. 🙄 А можно
попробовать разобраться и самостоятельно. Этот вариант мы сейчас и рассмотрим. Нужно же развиваться, в конце концов. ❗ К тому же для большинства экономия — это стиль жизни!
Изначально Форд Фокус 2 располагает магнитолой Сони 6000 cd (бывают 3 видов: овал, квадрат и 6000 рестайлинг).
Что же понадобится для замены?

Ха-ха… Разумеется, нужен способ, чтоб эти «специальные ключи» не покупать.

Эти спецключи всовываются в 4 отверстия, что по краям, слегка их расшатываете, срабатывает фиксация и магнитола снимается.

Вводите код, что сверху, и готово. Так дела обстоят с Сони квадратом. Остальные две Сони зафиксированы рамкой и болтами. Смотрите ниже. ➡
Итак, внимательно! Как снять магнитолу Sony овал и рестайлинг на Ford Focus 2? Инструкция.
Действуете спокойно и не спеша! Магнитофон — хрупкая вещь. Аккуратно!

Включаете магнитолу, вводите код, который на ней указывается. Короче, 10-20 минут своей жизни потратить придется.
Следующий вопрос: как разблокировать автомагнитолу на Форде Фокусе 2?

Что, дисплей показывает CODE? Или SAFE? Да уж, функция блокировки, так сказать, защита…! 👿 Небось, отключали АКБ? Не важно. 😎
Как узнать нужный код? А найти его можно или в инструкции, или на самой магнитоле, либо, при штатном варианте, посмотрите на бардачок.
Не нашли?
Зажимаете единовременно цифры 1 и 6, и внимательно смотрите на дисплей: в конце строчки должны увидеть пин-код.
Как вариант, если не получается найти код, можно попробовать обратиться к дилеру, который вам его и сможет предоставить.
Но есть случаи, когда раскодировать будет проблемно:
Вводить нужно код после того, как увидите на дисплее CODE, SAFE, ENTER или CODE 0000.
Итак. Магнитола Sony. Разблокировка.

Значит, на дисплее 4 позиции. Используете кнопки 0-9. После заполнения позиций нажимаете * (в некоторых случаях вместо кнопки * нужно вводить кнопку, которая располагается между клавишами управления, либо «5»).
Попыток ввода кода дается 10. Если на экране увидите WAIT 30 — автомагнитола заблокировалась, ждите 30 мин, чтоб пробовать ввести код снова. LOCED — лимит ввода исчерпан.
Разберем порядок действий.
Сони квадрат и овал. Как ввести код?
Например, нужно ввести 4455.
На этих вариантах, чтоб подтвердить, нужно клацнуть на «5». В случае успеха заиграет музычка.
Sony рестайлинг
Пример — код тот же.
Всё так же, но нажимать нужно на соответствующие цифры по одному разку, а подтверждаем кнопкой *.

Вот и все, как раскодировать, разобрались!
К слову, если хотите магнитолу с операционной системой Андроид, то классный вариант — NaviPilot DROID2: с сенсорным экраном, GPS навигатор поддерживает чуть ли не все программы навигации, 2 порта USB, можно работать с Google Play, с
радиоприёмником на 32 станции, функция распознавания речи…

Блиииинннн, люди, забыл про эти видео. Делал их раньше июля 2014г. поэтому немного нарушу хронологию рассказа про то, что делал в машине:(
1. Как снять магнитолу и сделать AUX.
Кабель желательно экранированный.
Обычно у людей возникают помехи или наводки.
Проблема может быть в китайском устройстве вставленном в прикуриватель, либо в прокладке кабеля AUX рядом с кабелями, по которым идет силовой ток в машине. Желательно кабель кидать дальше отдельно от кабелей питания.
Моя реализация:
— Фишку в магнитолу: из кабеля соединяющего в компьютере CD-rom и материнскую плату www.ljplus.ru/img4/k/i/ki…rochka/zvukovoj-kabel.jpg
Режется аккуратно пополам разъем и склеивается супер клеем.
Можно использовать компьютерный ide кабель www.techdna.co.uk/product_images/z/ide__86648.jpg , вырезав на 4 контакта фишку из него.
— Аудио кабель взял от сломанных наушников, пойдет любой тонкий (минимум на 3 провода внутри, можно больше просто 3 провода использовать), кабель пряча в приборку обязательно замотать в хлопчатую изоленку, чтобы на скорости внутри панели не стучал. Кабель у меня самый тонкий от самых дешевых наушников вкладышей, никаких помех или наводок нету. Но вам рекомендую заморочиться на экранированный)))))
-. Аудио разъем на 3,5, можно припаять гнездо под него и врезать в приборную панель или рядом с ручником в любом радиомагазине продаются как разъем так и гнезд
comuedu.ru